Fórum témák
» Több friss téma |
A víznyomás (1,2 és 2,2 bar) ingadozása így is túl nagy, a tágulási tartályt a VIM által leírt módon kellene felpumpálnod.
Nem ismerem e kazánt, de talán a másodlagos hőcserélő vízkövesedése okozhat ilyen problémát (elégtelen áramlás). A fellelhető dokumentumokból ( http://www.tolna.net/~baka/uno.shtml ) erre következtetek, de csak tipp részemről.
Szia! ITT van egy teljeskörű leírás erről a kazánról. Azt kellene megfigyelni, hogy a váltószelep átvált e akkor amikor fűtésre kellene, hogy váltson, mert ennek a típusnak az alaphelyzete a HMV vételezés. Ha nem történik HMV vételezés és fűtésre váltáskor nem vált át a háromutú szelep akkor nem lesz "jó" a keringés, ezért túlmelegedhet a hőcserélő kimenetén az NTC és leáll a kazán. A tágulási tartály helyes nyomásbeállítását ITT találod meg. A csere csak akkor esedékes, ha a szelep kupakot levéve onnan víz folyik ki.
Tehetnél fel képet, a panelról! Csak azért, hogy eddig miket cseréltél!!!
Sziasztok!
Adott egy fég c24 fali gázkazán ami azt a jelenséget produkálja hogy megy egy darabig kb 2ora hosszaig, ez idő alatt normálisan üzemel, ezután gondol egyet egy ki kapcsol teljenes még az őrláng is elalszik. Ezután be sem lehet gyújtani meg ha elengedem a bekapcsoló gombot el is alszik az őrláng abban a pillanatban. Mi lehet a hiba? Köszönöm a választ
Sziasztok,
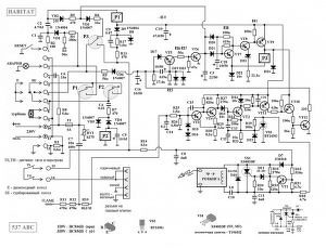
SIT 537.005 vezérlőpanelhez nincs valakinek elfekvőbe egy kapcsolási rajza? A neten nem találok, csak másik típusúakhooz... Köszi előre is! Üdv Lajos
Elém került végre egy ilyen panel, ahol a lángőr rész a gyújtótrafón keresztül megy. Illetve mehet, mert ez a Bertelli & Partners panel olyan, hogy egy átkötéssel lehet 3 elektródás, vagy 1 elektródás. Ha 3, akkor 2 a gyújtótrafó kivezetése, ezek között szikráztat, a harmadik a lángőr elektróda. Ha 1, akkor a testhez képest szikráztat és ezen figyel a lángőr rész is. Ilyenkor egy átkötés kerül a trafó szekunderének alsó pontja és a lángőr elektróda közé.
Egy közönséges varisztorral van megoldva (alaphelyzetben 200Mohm állásban 11Mohm, 20Mohmban nem mérhető, érdekes), ami a test és a lángőr elektróda között van. Ide csatlakozik 1 elektródás rendszernél a gyújtrótrafó szekunderének alsó pontja is. A gyújtófeszültség miatt a varisztor ellenállása lecsökken, rövidre zárja a lángőrt, közben testre kapcsolja a trafó szekunderének alsó pontját. Így tud szikráztatni. Amikor a gyújtófeszültség megszűnt, a varisztor ellenállása megnő, a trafó lába lebeg, a lángőr résszel párhuzamosan kapcsolódik, de nem terheli, figyelheti az ionáramot. Ennél a típusnál az elektródával van sorban egy 1kohm 2W-os ellenállás zsugorcsőben. Ez védi a trafót, de az ionáramba nem igazán szól bele. A hozzászólás módosítva: Jan 28, 2021
Milyen kazánvezérlő panelhez találtál kapcsolási rajzot? Vagy bekötésire gondolsz?
Ja, az elektróda köre volt szakadt. Nem az ellenállás, hanem az elektróda és a vezeték találkozása a porcelán rúdban. Erősen oxidált volt, mintha nedvesség jutott volna bele. A nagyfeszültség még áthúzott rajta, de az ionáram nem tudott kialakulni.
Szia,
SIT 537.201 és SIT 537.301-et találtam + a SIT 537 abc-t ez utóbbit kezdtem visszakövetni, de az SMD-knél feladtam. Főleg azért, mert mindegyik kapcsolásban 3 relé van, az enyémben viszont csak kettő. Az 537.301-es majd azért lehet érdekes, mert ha minden igaz kapok egy ilyen automatikát, viszont ez többet tud mint az enyém. Az alapja ha jól látom megegyezik, ezért szeretném a kapcsolásokat összehasonlítani. Kérdés , hogy elég-e kívülről átkötni valamit vagy a panel belsejébe kell beavatkozni?! Üdv Lajos
Ahha, ezek ilyen egyszerűbbek...orosz barátaink meg ráérnek.
Igen, többnyire ők foglalkoznak a legtöbbet vele. Bár én még tanultam oroszt, de nem ilyen mélységig.
Próbáltam ciril betűkkel is rákeresni, úgy kiadott olyan oldalakat, ahol a regisztrációnál orosz országkóddal kezdődik a telefonszám. A +36-ot nem volt hajlandó bevenni...Így a kapcsolási rajznak és a felfelé ívelő orosz nyelvtudásomnak is lőttek
A kazán rajzok ezeknél az egyszerűbbeknél megállnak, a többihez max részletek vannak. De nem is lényeges, ami kell, az kikövetkeztethető, ha néha nem is egyszerű.
Sziasztok!
Egyszerűen nem jövök rá, hogy ez a Ferroli Domitop turbós kazán vezérlő miért nem ad szikrát. Ventilátor indul, hiányzik a szikra, gázszelep nyit, mert öngyújtóval begyújtva a láng megmarad. Ionizációs áram is megvan. Valaki tud nekem segíteni? A naracs színű jelölések a kondikon a cserét jelzik, illetve egy relét amin a pipa van, azt is cseréltem. A 18V os relére gondoltam először, hogy azt kéne cserélni, de elbizonytalanodtam. Vakarózom, hogy mi a bánat baja lehet. ![]() Itt a legjobb fórumon, pedig meg kell, hogy kapjam a segítséget. Köszi
A trafó tekercsének ellenállás értékét összehasonlítottam egy másik ferroli panel trafó értékével. Egyformának tűnik. A trafó beforrasztott lábait mértem csak meg mindkettőnél. 0.2-0.3 Ohm.
A hozzászólás módosítva: Jan 31, 2021
Hát mérd meg a szekundert is! kΩ nagyságrendű...
0,2-0,3Ω a primer? A hozzászólás módosítva: Jan 31, 2021
Egy nagyfesz trafó ellenállásértéke, lehet semmit nem árul el a működőképességéről...
Annál többet, mintha nem méri meg. Gyakrabb a menetzárlat, mint a szakadás?
Sziasztok!
Szeretném megköszönni mindenkinek, aki tanácsokkal látott el! Meg lett a hiba forrása, leírom, hogy megmaradjon az utókornak. Van 1-1 NTC hőmérséklet érzékelő az előremenő és visszatérő ágon. Ezzel a két szenzorral ellenőrzi a gázkazán az áramlás helyességét. Az egyik érzékelő néha hamis jelet adott, ekkor állt ki hibára a készülék. KI lett cserélve mind a 2 érzékelő, azóta jól működik a kazán.
0.73 kOhm mind a két trafónál. A trafó közelében van egy diódának kinéző alkatrész, amin nincs dióda jelölés és értéket sem lehet rajta mérni. Nem ő felel a szikráztatásért? A panelen egy fekete nyíllal jelöltem meg.
A hozzászólás módosítva: Jan 31, 2021
Most egyenlőre működik, mert banális hibába futottam bele.
A vegyestüzelésű kazánom párhuzamosan van kötve a gázkazánnal, mindkettőn van visszacsapószelep , hogy ne dolgozzon ellene egyik a másiknak, de a gázkazáné nem zárt rendesen így az kapott némi melegebb vizet a kelleténél és leoldott a hőkioldója. Na hát én erre nem gondoltam , mert a gázkazán gyakorlatilag nem volt üzemben amikor a hiba jelentkezett. Visszakapcsoltam , azóta működik. Minden esetre várom a pót elektronikát , mert, ki tudja mikor lesz rá szükség és esetleg rögtön ki bírom zárni az elektronika hibát. Ennek persze feltétele, hogy az majd szegről végről kompatibilis legyen. -Egyszer már javítottam az eredeti panelt, mert elszállt benne a 470nF-es kondi, akkor is jól jött volna.... Mindenesetre köszönöm mindenkinek, aki segíteni próbált!
A 0,73kΩ akár jó is lehet, főleg, hogy van ellenőrzéshez egy donor. Azt az alaktrészt fotózd már le, mert így nehéz elképzelni. A szikráztatásért a gyújtótrafó felel, amit kapcsol valami, meg ott van még a vezeték, ami a gyújtóelektródára megy, meg maga az elektróda...
Melyiket fotózzam? A másik panelen K2000G van ami szintén ilyen diódára hasonlít csak egy mérettel nagyobb. Én azt a kört vagy alkatrészt keresem ami a trafó primérjét rángatja.
A hozzászólás módosítva: Jan 31, 2021
A primert egy kapcsolóelem rángathatja, egy 2 lábú alkatrész nem. Ez nem egy ferritgyűrű egy átkötésen?
A primer tekercs lábait kövesd végig, hogy milyen alkatrészre megy...
Bővebben: Link
az egyik lába ezen keresztül megy. Bővebben: Link ez egy Littelfuse, ez nem lehet rossz, nem tudom, hogy ez itt mit is csinálhat? A hozzászólás módosítva: Jan 31, 2021
|
Bejelentkezés
Hirdetés |













