Fórum témák

» Több friss téma
Fórum » Toroid transzformátor
 
Témaindító: amex, idő: Jan 3, 2006
Témakörök:
Lapozás: OK   89 / 100
(#) blasz válasza ferci hozzászólására (») Aug 28, 2020 /
 
Teljesen hibátlanul müködik a bugás után is közvetlen meg azóta is.Ez egy leválasztó trafó volt 220/110/2000w és meg lett csapolva,csináltam rá középleágazást.Most 2x 62vAc,3.5mm átmérőjü a primer is és a szekunder drótja is.Egy nagyon felturbózott St.150-net hajt.
(#) ferci válasza blasz hozzászólására (») Aug 28, 2020 /
 
Ki tudja, mennyi minden lehet még.. nem tudsz készenlétben lenni pl. egy primer áram mérésre, hogy lásd, valami hasonló oka lehet ennek a búgásnak.... vagy a szekunderben van bármiféle "pillanatnyi " kisebb zárlat, nagy terhelés, ami nem a leadott teljesítménytől van.
(#) blasz válasza ferci hozzászólására (») Aug 28, 2020 /
 
Gondoltam én is teszek rá multit,a primer oldalra és a szekunder oldalra is,de azóta nem csinálja.Siri csenben van.
(#) gordonfreemN válasza blasz hozzászólására (») Aug 28, 2020 /
 
Nálunk a mosógép forgatáskor tud ilyet okozmi, meg valami más is amire még nem jöttem rá, lehet szomszédtól is ilyen zavar talán.
(#) antiktelefon válasza blasz hozzászólására (») Aug 28, 2020 / 1
 
Bővebben: Link
Érdekes olvasmány a hálózat dc komponensének hatásairól. És ez egy nagyon jó kis oldal, több száz órányi anyag van rajta, tudományos alapokkal, nem audiofil izék.
(#) istvá1997 hozzászólása Nov 6, 2020 /
 
Hali! Neked van egy toroid trafó ami 50v
Hogyan tudnám át Szerkeszteni hogy 25-0-25v legyen .?
És adott esetben egyenirányitva 12v legyen előre is köszönöm!
Azt nem tudom hogy hány amper terhelés semmi adat nincs rajta. A úgy kaptam állítólag 260va előre is köszönöm.
A hozzászólás módosítva: Nov 6, 2020
(#) foxi63 válasza istvá1997 hozzászólására (») Nov 7, 2020 /
 
Szia!
Lebontod az 50V-os tekercset és visszatekered, de középleágazással.
Amikor letekered, megszámolod a meneteket és megvan a voltonkénti menetszám.
12V egyen feszültséghez kb. 9V váltófeszültség kell, ez pluszban ráfér a magra, trafónál 3.5 A/mm2 áramsűrűséggel kell számolni. Azaz ha 3.5 A a terhelés akkor 1 mm2 keresztmetszetű huzal kell.
üdv.: Foxi
(#) ferci válasza istvá1997 hozzászólására (») Nov 7, 2020 /
 
Szia!
Mielőtt nekiállnál letekerni, számold meg a meneteket a biztonság kedvéért..
A huzalátmérőt meg tudod mérni többféleképpen is, aztán abból visszaszámolhatsz az amperre.
Gondolom, nincs a tekeréshez semmi spéci készüléked - keress 1 sacc 1 cm átmérőjű farudat, vagy keménypapírból csinálj egy kis hengert, a hossza pedig férjen át a lyukon és arra viszonylag feszesen tekerhetsz annyit, ami ráfér.
Néha számold meg a "maradékot". Ha több spulnira fér csak rá a fele menet ( tuti..), az se baj, visszatekeréskor összeforrasztod, leszigetelve.
A 12 voltos dc kérdésedhez annyit, hogy nem mindegy, mire fogod használni - kell-e stabil feszültség vagy sem, stb... hány mA, milyen huzal ehhez.
Ha szerencséd lenne és ügyes vagy, tűs módszerrel is megkeresheted a fele voltot, aztán azt a menetet kivezetve meglenne a 25-0-25 volt is..
(#) Ódenka válasza istvá1997 hozzászólására (») Nov 7, 2020 / 1
 
A huzalt rúdra tekerve igen nagy valószínűsége van, hogy a be-kifűzésnél "macskát", hurkot hozzunk létre, ami szigetelés hibát okozhat, jobb akkor az elején eldobni az egészet...
Valamikor, kisgyerek koromban megtanultam (már feledtem) hálót kötni. A hozzávaló zsinórt a képen látható "tű"-re tekertük váltakozó oldalról. Így a tű mérete megadta a legkisebb hálószem nagyságát, amin még átfért a tű+zsinór.
Ha a toroid tekeréshez hasonló, mindkét végén kialakított bevágást eszközölünk, sokkal kevésbé bodorodik a huzal és kevesebb lesz a hurokveszély.

Még annyit, egy-egy átfűzésnél a tűt marokra, keresztbe fogva alaposan megfeszíthetjük a huzalt a trafón.
A hozzászólás módosítva: Nov 7, 2020
(#) staci123 válasza istvá1997 hozzászólására (») Nov 7, 2020 /
 
Szevasztok,
ha a szekundér tekercs egyszálas,
egy jó műszerrel és tűvel kitapogatod
a középfeszt és kialakítasz középkivezetést...
Kevésbé fáradságos...
A hozzászólás módosítva: Nov 7, 2020
(#) ferci válasza staci123 hozzászólására (») Nov 7, 2020 /
 
Szevasz... ezt már leírtam egyszer..
(#) staci123 válasza ferci hozzászólására (») Nov 7, 2020 /
 
Ezer bocs...
(#) Gafly válasza istvá1997 hozzászólására (») Nov 7, 2020 /
 
A 2x25V-ból sokkal több egyenfeszültség lesz mint 12V...
(#) istvá1997 válasza Gafly hozzászólására (») Nov 7, 2020 /
 
Hali a 12v azt külön szeretném egy led szalag miatt és ventilátor miat a hűtés
(#) strobi hozzászólása Nov 29, 2020 /
 
Sziasztok,

Egy olyan technikai kérdésem lenne, hogy, hogy érdemes bekötnöm az alábbi toroid trafót? Ami elgondolkodtat, az az, hogy a két szekunder nincs közösítve, nem találok két teljesen megegyező potenciált a négy kimenet között. 36.5V-okat találok a kimeneten, illetve a közösnek gondolt pontok között is esik 4V körül. Szerencsés-e ezeket a pontokat közösíteni? esetleg használjak két graetz hidat, majd ott közösítsem?
köszi a tippeket!

toroid.jpg
    
(#) reloop válasza strobi hozzászólására (») Nov 29, 2020 /
 
Szia! Ellenállásméréssel határozd meg mely vezetékpárok tartoznak egy tekercshez! A feszültséget terhelten mérd! Praktikusan 230 V 25-100 W izzószálas égő lehet a terhelés.
Mit szeretnél erről a trafóról táplálni?
(#) strobi válasza reloop hozzászólására (») Nov 29, 2020 /
 
Hangfrekcenciás erősítőhöz lesz. Az izzószálas égő kisebb fejtörést okoz. A halogén karakterisztikája jó lehet esetleg? Nem hinném, hogy kapok "régi" fajtát.
Holnap utánajárok az izzó ügynek. Terhelten meg kéne legyen a közös potenciál, ha jól értem?
(#) reloop válasza strobi hozzászólására (») Nov 29, 2020 /
 
Izzó hiányában ellenállással is terhelheted, már egy 10k-s ellenállás is jobb a semminél. Amit 4 V-nak mértél az valószínűleg 0 V közeli lesz majd. Kisebb értékű ellenállásból nagyobb teljesítményű kellene, ezért praktikus a hagyományos izzószálas égő. (LED-esítéskor szépen elraktam őket )
Ha eltérő a két szekunder feszültsége, akkor külön egyenirányítsd és puffereled a tápfeleket! A szimmetrikus tápos hangfrekvenciás erősítő elvisel akár több voltos különbséget is a pozitív és a negatív táp között. Ezt akár előny is lehet, ha olyan topológiájú az erősítő, hogy nem clippel szimmetrikusan, mint például a Quad 405. A kapcsolás ismeretében meghatározható, hová érdemes a magasabb feszültségű tápfelet kötnöd.
(#) strobi válasza reloop hozzászólására (») Nov 30, 2020 /
 
Párhuzamosan kötöttem 4db 10k-s ellenállást. Igy is fennáll a potenciálkülönbség. Különböző végeket mérve 4V, 3.6V . Illetve 230V-on 7W.os izzóval is próbáltam ,talán két tizeddel alacsonyabbat mérek úgy.
Külön egyenirányítva, tehát tekercsenként 1-1 graetz+10000µF puffer. Így már a DC oldalon 100mV nagyságrendű a különböző tekercsek ellenkező végpontja. Ha jól sejtem itt már közösíthetem, ergo sorbakötöm a két graetz-et, pufferkondit. Így lesz +, -, GND. Talán evidens, de túl nagyot durranna, ha felelőtlenül próbálkoznék

Az erősítő Urbán féle HEXFET erősítő. Labortápon felemás volt az áramfelvétel, kb (saccra, nem véglegesen betekert munkaponton) 105mA, 95mA +- 30V-on ha ez releváns. Ez majd folyatódhat az erősítős csoportban.
(#) reloop válasza strobi hozzászólására (») Nov 30, 2020 /
 
Konkrétan hol mérsz 3,6-4 V-ot? A "különböző vég" nem egyértelmű.
Legyen a négy szekunder kivezetés A, B, C, D. Mekkora az AC feszültség a főbb relációkban?
(#) mcc válasza reloop hozzászólására (») Nov 30, 2020 /
 
Én először ellenállást mérnék, 200ohmos állásban a 4 szekunder kivezetés között, hogy beazonosítsam, melyik melyikkel van összekapcsolva, illetve, hogy melyik független.
Ahol szakadást mérsz, ott ne is kísérletezz feszültségméréssel.
(#) reloop válasza mcc hozzászólására (») Nov 30, 2020 /
 
(#) mcc válasza reloop hozzászólására (») Nov 30, 2020 /
 
Azért nyomatékosítottam, csak véletlenül neked címeztem...
(#) strobi válasza reloop hozzászólására (») Nov 30, 2020 /
 
AB és CD szekunderek. Ohmmérővel néhány ohm értékű. AC,AD,BC,BD megaohm körüli.
• A-B 38V
• C-D 38V
• B-C 4V
• A-D 3.6V
A szakadás között azért kísérletezek feszültségméréssel, mert szeretnék találni a szimmetrikus tápnak egy GND-t.
(#) reloop válasza strobi hozzászólására (») Nov 30, 2020 /
 
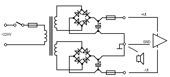
A táp felépítése.
A B-C és a A-D mérésnél volt terhelés? Ezek csak parazita feszültségek lehettek, ha gyakorlatilag szakadást állapítottál meg közöttük.
Ha mindkét szekunder 38 V-os, akkor egy graetz is elegendő. A B-hez aszerint kösd a C-t, vagy D-t, hogy a szabadon maradt vég és A között 76 V jelenjen meg.
(#) strobi válasza reloop hozzászólására (») Nov 30, 2020 /
 
Igen, ez a kapcsolás él a fejemben, de furának tűnt a független tekercseket közösíteni. Azt hiszem menni fog robbanás nélkül. Terhelésre vonatkozó kérdést nem biztos, hogy jól értem. Volt terhelés, AB és CD között, a 38V-on.
(#) reloop válasza strobi hozzászólására (») Nov 30, 2020 /
 
Ne mulaszd el a B-C és az A-D terheléses mérését! Ha nem nulla közeli feszültséget észlelsz, akkor nem lehet semmiféle újabb összeköttetést létrehoznod a tekercskivezetések között.
Erre korábban is felhívtam a figyelmedet.
(#) mcc válasza strobi hozzászólására (») Dec 1, 2020 /
 
Amelyik kivezetések között MOhm-os értékeket mértél, azokat nyugodtan összekötheted, de egyszerre mindig csak kettőt! Ha abszolút biztosra akarsz menni, hogy nem rontasz egy semmit, akkor a primer oldallal köss sorba egy 100W-os izzót. Ez bekapcsoláskor esetleg villan egyet, de utána ki kell aludjon.
Ha véletlenül rosszat kötsz össze, azt rögtön látod, mert az izzó égve marad.
(#) strobi válasza mcc hozzászólására (») Dec 1, 2020 /
 
Köszi mindkettőtöknek a tippeket, mostmár értem, hogy értetted a terhelést. Én szimplán a tekercsek végeire kötöttem a terhelést.
(#) dredd hozzászólása Jan 27, 2021 /
 
Üdv,van egy 3x36v-os toroid trafóm,ugye az 6 szekunder kivezetés.Hogy tudnám 3 fazisura bekötni? 3x36v-ra.
Következő: »»   89 / 100
Bejelentkezés

Belépés

Hirdetés
XDT.hu
Az oldalon sütiket használunk a helyes működéshez. Bővebb információt az adatvédelmi szabályzatban olvashatsz. Megértettem