Fórum témák
» Több friss téma |
A másik tippem az lett volna, hogy egy diac. Ezért nem mérsz rajta semmit, mert ez így jó. A kérdés az, hogy amikor eléri a feszültség a küszöböt, akkor teszi-e a dolgát?
Az a TH1 feliratú alkatrész,lesz a gyújtás igazi végrehajtója, az valószínűleg egy tirisztor (ritkább esetben triak) azt kellene cserélni, ugyanis gyakran előfordul, hogy mérve jó, de a feszültség hatására átvezet, és így a kisebb feszültség miatt nem lesz gyújtószikra.
Meg eléggé rozsdásnak néznek ki a forrpontoknál a lábak...akár el is korrodálhatott itt-ott.
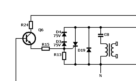
A szikráztatásról volt szó... Csak úgy betettem a rajzot, mert kéznél volt.
Ha irreleváns, törölhetem.
Sziasztok!
A TH1 mellett az egy BT149G tirisztor. Beforrasztott állapotban nem tudok rajta mérni semmit. Ez kapcsolná rá feszültséget a SIDAK (K2000G) ra? A hozzászólás módosítva: Feb 1, 2021
Igen ez kapcsolná. A két szélső lába között kellene mérni néhányszor 10mV-ot.
Sziasztok,
van egy régi Jukers kazánunk aminek az elektromos része borzalmas bugó/ciriplelő hangot ad ki állandóan. Megnéztem egy MCBA 1225 D tipusu elektronika van benne. Teljesen nem lehet szétszedni az elektronikus házat csak alulrol lehet a csatlakozások felől belátni meg a szellőzőkön keresztül 99.9% hogy a transzformátor adja a hangot. Elulrol benézve figyelmes lettem hog a vasmag forrasztva van. Sokat kerestem az ebay-n és közben arra jöttem rá, hogy ez gyárilag ilyen. Igy rakták az U alakra az I alakot rá. Csatoltam egy képet hogyan festhet szétszedve. Kérdésem, merjem megforrasztani?
Hirdetésnek kizárólag az Apróhirdetési rovatban van helye!
Sziasztok,
Ariston Genus One készülékbe sikerült belenyúlnom. A második telet már nem bírta ki gond nélkül, nagyjából folyamatosan szórja a lángleszakadás, nincs lángérzékelés, nincs láng hibákat. Tisztítás, diódacsere megvolt, talán kicsit rosszabb is azóta. Az Ariston márkaszervízes és a független szervíz is panelcserét mondott már a telefonban is, de természetesen az a tetves kazán nem produkálta a hibát mikor kint volt a szervíz (3X) Most már jobb a helyzet, szinte folyamatosan hibára fut, ott kell virrasztani minden csepp melegvízért és fűtésért ![]() Két dolog miatt nem szántam még rá magam a panelcserére. A hibánál egyértelműen lehet hallani, hogy szenved a láng, mintha elzáródna a gáz, vagy többletlevegő fújná el. Szerintetek okozhatja ezt esetleges kéményeltömődés? Mondjuk az azért lenne furcsa, mert ha nagy nehezen elindul, akkor akár órákig is képes menni gond nélkül. A másik, hogy tegnap 4X állt ki 309 - Gáz relé hiba miatt. Ez eddig nem volt és a gázrelé az egy 5000 Ft-os alkatrész a 80000 Ft-os panellal szemben. Olvastam már itt is és én is megerősítem, hogy ez a kód nincs dokumentálva az olasz mérnük-géniusz barátaink álral. És nekem ez a hibakód korrelál a szenvedő, "elfújódó" láng problémával. Mintha a gáz "szakadozna" vagy a levegő ventillátora fújna túl. Van ilyen tapasztalatotok? Ha esetleg van itt a fórumon olyan szakember, aki tud hibát felderíteni, mérni, szívesen egyeztetnék vele, mert a "kijövök-diódát cserélek-cseréljél panelt" tengely nem annyira szimpatikus. A hozzászólás módosítva: Feb 16, 2021
Milyen dióda lett cserélve?
A panelről, főleg a lángőr részről kellene jó minőségű kép. Hátha ott (is) van gond, a panel szinte biztosan javítható. A gázrelé hibáról majd valaki más.
Szia! Olvass IDE vissza és a végén a panelen lévő gázrelé részen kicserélt alkatrészek óta nincs probléma. Beszélj az érintettekkel.
Lőttem 2 képet is, ezen látszik rendesen a lángőr rész?
Helló,
De ha SW-s eredetű a probléma, akkor hogy történhet meg az, hogy egy évig megy gond nélkül, aztán egyszer csak előjön és egyre rosszabb lesz? Illetve az egy külön sztorit megér, hogy beüzemeléshez, meg éves karbantartáshoz köti a gyártó a cserét. Az itt és egyéb fórumokon lévő komment mennyiség alapján, illetve az ariston szakszervíz véleménye szerint is szériahibás a panel. Ha szériahibás, akkor szavatosságban kellene cserélni. Ráadásul, ha valóban SW eredetű a dolog, akkor nem is értem a cserét. Meg kell patch-elni és mehet tovább amíg világ a világ.
Gondolom ez az a fajta, ahol egy elektróda van, azon gyújt és a lángőr is azon keresztül dolgozik?
Mivel elektróda lett cserélve, ezért a lángőr résznél még lehet a gyújtótrafó szekunder szakadása, illetve a panelen levő további ehhez kapcsolódó alkatrészek. Ez utóbbiakkal még nincs tapasztalatom. Ha gázrelé baj van, akkor, ahogy írták, itt kicsit visszább lesz pár hozzászólás egy ugyanilyen panellel, a gázrelé melletti kondenzátorokat cserélték és jó lett.
Üdv.
Szeretnék ehhez a panelhoz bekötési rajzot keresni. Potméter és érzékelő , bekötés és érték.
Erre gondoltam. A potméter és NTC értékére lenne szükségem!
Szia!
Pár korábbi hozzászólásomban olvashattad, hogy nekem is ugyanezek a problémák jelentkeztek. 2perc fűtés - lángleszakadás -2perc fűtés - lánleszakadás........ Első körben az összes elektrolit kondit beleértve az SMD-ket is kicseréltem és a gáz szelephez tartozó Omron relét is. A gáz relé hiba visszatért pár nap után így is. A lángleszakadás hibák sokkal ritkábbak lettek, már nem tiltott le. Második körben a relé körüli alkatrészek forrasztásait átforrasztottam. A gáz relé hiba megszűnt. Volt egy harmadik kör amikor még a gyújtótrafó környékét is átforrasztottam de, sajnos nem szűnt meg 100%-osan a hiba. Hideg időben 5C° alatt főleg, időnkét van 1-1 lángleszakadás, jobb időben semmi. Egyik nap még letiltott (reset-elni kellett). A hibatörlés után borzalmas hanggal égett, "ingadozott a láng". Futattam egy automatikus kalibrációt, azóta "jól" működik (néha 1-1 lángleszakadás figyelmeztetéssel). A hozzászólás módosítva: Feb 28, 2021
Szia!
Már nehéz követni, de nálad lett elektróda cserélve? Ez is okozhat ilyen hibát. Sajnos egy elég érdekes kötés van a porcelán csőben az elektróda és a vezeték között.
Szia!
Elektróda csak tisztítva lett.
Én kicserélném, belül elrohadhat a kapcsolódási pont. Lehet, hogy megszűnne az a kevés hibád is. Viszont, ha valóban ez a baj, akkor ez csak romlani fog.
Szevasztok. Segitséget kérek . Adott a Westen Star Master kombi kazán. Le szerettem volna venni a fűtés és a melegviz hőfokát de a program egyetlen gombja sem reagál. A kijelző sem világit. A kazán működik, fűt, normálisan át vált a HMV üzemre, a szobatermosztátra is reagál, de programozni nem lehet. Mi lehet a baj. Köszi a segitséget. Miska.
Szevasztok. Nagy segitség lenne, ha tudna valaki egy kapcsolási rajzot küldeni a DIMS 26 tip.panelról. Ez a Star Master 24 FI kazán panelja. Köszi a segitséget. Miska.
Szia!
Ne reménykedj, a kazán panel rajzok ritkák mint a fehér holló. A régi egyszerűbbekből idővel előkerül egy-egy, talán valami elvetemült visszarajzolja...de az újabbakból nem igazán. Részletekben lehet javítani, lángőr hiba, táp hiba, relé/triak problémák, stb... Neked még az is lehet, hogy processzor bajod van, vagy a flash memória hülyült be. Talán ez utóbbi orvosolható, de kell egy flash IC és egy tartalom, és bele kell írni. A hozzászólás módosítva: Márc 17, 2021
Moderátor által szerkesztve
szia Inhouse. Már nagyon vártam, hogy valaki mondjon valamit erről a nyűgömről.Ha érdekel és van benned segitő szándék, megköszönöm. Sokkal részletesebben a hibát nem tudom leirni, mint hogy a programgombokra nem reagál, nem gyullad ki a kijelző csak akkor ha a kazánt ki-be kapcsolom.Egyébként nagyon nem akarom piszkálni, megvárom a fütésszezon végét, és akkor HAJRÁ. De kérlek, addig beszéljünk az esetleges javitás menetéről. Köszi.
Nem vagyok ebben akkora szakértő, csak jeleztem a lehetőségek szűkösségét, mivel láttam, hogy nem kaptál választ.
Ilyen hibával, mint a tied, még nem találkoztam. Egyébként ingoványos terület a kazánvezérlő javítás, mivel gázüzemű készülék (fokozott biztonsági követelmények). Bár a gyártók javarészt teljesen szabványos (cserélhető) alkatrészekből építkeznek, mint bármely más készüléknél. Ha processzor/szoftver hiba, akkor szerintem felejtős, vezérlő panel csere...ha esetleg flash hiba, az talán orvosolható, ha van mentésed... Pl. Aristonoknál kazánonként eltérő kis öcsipanelen van, és aszerint kell valamelyiket bedugni, maga a vezérlő több fajtához is jó. Sajnos ennél többet nincs lehetőségem neked segíteni.
Szia Inhouse. Köszi a bátoritást, kissé elszomorit, hogy ekkora a baj és ezért csak Te mersz tanácsot adni. De azért köszi. Várok a fütési szezon végéig, majd csak kialakul addig valami. talán egy rajz. Köszi.
|
Bejelentkezés
Hirdetés |











A lángleszakadás hibák sokkal ritkábbak lettek, már nem tiltott le. Második körben a relé körüli alkatrészek forrasztásait átforrasztottam. A gáz relé hiba megszűnt.
Volt egy harmadik kör amikor még a gyújtótrafó környékét is átforrasztottam de, sajnos nem szűnt meg 100%-osan a hiba. Hideg időben 5C° alatt főleg, időnkét van 1-1 lángleszakadás, jobb időben semmi. 




