Fórum témák
» Több friss téma |
Mielőtt kérdezel, a következő két dolgot ellenőrizd!
I. A helyes tápfeszültségek megléte.
II. A kimeneten van-e egyenfeszültség.
Élesztés.
Köszi,mégsem rakom össze megvárom CIROKL forumtárs ajánlatát.
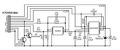
Szia ! Én ezt a kapcsolást építettem meg pár éve és tökéletesen működik egy Orion ST240-es tuner-ben igaz, hogy alig fért el.
Köszönöm a részletes választ!
Értem amit írtál, azért már sokat olvasgattam, de néha egy-egy dolog kiesik. Kösz, akkor megépítem ahogy írtad. Hosszú folyamat lesz, legalábbis nekem. Ha megvagyok szolok hogy sikerült.
Sziasztok,
A csöves téma lassan egy éve zárva, úgyhogy itt tenném fel kérdésem: Valaki foglalkozott már azzal, hogy erősítő tápegységben, LC szűrő alkalmazásakor common mode fojtót alkalmazzon? Mi a hátránya? Miért nem ez terjedt el?
Küldj ott egy "Moderálási kérelemet"...és "kinyitják"! ...vagy nem?
Tutorial.
Szerintem mert a testelést még kacifántosabbá teszi, valamint talán a közös módusú zavarokra kevésbé érzékenyek a csöves hangerősitők.
Itt a nagy kérdés, hogyha amúgy is belerakják a sok kilós, 8-15H-s fojtót az anód ágba - akkor miért légrésesre csinálják? Common mode fojtóval ez gondolom kisebb vas is lehetne, ám dupla tekercselést és helyes bekötési irányt kíván - a kilók oltárán nem tűnik nagy áldozatnak.
Kicsit elemezd még a közös módusú fojtók lelki világát, ugyanis az nem egyenáram, hanem csak váltakozó áramú zavar szűrésére való. Persze felmerülhet a kérdés, hogy sztereó végfoknál lehetne a másik csatornát a közös vasra tekert ellentétes irányú fojtóval szűrni, és akkor meg is szűnne az egyenáramú előmágnesezés, ami miatt a légrésre szükség van. De akkor a két tekercs csatolása miatt éppen hogy hatástalan lenne a brummra nézve. de hogy mondjak értelmeset is, elméletileg lehetne tenni bele egy állandó mágnest ami kinullázná a fluxust, de ki az az eszement, aki be tudná lőni pontosan a kompenzáló mágneses erőteret.
Azért csinálják légrésesre mivel jelentős egyenáram folyik át rajta (ezért sem közös módusú), ennél fogva ha nem lenne benne légrés akkor telítésbe menne a vasmag, azaz onnantól a vas mintha ott sem lenne, jóval kisebb induktivitás érték maradna.
Egyébként nem feltétlenül kell a nagy fojtó, elektronikusan, pár alkatrésszel elérhető ugyanolyan, sőt jobb szűrés. Az enyémben így néz ki az anódfesz, a búgófesz nem éri el az 5mV-os csúcstól csúcsig értéket sem.
Köszi, a kérdés nem a légrés miértje volt.
Na, ezaz, ilyen alkalmazásokat találtam, viszont a miértjére választ már nem annyira - pedig az egyenárammal nem kéne hogy baja legyen, ha egyszer nem gerjeszti a vasat a kioltás miatt.
A közös módusú fojtó úgy működik, hogy az egyik tekercsen befelé folyik az áram, a másikon meg kifelé. Ebből az következik, hogy egymáshoz képest ellenkező irányú gerjesztést hoznak létre, vagyis az eredő gerjesztés nulla lesz. Ha ez nulla, akkor az induktivitása is nulla lesz, mindössze az ohmos ellenállása marad. Ezért nem kell bele légrés. ( feltéve, ha egyenlő a menetszám, meg nincs szórási induktivitás, stb. )
Ha viszont a tekercsekbe folyó áram nem egyenlő, akkor lesz kiegyenlítetlen gerjesztés, akkor arra az összetevőre már van induktivitás és ez jó nagy, hiszen ezeket nagy menetszámmal készítik. RF zavarszűrőkben használnak ilyet, az aszimmetrikus zavarok csökkentésére. Miután ezek a zavarok viszonylag kis amplitudójúak, túl nagy gerjesztést nem tudnak létrehozni, ezért légrés sem kell, hiszen nagyon messze lesz a vasmag a telítéstől. Idézet: „elméletileg lehetne tenni bele egy állandó mágnest ami kinullázná a fluxust, de ki az az eszement, aki be tudná lőni pontosan a kompenzáló mágneses erőteret” Na, ezen már én is elgondolkoztam, ugyan kimenő transzformátor esetében. Egy megfelelő áramgenerátorral kompenzálni lehetne az egyemáramú gerjesztést -> nem kellene légrés az SE kimenőbe, pont mint a PP-be. Triódánál még eléggé triviális megoldás is lehetne. De meglehetősen elbonyolitaná a kapcsolást, valamint akkor már nem "csöves" lenne, hanem valami hibrid/öszvér...
Az egyenárammal nincs is baja, de a váltakozó összetevőjével már annál inkább. Azok is kioltják egymást, tehát olyan lesz a tekercs, mintha ott sem lenne.
Van olyan gitárerősítő, ahol nem csak PP, hanem SE üzemmód is van. Ekkor az egyik végcső csak egyenáramúlag van a kimenőtrafón, vezérlést nem kap. Igy marad kiegyenlítve a gerjesztő áram. De ugye ez egy 2A3 trióda esetén kicsit drága eljárás.
Lehetne ilyet csinálni, csak a vasban kellene a fluxust érzékelni. Elvileg, a trafóra tekert pár menet feszültségét megintegrálva megkapnának a fluxust ( vagyis a feszültség-idő területet ), de ez nem viszi át az egyenáramú összetevőt. Tehát Hall elem kellene.
Tehát elvileg lehetne csinálni egy szabályozást rá. A hozzászólás módosítva: Feb 16, 2021
Katód ellenálláson az AC jelet szűrve (kondenzátor) ott az egyenáramú komponenssel arányos feszültség, amit egy tranzisztoros áramgenerátor vezérlésére fel lehetne használni. A segédtekercs és az anódterkercs menetszámának aránya nem változik, csak egyszer kell beállitani a tökéletes kompenzálást.
Elvileg tökéletes, gyakorlatban előre boritékolhatók bizonyos buktatók.
Ezt én értem, hogy miért jó, a kérdés a következő: ha jó, akkor miért nem terjedt el? Miért nem használják? Nem mai találmány azért az osztott tekercselés.
Hm... és akkor hol van itt az állandómágnes? Mert az nem is kellene, ezzel a segédtekerccsel oda lehet állítani a vas munkapontját, ahova akarjuk. Elvileg, úgy működne, hogy a cső nyugalmi árama elhúzza a vasban az indukciót mondjuk 0,5 T-ra, ez a tekercs meg visszahúzza 0-ra. Akkor a cső árama a vezérlés függvényében +/- 0,5 T indukcióváltozást idézne elő és a vas a mágnesezési görbéjének a közepén, nullára szimmetrikusan dolgozna. Ha meggondoljuk, akkor ezzel a vasat mindkét gerjesztési irányban ki lehetne használni, vagyis fele méretű trafó is elég lenne.
( Tulajdonképpen emlékeztet a DC szervóra. ) Még a nyugalmi áramra kellene valamit kitalálni, hogy az ne mászkáljon, ne kelljen beállítgatni sem, csak összerakni, aztán bekapcsolni és kész. Akkor csak méretezés kérdése az egész... ![]() Feltaláltuk a langyos vizet... A hozzászólás módosítva: Feb 16, 2021
Az előbb írtam le. Nem szűrne semmit, mert a két tekercs ellenkező irányú gerjesztést generál, vagyis az eredő gerjesztés, így az induktivitás is zérus.
A hozzászólás módosítva: Feb 16, 2021
Áh, és most értettem meg mi a különbség a differential mode és a common mode áram között.
köszönöm.
Erről kár bármit kérdezni mert NEM fogják. Már többször volt róla szó! Az Pandora szelencéje
Üdv!
Lenne egy kérdése erősítő dobozolással kapcsolatban. Adott egy Quaderősítő fém dobozban középkivezetéses trafóval, földelt dugvillával. Kérdésem a trafó közép kivezetését rá kell-e kötni a hálózat földjére, mert a dobozt gondolom igen.
Ez a kérdés ettől sokkal-sokkal bonyolultabb. Olyannyira, hogy ahol csak lehet igyekeznek teljesen kikerülni a hálózati földeléssel (védővezetővel) való kapcsolatot. Ahol ez nem oldható meg, ott pedig furmányos összekötési variációkat találsz, több alkatrészt is beiktatva a kötésbe.
Ahány fémházú erősítők eddig voltak nálam, ott mind össze volt kötve gyárilag.
Az együttesben ahol régen játszottunk, ott is leföldeltük azt is ami nem volt, mert amúgy búgott, így meg hangtalan lett. A hozzászólás módosítva: Feb 18, 2021
A hálózati védőföld (zöld/sárga) a házon, de az erősítő földje nem. Ha összekötöd, garantált a földhurok több készülék összekapcsolása esetén.
Gyári cuccokról beszéltem. Egyébként Deck-el is össze volt kötve a földeletlen erősítő (amit mi földeltünk le), meg gitárral is, nem búgott.
|
Bejelentkezés
Hirdetés |








