Fórum témák
» Több friss téma |
Fórum » Tápegység készítése
köszönöm válaszod.
32 db 500 mA-es venti fordulatát kellene szabályoznom, ehhez keresek megoldást. védelem áramkorlát egy 16A kismegszakító, hogy a vezeték ne égjen el egy esetleges zárlat esetén és a tranyók se pukkadjanak ki ha nem muszáj.
Sziasztok!
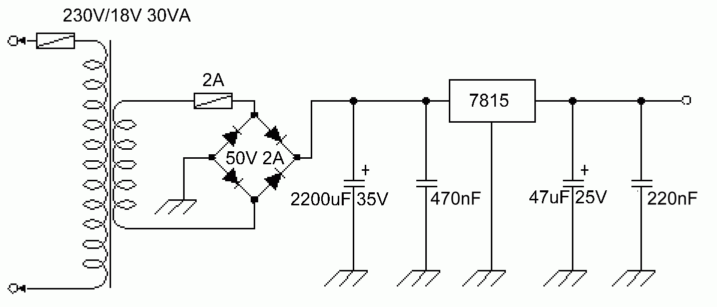
Valaki tudna nekem segíteni? Nekem egy olyan táp kéne ami stabil12 V-ot ad le, és kb. 200 mA kell neki. Válaszotoket előreis köszönöm
mindent most akarok venni
Sziasztok!
A képen látható tápegység váltóban max. 110V-ot kap, és max. 120VDC-t képes előállítani, persze stabilizálva, és a trimerrel lehet állítani a kimeneti feszültséget. Melyik alkatrészeket kell módosítani, hogy kb. 270VDC-t 200VDC-re stabilizáljon?
A kondik feszültsége az ok, ellenállásra, meg tranzisztorra gondolok, azokból kell-e valami módosítani?
A tranyók is megfelelőek. A mintavevő osztót számolgasd át úgy, hogy a poti csúszkáján 7,5V a fesz.
Sziasztok!
Volna egy 550W-os PC tápom aminek a +12V-os részét szeretném használni. Gond csak az hogy eredetileg a tápot a PC kapcsolja ki-be Van a tápban egy zöld PS-on feliratú vezeték, ami a AS339P-IC bemenetére megy, gondolom ezt kellene vezérelni de hogyan és mekkora jellel? Segítsen valaki! Köszi!
hello, kösd le a testre, akkor beindul..
Üdv! valaki tudna segíteni? Egy scanner-hez kéne tápot csinálni! 15V és 1A Hol kezdjem?
Ha tényleg nem tudod hol kezdjed, akkor én azt tanácsolom, hogy inkább vegyél egyet. Ha tisztában vagy a köv. fogalmakkal, mint pl. kettős szigetelés, érintésvédelem, stb., csak akkor fogj hozzá.
Azt hogy, nem tudom hol kezdjem ne vedd szó szrint! benne vagyok a szakmában... Csak mások véleményeire is kíváncsi vagyok!
(És jövőhéten valószínű hogy, meg is csinálom a suliban.)
Szép napot mindenkinek.Érdeklődnék egy pc-ről vezérelhető tápegység kapcsolási rajza felől.Igazából nincs fesz. és áram igényem csak maga a kialakítás érdekelne.
ez klassz csak egy kicsit elavult.Azért köszi!
USB-vel szeretnéd? Nem probléma!
Helló ! Azt szeretném megkérdezni hogy nekem milyen táp lenne jó ? Kezdő vagyok még és otthonra szeretnék egy tápegységet hogy tudjak azért valamivel foglalkozni itthon is ... Nem lenne baj ha komolyabb is lenne mert később még jól jöhet .. Előre is köszi.
Szerinted, rajtad kívül ki tudhatja a választ?
Vedd a fáradtságot és olvasd el a következő helyen lévő Bővebben: Link Táp1.zip, Táp2.zip, Táp3.zip és Táp4.zip tartalmát.
segítséget szeretnék kérni, egy speckó tápegységhez!
egy db 3W -os 120V -os "message bulb" izzót szeretnék meghajtani vele. hely iszonyat kevés van, semekkora trafó nem fér el. fogyasztását megmértem: 10-12 mA -t vesz fel, tehát max 20mA -es áramkör kellene. valami IC-s megoldásra gondoltam, biztosan létezik ilyesmi: adok neki 230V váltót, és kijön belőle 120V váltó legalább 20mA... aki tud segíteni, az postolhatna valami kapcs.rajzot hozzá. előre is köszi, remélem érthető mi a francot is akarok
Így elsőre a félhullámú táplálás ugrik be lehetőségként: egy soros diódával máris 150V körüli effektív fesz áll rendelkezésre. A maradék 30-40V-ot egy megfelelő ellenállással lehetne elfűteni, 12mA-nél ez nem túl nagy gond.
valami rajzot, alkatrészekkel együtt, please...
Köss az izzóval sorba egy 330nF-600V egyenfeszültségű fóliakondit és ennyi. A 330 nanó reaktanciája 50Hz esetén 10k ohm,ezen pedig 120V effektiv feszültségesést feltételezve 12mA áram fog folyni. A maradék 110V az izzón esik,igy jön ki a 230V érték.
A kondival párhuzamosan kell kötni egy 1M ohm értékű ellenállást,igy, kikapcsoláskor kisül a kondiban tárolt töltés.
Csak óvatosan! A kondi X2 típusú legyen, ami 275V AC-t elvisel. A mérete kb 10*20*30mm - ezt azért írom, mert azt mondtad nincs sok hely. Ennél egy 1N4007 és egy ellenállás sokkal kisebb.
Arra gondoltam,hogy a félhullámú táplálást ez az izzó már simán leköveti,vibrálni fog.
A kondival kapcsolatban: az általad irt tipust igen sokáig vadásztam,pedig ez a korrekt megoldás. Végülis 600V-os egyenfeszültségű került a helyére.....
330nF 275V
igen tényleg nem egy kis méretű... meg nem is túl elegáns szerintem... (ne vegye senki sértésnek) nekem még mindíg valami power IC-s megoldás tetszene, nem tud ilyet valaki?
Sebi! mekkora ellenállást tegyek be? Kondinak jó a 1N4007?
a másik megoldás sajnos nem jó, mert nem lenne jó ha vibrálna...
1N4007 az dióda. Ellenállásnak 3k 0,5W kellene. De pont erre a megoldásra írta mex, hogy esetleg látható lesz a vibrálás. Ki kell próbálni, ez az izzótól függ, mennyire követi az 50Hz-et...
jaja
csak elnéztem... de diódára gondoltam... jó lenne akkor az IN4007 vagy 4008 is van itthon azt hiszem. |
Bejelentkezés
Hirdetés |












