Fórum témák
» Több friss téma |
Ha a kondik jók, akkor vagy dióda hiba, vagy az ic valami hibát lát, vagy még kontakt hiba is lehet.
Nagyon vigyázva nézd meg a pfc utáni kondin a feszültséget, ha nagyon hullámzik akkor elötte van gond. De ha ott folyamatos feszültség van akkor konktakt hiba vagy a panelon vagy lednél. Amúgy áramgenerátor van a végén, azt egy vagy két leddel is lehet tesztelni.
Sziasztok.Két ilyen tápot szeretnék párhuzamosan kapcsolni.A kérdés,elég ha a két icnek csak egy visszacsatolást készítek és kötöm mind két ichez?Az 1-es lábra?
A Kondi feszültsége stabil. Ha tegyük fel, rosz egy LED, honnan tudjam hogy melyik?
Hisz próbáltam mindet, világít mind, nem villog..
Én inkább csak a teljesítmény részt használnám a másodikból, és az egész szabályzást hagynám az elsőre.
Nem is gondoltam erre,köszönöm az ötletet.megpróbálom.
Minden ledre egyesével adni vagy 15-20mA és nézni rajta a feszültséget. Vagy megnézni hány voltosak a ledek és annyit adni neki és akkor áramot kell mérni, amelyik eltér a többitől az nem jó. (Persze ha még nem volt cserélve led) általában egy szokott kimenni. A ledes izzón is egy ég ki, csak ott 3-6-9-18V ledek szoktak lenni, mikor milyen.
Áramgenerátor amivel könnyen lehet 20mA áramot adni, a csatolt kapcsolás működik 7805el is, csak a lábkiosztás más. Áramot meg 5V/0,02A=250ohm.
Üdvözlök Mindenkit !
A napokban vásároltam pár darab 120W-os napelemet. Ezeket a napelemeket nem visszatápláló rendszerben tervezem üzemeltetni , hanem minden más 12 V-os egységemet erről szeretném táplálni. Van pár darab 12V 250 A -es akkumulátorom, ezeket szeretném tölteni a napelem panelekről . Egy 20A-es 21-46V/12 V invertert rendeltem már az eBay-ról, de még kellene két darab. Építettem egy 20V feletti feszültségről 14V-ra átalakítót UC3843 Ic-vel. Szépen be tudom állítani , viszonylag stabil , három A-nél 0,1V a változás. A probléma az , hogy elégé melegszik a FET. Lehetséges, hogy a meghajtóval van a gond ? Megkísérlem feltenni a kapcsolási rajzot. Ha esetleg valakinek van ötlete egy 20-60V be és 14V ki tápra , töltőre kérem , hogy jelezze. Nem trafós megoldáson gondolkodom.
Szia!
Ez a kapcsolás nem tudja a fetet teljesen kinyitni, mert földelt drainű kapcsolásban a teljes nyitáshoz legalább az UGS feszültséggel nagyobb tápfeszről kellene járnia a 3843-bak. De az sem szereti a túl magas tápot. Én a negatív oldalt szaggatnám földelt source kapcsolásban a fettel, a 3843 pedig stabil tizen valahány voltot kapna.
Köszönöm , megpróbálom negatívba tenni a FET-et.
Szia! Szerintem nem elég a fetet áttenni, a tekercset is át kellene tenni a negatív ágba de nem biztos hogy működne. Inkább csináld meg az alábbi kapcsolást. Én megcsináltam több példányban is és jól működik, még áramkorlátot is be tudod állítani.
A hozzászólás módosítva: Ápr 5, 2021
Nézegettem Skori tápjait , nagyon jók. Pár önrezgőt építettem már , tényleg jól működnek.
Az 555-ös kapcsolásokkal az a problémám , hogy nem tudom a negatívokat közösíteni , mármint az aksikról üzemelő helyi tápokat. Nálam sok-sok tápegység, átalakító üzemel , két DVR-NVR ketyeg ,majd harminc kamerával , így is vannak földcsatolási problémák. Eddig sikerült minden negatívot közösíteni , mert a pozitív oldalak a változók , ezt nem szeretném megváltoztatni. A másik ha lehet szeretném az itthon felhalmozott IC-ket használni , ezekből van jó pár darab, panel bontásokból: UC 3843 SI 9110 és 9120 MC 33129 , 34129, 34063 LT1242 Ezekből lenne célszerű felhasználni pár darabot.
Üdvözlöm.
Gate trafó eseteg jó lehet a fet teljes kinyitásához. Akkor kevésbé melegedne.
Köszönöm megpróbálom .
Az éjszaka végeztem egy kísérletet , egy plusz tekercsel megemeltem 28V-ra az IC tápfeszültségét , a bemenő maradt 22V - így megszűnt a melegedés, de tovább kell még kísérletezni , mert csökkent a stabilitás.
Hibás az elgondolásod nem csaka kapcsolási rajz, a napelemet úgy kell terhelni hogy a feszültség áram szorzata maximális legyen, vagy egyszerűbb esetben addig terhelni míg a napelem feszültsége az üresjárati 80% a lesz, de azt csak mikrokontrollerrel vagy gyári MPPT töltővel lehet.
Van napelem rendszerem , a legelső az ÉMÁSZ területén 5 kW-os, majd húsz éves.
Az egy teljesen más dolog. Ez egy 120 W-os panel 21 V-os , Elsődleges funkciója , hogy ha süt a nap kezeli a 20V-os napkollektor keringető szivattyúját , másodlagos teendő , a két 2x1m-es napkollektort a nap irányába forgatja 12V-al, ez mivel kis fogyasztású kb. /600 mA/ egy sima 7812-es stabilizátor elviszi, jelenleg is így van. A plusz áramot egy kinai MPPT nyomja a 250Amperórás aksipakba. Azt gondoltam , hogy a még plusz energiát átküldöm egy másik rendszerbe , ahol elsődlegesen a kamerák 12V-igénnyébe táplál be , esetleg ott is rátölt a másik akku rendszerre. A biztonsági és kamera meg vezérlési rendszerembe van .kb, 10-12 tápegység - egy naggyal a nagy távolságok miatt nem igazán oldható meg. A porta hossza 200m . Minden táp párhuzamos betáplálást ad , némelyik csak akkor éled fel ha éjszaka van mert akkor az infrák igénylik a többlet áramot. Egyébként a táp. már nem melegszik és olyan 6 Amperrel próbáltam. Jónak tűnik. Azért jó pár tápot építettem már , csak ilyet még nem.
Szép jó estét kívánok ! Lenne egy kérdésem . Épített e valaki közületek csöves előfokhoz, hibridhez , vagy akár erősítőhöz kapcsitápot ? És ha igen , megosztaná tapasztalatait a témában ? Találtam egy egy ilyen leírást . Mi a véleményetek ?Köszönöm a válaszaitokat .
A hozzászólás módosítva: Ápr 11, 2021
Csak vissza kell olvasni néhány évet a topikban és minden kérdésedre választ kapsz. Amit linkeltél azt Skori továbbfejlesztette, az oldalán önrezgő, illetve önrezgő rezonáns rajzot is fogsz találni. És igen, nagyon sokan építettek ilyen tápot erősítőhöz, nekem egy 2x300W-os végfokot hajtott a legnagyobb ilyen tápom.
Mondjuk csöveshez eszembe sem jutna kapcsitápot építeni, de ki kell próbálni. Egy cső másképp szól mint egy félvezető, és ebben egy jó tápegységnek is nagy szerepe van, kapcsitáppal nem biztos hogy úgy fog szólni.
Üdv!
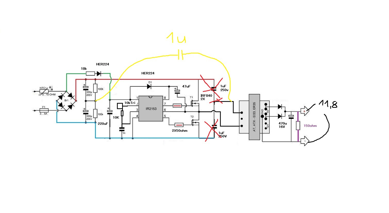
Nemrég kezdtem hozzá egy félhidas atx táptrafós táp épitéséhez. A kapcsolás müködik , viszont kb 1 amperrel terherve a feszültség esés 12V ról kb 9.5 V(470uf puffer) 9.8V(1000uf). Mi lehet ennek az oka? Mellékelek képet a nyákról , a kapcsolásról. UI:További kérdésem valahol olvastam , hogy a két 1 uf es kondiknak közel kell lennie a fetekhez , azéert is került ilyen közel. Ez megállja a helyét? A nyák azért készült , mert nem akartam vezeték dzsungeles deszkamodellt csinálni.....
Szia, szerintem visszacsatolás nélkül ne is várd hogy tartsa a kimeneti feszültséget. Beterheled de ő nem tudja hogy a kimeneten változik a fesz ezért marad minden úgy ahogy. Kellene visszacsatolás a körbe, hogy az ic pontosan tudja mikor kell egy kis kakaó a kimenethez.
Köszönöm a gyors választ.
Egy ilyen kapcsolásnál ezt , hogy valosítható meg? Egyszerüségre törekedve ? A hozzászólás módosítva: Máj 1, 2021
Ennél többnyire sehogy, vagy irtó bonyolultan sajnos. Legalábbis ahogy emlékszem ennél is meg lehet oldani de nagyon nehéz.
Ahol az a 2db 1µF van azokat onnan én kivenném, és oda tenném a 2db puffert. Ezek eredője 165µF azzal azért jobbnak kéne lennie. Aztán azt sem szabad elfelejteni hogy a kimeneten terheletlenül csúcsegyenirányítás van, azaz ha van zaj, tüske a négyszögjelen akkor a kondi annak a csúcsára (- dióda) fog feltöltődni. Tegyél rá valamekkora előterhelést (mondjuk 50-100mA) és ahhoz képest nézd a feszültségesést.
Kössz , kiprobálom .
Szerinted nagyobb pufferel jobb lehet? Van 2 db 470u m. Akkor beteszem azokat. Viszont továbbbi kérdésem lenne a fet gate feszültségét nem kellene korlátozni pl egy zennerrel , nem fog kipukkadni a fet? :O A hozzászólás módosítva: Máj 1, 2021
Mellékeltem képet , sok javulás nincs. Ugyan nem emlitettem , lehet számit valamit a kapcsolással sorosan be van kötve egy 40wattos izzó , védelmi céllal.
kikötöttem az izzót. Helyére egy 5 amperes biztositék került. Tápot fesz alá helyezve a szekundert 150 ohmos ellenálással terhelve a fesz 11.5-11.8V között ingázott. Elkezdtem terhelni egy fütőszállal (12V kb 20 watt) egy pillanatra leesett a fesz , majd növekedni kezdett....
Ez után egy nagy csatt... Szétdurrant a + os vezetősáv a nyákon. mindkét fet zárlatos lett az ic is... A bizti nem oldott ki valamiért.... Valaki meg tudná nekem magyarázni miért következett ez be?? Mit rontottam el?? Izzóval amikor ugyanezt a fütőszálat hajtottam (kb 1 amper folyt rajt a fesz 9 körül volt ) az izzo nagyon halvany fénnyel világitott alig láthatóan.
Én tennék az ic táp kondival párhuzamosan egy zenert
Hali!
Itt van egy kimenőfesz figyeléssel kapcsolás: Bővebben: Link |
Bejelentkezés
Hirdetés |




















