Fórum témák
» Több friss téma |
Fórum » Ki mit épített?
Ez a téma ha úgy tetszik a mi "kiállítótermünk", nem pedig a ki mit csinált volna másképpen, mások helyett, és legfőképpen nem javítós téma.
Minden készüléknek van saját témája, ott kell kitárgyalni a részleteket!
FONTOS! A kapcsolási rajzok keresésére is van saját téma, ott keressetek rajzokat!
Megkérlek felteszed a nyáktervet?!Egyébként gratula jó lett nagyon!!
Köszi, a rajzot itt megtalálod az elektronika fül alatt, a müszer kapcsolásokban.
Üdv: Doncso
Sziasztok!
Én nem rég raktam össze egy kis 6 LED-es oda-vissza futófényt. Nem is áramkör a nagy szám hanem a NYÁK Életem első 2oldalas NYÁK-ja de szerintem jól sikerült, fő hogy működik azáramkör. A kapcsolás a BSS-ről származik. Íme néhány kép
Szia!
Frankó cuccok. És működnek is? ![]() Az akksitöltő rajzát megosztanád légyszi? Kössz :uli
A torzító szépen müködik, de az akkutöltövel még kell egy kicsit bíbelödjek, mert nem éppen úgy viselkedik ahogy elvárnám. Az ellenállásértékeket kicsit még kell módosítgassam.
Gratulálok, meg örülök a lelkesedésednek, de azért a képeket méretezhetted volna mielőtt felteszed!
Felesleges egy 2000pixel széles homályos kép. Kérlek máskor figyelj oda, Köszönöm.
Sziasztok!
Készítettem egy egyszerű órát (mimást?). Ahol csak tudtam SMD alkatrészeket használtam. Semmi extra nincs benne, talán csak a fényerő szabályzó... :smoke: Mostmár csak valami nagyon szép dobozt kéne hozzá készítenem, de sajna a múzsa csókja késik.
Gyönyörü a munkád ismét.De lasan nem ártana meglátogatnod egy psichológust mert ez már mánia
Voltam... Csinált egy IQ vizsgálatot. Hál' Istennek negatív lett!
Szép talicska... Kár, hogy ilyen ritkán csinálsz órákat. Ha kicsit sűrűbben építenél valami idővel kapcsolatos dolgot, már azt mondhatnám, hasonlítunk egymásra
Nagyon szép, GRATULA. De itt két komoly gondot látok. Egyrészt ha nem járnak az óráid egyformán / és miért tennék / akkor sosem fogod tudni mennyi a pontos idő.
, mert mind mást mutat. A másik - nem esel még át az óráidon ? Mit kezdesz ennyi órával ? Fery
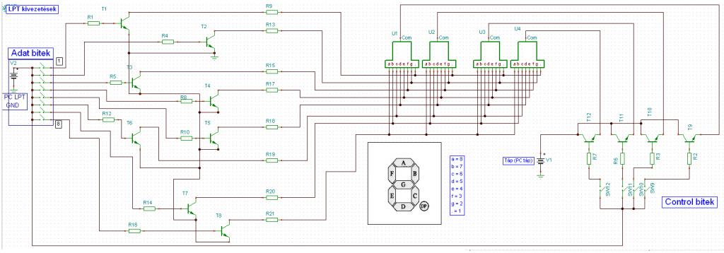
Én is most készítettem egy órát, de csak az órát és percet jelzi, az extra benne az hogy PC-ről megy LPT portról multiplexelve (mivel máshogy nem is lehetne
). Az áramkört és a progit is én terveztem majd rakok róla föl jobb képet meg videót Ja és gratula az órádhoz, nagyon szép!
Nem is hinnéd milyen kevés órám van itthon...(de tényleg)
A pontos időről olvastam egy cikket (már nem tudom hol), hogy a jelenlegi idő számolásunk hibás, mert percenként 0,2(?)mp-et késünk... Magyarázta is a cikk, hogy miért, de már nem emlékszem. Jah, és köszi mindenkinek! (na, és milyen bazi nagy a toroid amiről megy? )
De jol nez ki a vezerlo panel
Hol vannak a nyomogombok? :smoke:
Az nincs... Gondolattal irányítja
Akinek ennyi órája van, az már érti a nyelvüket
Topi!
Neked is megvan ez a kapcsolás, hogy Te már tudod?? Ott vannak azok a gombok... Majd ha lesz doboz, ki lessz vezetve a hátlapra.
Vic, te megint nagyon odatetted a mércét!!!!
GRAT!!!!
Mi?
Csak két nyomógomb? Másodpercet miért nem lehet állítani? ![]() Amúgy nagyon szép munka, grat!
Szerintem adjust és mode gombok, azaz az egyikkel kiválasztod mit állítasz és a másikkal állítod.
Zenner kérésére itt a kapcsirajz és a progi
Ugye nem akarod, hogy homlokon csókoljalak, drága hourophil barátom?!
:smoke: :gumicsirke: "Természetesen" gyönyörű munka, mint mindig, ahogyan azt Tőled megszokhattuk! köszönöm, de nem értem minek kellenek nyomógombok, vagy kapcsolók
Hello készítettem egy akkumlátor kisütőt 7 cellás 8.7V-os NI-MH akupackhoz nem túl bonyolult kapcsolás de igyekeztem esztétikusra csinálni Köszi a rajzokat proli007-nek
bocs az offért de ha van vkinek vmi jó gyorstöltője az légyszi ossza meg velem ha lehet akkor 12V-ról menjen mert jó lenne ha szivargyújtóról is menne köszi
Nagyon szép lett! Bár a panel körbevágását még neked is gyakorolni kell...
Ebben igazad van de nem hiszem hogy így hagyom sztem holnap becsiszolom
Meg megcsinálom a többi 4 példányt az airsoftcsapatnak töltőrajzot nem tudsz? vagy vmi tippet hogy merre induljak el?
Huh bocs h offolok de kb merre keressem mert 14oldalt nincs kedvem végigolvasni vagy itt tuti van 7cellás aksipackhoz töltő? mert akkor azért végigolvasom.
A negyedik oldaltól kezdenek el vele foglalkozni. Onnan érdemes átolvasni a hozzászólásokat. Leírnak róla mindent ami csak fontos. ja és ezt lehet használni 2-16 cella töltésére beállítható töltőárammal és töltési idővel. Nagyon jó kis IC ez.
Jól sikerült panel, a vágást leszámítva. Nos és azt, hogy akkumulátor és nem akkumlátor.
|
Bejelentkezés
Hirdetés |







Kössz :uli 



, mert mind mást mutat. A másik - nem esel még át az óráidon ?



:smoke: :gumicsirke:







