Fórum témák
» Több friss téma |
Hello! Két vezetéken pld. így. Természetesen a 4093 másik bemenetén is egy ilyen áramkör van..
Szia,
Ez melyike megoldás ? Illetve pontosan milyen formában ? Nekem egy kicsit értelmezni is kell mert nem vagyok nagyon kiművelve ezekből... egyszerű kapcsolások mennek de itt elvesztettem a fonalt ! Köszi
Nem használok ilyet, csak mint ötletet dobtam be a kalapba. A képet a neten kerestem. Ha kellene, én így csinálnám meg az érzékelőket.
oooohhhh
azt hittem van már egy működő megoldás amit ki lehetne vesézni... legfőképpen a hibáit.
Hello! "Ez melyike megoldás ? Illetve pontosan milyen formában ?" Esetleg magyarul? Mert még értelmezni sem tudom a kérdést..
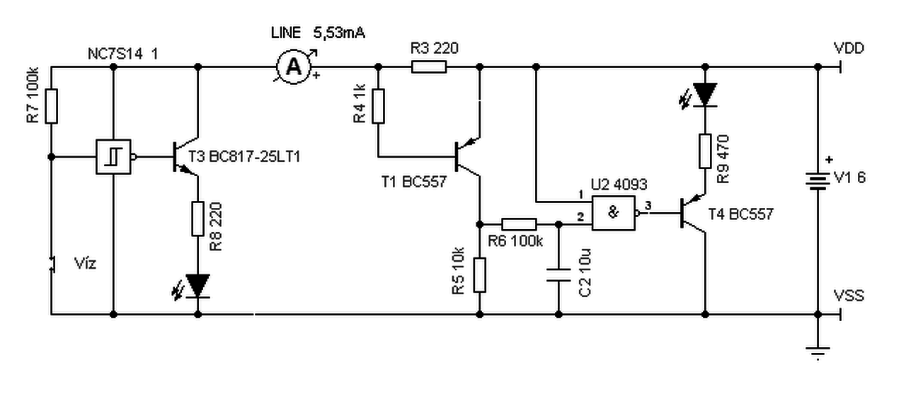
![]() Létezik a logikai áramkörök között a 7414-es inverter. Ebben a tokban 6db. inverter található, de Schmitt triggeres bemenettel. Vagy is van hiszterézise is. Így egy változó bemeneti jelből határozott logikai jelet képe készíteni. De van ennek CMOS változata is, sőt olyan ami felület szerelt és a tokban csak egy inverter van nem 6. Ez az első fokozat melynek bemenete egy 100kohm-al van felhúzva a tápra, így az inverter logikai magas szintet érez. Tehát a kimenete alacsony szinten van. Ha a víz vezeti az áramot a GND felé (most kapcsoló helyettesíti a vizet), akkor a bement logikai alacsony szintre kerül. A kimenet maga szintre vált. Tranzisztos kinyit, és világít a Led. Ez a rész van a szondában elhelyezve. Ha "nincs víz" a bemeneten, akkor az áramkör fogyasztása minimális. Ha van víz, akkor a Led árama megjelenik a tápvezetéken is. A T1 tranzisztor figyeli a szonda áramfelvételét az R3 ellenálláson. Ha az áram kis értékű, akkor a tranyó le van zárva, nincs kollektoráram és feszültség esésé sem az R5 ellenálláson. Vagy is a 4093-as CMOS kapu bemenete alacsony szinten van. Ha van víz, vagy vonaláram, a T1 kinyit, és az R5-ön magas szint lép fel. Avagy a 4093 bemenete magas szintre kerül. Ha a 4093 mind két bemenetén magas a jelszint (víz van az érzékelőknél) akkor működik az 4093-as ÉS kapu. (igazából NANAD, vagy is a kimenete invertálva van) Ekkor a kimenete alacsony szintre vált T4 kinyit és a Led jelez. De ez csak akkor van, mikor mindkét bement magas szintű. Tehát ha csak az egyik, akkor nincs jelzés. Az R6 és a C2 egy RC integráló tagot alkot. Vagy is a 4093 bemenete csak akkor lesz magas, ha az R5-ön a magas szint folyamatos, vagy is kb. 1sec-nél hosszabb. Ez szünteti meg a tranziens zavar hatását az érzékelő felől. A 4093 (vagy 74HC132) bemenete is hiszterézises, így bár a bemenetén egy lassan változó analóg jel van a C2 miatt, a kimenet határozottan és gyorsan fog átváltani. Nos kb. ennyi az egész. Várhatóan az érzékelőnél még célszerű a tápfeszültséget egy 100nF-al szűrni. A GND pontot a 4093-nál célszerű földelni. Mivel a 14-es inverter HC típusú, a tápfesz nem lehet 6V-nál magasabb. De ez csak egy egyszerű szemléltető ábra, amit ki lehet próbálni és azután ki lehet "kiszínezni"..
Az iparban elterjedt, mivel teljesen zárt, igénytelen, szennyeződésektől védett az úszó mágnes/reed relé. Ha elektronikában gondolkodsz, akkor szintén ipari megoldás a váltóáramú szonda. Itt ne gondolj mindenféle bonyolult áramkörre, roppant egyszerű megoldás is létezik. Ami a lényeg, hogy nem vezetünk egyenfeszültséget semmilyen szondára. Viszont minden vezetőképességen alapuló eszközt karban kell tartani.
A szelep és a fúvóka köze tegyél be egy nyomásérzékelőt. Egy ilyenre teljesen alkalmas egy régi mosógép bontott szintérzékelője. Annak váltó kontaktusai nagy áramúak, bármit rájuk köthetsz.
Szia,
bevallom mobilról néztem a napi lótás-futás közben és egészen mást vettem ki belőle ![]() Amit írtál és az áramkör is szuper.
Na közbe a hétvégém nem az elektronika és a hobbi felé alakult sajnos.
A fenti rajz alapján biztosan megépítem a kapcsolást mert próbának tökéletes. Az is igaz hogy csak akkor lenne OK az egyenáram ha a vízelárasztást és a riasztást követően ki is lenne kapcsolva a dolog. Bár a pár milliamper ami az egyszerű szondának az érzékelőin átmegy az nem feltétlen galvanizál a rozsdamentes érzékelőn. Feltéve ha a riasztás után ki is van kapcsolva. Ugyanis ez az volt az eredeti terv. Sokat gondolkodom a problémán és hát persze eszembe jutott egy nagyon kézenfekvő dolog is.... Ha a szondában is és az összegző áramkörben is PIC mikrovezérlő lenne..... Azzal nagyon könnyen meg lehetne valósítani a kommunikációt, a zavarvédettséget a váltóáramú szondai jelet és még sok mást is. Valamint a szonda a programtól függően lehetne bármi (hőmérséklet, füst, tűz stb...) Én elég sokat szerelek/telepítek kaputelefon központokat azon belül is inkább a codefon családot. És innen jött az ötlet: itt a központ a mester és a lakáskészülékek a szolgák... a szolgák hallgatóznak amíg fel nem csönget valaki ekkor a mester kiadja a vonalra a megfelelő jelet és az a szolga akinél ez van beállítva az válaszol a mesternek majd bekapcsolja a saját oszcillátorát és csenget fent is miközben figyeli az egyik lábát amin kapja a jelet hogy beemeltek a hallgatóval !! Ha beemelsz akkor meg átkapcsolnak beszéd módba és akkor lehet dumálni ![]() Nos itt nem tudom milyen kommunikáció lehet mert a központban PIC16F648A a lakáskészülékben PIC12F508 van amik ugye nem egy nagy teljesítményű darabok... És nem találok mellettük rs485 vagy hasonló IC -t sem. Viszont a közöttük levő vonal mind a tápot mind pedig a kommunikációt képes kiszolgálni és teszi ezt jól , nagy távolságba, és zavar védetten !!!! Összesen 2 vezetéken !!! A távolságról csak annyit hogy mire a panel 10. emeletére eljut a negyven éves sima egymás mellett futó réz érpáron az van 50- 60 méter is.... és mind a táp mind pedig a jel tökéletesen átmegy. Ez nekem a kezdetben leírt probléma megoldásához több mint elég .. akkor nem is kéne 4 barab gyűjtő doboz és azoknak a jelét venni egy másikkal. Az is megoldható lenne, hogy ne kelljen A és B szonda hiszen a Mester-ben futó program simán kezdheti egy tábla alapján szólítani mindet és ha választ kap akkor eltárolja.... itt lehetőség van a válaszokból szelektálni is, hogy például vízérzékelő vagy hőszenzor vagy továbbmegyek egy kapcsoló.... és el is lehet dönteni hogy az adott végpont analóg vagy digitális jelet ad e vissza A vízérzékelőket meg tudja úgy kezelni hogy csak kettő együttes és folyamatos jelénél indít riasztást. Ha egy nagyobb típusú PIC lenne a Mester akkor az Ethernet sem okozna gondot... na de ezt végképp nem ismerem. Úgyhogy be kell szerezzek néhányat a fent említettekből és el kell kezdenek az ismerkedést ezekkel a cél-áramkörökkel !!! Úgy gondolom ha a 12F508 kiszolgál egy kaputelefont akkor egy bármilyen szondához tökéletes lehet, kicsike kicsi fogyasztással de van elég lába hogy akár a vízérzékelő ben legyen pl egy DALLAS hőmérő is és a ledet is be tudja kapcsolni ha vizet érzékel..... Fejlesztés lehet hogy a pincei világítást is vezérelheti így megszűnik a bérlők által napokig égve hagyott világítás problémája is !!!
Na sokat okultam máshonnan is....
Akkor szedjük szét a problémát és ami ide tartozik az legyen csak itt. A vízérzékelő szenzor akkor legyen kicsike egyszerű de váltó áram legyen rajta.... 50% kitöltéssel négyszögjel ha jól szedtem össze az információkat. Ezt NE555 csinálnátok ?
Szia,
sok hozzászólásodat olvastam és nagyon jók, én kihagytam egy jó pár évet a "finom" elektronikából.... ez a fogyasztói társadalom ... telefon javítás .. tipikus hibák, tipikus javítások semmi műszer semmi egyéb..... egyéb nagyobb elektronika hasonlóképpen !!! Szóval benned azt látom hogy igazán érted is amit csinálsz és fantasztikus ahogyan le is tudod írni mi miért !!! Ami nekem most rettentően jó mert szépen szivárog vissza az emlékekből a régi tudás. Mire éppen most meg szükségem is van ! A projektet amit elkezdtem éppen hanyagolnom kell, egyrészt idő hiányában (mivel hobby a dolog), másrészt éppen bővítem az alkatrészeim tárát és ezt én tizedáron külföldről teszem ami viszont csak 30 -50 nap alatt ér ide.... Az általad lerajzolt kapcsolást meg fogom építeni és beszámolok majd itt !!! Viszont eljött az a pont hogy az mikrovezérlők használatát nem tudom elkerülni így éppen azokat tanulgatom !
Hello! Tekintve hogy itt üzemszerűen a szondák szárazon vannak, szükségtelen a váltóárammal komplikálni a dolgot. Sokkal több energiát kell fordítani a biztonságos működésre, párásodás elkerülésére, esetleges önellenőrzésre.
De a gyors figyelés sem alapkövetelmény. Vagy is időmultiplexer lekérdezéssel is működhetnek a szondák. Természetesen mikrokontroller alkalmazásával több lehetőség van, mint alap logikai áramkörös kiépítés mellett. Főleg az utólagos változtatás terén mutat flexibilitást a kontroller. Feltéve persze ha a hardver gondosan lett tervezve és kivitelezve. Tehát súlyuknak megfelelően célszerű kezelni a dolgokat/feltételeket.
Szia,
egyetértek, de ha mégis eláztunk akkor legyen meg az hogy nem kell kikapcsolni a rendszert ! Legyen meg az itt korábban elhangzott, aggályok ellenszere is, hiszen jó rendszert kell csinálni ami évek múlva is megfelel az eredeti elvárásoknak !!! Közben megjött az első és sokadik AVR mikrovezérlőm demó panelja és nagyon nagy erőkkel azon vagyok hogy gyakoroljak .... a led villogtatás már kis újból ment... és a továbbiak is jól mennek, de mindezekből egy rendszert kell alkotni ..... nm elég az egy tranzisztoros érintő kapcsolás ezeket bele kell foglalni egy mikrovezérlő programjába és kommunikációt is kell tenni mögé ![]() Ami lehetőleg 15-30 méter vezetékkel is megbírkózik !! jelenleg itt tartok !
Sziasztok!
Az elektrodak valoban fogynak, de szerintem tobb modszer van ennek csokkentesere: 1. valtoaram (ha mikrokontroller is van a tortenetben, akkor ez pofonegyszeru) 2. minel kisebb atfolyo aram! 3. rozsdamentes anyagu elektrodak 4. minel vastagabb elektrodak Ezeket izles szerint lehet kombinalni.
Üdv!
Érdeklődnék, hogy hogyan lehetne a legegyszerűbben olyan kapcsolást építeni, mely két elektródával érzékeli egy tartály telítettségét (víz) és egy piezóval hangot ad. Azt gondoltam 555 el építek egy szignál generátort a piezóhoz, az elektródához van titánrúd, de nem tudom a víz mint kapcsoló közeg milyen erősítést, elektromos kapcsolást igényel. Tirisztorral gondoltam megoldani. Mindenképp 9-12 v egyenfesszel. Abban bízom, ennél még talán nem lenne akadály a vízbontásból eredő szolvát burok a buborékokból... vagy? Van egy jó kapcsolásom mely két szintet is érzékel váltófesszel és két relé kimenete van ami 220v os berendezést vezérel (nem én terveztem, akkor nem kérdeznék ). De ide soknak gondolom, és drágának. Ha van ötlet, tanács, köszönettel fogadom. Tisztelettel: VL
Keress rá arra hogy "Zsomp".
Proli mester tollából van pár jó rajz és szösszenet. Például itt is, hárommal alattad... A hozzászólás módosítva: Aug 25, 2018
Vízjelzőhöz keresek kapcsolást, eddig kevés sikerrel. Sok dolgot nem kellene tudnia csak annyit hogy ha a szenzort víz éri akkor megszólal a 12V-os sípoló. Viszont sípolnia kellene akkor is ha már víz nem éri a szenzort egészen addig amíg ki nem resetelem. Az érzékelő két fémlemez lenne egymástól pár mm távolságra. Illetve még arra gondoltam hogy az érzékelők kaphatnának váltóáramot, mondjuk 5V-ot hogy ne nagyon elektrolizáljon. Valaki találkozott már hasonlóval?
Proli007 & zsomp a varázs ige amire keresni kell, de most nem érek rá előtúrni.
Hello!
Lerajzoltam amit szeretnél. Nem szükséges váltófeszültség, mert a szonda nem lesz állandóan a víz alatt. (Mert ha így lenne, értelmetlen lenne az egész.) Egy 100k-val évekig tudna üzemelni és a pozitív szonda inkább fogy mint elrakodik. (Én anno UT18-as 3,2mm-es saválló hegesztőpálcát használtam víztorony jelzéshez.) Ha tartósan fütyülne és únnád, akkor az RST-hez nem nyomógombot, hanem kapcsolót használsz. A Led jelzi, ha "hatástalan állapotban van" a kütyü.
Fúúú ezer köszönet érte. Azt hiszem ehhez mindenem van, a hétvégén ki is próbálom.
A szonda nálam már tudom mi lesz. Két darab, 2mm vastag ~2x4 cm-es területű saválló lemez egymástól 2mm távolságra, és egy darab plexi vagy bakelit ami rögzíti egymáshoz a távolságukat. Ez ugyanis jól felfekszik a padlóra. Tervezem hogy hármat is rakok különböző helyekre párhuzamosan kötve őket. Aztán jelez ha valami vízfolyás történt a pincében.
Működik!
![]() Jelenleg 4 érzékelő van hozzá, a piezo pedig hallótávolságba lesz vezetve.
Hello! Reménykedtem benne.
Viszont van még ami kicsit zavar és a segítségedet kérném. Induláskor a kimenet mindig magas. Persze lehet bekapcsoláskor resetelni, de nem szeretném ha feleslegesen jelezne minden áramszünetet is.
Szándékosan csináltam így. De ha ez gond, akkor tedd át a C1 kondit a 2-es és 8-as láb közé. Ha ez nem lenne elég, akkor a nyomógombbal (nálad kapcsolóval) párhuzamosan egy 100nF feletti kondit. Így bekapcsoláskor Reset lesz.
Elég volt a C1 kondit átrakni. Köszi a segítséget!
Sziasztok! Ne ugassatok le kérlek, nem ez a szakmám - elolvasva ezt a két oldalt ebben a témában nem mondanám, h értettem is mikről beszéltek. Dummy kérne segítséget. Vízkifolyás érzékelőt szeretnék a padlón, ami lekapcsol egy kismegszakítót. Ez elé a C sínre betettem egy relét, ami 12 VDC-re kellene, h behúzzon. Namármost, én azt hittem néhány csepp zárni fog egy ilyet: Finder 072.11. De nem. Mire nem figyeltem anno az általánosban?
Amit vettél, elméletileg jó de nem elég. Az csak egy sznezor, egy hozzá való relét is kell venned.
A feladat az lenne, hogy egy ilyet berántsom: Finder 40.52.9.012.0000. 15m 1-es vezeték végén lenne az érzékelő (ezt nem nagyon tudom rövidíteni, mert ennyire van a biztosítéktábla). Be is húz a relé, ha a érzékelő helyett én zárom a kört, egyébként ha a csupasz végeket egy vödör vízbe teszem, akkor már nem. 15m-en túl nagy lenne a veszteségem 12vdc-vel, azért nem elég a víz mint közeg?
Teljesen képtelenség, hogy a csapvíz vezetőképességével behúzzon az az egyszerű relé.
Ne is erőltessük ezt az utat. A szenzorhoz, amit vettél, kell egy elektronikus relé is. A kódja 1. 72.01.8.240.0000 akkor AC240V a tápja. 2. 72.01.9.024.0000 akkor DC24V a tápja. A beállítástól fog tölteni, vagy üríteni, különböző késleltetéssel. Az eszköz belső reléje 16A-t ohmos terhelésre és kb. 550 W-os 230V-os motort tud kapcsolni. A készülék és az általad vett szenzor között max. 200 méter lehet a távolság. A leírásban amit Bakman feltett benne van. ![]() Magyarnyelvű adatlap A hozzászólás módosítva: Dec 18, 2021
Nagyon köszönöm, megrendeltem. Minden bizonnyal ez jó lesz.
|
Bejelentkezés
Hirdetés |























