Fórum témák
» Több friss téma |
Mielőtt kérdezel, a következő két dolgot ellenőrizd!
I. A helyes tápfeszültségek megléte.
II. A kimeneten van-e egyenfeszültség.
Élesztés.
Sziasztok!
Valaki meg tudná mondani, hogy a Siva ppa 1600 végfokot mettől meddig gyártották? Köszönöm!
Sziasztok!
2.1es Code én Sp-688 hangrendszer kapcsán írok. Az erősítője változó frekvenciájú zajokat generál. A potméterektől és a bemenettől független a zaj, mert ha lehuzom mindet ugyan úgy generálja. A bekapcsolas után a trafónal egyszer láttam szikrakat is valamin szag formájában is érezhető hogy történik valami. Viszont a feszültséget 8V körülinek mértem, kicsit ingadozott. Ez alapján én trafó cserével próbálnám javítani. Kérdésem az lenne hogy kondenzátorok tudnak ilyet okozni? A rendszer kb 15 éves és először halkabban és időszakosan hallatszódott a különböző frekvenciájú zaj. Közben rámétem még az egyenírányító utáni feszültségre is ami, 10V körüli (9,5V-10,4V) ezeknek bekapcsolt állapotban, bemenet nélkül mennyire kellene stabilnak lennie? Esetleg alap multiméterrel ezeket nem is lehet jól mérni? Előre is köszönöm a tanácsokat! A hozzászólás módosítva: Júl 23, 2021
Sziasztok!
Megint segítség kellene. Építgetem a Nad3020amat. Tünet a következő: Izzó sorba a tápfesszel. Halványan izzik. R651es ellenállás állandóan elég. Volt olyan is, hogy nem égett el, az izzó meg villogott. Na ilyet még nem láttam. De utána nem villogott, de az ellenállás elégett. Q611 Bd139, Q613 BD138 (elsőre sikerült egy bd137et berakni...) Várom az ötleteket.
Az egy soros RC tag, vagyis egyenáram nem folyik az ellenálláson, az nem fűtheti.
( hacsak nem zárlatos a kondi, azt meg tudod mérni. ) Ha a kondi jó, akkor egy nagyfrekvenciás gerjedés lehet a rendszerben. Mindenképpen nézd meg szkóppal.
Szép napot!
Siva ppa1200 végfokhoz kellene nekem egy rajz de sehol nem találkoztam ezzel a verzióval az interneten ezért próbalkozom itt hátha van valakinek.
Szia
Van külön topikja. A negyedik oldalon megtalálod. https://www.hobbielektronika.hu/forum/siva-pp1200?pg=3
Köszi!
Láttam a topikot de sajnos egyik sem hasonlít erre a verzióra. Azért írtam ide mert gondoltam itt többen látnák.
Most nézem a kép lemaradt.
Az nem lehet a hiba, hogy a bekeretezett részt én komplett kihagytam? (úgy olvastam, hogy az a bemenet a lemezjátszóknak való nekem olyan nincs) Reloop kolléga írta régebben, hogy az R605 kimaradt, rá is kérdeztem hova kellene kötni a másik felét, de választ sajnos nem kaptam.
R605 nélkül nem működhet az egész, mert onnan kapja a "fél tápszültséget/előfeszitést" a Q601...
És akkor az R617, R619, C609, C613 is kell?
Valahol a +/- 28v környékén van a baj. A két végtranyó le van kötve, égő világít. Ha lekötöm a + vagy a - 28voltot elalszik éppen csak izzik.
Megcsináltam próbapanelre a r605 jobbra mindent, bekötöttem.
D605 kicseréltem, Q611, Q613 szintén csere. A Q613 BD140re lett cserélve. Na most ott járok, hogy az izzó halványan izzik, semmi sem melegszik vagy füstöl elfelé. Végtranzisztorok bázisán viszont -25,1V mérek. Nem kötöttem még vissza őket.
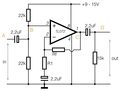
A csatolt kapcsolási rajzú FET-es végfokozatot éleszteném. Hálózati transzformátort 2x25V szekunder feszültségűt tudnék szerezni hozzá, amivel ugye már olyan +-35V körüli egyenfeszültség lenne a táplálás. Szerintetek mehet a dolog, vagy sok már neki ez az üresjárati tápfeszültség?
Ez hasonló a vf6-hoz. A zénerekkel lejebb tudod venni az ic tápját.
Lehet hogy a trafó menetzárlatos. A szikrák és égett szag ezt jelezheti. A kondenzátorok ilyet nem okoznak. A szikrázás meg elég erős zavarforrás, ami simán hallható lehet.
A hozzászólás módosítva: Júl 27, 2021
Üdv.
9-10V semmi képp nem jó. Kb 16-22V között lenne jó esetben a tápfeszültség, de minimum 12V. Diódák jók és a kondik? Milyen ic van a hűtőbordán? Azt látom, hogy nem egy 1-2W-os a rendszer, így feltételezhető hogy a tápod sincs meg. Nekem a watson csinált olyat, hirtelen eldurant a kondi és zúgott mint a háborodás. Fixen kapta a tápot és elfáradt a kondi. A kondik sorba vagy párhuzamosan vannak kötve egymással?
Szia! Szerintem a zeenereket nem kell megváltoztatni. Az IC továbbra is +-15V-ot fog kapni. Az R10 és R13 1K4 ellenállásokon nőne meg a feszültség kb 27%-kal és elképzelhető a teljesítmény mos-feteken a nyugalmi áram annyira megváltozna, hogy P1-el nem lehetne a 75mA-t beállítani. Szerintem ezeket az ellenállásokat arányosan 1K1-re kellene csak lecsökkenteni, amennyiben a beállításnál gond lenne az 1K4 értékekkel.
A hozzászólás módosítva: Júl 28, 2021
Ìgen eleg fura volt, èn is erre gondoltam. Kozben privatban kaptam uzenetet es abban a kondik cserèjèvel való kezdèst javasoltàk igy azzal indultam neki. Első probara megoldott, bar tovabbra is van szaga a bekapcsolas után, igy ha ismet jon a hiba akkor valoszinu a trafo csere következik..
Köszi a vàlaszt!
Szia!
A kondikat most cserelem ki, igy most ugy tunik tisztul a zaj. A trafobol nem tudtam megallapitani mekkora feszultseget tud leadni, valamint az ic-knel sem bontottam meg, mert valami muanyag ragasztót hasznàltak hogy lezarjak lègmenetesen. A panel a mely sugarzo belsejeben talalható. A tap kondik 3300uf 25v es ket darab parhuzamosan van kotve. Viszont a tap szimmetrikus es most arra ne emlekszem hogyis kapcsolodik. Majd használom es meglatom meddig birjak a kondik, ha ismet jon a hiba akkor megprobalom egy masik tappal. Koszi a segitseget!
Sziasztok,
Szeretnék erősítőt meghajtani olyan eszközökről, amin csak fülhallgató kimenet van és elég gyengén tudják csak kivezérelni. Mit kell ehhez keresem, ami nem szól agyon bele a hangzásba?
Üdv.
Előerősítő. Műveleti erősítővel meglehet oldani. Csatoltam egy Aszimmetrikus tápos (x V ), meg egy szimmetrikus tápos kapcsolást (2*x V). Mindkettő jó, tl072-vel egy ic-vel meglehet oldani. Visszacsatolás elég ha 10-10kOhm-ot teszel. Akkor 2szereset erősít az elég lesz. A hozzászólás módosítva: Júl 29, 2021
Szerintem a fülhallgató kimenetnek magasabb a jelszintje, mint a vonali jelszint, amire általában az erősítők bemenetét tervezik. Vagyis valószínű, hogy nem kell semmi extra, hogy kivezéreljen egy erősítőt. Vagy esetleg csak végfokról van szó előerősítő nélkül?
Füllhallgató jele kisebb némelyik telefonnál sajnos.
Szerintem igazad van, mert a mostani "agybadugós" fülhallagóknak tipikusan 32 Ohm az impedaciája, az pedig jól terhelhető vonali jelszinttel megtáplálva akár halláskárosodást is okozhat. Amit meg ugye el kellene kerülni...
Bocs ez Fidel-nek szól.
Érdekes. Óvják a fülünket. ![]() Másik lényeges kérdés. Építeni akarsz egy előerősítőt, vagy keresel egy kész gyári kütyüt a feladatra? Ha építeni akarsz, ahhoz Triumv93 által mellékelt áramkörök megfelelőek, neked csak a tápellátást, dobozolást kell megoldanod. Ha kütyüt keresel, akkor a net végtelen bugyraiban biztosan találsz. NAIM Ezt mondjuk nem javaslom, bár csábítóan gyönyörű. ![]() HQ preamp Ez már barátibb, de jó kutakodást! Na ez meg lemezjátszó előerősítő. Érdekes ebben a kategóriában vagy mikrofon, vagy lemezjátszó előerősítőket hirdetnek. Mondjuk ha kiveszed belőle a RIAA görbe beállító komponenseket, és leveszed az erősítését 2-3 szorosra, akkor biztosan jó ez is. De az már majdnem saját barkács. A hozzászólás módosítva: Júl 30, 2021
Nincs az a technika ami ennyit érhet.Gondolom itt is a gyártó neve az ár 90%-ka.Gondolom ehhez kellene még 2 budai ingatlan ára a hozzávaló hangfalak,és a keverő, vagy előfok megvételéhez.
Ezek tipikusan a gazdag embereknek kitalált ár kategória,azok megvesznek mindent ami drága és túl árazott, és lehet vele villogni.
Erről szól az Audiophil vallás.
![]() Na meg arról, hogy jó pénzért eladják neked azt az érzést, tudatot, hogy különb vagy az átlagnál.
Ez igy van.Elhiszem hogy vannak különleges rendszerek, de nem tudnak 10 milliókat érni.Az én 55 éves fülemnek már nem valóak. De valóban elmondhatnám ha lenne,hogy annyit ér a rendszer mint egy kisebb község éves költségvetése.
"Erről szól az Audiophil vallás."
Igazából ez csak félig tartozik ide.... De megjegyezném minden vallás magánügy. A templomok, kegyhelyek csak fórumai a hiteknek. Bennünk dől el kit, mit szeretünk. Én az "audiophilt" egyfajta örömszerzésnek gondolom, mint mondjuk egy jól megfőzött ételt, és annak elfogyasztását. Az is igaz, hogy a pizza is jól eshet bizonyos esetekben. Én 70 évesen még hallok különbséget rendszerek között. És reménykedem tudok még csinálni egy két jobb cuccot. Megjegyezném, hogy ez kissé olyan mint a lóverseny, odamegy az ember a nyerés hitével, és gatyába találja magát.
Persze hogy hallasz. Másként szól egy pattogó, sistergő vinyl lemez, és másként egy dolbyzott nyávogó kazetta.
![]() Persze ez csak tréfa. De kimérted már a valóságban hogy milyen frekvencia tartományt vagy képes egyáltalán érzékelni? Én simán hallottam a sorfrekit fiatal mérnök koromban, de ma már ha a fiaim szólnak hogy mi ez a sípolás ami egy készülékből jön, csak pislogok, és nem hallom. Olvastam egy nagyon jó cikket angolul, lehet hogy megtalálom. Vakteszten akarták ellenőrizni a Hi Res audio adatfolyam, és az abból CD szabványra konvertált adatfolyam közti különbséget meghallgatásos alapon. Zene akadémistákkal, karmesterekkel, hangmérnökökkel, meg átlagos, még jó hallású fiatalokkal végezték el a tesztet. Vak teszt volt, ment az adatfolyam, és kapcsolgatták hol az eredeti Hi Res, hol az abból real time degradált forrásra. Ami a megdöbbentő, hogy egyik csoport sem tudta szignifikánsan megkülönböztetni hallásra, hogy éppen melyik szól. Persze most sok vallásos hiszi magáról hogy ő tutira hallja a különbséget. Erre csak és egyedül a nem befolyásolható vakteszteken lehet választ kapni. |
Bejelentkezés
Hirdetés |

















