Fórum témák
» Több friss téma |
Egyelőre elég elfoglaltség lesz ellenőrizni. Köszönöm szépen a segítségedet!
Sziasztok. Immergas zeus maior 21,ha leáll a fűtés, nincs utókeringetés. Mi az ok, hol keressem a hibát? Mihelyt leáll a termosztát, utána szinte egyből megáll a keringető. De a hmv előállítás áll érdekes megy akár 3 percig is a szivattyú. Tudtok segíteni??
Majdnem minden Sanyi, a bekapcsolás után végez egy gázszelep ellenőrzést, ami abból áll hogy a szabályzó motort ide-oda megtekeri. Ha nem ér át a másik végállásba akkor instant hiba lép fel. Magát a motort csak mérés alapján lehet kideríteni, hogy jó-e.
Áramlásérzékelő?
Tehát leáll a kazán fűtésre (lekapcsol a termosztát) és a keringetés is leáll. Közben a fűtővíz hőmérséklete mennyi volt maximum? És mennyi a hmv hőmérséklete maximum az utókeringtetés indulása előtt? A kijelző hőmérő által mutatott értékekre gondolok.
Nos hmv készítés él 70 foknál veszi el a lángot, majd kB 45fokig utókering, ekkor leáll a hmv nél. De sima fűtésnél mindegy hogy 35 foknál, vagy 55fok előremenőnél állítom meg a termosztáttal, ugyanúgy reagál, egyből megszünteti az utókeringést. Ezután kb 3 perc
És majd 90 fokot mutat az analóg, közben felsistereg a hőcserélő, mintha forrna...
Köszönöm szépen a hozzászólásokat! Az első, hogy a tágulási tartályt cserélni kell. Ezt a hibát tudom első körben orvosolni, aztán meglátom hogyan tovább. A szerelőkkel semmi bajom, csak "mifelénk" két féle található. 1: Figyelj, hívj vissza fél év múlva és akkor megmondom, hogy vállalom vagy sem; 2: Duval kazán? az 1.000.000 lesz - kaján vigyorral, ja csak éves karbanartás? Szóval, na...
Én először elvégezném az alábbiakat:
Az áramlásérzékelő mikrokapcsolót megmozgatása többször, annak a ki-be mozgó dugattyúnak a befujása WD40 spray-vel, vagy bekenése szilikonzsírral. A képen a 10-es tétel (ventilátor biztonsági átfolyásmérő-nek nevezi), valójában egy áramlás hatására elmozduló mikrokapcsoló.
Sziasztok!
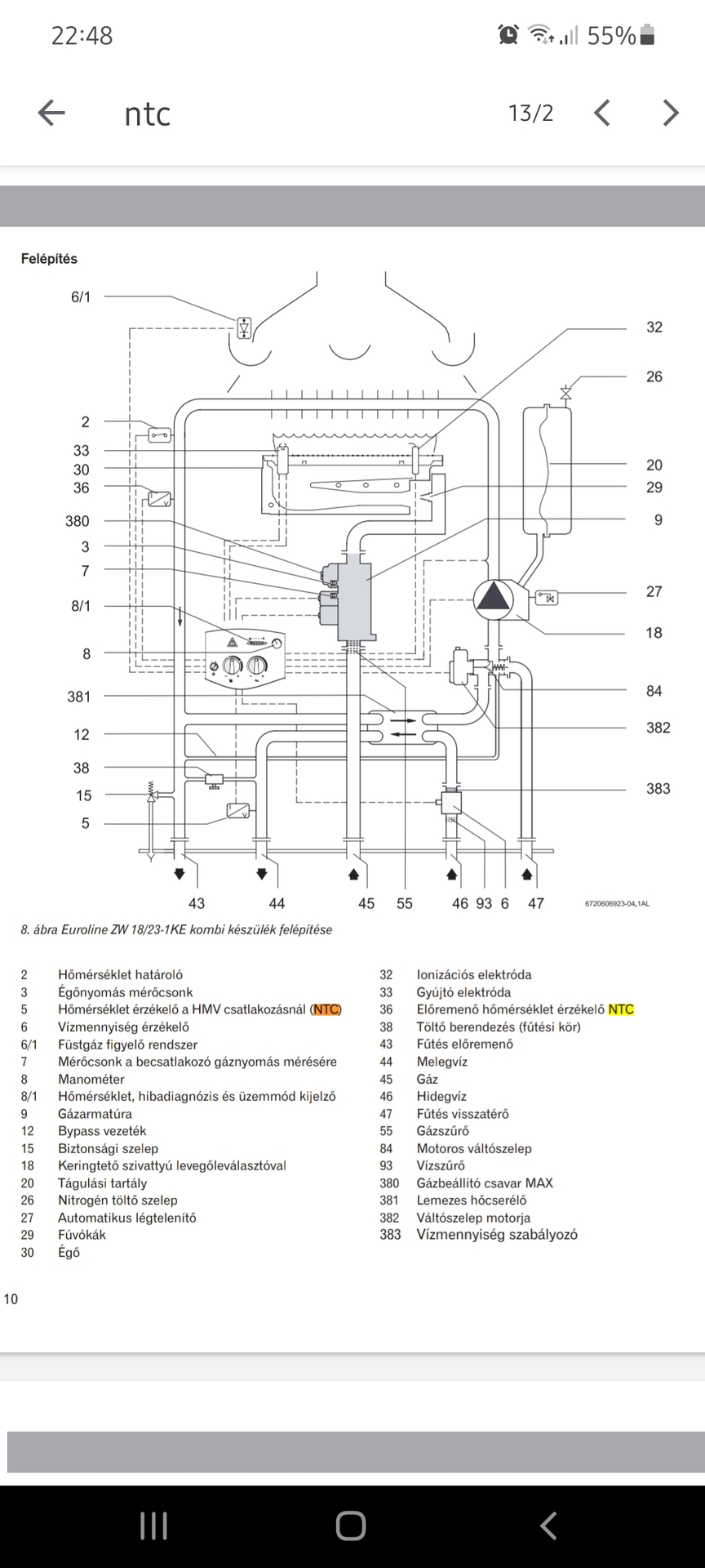
Adott egy Junkers Euroline ZW23-1KE típsú kazán. A mai napon kitakarítottam, portalanítottam, savaztam a hőcserelőt. A probléma az, hogy a meleg vizet nem képes 60 foknál melegebbre fűteni. Meleg víz engedésnél a kezemet meg se égeti. Mi lehet az oka, hogy nem képes melegebb vizet csinálni? Ez a probléma a tisztitás előtt is meg volt, csak bíztam benne, higy a tisztítással ez a probléma megoldódik. Nyomás van a rendszerbe kb. 0,5bar nyugalmi állapotba.
A hőérzékelő NTC-t kellene ellenőrizni ohm méréssel.
Melyik NTC-ről van szó a kép alapján? Mi az NTC szerepe és miben nyílvánúl meg ha hibás? Mennyinek kell lennie az ellenéllásnának?
Csak a hőcserélőt...? A kazánt meg nem? De a fél bár is kevésnek tűnik !
Ez meg a "hőérzékelője"... A hozzászólás módosítva: Szept 4, 2021
De a kazán testet is kitakarítottam. Azóta már felpumpáltam 1,5 barra. Ez a hőézékelő a kazántesten van, miben nyilvánulna meg, ha hibás lenne?
Egyenlőre csak mérd meg "hidegen" az ellenállását...meg esetleg "melegen" is.
A "hidegen" (15-20°C-on) értékét holnap én is megtudom mérni egy elfekvő készülékemen... De nem hinném, hogy az a baj... Inkább nyári üzemmódban ellenőrizd, hogy melegvízvételnél a radiátorok nem melegszenek-e egy kicsit...(váltószelep gond). A hozzászólás módosítva: Szept 4, 2021
Ha NTC hiba lenne akkor nem kellenenvalami hibajelzést dobnia a kazánnak?
Egy valamit viszont nem értek a bekötést illetően. Hozzá nem ertőként megpróbálom elmagyarázni. Adott a kazán, amibe 5 ,,cső,, megy be. Balról jobbra sorolom: fűtés előremenő, hideg víz bemenő, gáz, meleg víz kijövő???, fűtés visszatérő ág. Na már most, a kazán gépkönyve szerint, ha szemből állunk a kazánnal akkor a jobb oldalon megy be a hidegvíz és a bal oldalon jön ki a melegvíz. Ennek ellenére, ha megnyitom a csapon a meleg vizet, elkezd dolgozni a kazán, akkor az a flexibilis cső melegszik, amin elvileg hideg megy be, tehát a bal oldali cső, ez miért van? Olyan mintha fordítva lenne a bekötés. Próbaképp megcseréltem a flexibilis csövet, de így viszont a meleg víz megnyitásakor csak hideg víz jött a csapból, a kazán be se kapcsolt. Nem tudom mennyire érthetően írtam le. Olyan mintha a rendszerbe lenne a meleg és hideg kör között egy átkötés.
Azt hiszem megoldódott a probléma. Az egyik csapon a hideg körből átfolyt a hideg víz a meleg körbe, így persze, hogy az amúgy is 60 fokos vizet, ami a kazánból jött ki, lehűtötte.
Balról a 4. a hideg betáp. Ha lekötöd a flexiket csak az egyikből szabad a víznek folyamatosan, nyomással jönnie. Az lesz a hideg betáp. Ha mindkettőből jön, akkor vagy van egy rossz kötés (hideget-meleget átkötötték), vagy ha van termoszelepes csapod, akkor az enged át visszafele.
Ügyes! Ezt a hibát nehéz megtalálni... Egy ismerősömnek a kádcsapatelepe is ugyanígy meghibásodott...a rutinos szerelőnek is egy kis időbe tellett mira rájött erre. Egy Junkers átfolyós gázbojler állandóan kikapcsolt...a kiáramló meleg lett, de csapból langyos víz folyt.
Azért inkább könnyű dolog, mert egy háztartásban azért van mosdócsaptelep és mosogató csaptelep is. Egy laikus ember is ezt ellenőrizte volna először. Ha azoknál, mindegyiknél is ezt a dolgot produkálta volna, akkor a kazánnál lett volna a hiba.
Akkor (csak neked) leirom a részleteket:
25 m hosszú ház, 8 melegvízvételi hellyel. A közepén elhelyezett fürdőszobában nem volt elég melegvíz, a kazánnal egy helyiségben! (Csak az lett próbálgatva/használva.) Az "áteresztős" keverő kádtöltő csaptelep pedig a leghátsó füdőszobában volt (8 m-re). Elzárt állapotban nem folyt belőle a víz, de a hideg- és a melegvíz bemenetek között áteresztett. Comprende? A kazán kimenetére közvetlenül rákötött zuhanyrózsából pedig ömlött rendesen a forróvíz.. A hozzászólás módosítva: Szept 6, 2021
Kedves uniman!
Je compris. Akkor ez nem gázkazán, hanem vízvezetéki szerelési, csaptelep meghibásodási probléma. „a hideg- és a melegvíz bemenetek között áteresztett” Ilyen nincs azoknál a keverős csaptelepeknél, egyik furaton jön a meleg, a másikon a hideg és ahogyan elfordítod a csapkallantyút, úgy szabályozza a meleg és hideg áramlását a furatok reteszelésével. Talán elkerülte szíves türelmedet, vagy nem olvastad el figyelmesen, hogy a hozzászólásomban azt írtam, miszerint egy laikus is észrevenné, hogy a házban a többi csaptelep jól működik, csak egy csapteleppel van a probléma, ezért azzal kezdeném a hiba orvoslását. A ház mérete, hossza, a vezeték hossza nem számít, ez csak a fizika. Nem akarok vitába bocsátkozni, nekem nem ér annyit.
Kedves VIM és Többiek,
nos ma végre megtörtént a "szent TÁT töltés". Minden pontosan úgy volt, mint ahogyan VIM mester is leirta, áldassék a neve. ![]() De messze nem úgy, mint ahogyan én gondoltam. Kezdve onnan, hogy ez a Renova Star F24 marhául nem úgy néz ki valójában, mint a rajzon. ![]() Például a tágulási tartály nem is látszik, mert hátul a hőcserélő mögött van. Nem is látszik belőle semmi, csak egy vékony cső, ami eltűnik hátul, és látszólag semmi értelme nincsen... A szelep meg kivül van, a kémény mellett. Csak létrával megközelithető... Leengedéshez meg csak egy szilikon cső kell, van neki helye, ahová fel kell dugni... Szóval a iszapgyűjtő, meg leengedő és egyéb átszerelés elmarad egy darabig, érdektelenség miatt... Viszont egy fikarcnyi levegő sem volt TÁT-ban. Ugyanakkor a burkolat leszedésekor egy rakás aprópénz hullott a nyakunkba. Néztünk is egymásra a mesterrel: - Mi fenének tömködnek pénzt a kazánba? Zörgött? ![]() - Nem én voltam. ![]() Úgy nézett rám, mintha szerinte itt kettőnk közül valaki hülye lenne. A hozzászólás módosítva: Szept 9, 2021
Nem erre gondoltál véletlenül nyelvbotláskor?
Miért a mínusz?
Azért magyarázat illene. Nem akarok én beleszólni, hogy a többi fórumba mit írsz, én csak segíteni akarok a fórumtársaknak, már ha tudok. Nem mínuszolós játéknak tekintem. Bár ha kell, játéknak jó.
Ennél a kazánnál a fél bar nyomás is elegendő, de nézd meg ennek a kazánnak a kezelési utasítását, rajta van a net-en.
Sziasztok!
Segítséget szeretnék kérni. A lakást egy Immergas Eolo Star 24 3E fűti. 5 radiátor van rajta. A nyáron az összes radiátor kitakarítottam, és most a próbafűtés alkalmából nagyon gyorsan fűti fel az előre menő vizet, majd lekapcsol, nincs ideje a rendszert felfűteni. Kiírta a 27 hiba kódot /elégtelen körforgás/. A rendszer jó mert áttettem a cserekazánt, és avval működik a fűtés. Mi lehet a kazán problémája? Az NTC hőmérséklet érszékelő, vagy esetleg van szűrő a kazánba és az nem engedi tovább teljes gőzzel a vizet?
Üdv! Levegős lehet még a kazán, megkell próbálni párszor egymás után ráindítani a fűtést, illetve megnézni a szivattyú tetején lévő légtelenítőt hogy nincs-e zárva. A szivattyút magát is érdemes ellenőrizni hogy forog-e, nincs megragadva véletlen (a közepén lévő csavar kitekerésével.)
Sziasztok,
Westen star condens kazánunk egyre többször 110es hibakódot ír ki a melegvíz engedése során.Előtte sokszor olyan mintha nem állna le a kikeringetés.Légtelenítési meg automatikus kalibralást is csináltam rajta.Ideig-óráig megy utána megint a hiba.Fűtésnél nem csinálja ezt.Szivattyú is rendesen működik. Valakinek ötlete,mi lehet a gond?Köszi
Nagyon köszi a válaszaitokat. Ehhez én karcsú vagyok
ki kell hívni egy szerelőt hozzá. Tudtok ajánlani valakit aki Budapesten kitud jönni és tudja a ferrolli kazánokat. Egyébként turbos kazán. Ha jól emlékszem c-s talán
Sziasztok!
Van egy Saunier Duval Themacondens F24 kombi kazánunk. Évekig jól működött, igaz a karbantartása bevallom őszintén, hogy kókler szerelő miatt kicsit el volt hanyagolva. Nemrég cseréltük a szivattyúházat, elvileg üzemel de nem tetszik 1-2 dolog. A biztonsági szelep csöpög, vettem újat. Ma a követező jelenséget tapasztaltam: a fűtés bekapcsolása előtt 0,9 bar volt a nyomás. 52 fokosra volt állítva a víz. Ment kb 1 órát, figyeltem és azt vettem észre, hogy a nyomás felment 2.0 barra, 52 fok helyett mikor kikapcsoltam 56-ot mutatott és csepegett rendesen a biztonsági szelepnél. A tágulásit még nem néztük de az lesz a következő. Szerintetek annak a nem megfelelő nyomása okozhat ilyesmit vagy kilyukadhatott? Szervízben azt mondták, hogy leengedett nyomás és a biztonsági szelep kiszerelése után, az elektronikát levédve fújjam 1 barra és utána szereljem be az új biztonsági szelepet, majd töltsem fel (talán 1.2-1.5 közé). Gondoltok esetleg egyéb hibára? Előre is köszönöm az építő jellegű tanácsokat! A hozzászólás módosítva: Szept 14, 2021
|
Bejelentkezés
Hirdetés |










ki kell hívni egy szerelőt hozzá. Tudtok ajánlani valakit aki Budapesten kitud jönni és tudja a ferrolli kazánokat. Egyébként turbos kazán. Ha jól emlékszem c-s talán 