Fórum témák
» Több friss téma |
Ha szkóp-képet teszel fel, legyen látható a kezelőszervek beállítása, vagy add meg a beállításokat!
Na köszönöm a tippeket, úgy tűnik sikerült összehoznom.
Ameddig csak tudtam szétszedtem, de akkor sem látszott semmi ami rögzítené a pozicionáló szerkezetet a tengelyhez, így nem tudtam volna egykönnyen rögzíteni, így a másik irányban próbálkoztam, azaz meglazítottam ennek rugóját, hogy kisebb ellenállással forogjon, így ez az ellenállás már nem erősebb mint a maradék súrlódás a tengelyhez, így újra együtt forognak. Képet lőttem, de sajnos nem találom, még egyszer meg nincs hangulatom szétszedni. PS. kicsit a trigger hülyéskedik, nem tudom hogy emiatt-e, de megvan a kalibrációs leírás, remélhetőleg azzal helyrehozható.
Hellosztok szakemberek.
Egy segítséget szeretnék kérni. Van nekem egy EMG 1568/2 oszcilloszkópom. A 110V-os tápegység részében elszállt a 2N4240-es tranzisztor. Azt szeretném kérdezni, hogy helyette belerakhatom-e a BU426-as tranyót? A hozzászólás módosítva: Aug 14, 2021
Igen. Szerintem erősebbek tűnik, mint a másik.
Bővebben: Link
A hozzászólás módosítva: Aug 14, 2021
Köszönöm a segítséget nagyon jó lett bele megvan a stabilan a 110V. Van sugár is csak az INTENSITY potméterre nem reagál.
Hellosztok Mesterek!!
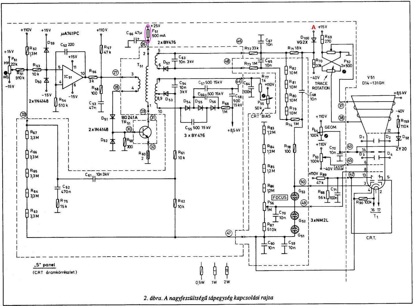
Volna egy kis problémám. Múltkor az EMG 1568/2-ben elszállt a 110V-os táp, de azt már sikerült megcsinálni. A szkóp működik csak az INTENSITY potira nem reagál, max fényerővel megy és nem tudom szabályozni, félek hogy beég a képcső.A FOKUS és az ASTIGMAT az megy. A kivilágosító erősítő részében az A ponton 8-50V-t mértem, ha tekergettem a potit. Hol keressem a hibát????
Szerintem nem az a kérdés, hogy hol keresd, hanem hogy hogyan keresd. Ez már nem egy mai darab, ez-az megtörténhet benne. Ha a kontakthibákat már kizártad, csőfoglalaton is, mérd végig a jelutat, hogy hol veszik el a változás. Elsődlegesen gyanúsak a félvezetők. Aztán a forrasztások, lehet, hogy elengedett valamelyik és lehet szakadt akár egy ellenállás is. Sőt, ott még mintha lenne három glimmlámpa, csak kicsi a rajz, nem látom jól, azok is beleszólhatnak a dologba.
Szia
Nekem ugyan ez a probléma szóról szóra, ugyan ez a típus, szintén elszállt a 110V, nem megy a fényerő állítás. Az enyémben tönkrement két tranzisztor a kivilágosító részben, meg lettek rendelve, de csak külföldön elérhető, várjuk a postát, remélem megoldja a problémát. Ellenőrizd a tranzisztorokat, gondolom Nálad is ez lesz a hiba oka.
Köszönöm mindenkinek a segítséget de már megoldodott.
Egy ellenállás szivatott.
neked tudom ajánlani a 110V-os részhez a BU426 tranyót könnyen beszerezhető.
Köszönöm, esetleg ha nem oldaná meg a problémát a tranzisztor csere, megkérdezhetem, hogy, melyik ellenállás volt Nálad hibás?
R78-as ellenállás
de amúgy a kivilágosító részben az A pontnál mennyi a fesz nálad?????
A 2N3495 egy 150MHz-es tranzisztor, nem tudom, hogy, jó lenne-e helyette egy 50MHz-es. Időközben átadtam javításra egy hozzáértőbb embernek, így kipróbálni nem tudom Mpsa tranzisztorokkal, de köszönöm a tippet.
Nincs nálam a szkóp, elvitték javítani, a két hibás tranzisztort tudtam kideríteni, itt megállt a tudományom. Ha megjön egyszercsak a csere, jelentkezek, hogy annyi volt-e a baja.
Igen, tudom, hogy "lassúbb", de szerintem ott elég jó az 50Mhz - es is, talán 30Mhz - es jelnél okozhat némi problémát, de lehet, hogy kisebb fényerőnél azt sem.
Üdv!
Adott egy TR4655.2 oszcilloszkóp és szeretném használható állapotba hozni. Hibái: fényerő, fókusz alig változtatható vízszintes eltérítés instabil függőleges erősítés kb 2.5x nagyobb a video szerint. Képek, videók és leírás a Bővebben: Link letölthető. A mérőzsinór adatlapja a képen (FNIRSI-1013D tartozék). Segítséget kérek a javításhoz. Köszönöm. A hozzászólás módosítva: Szept 27, 2021
Első körben mérni. Minden tápfeszültség rendben van-e? El is jut-e a tápfesz a különböző helyekre?
A nagyfesz részben, ha jól látom valaki már turkált, azt jól meg kellene nézni. Nem húz-e át valahol, elég stabil-e (meglehetősége lélegzősnek tűnik a kép, ez utalhat instabil nagfeszre is.). Ha tépfeszek jók, akkor érdemes csak tovább nézni bármit, addig nem.
+-15V +110V -40V jó. Anódfeszültséget még nem tudok mérni (készül majd egy 90Mohm -os előtét az MX-25306-hoz ).
Hello
Nem tudom minek az az ellenállás a kondin de én azt leszedném onnan. A P250-nél mekkora az ellenállás??? A nagyfesznél jók az ellenállások??A D100 anódnál mennyi a fesz ha tekered a fényerőt???
Gondolom így oldotta meg a 110V előszűrését. 7220ohm. kék-lila-piros-barna-zöld+ barna-fekete-fekete-barna-barna. Az ellenállásokat holnap tudom mérni. Az anódnál 8-25V (GANZUNIVO-3)-al mérve.
25v szerintem az kevés nekem 50v. A kivilágosító erősítőben lesz valami hiba. Tranyók jók benne??
Lassan haladok. Sajnos a 90Mohmos előtét kevésnek bizonyult az MX-25306 műszeremhez.
-1200V helyett 280-350V-ot mérek és ingadozik a 8.5kV helyett 5-600V és ingadozik. Az A ponton továbbra is 8-25V van. A T100-101-102 bétája 150 felett a T103 35. Oszcilloszkóp jel a kollektoron.: Bővebben: Link Képeken.: bázis, emiter, kollektor. A hozzászólás módosítva: Okt 5, 2021
Az intensity potinál mennyi a fesz????
Az oszcilloszkóp kép és a videó a T51 tranzisztorról készült.
Bővebben: Link Később kivettem ( bétája "0") tettem a helyére másikat (használt ,béta 34) oszcilloszkópon nézve nincs változás. Az A ponton viszont 29V lett a maximum. A hozzászólás módosítva: Okt 6, 2021
Akkor szerintem az oszcillátorban kellene keresni a hibát. Ott kéne megmérni hogy megvan-e a kb.50khz-es jel. Ellenállások értékei megvannak? Az IC jó (709pc)? P51-es poti nem lett elállítva? D51 és a D52-es dióda jó?? A 25V megvan a trafónál?
A hozzászólás módosítva: Okt 6, 2021
|
Bejelentkezés
Hirdetés |
















