Fórum témák
» Több friss téma |
Ha szkóp-képet teszel fel, legyen látható a kezelőszervek beállítása, vagy add meg a beállításokat!
Szerintem teljesen felesleges átküldeni neki.
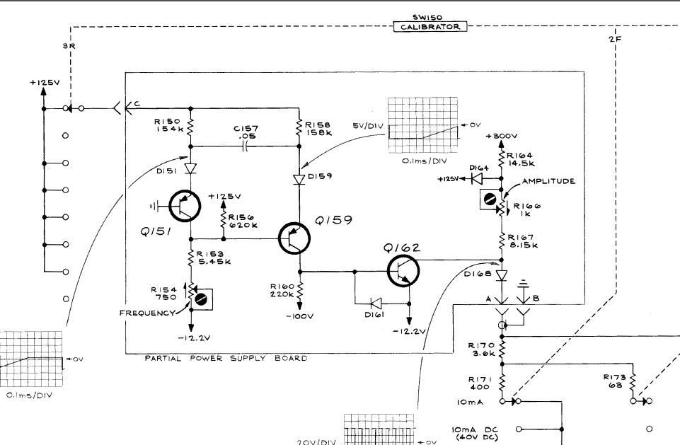
Hello! Az R4191-et kicseréled 47k-ra, kb. 1kHz lesz.
Esetleg megméred a 68nF-ot nem nagyobb-e. A hozzászólás módosítva: Júl 27, 2021
Az egy emittercsatolt multivibrátor, így érhető el a különösen gyors felfutás, amit használhatsz a mérőfej kompenzációjának beállítására.
Köszönöm a tippet! Mérek és cserélek...
Szia!
Ha zavar a kalibrátor pontatlansága, javaslom az öreg 1555 EMG szkóp egységét. Szerintem minden igényt kielégít. Üdv: Gábor
Feltéve ha van a fiókjában egy 4 Khz-es kavarc, ami ma már nem beszerezhető.
Ingyen nem, de 83 Forintért nem lehetetlen ezerszer jobbat venni.
![]() Nekem szerintem van 4 kHz-es is, de nem adom oda...
Az egy 4 Mhz-es kvarc.
A hozzászólás módosítva: Júl 28, 2021
Szia!
Az oscillátor azért kiváltható a mai technikával. Még a 83 Ft-os kristály is jó egy osztóval. Üdv: Gábor
Kiváltható, de minek, szerintem semmi baja nincs annak a kapcsolásnak ami most benne van.
Ami meg jó, azt meg nem kell megjavitani.
Nincsen itten semmi látnivaló, mindenki menjen a dolgára.
Dehát fórumtársunk mindenáron 5% pontossággal akar mérni frekvenciát (időt) amikor az asztalán van egy frekvenciát 0,01 % pontossággal mérni tudó multiméter.
Mint az alkatrésznél. Újonnan 100-as értéket kérek és kapok egy 60 körülit. Nem mindegy. Főleg a mérés technikába. Off lezárva.
Azért ez nem ugyanaz a probléma. Ha egy értéket pontosan szeretnél megadni a méréstechnikába, akkor azt a tűrésével, szórásával együtt kell megadnod.
A mérőeszközödnek is van relatív, és abszolút pontossága, ha a mért értéket szeretnéd pontosan megadni, ahhoz is meg kell adni a mérési eredmény szórást. A méréstechnikában az alap, hogy egy mérés, az nem mérés. A mért értékek között mindíg van, ha kicsi is, de eltérés. nagyjából 10 mérés eredményéből lehet megtudni, hogy mennyi az annyi. Ráadásul egy műszer pontosságát végkitérésre adják meg, amit mindíg át kell számolni a mért (mutatott) értékre.
A szóban forgó TEK-nél teljesen rendben van ha az az 1kHz nem 1kHz, hiszen, a gyártó az előlapon is feszültségértéket tüntetett fel (300mV), és azt, hogy közelítőleg 1kHz a freki, így annak nem kell pontosnak lennie.
Na de, van olyan szkóp ahol nem feszültségértéket tüntetnek fel hanem frekit, annak meg akkor illik minél pontosabbnak lenni, még akkor is, ha szkóp maga egyébként nem egy nagy pontosságú műszer. Meg hát, szerintem nem is néz ki valami jól, főleg egy olyan analóg szkópnál amelyik mondjuk írni sem tud, és a használónak kell az értékeket az osztásokból számolgatni, ha adott eltérítésnél nem lehet a kalibráló jelet a raszterre illeszteni. Szóval nem ördögtől való az, ha szeretne a kérdező egy pontos 1kHz-et a kimenetre varázsolni.
Főleg régebbi szkópokon volt "kalibrált" kalibrátor. Ezzel ellenőrizhetted az időalapot, rendszerint több különböző frekit és amplitúdót tudott, sőt volt olyan is, ami igen meredek felfutású jelet is tudott adni. Ennek főleg az volt az oka, hogy az időalapok megelehetősen pontatlanok voltak, illetve hosszú távon nem stabilak, tehát ellenőrizni kelett. A kalibrátort könnyebb volt pontosra csinálni. Később ez a dolog kikopott, mivel normál esetben nincs szükség az időlap folyamatos utánállítására, illetve a szkóp pontos kalibrálása több eszközt igényelt, mint egy egyszerű pár frekvenciás kalibrátor jel. A mérfej kompenzálásra azonban gyakran van szükség, így ez a funkció megmaradt. Ehhez azonban bőségesen elegendő egy alacsony frekvenciás, viszonylag meredek felfutású jel, amelynek a pontos frekvenciája teljesen érdektelen. Időalap ellenőrzésére nem jó, mert most egy 1kHz-es jellel nagyjából egy két állást tudsz ellenőrizni a sokból.
Néhány szkópnál megmaradt, hogy a kalibrátor frekije változik az időalap frekijével (pl. a Tek 24xx szkópok nagy része), ez arra jó, hogy minden esetben látsz pár periódust a képernyőn, egy gyors ellenőrzés, hogy működik. (Illetve lehetett vele demonstrálni az akkoriban újdonságnak számító automatikus beállítást.) De a mérőfej kompenzáláshoz akkor is alacsony frekin kell használni. Ha mindenáron ellenőrizni akarod az időalapot, akkor akár házilag is össze lehet rakni egy egyszerű time-mark generatort egy kvarcból, meg pár cmos vagy ttl számlálóból összerakott osztóból.
Nekem ez megfelel így ahogy van. Ha építenék, fogalmam sem lenne hogy hogyan építsek pl. valami frekvencia etalont. Azt tudom, hogy kvarccal pl. nem sok értelme lenne, mert mértem kvarcokat és azok is eléggé pontatlanok, szórnak is. Azt tudom, hogy ennek a szkópnak a fekimérője sem pontos, mert más műszerekkel (NF generátor, stb.) kb. ugyanennyi hiba látszik benne, de ugye azok sem etalonok.
Egy szkóp kalibrálásához egy kvarc több mint bőségesen megfelelő. Beállítod a frekijét egy trimmerkondival és esetleg időnként ellenőrzöd. Hőmérsékletfüggése lesz és öregedése. De egy szkóp pontossága ezeknél sokkal rosszabb, tehát bőven jó lesz. Nyilván egy 12 digites frekimérőbe már minimum termosztált kvarcot kell rakni, vagy, ha elég olyan eszközöd van, amihez kell pontos freki, akkor úgyis van egy gpsdo vagy egy rubidium oszcillátor otthon és minden műszer kívülről kapja az időalapot.
A szkópok frekimérője meg sosem olyan jó, mint egy rendes frekimérő.
Szerintem ilyen drága -újonnan- árkategóriákban belefért volna kvarc alapú kalibrálójel, ennek költsége nulla a teljes szkóp költséghez képest.
Ha csak 1 dolláral többe kerül és beszorzod az eladott darabszámmal, máris más leányzó fekvése. És felesleges, mert minek. Nincs rá szükség, erről beszéltünk éppen. A pontos 1KHz-el pont nem tudsz semmi értelmeset kalibrálni max a ms-on állását az időalapnak kb. Ilyen elven lehetne benne rádióvevő is, meg elektromos orgona, mert hátha jól jönnek valamikor.
Egy ilyen szintű szkóp rendes kalibrálásához meg úgyis több eszköz kell, azok pedig pontosak. Pl. ha a Tektronixnál maradunk, akkor nekik ott voltak a TM500-as moduláris műszerekből a PG506 amplitúdó és jelalak kalibrálásra, a TG501 a teljes időalap kalibrálsára, az SG503/504 pedig a frekveniamenet kalibrálására. Ha komoly felhasználó voltál, akkor ezek úgyis ott voltak a polcon és ezekkel ellenőrizted a készülékeidet, mert direkt erre voltak kitenyésztve, tehát pl. megmondják %-ban az eltérést meg hasonló, villámgyorsan és üzembiztosan doglozhattál. A szkóp kalibrátor jele pedig pontosan jó arra, amire való, a mérőfej kompenzálására.
A frekvencia beállító trimert is elhagyták, nyilván a gyártáskor egy beállítás így kimaradhat.
Képen az 564B kalibrátora frekvencia állítási lehetőséggel.
Üdv!
Ismét szegény 1569-es szkópommal van baj. (lassan olyan lesz ez mint a hétfejű sárkány, amint egy problémát megoldok nő a helyére hét másik) Az időalapot beállító soktárcsás de még több állású yaxley ma valamilyen okból úgy döntött hogy ő márpedig nem kapcsoló hanem potméter, nem áll be fix állásokba hanem akár körbe is forgatható. Ahogy látom a pozíciót beállító (és azt limitáló) "nulladik tárcsa" vállt le a többiről, nem forog velük együtt. Ha őt magát forgatom, akkor valamelyest a többi is jön vele de nem mindig. Oldalnézetben nem találtam meg hogy minek is kéne őt rögzítenie, így meg vagyok lőve, azt sem tudom hogy mit kéne megjavítanom. A kiszereléssel és teljes darabokra szedéssel még nem mertem próbálkozni, ezért kérnék tanácsot, hátha valaki tud jobbat vagy biztosabbat mondani.
Ez elég nagy gond, mert elölről is hozzá kell férned a Yaxley fém alapszerkezetéhez, amin az állítható arretáló szerkezet is van. Annak előlapján, a tengely mellett van két pici csavar, azzal tudod rögzíteni az arretáló tárcsákat.
Köszi a gyors válasz!
Előről kicsit nehézkes hozzáférni, nem könnyű kiemelni, mert nagyon kevés a hely mögötte, de biytos megoldható. Először szerelek életemben yaxley kapcsolót (illetve most szedtem szét egy valahonnan kukázott másikat hogy megpróbáljam megérteni), így picit tudnál többet mondani? Jól értem hogy az "arretáló szerkezet" lenne a legelső tárcsa, ami nem kapcsol semmit, viszont ezen van a két végállást beállító pöcök (amelyek helyzete a két csavar oldásával állítható), illetve ez osztja fel a kört különálló kapcsolóállásokra? Illetve ha igen, akkor ezen az arretáló tárcsák mik lennének? A végállást beállítók vagy maga ami együtt forog a többivel? (bár utóbbiból csak egy van) A hiba itt amennyire látom az, hogy ez a legelső tárcsa nem forog együtt a többivel, ezért sem a végállást nem állítja be, sem pedig nem osztja fel a körbefordulást állásokra.
Az jó, ha van ugyanolyan működő darabod, azon gyakorolhatsz. Nekem elég rég volt dolgom ilyesmivel, kissé homályosak az emlékek, nem gyakorlom napi szinten. De ott van kezedben egy másik, azon kitalálhatod, hogy mit, hogyan.
Sajnos nincs, csak messziről hasonlít, viszont ezen része pont olyasmi - két gyűrű amiket az elöl levő két csavar rögzít, ezek adják a végállást, illetve egy tárcsa ami rugóval nyom be egy csapágygolyót a kialakított lyukak egyikébe. (a bontós dobozom többi kapcsolóján ez máshogy volt megoldva, ez hasonlított a legjobban)
Viszont itt sem tudtam rájönni hogy ezt minek kéne rögzítenie a tengelyhez.
A rugós-golyós (van olyan megoldás is, hogy csak rugós lemez) esetében a tárcsákat mozgató tengely vagy lapos, vagy U alakú rúd. U alakú akkor, ha két központos tengely van. Azt hiszem, az időalap kapcsoló is ilyen.
Az U alakú rúd mozgatja a kapcsoló tárcsákat, és a pozícionálót. Lehet, hogy a pozícionáló elgyengült, vagy eltörött a rugója. A rugó emezt a műanyag tartóba két műanyag pöcök rögzíti, az is elengedhetett, és nincs ami a golyókat a helyére nyomja. Az viszont nagy baj, mert teljesen szét kell szerelni a kapcsolót, és egy ugyanilyen pozícionáló szerkezetet kell beletenni. Nem irigyellek.
Nem tudom pontosan mit értest a két központos tengely alatt, de itt két tengely van, mivel ugyanezen a gombon van a finombeállítás is. U alakú rúd van, de csak a pozicionáló szerkezet után kezdődik. A rugó a pozicionálóban jó, odanyomja azt a golyót, csak éppen maga a tárcsa a golyóval jött le a főtengelyről, nem forog együtt a többivel.
Ha így van, akkor lehet, hogy az "U"-t a forgató-tengelyen (ez lehet, hogy csőtengely?) rögzítő csavarocska elengedett. Segítené a diagnózist, ha közeli képet tudnál készíteni.
|
Bejelentkezés
Hirdetés |










