Fórum témák
» Több friss téma |
Mielőtt kérdezel, a következő két dolgot ellenőrizd!
I. A helyes tápfeszültségek megléte.
II. A kimeneten van-e egyenfeszültség.
Élesztés.
Sziasztok!
Meg történt a teszt, a finál tranzisztorok lefogató csavarjainál a hőmérséklet 56 fokos, míg a hűtőborda csak 45 fokos marad max hangerőnél mondjuk ha rajta lesz az erősítő fedele biztosan melegebb lesz benne, ezért gondolkodom egy ventilátor beépítésében is, ami csak egy bizonyos hőfoknál kapcsolna csak be. Az üresjáratnak 50mA-ert állítottam be.
Sajnos nincs szkópom. Azóta a kimeneti DC szintet nulláztam, a nyugalmit pedig a gyári kapcs rajz szerint 12mV-ra állítottam, egyik se volt nagyon elmászva, de a jelenség megmaradt. Bemenet nélkül, nulla hangerőn melegszik. A meghajtók tán még gyorsabban, bár nekik nincs túl nagy bordájuk.
Szia! Az előírt nyugalmi árammal 20 W fűti a bordát, 40-50°C simán meglehet. A TP1-3, TP2-4 helyeken állíts be 4 mV-ot! Ha nem, lesz kásás a hangja kis hangerőn (keresztezési torzítás), akkor így is hagyhatod.
Sajnos ez így is irtó nagy hőt termel. 5 perc után nem lehet hozzányúlni a meghajtók bordáihoz. A végtranyók tovább melegednek, de üresjáraton az a borda is beforrósodik 10-15 perc után
Nézzük az elő életét. Mindig ilyen forró volt a kezdetektől fogva? Vagy korábban nem vettél észre ilyesmit, és csak egy ideje játszik radiátort?
Van multimétered? Letekert hangerő állásban mérj váltót a kimeneten. Ha nem extrém magas frekin gerjed, akkor lehet hogy meg tudod csípni. Ha van váltó feszültség a kimeneten, akkor szinte biztos hogy gerjed.
Ha nem hozott változást a nyugalmi áram drasztikus csökkentése, akkor sajnos szkóp nélkül bajos a hiba feltárás.
A 4-4 kisebb borda a két csatornánál egyformán melegszik? A készülék hátán a feszültségválasztó 240 V-ra van állítva? A doksiban "FOR FTZ ONLY" jelülésű ellenállások és kondik be vannak ültetve? Helyileg a hangszórócsatlakozók alatt vannak és az alkatrészek szaggatott vonallal lennének felfestve a NYÁK-ra.
Nemrég került hozzám javításra, nem ismerem az előéletét. Az alkatrészek úgy néznek ki, hogy ez még nem volt javítva.
Ha a speaker remote gombot kinyomom, akkkr a remote speakers kimeneteken van 6,2 és 2,9 váltó. A gombot benyomva ugyanezen a csatlakozón nincs váltó, itt állítottam a dc-t is megközelítőleg nullára
Ezen feszültségválasztót nem találok, az oldalak egyformán melegednek, a szaggatott vonalas alkatrészek nincsenek benne.
Szerintem ha bevállalsz ilyesmiket javításra, akkor mindenképpen érdemes beszerezned egy oszcilloszkópot, mert az ilyesmit korrektül vakon javítani, hát enyhén szólva is kérdéses.
Például egy ilyen tökéletesen megfelelne. A hozzászólás módosítva: Dec 28, 2021
Sokszor elakadtam már emiatt erősítő témakörben...
Mondjuk volt szerencsém már tanulmányozni az ilyen műszereket, biztosan kell szereznem egyet. Videotonokat sokszor helyrepofoztam enélkül, de ez a Rotel kifogott rajtam. Köszi.
Megpróbálhatsz ideiglenes Zobelt kötni a kimeneti csatlakozókra (10 Ω + 100 nF), ha ez a gyártó fejében is megfordult. Egyrészt a 10 Ω melegedésén konstatálhatod a gerjedést, másrészt akár meg is szüntetheti azt.
A gerjedést nem zárom ki, de nem tudok felidézni olyan esetet, ahol gerjedő erősítőben a nyugalmi áram szabályosan állítható lett volna. Az oszcilláló erősítőben a DMM a nyugalmi áram szabályzó tranzisztor emitterén és kollektorán a ± 1,1 V helyett egészen irreális értékeket szokott mutatni, erre rámérhetnél. Ami a végtranzisztorok meghajtóját illeti, a normál működés során folyó minimum 30 mA-től 1,5 W körül disszipál. Ha a bordát 15 K/W-nak becsüljük, akkor több mint 20°C-kal melegebb lesz a környezeténél, ami tapintásra akár forrónak is érezhető. Minden esetre ez az alkatrész hibátlan működés esetén is feltűnően meleg lesz.
Egyáltalán mi volt a hiba, amivel megkeresett a javíttató, hogy javítsd meg? Csak annyi, hogy meleg?
Aki javíttatni hozta mit mondott, mióta tapasztalja, hogy az asszony ezen süti a rántottát? A hozzászólás módosítva: Dec 28, 2021
Egyébként a neten több fórumon is azt írják, hogy ez az erősítő nagyon forró működés közben, miközben a hangjával nincs gond.
Lehet hogy egyszerűen így lett méretezve. Ha minden mért feszültség stimmel a szervizkönyvben megadottaknak megfelelően, és nem gerjed, akkor valószínűleg ezt így kell szeretni.
Sziasztok!
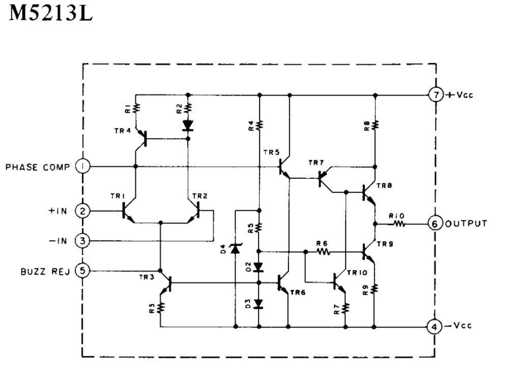
keresek M 5213L Meghajtót Régebbi készülékekben megtalálható előerősítő fokozatokban vagy rádiókban magnókban. segítségeteket előre köszönöm.
ebay-en van, de szerintem nem éri meg.
Csak egy rajzot találtam róla, ez egy műveleti erősítő. Megpróbálhatod helyettesíteni egy dip8-as tokozású erősítővel egy pici öcsi nyákra szerelve.
Köszönöm!
Ezt a rajzot én nem találtam se hasonlót, ebayon én is láttam de kb 10eft lenne itthon. Rajz nagy segítség ! Köszönöm!!!
Sziasztok!
Egy legalább 200W körüli erősítőt szeretnék építeni. Találtam ehhez egy rajzot, amelyet mellékelten mutatnék. Véleményetek a kapcsolásról? Ha valakinek esetleg van ennél jobb megbízhatóbb azt megköszönném.
Ez egy füstbe ment terv lesz így.
KI kell cserélni a végét használható tranzisztorokra.
Sziasztok!
Még mindig kínlódok a t.amp s 150 mk ii-vel . Ugyanis a hiba jobb oldala halkabban szól mint a bal a bekötés mindegy hogy szimmetrikus vagy aszimmetrikus jelet kap. Híd üzem módban viszont jól szól.Mit érdemes megnézni.
Igen végtranzisztoroknak 2N3773 típusra gondoltam.
Esetleg hanyagoljam a kapcsolást, mert füstbe ment terv lehet. ?
Szia! Az áramkorlát úgy el van rajzolva, hogy minden bizalmat megvonnék ettől a kapcsolástól. Nézz be az ST151 témába!
Na azt észre se vettem, pedig tényleg egy emiterrel/kollektorral távolabbra kellene kötni, mondjuk katasztrófa nem lesz belőle így, csak szinte rögtön lekorlátozza a kimenő teljesítményt...
Szia!
Köszönöm a választ a rajzzal kapcsolatban. ST151 rajzot fel is lapozom.... ... Minden hozzászólást igaz nem olvastam el de érdekelne, hogy arányosan teljes kivezérlésnél 250W kivehető 4Ω-on a kapcsolásból? Akkor lehet, hogy megépítésre kerülne. Köszönöm az eddigi hozzászólásokat mindenkinek. A hozzászólás módosítva: Dec 30, 2021
Itt kizárólag a hőtermelés volt az ok. Az illető megvette, elkezdte használni csendes szobai hangerőn, és a torony legtetején, majd negyed óra múlva tűzforró volt az egész.
Mondtam, megnézem, de sejtettem, hogy nem egyszerű, jobban szeretem, ha valami tönkremegy... Ez szól nagyon, meg szépen is. Én kihajtottam 8 ohmon, figyeltem a hőt, de nem melegedett jobban teljes kivezérlésen. Más erősítőknél nem tapasztaltam ilyent még. Volt már ilyen nálam, meg más Rotel is, bemenetválasztó kontakthiba, poti serceg, leégetett végpárok, meghajtók, stb..., egyik se volt ilyen tüzes még 100%on kihajtva sem. Érdekes, csakhát szkóp nincs, ez megy vissza a feladónak, majd ha valami kiég benne, könnyebben nyomozok
Az ST151 100-400 W közötti teljesítménye a tápfeszültségen múlik. Természetesen az alkatrészek terhelhetőségét ehhez hozzá kell igazítani.
Ami mellette szól az a kipróbált NYÁK-terv és a gazdag építési tapasztalat. Milyen célra építed ezt az erősítőt?
Gitár és dob néha billentyűshöz, de előfordulhat zenei anyag ha ahhoz van hangulata az embernek.
Szóval majdnem mindenre. A felépítését kialakítását is úgy szeretném megvalósítani. Első körben híd kapcsolásra gondoltam de amit írtál, hogy 400W körüli teljesítményű is van a palettán az elegendő lenne. Már csak a meglévő adott hangsugárzók miatt sem lépném túl a teljesítményt. Elkapkodni nem akarom.
Köszönöm a linket... át is néztem.
Jooóó! Nem is keresgélek a neten, Marshall-t néztem hasonló teljesítménnyel. Több technikai infó van az ST151-röl. Valószínű ez lesz a kiszemelt áldozat ![]() Kérdésem lenne, hogy panel rajz van ehhez a kapcsoláshoz vagy jobb ha nekiállok... ? Köszönet, további szép estét. Boldog új évet mindenkinek! A hozzászólás módosítva: Dec 31, 2021
|
Bejelentkezés
Hirdetés |













