Fórum témák

» Több friss téma
Fórum » Elektronikában kezdők kérdései
- Ez a felület kizárólag, az elektronikában kezdők kérdéseinek van fenntartva és nem elfelejtve, hogy hobbielektronika a fórumunk!
- Ami tehát azt jelenti, hogy a nagymama bevásárlását nem itt beszéljük meg, ill. ez nem üzenőfal!
- Kerülendő az olyan kérdés, amit egy másik meglévő (több mint 17000 van), témában kellene kitárgyalni!
- És végül büntetés terhe mellett kerülendő az MSN és egyéb szleng, a magyar helyesírás mellőzése, beleértve a mondateleji nagybetűket is!
Lapozás: OK   3708 / 4057
(#) Kovidivi válasza Krisztoszteron hozzászólására (») Ápr 4, 2022 /
 
Én 2db (!) sorbakötött glimm-ről és a velük sorbakapcsolt 110k ellenállásról írtam. Mert ugye egy tranzisztorral akarsz 2db glimmet hajtani. Vagy beraksz minden glimm lámpának egy 220kOhm-os előtét ellenállást. Viszont a glimmek sorba kapcsolása (ha van elég feszültséged) jobb hatékonyságú!
A hozzászólás módosítva: Ápr 4, 2022
(#) vladcepes hozzászólása Ápr 4, 2022 /
 
Sziasztok!
Kérhetnék egy kis segítséget? Itt ebben a rajzban rajz A C3-C4 ,illetve a Kvarc milyen értékű? Válaszokat köszönöm!
(#) habazutty hozzászólása Ápr 4, 2022 /
 
Sziasztok!

Lenne egy elméleti kérdésem.
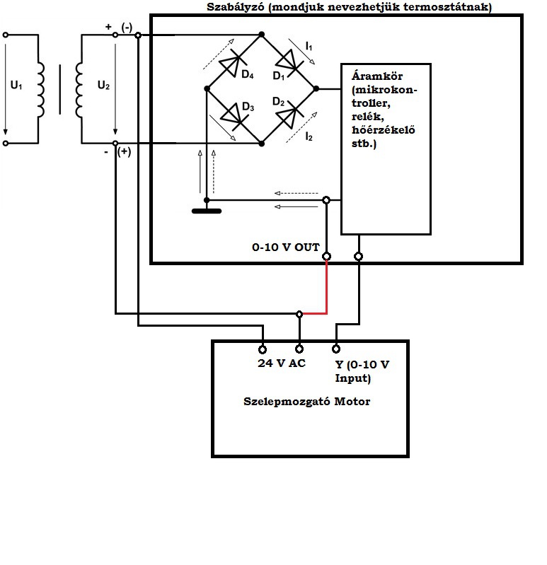
Adott 24 V AC feszültség mely megtáplál egy szelepmozgató motort és egy áramkört ami 0-10 V-al vezérli a motort. A motor GND-je (AC 0 pontja) a 10 V os vezérlőfeszültség vonatkoztatási pontja. Ha a vezérlőáramkörnek a 24 V váltóból Greatz hídon keresztül oldom meg a táplálását, akkor lényegében összekötésre kerül az egyenirányított feszültség GND-je a táptrafó egyik kivezetésével (mert a szelepmozgató a betáp egyik pontja és az Y bemenete között értelmezi a 0-10 V feszültséget), így a greatz egyik diódája kvázi kiiktatásra kerül.

Biztos van egy triviális magyarázat, de én nem jöttem rá.

Előre is köszi a segítséget.
(#) kadarist válasza habazutty hozzászólására (») Ápr 4, 2022 /
 
Szia! Ez nem kiiktatás, hanem zárlat. Találj ki más megoldást.
(#) habazutty válasza kadarist hozzászólására (») Ápr 4, 2022 /
 
Azt gyanítottam, hogy nem jó. Meg lehetne oldani egyutas egyenirányítással, csak gondoltam valaki tudja mi a megoldás greatz-el. A gyári készülékekben vajon hogy oldják meg. Galvanikus leválasztással?
(#) proli007 válasza habazutty hozzászólására (») Ápr 4, 2022 /
 
Hello! Ha jól értem, a gondod az, hogy a tápláló 24V váltó és a vezérlő 0..10V jel egy pontja közös, Te pedig egyenirányítanád a 24V váltót. Megoldás lehet egy különbségképző áramkör.
(#) habazutty válasza proli007 hozzászólására (») Ápr 4, 2022 /
 
Szia!

Nem egészen erre gondoltam. A motor és a saját meghajtó a 24 V AC tápot kap és a 0-10 bemenetének a nulla pontja a 24 V AC egyik pontja. Ez gyári szerkezet, egy szelepmozgató. Ha ehhez készítek egy vezérlést ami, (több más funkció mellett) kiadja a szükséges 0-10 V ot, de a tápját a motort is tápláló 24 V-ról oldom meg egy greatz egyenirányítással, ott lehet gubanc, mert a már egyenirányított és nem egyenirányított táp feszültségek egy-egy pontját össze kell kötni. Erre van-e megoldás?
(#) proli007 válasza habazutty hozzászólására (») Ápr 4, 2022 /
 
Nem egészen értem mit szeretnél. Mert az elején azt írod amit én. Ha pedig külön áramkört használsz, akkor azt a 24V egyenirányítottból ugyan úgy meg lehet táplálni, mint ahogy az ábrán láthatod hogy én hogy tápláltam meg az OPA-t. Ha pedig a segédáramköröd tápja független a 24V-tól, akkor úgy kötöd össze ahogy akarod.
De ha nem rajzolod le tisztességesen, amit elkövetnél, akkor sosem fogunk rájönni..
(#) habazutty válasza proli007 hozzászólására (») Ápr 4, 2022 /
 
Megpróbáltam kicsit másképp rajzolni.
Tulajdonképpen a pirossal jelölt átkötés az érdekes. Ez kell ahhoz, hogy tudja mihez viszonyítani a szelepmozgató elektronikája a bejövő 0-10 V-ot, vagy nem kell? Ha kell, akkor az egyik diódát kisöntöli a greatz-ből...

Remélem így érthetőbb mire gondoltam.
(#) moltam válasza habazutty hozzászólására (») Ápr 4, 2022 /
 
Két szekunderes trafó kell, ha tényleg az ac bemenet egyik pontja az y bemenet testje. Biztos ac kell neki?
(#) habazutty válasza moltam hozzászólására (») Ápr 4, 2022 /
 
Igen, de DC is lehet. Legalábbis annál amit néztem. Nyílván DC-nél nincs ilyen gond, csak ezeket AC ben használtuk eddig gyári vezérlőkkel, mondjuk PLC vagy dedikált hűtésvezérlő. Ez pedig egyedi lenne.
(#) kendre256 válasza habazutty hozzászólására (») Ápr 4, 2022 /
 
Ha az áramköröd (mikrokontroller, relék, hőérzékelő stb) nem túl nagy áramfelvételű, és valószínűleg van stabilizátora, akkor esetleg a graetz helyett lehetne egy sima egyutas egyenirányítás is... Ekkor lehet, hogy nem volna probléma a váltó és a vezérlő egyenfeszültség közös földelése (bár nem tudjuk, hogy mi van a szelepmozgató motor nevű dobozban...)
(#) proli007 válasza habazutty hozzászólására (») Ápr 5, 2022 /
 
Most már érthető, hogy Te "visszafelé" szeretnéd vinni a 0..10V vezérlő jelet. Akkor csak két megoldás lehet. Első és legkézenfekvőbb, amit Endre ajánl. hogy egyutas egyenirányítót használsz, így megmarad a táp közös kimeneti pontja a váltóval.

A másik, hogy galvanikusan elválasztod vagy a tápfeszültséget, vagy a vezérlő jelet a táptól.
Tehát pld amit Tamás ajánl, hogy trafós elválasztást használsz. Pld 24V/24V-os trafót használsz. (Mert nyilvánvaló, hogy a 24V váltó lesz az egész rendszer "hálózata", tehát a uC redszernél, sem a 230V, sem másik 24Vac nem fog rendelkezésre állni.) Esetleg galvanikusan elválasztott kapcsolóüzemű tápot jelentene. Ami szintén trafó, csak nem kisfrekvenciás.

Utolsóként pedig a 0..10V vezérlőjel leválasztása. Pld. a uC PWM kimeneti jelet használsz (úgy is az van neki) és optocsatolóval leválasztva a 24Vac oldalon ebből állítod elő a 0..10V vezérlő jelet. Ez a legmacerásabb és alkatrészigényes.

De több mint valószínű, mivel kicsi a terhelési igénye a relé/uC áramkörnek, egyszerű és elégséges az egyutas egyenirányítás.
A hozzászólás módosítva: Ápr 5, 2022
(#) szidom válasza vladcepes hozzászólására (») Ápr 5, 2022 /
 
Üdv!
A c3 Puffer kondi, gondolom minél nagyobb annál jobb, persze ésszerű kereteken belül 470- 10000 mikró.
A C4 szűrő kondi én 100 nanot használok 78xx sorozathoz.
A kvarc egy RTC modulon van az RTC modul határozza meg, én eddig csak olyat láttam amin óra kvarc van 32768 kHz.
(#) habazutty válasza kendre256 hozzászólására (») Ápr 5, 2022 /
 
Végülis valószínűleg ez lesz a megoldás.
(#) habazutty válasza proli007 hozzászólására (») Ápr 5, 2022 /
 
Igen, erre gondoltam. Az egyutas egyenirányítás lesz valószínűleg a nyerő.
Esetleg, ha van kapcsolásod az opto-s megoldásra az még érdekes lehet.
(#) vladcepes válasza szidom hozzászólására (») Ápr 5, 2022 /
 
Üdv!
Rendben. Igen ez egy órához kell, Köszönöm!
(#) Epu2 válasza habazutty hozzászólására (») Ápr 5, 2022 /
 
Egy tápegységen kellene a motort és a vezérlőt is működtetni és nem lenne gond a közös negatív.
(#) proli007 válasza habazutty hozzászólására (») Ápr 5, 2022 /
 
Rajzolhatnák is, de kapni is lehet. Pld..
(#) Udvari Zsombor válasza oszitrek hozzászólására (») Ápr 5, 2022 /
 
Támadt egy furcsa ötletem:
Találtam egy régi vasalót, amiben csak mechanikus bimetál kapcsolgatja a fűtőszálat, ehhez hasonló, de a műanyag gomb már nincs rajta a tengelyen ‒ kimérve (átsípoltatva) jónak tűnik, fém házra nem vezet át, tekerésre kapcsol.
Nos, az ötletem az, hogy vajon működne-e, ha rátenném a panelt a felfordított vasalóra, hogy kijöjjön belőle az aljzat? Természetesen nem szeretnék kárt tenni a melegítéssel az alaplapban...
(#) Jonni válasza Udvari Zsombor hozzászólására (») Ápr 5, 2022 /
 
Ki szeretnél forrasztani valamit ? A vasaló ehhez kevés lessz. Egy izmosabb rezsó talán már megfelel.
(#) antiktelefon válasza Udvari Zsombor hozzászólására (») Ápr 5, 2022 /
 
Egy hete rugózol ezen, fogj egy másik lapot, ami nem kell és hajrá. Teszteld.
Senki nem mondja meg, elég lesz-e. Szerintem sovány lesz, de ha fel tudod melegíteni 140 fok köré a nyákot, ki fog jönni.
(#) Udvari Zsombor válasza antiktelefon hozzászólására (») Ápr 5, 2022 /
 
Nem tudom, hogy egy ilyen békebeli vasaló mennyire tud felmelegedni, ha maximumra tekerem...
(#) antiktelefon válasza Udvari Zsombor hozzászólására (») Ápr 5, 2022 /
 
Nem csak a hőfok, a hőátadás és hőveszteség is számít. Ha már nagyon barkácsolni akarsz akkor egy 500W-os halogén fényvető biztos elég lesz, de annál óvatosnak kell lenni, mert nagyon könnyen túlmelegíti. De ha már úgyis gányolás, akkor ésszel egy hőlégfújóval is lehet melegíteni, csak mozgasd folyamatosan és ne vidd 15 centinél közelebb.
(#) Udvari Zsombor válasza antiktelefon hozzászólására (») Ápr 5, 2022 /
 
Sajnos nincsen itthon barkács hőlégfúvó...
(#) habazutty válasza proli007 hozzászólására (») Ápr 5, 2022 /
 
Ez jól néz ki! Köszönöm!
(#) Udvari Zsombor válasza Jonni hozzászólására (») Ápr 6, 2022 /
 
Lehet "szörnyülködni", rajta áll a maximumra tekert vasaló az alaplapon! Szépen kattangat benne a bimetál, probléma nincs, csak bekapcsolás után melegítődött ki a por a vasalóból.
Később leírom majd, hogy sikerült-e így egyáltalán...
(#) Kari55 válasza Udvari Zsombor hozzászólására (») Ápr 6, 2022 /
 
Szerintem ez így nem sokat ér mert csak az alkatrészek lábainak a hegyét éri a meleg.
(#) Udvari Zsombor válasza Kari55 hozzászólására (») Ápr 6, 2022 /
 
Szegény vasaló itt izzad, az alaplap pedig ugyan meleg lett, de nem eléggé...
(#) pipi válasza Udvari Zsombor hozzászólására (») Ápr 6, 2022 /
 
Én bontottam a gáztűzhely felett panelt (amiért már nem volt kár) - az asszony nem volt boldog, aztán kemping gázmelegítő felett...
Következő: »»   3708 / 4057
Bejelentkezés

Belépés

Hirdetés
XDT.hu
Az oldalon sütiket használunk a helyes működéshez. Bővebb információt az adatvédelmi szabályzatban olvashatsz. Megértettem