Fórum témák
» Több friss téma |
- Ez a felület kizárólag, az elektronikában kezdők kérdéseinek van fenntartva és nem elfelejtve, hogy hobbielektronika a fórumunk!
- Ami tehát azt jelenti, hogy a nagymama bevásárlását nem itt beszéljük meg, ill. ez nem üzenőfal! - Kerülendő az olyan kérdés, amit egy másik meglévő (több mint 17000 van), témában kellene kitárgyalni! - És végül büntetés terhe mellett kerülendő az MSN és egyéb szleng, a magyar helyesírás mellőzése, beleértve a mondateleji nagybetűket is!
Üdv!
Szerintem neked komparátor kapcsolásra van szükséged.
Egy fontos információ hiányzik a kérdésed megválaszolásához, a vezérlő feszültség jellege analóg gyengén változó, vagy digitális logikai szintű változó?
Előbbihez mindenképp jelformálás is szükséges megfelelő hiszterézissel, másodikhoz elég egy (esetleg kettő) FET, pár passzív alkatrésszel, vagy egy kész SSR a megfelelő előtét ellenállással vagy Z diódával beállítva a kapcsolási küszöböt ha szükséges... A hozzászólás módosítva: Ápr 23, 2022
Lehet persze. MOSFET-tel. Ha így rákeresel, Google a barátod.
A hozzászólás módosítva: Ápr 23, 2022
Hello
Mennyi lenne az a feszültség (AC?DC?) ahol kapcsolni kéne a motort? A motor hány voltról működik? Ha tudnánk az adatokat azt mondanám elég lehet egy MOSFET is
Sőt, ha eleve ott kezdte volna, a fórum sem kellene.
Analóg, 0-ról megy felfelé, 12V lenne, az elméleti kapcsolási feszültség, de jó lenne, ha lehetne állítani!
Itt van két verzió, az egyik N a másik P csatornás tranzisztorral működik. Érdemes lehet inkább fetet használni, az kevesebbet fogyaszt. Azt is figyelembe kell venni, ha a vezérlő fesz meghaladja a tápfeszt, akkor ellenállás osztót kell alkalmazni ennek elkerülése véget.
A potméter a küszöbfeszültség beállítására szolgál. A műveleti erősítő másik bemenetére kell tenni a vezérlő feszültséget, ha szükséges megfelelő leosztással. IC -nek mindenképp schmit trigger kivitelűt kell választani. Az IC adatlapján az is benne van hogy kell visszacsatoló ellenállással hiszterézist alkalmazni. A relé helyére mehet a motor, de a védődiódát érdemes megtartani, nagyobb terhelhetőségű lehet. Megfelelő terhelhetőségű fetet is kell választani ami bírja a motor áramát, és hűteni kell. N csatornás félvezetővel... P csatornás félvezetővel... Keresőkifejezések.: voltage level switch with hysteresis schematic és hasonlók. A hozzászólás módosítva: Ápr 23, 2022
Köszönöm szépen, majd még megpróbálom értelmezni amit írtál, mert pár dolgot ki kell szótáraznom, meg majd további kérdések is felmerülnének, például, hogy ennek is a tápfeszültsége a változó 0-12V-ból jönne, az okozhat problémát?
A 5V-hoz ha beteszek elé egy buk-ot, vagy lm7005 vagy mi a száma, nem emlékszem már feszültség stabilizátort?
Akkor jó, ha nem megy a változó feszültség az IC és a FET bekapcsolásához szükséges érték alá. Ebben az esetben mindenképp logikai szintü FET -et kell választani, ami már 4-5V vezérlésre is reagál. A feszstabilizátor lehet 78L05 ami 100mA -ig, vagy 7805 ami 1A ig terhelhető.
Ezeknek kb 2-3V al nagyobb feszültség kell mint a kimeneti feszültsége, vagy kereshetsz úgynevezett LDO stabilizátort is. De ha amúgy is ott van a motornak a tápfeszültsége, ami (gondolom) stabilabb, érdemesebb volna arról táplálni, ha szükséges akár szintén stabilizátor után.
Hello! Bocs hogy beleszólok, de számomra legalább is nagyon zavaros ez a dolog.
Nem lenne észszerűbb ha egyszerű szavakkal leírnád a szándékodat, mit is szeretnél mivel? Mert a motor feszültségről nem szóltál, induláskor az áram akár 5..10-szerese is lehet a névlegesnek. És valahogy az jön le, hogy a "változó" 0..12V-bólműködtetnéd magát az áramkört is? Mert az abszurd.. És a hiszterézist is meg kell határozni. Ahhoz hogy valamit komparálj, (összehasonlíts) kell valami referencia, aminek állandónak kell lenni. Különben értelmetlen a dolog.
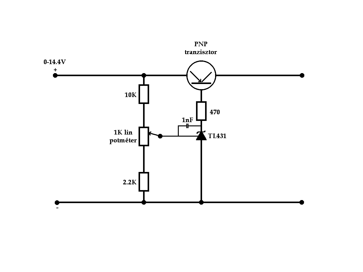
Ha jól értem, olyasmit szeretnél:
Van egy olyan feszültségforrásod, ami nem mindig 12V, hanem sokszor alatta, de ha eléri a 12V-ot, akkor kapcsoljon be csak a motorod (például egy lemerült, de töltés alatt álló akku ilyen lehet) Hasonló áramkört csináltam Zenerrel és NPN tranzisztorral, működött is, 12V-nál átváltott piros LED-ről sárga LED-re, feszültségcsökkenéskor visszaváltott. (sőt, további LED-ek is voltak, a növekedő feszültség kijelzésére. De nem lett magasabb feszültségnél oly pontos, mint vártam, hát felhagytam vele) feszültségjelző Azonban most gondoltam egyet (az írásodtól felvillanyozva), és rajzoltam egyet TL341-el. Ez mondjuk csak "fel"kapcsol, nem vált. Majd kipróbálom ezt is. A hozzászólás módosítva: Ápr 24, 2022
Sziasztok
NEC D780973GF vezérlő IC-hez keresnék lábkiosztást. Átnéztem egy fellelhető kb400 oldalas pdf-et amit a google kidobott rá, de nem láttam benne.
Szia, itt egy másik datasheet, 25. oldalon ott a pinout.
datasheet
Azért nem írtam le, hogy mihez kell, mert akkor előjön mindenkiből az igényes megoldásokat szerető műszerész, és olyan kapcsolást szeretnének csinálni, amit én nem szeretnék, és nem akarom bonyolítani, szeretném kipróbálni a leg primitívebb működő megoldást.
Olyan ez, mint a napkövető megoldások, mindenféle ic, meg opto csatoló, meg ki tudja mit bele buherálnak a hozzáértők, hogy minden igényt kielégítsen, és elbonyolítják! Nem mondom, hogy ez az igényes megoldás, de láttam egy figurát, aki két kis napelemből és egy áttételezett motorral megoldotta kb 5 alkatrészből az egészet! Nekem ez az elképzelésem! Nem tett bele semmi invertáló, komparáló elemet. Primitív fundamentális módon oldotta meg az egészet. Ugy, hogy ha az EMP megcsapja, akkor is megy tovább. Amit én szeretnék, az annyi, hogy van két vezeték, amin vagy jön áram, vagy nem 0-18V ig. Azt szeretném elérni külső áramforrás és akkumulátor nélkül, hogy amikor 12V feszültséget eléri a rendszer, akkor kapcsolja rá a motorra! Szerintem az is működne, hogy ha rákötném direktbe a motorra, és elindul, amikor elindul, csak ezt nem látom jó megoldásnak a motor szempontjából. Egy relé is megoldás lenne szerintem, ami 12V-nál meghúz, csak az is zizegne folyamatosan, meg a vesztesége nagyobb lenne. Ezt szeretném diszkrét elemekkel megoldani.
Köszönöm.
Ez nagyon primitív megoldás! Pont ilyesmit szeretnék, 12V-nál elkezd vezetni, ha alá megy, akkor meg nem vezet.
Oké, de ha nem mondod el, mit szeretnél, akkor hogyan segítsen az, aki nem tudja mi a feladat és a követelmény?
Mert lehet hogy Te "primitív megoldást keresel", de akkor is vannak követelmények. Pld. a hiszterézis. Mert amikor a motort a napelemre kapcsolod, le fog esni a feszültség. Ettől az egyből kikapcsol. Pontosabban nem is ki fog kapcsolni, hanem szabályozni fog. Így a meghajtó tranyó fűteni fog mint a veszedelem. Pld ezért nem mindegy hogy áll össze a kapcsolás. És tudni illene, mennyire fog visszaesni a motor áramától a napelem feszültsége. Mert ha nincs hiszterézis akkor szabályozni fog, ha kicsi, ki-be fog kapcsolgatni. De azzal, hogy nem osztasz meg információkat, nem lesz egyszerűbb egy kapcsolás, csak félrevezeted a segíteni szándékozókat. De ez a Te dolgod..
Amit az interneten látsz, annak a tizede sem igaz. A cél bevétel, ami a nézettségből következik.
De az interneten is cserélnek kondenzátorokat, mint köztudott.
![]() Erre külön van 404 -> Púpos elkó smile.
Úgy gondoltam, hogy azt leírtan, vagy nem?
Van egy 0-18V közt ingadozó feszültség, amire egy DC motor van kapcsolva, kb 18-20W Azt szeretném, hogy az elektronika akkor kapcsolja rá a feszültséget a motorra, ha az meghaladja a 12V-ot. Ennyi lenne amit szeretnék! Nincs akkumulátor, nincs más áramforrás a rendszerben, csak az ingadozó 0-18V-t, ebből kell mindent megoldani. Egy elektronikus relét szeretnék, ami 12V-nál meghúz, addig meg csak zizeg. Mi kellene még információban ehhez? Nem tű pontos atom stabil kapcsolást szeretnék, bőven jó, ha 11-14V közt valahol rálöki a tápot a motorra.
Sziasztok!
Találtam egy érdekes projektet az interneten: Bővebben: Link Egész jól le van írva minden, egyedül a transzformátor részletesebb információira nem tér ki a leírás. Van nekem egy nagy dobozom, tele hibás fénycső előtét panelokkal. Mindegyikben van legalább egy, de némelyikben több kis nyák trafó. Remélhetőleg találok olyat, amilyen nekem jó lenne, vagy esetleg áttekerem az egyiket, hogy megfeleljen. Valaki tudna tippet adni, milyen transzformátort használhat? Előre is köszönöm a segítséget!
Sziasztok!
Tudna valaki ajánlani egy olyan működő kapcsolást, ami egy 230v-os Ac motort kapcsolna? Az lenne a lényeg,hogy egy nyomógombbal be-ki tudjam kapcsolni a motort és az teljes fordulaton forogna, majd ha egy másik nyomógomb, amit ha megnyomok, akkor le venné a fordulat számot felére és bekapcsolna kijelzésnek ekkor egy led is. Vagyis 2 nyomógombot kellene tartalmaznia. A motort valami triaccal kellene kapcsolni,ha megoldható, a teljesítménye max 150W,szénkefés motor. Ilyen Előre is köszönöm.
Találtam ezt a projektet, és az az egyszerű kérdés, hogy megépíthető-e "Arduino Pro-Micro" verzióval is? Az sokkal olcsóbban kijön.
A hozzászólás módosítva: Ápr 24, 2022
Miért jön ki olcsóbban?
Vagy máshonnan nem mersz vásárolni csak a "szent" helyről? ITT se olcsó, de olcsóbb mint amit Te linkeltél.
Bemásolod a kódot az IDE -be, az alaplapot beállítod a pro micro -ra, és lefordítod.
Ha lefordul hiba nélkül, akkor működik. De ez 3800 ért is drága szerintem... A hozzászólás módosítva: Ápr 24, 2022
Most nézem, és jól látom, hogy a "Pro-Micro"-nak nincsenek digitális lábai??
Ehez bármilyen triakos kapcsolás megfelel, amit a neten találsz. A potmétert kicserélheted fix értékű ellenállásra. Kell hozzá egy relé amit az egyik gombbal öntartó módba "kapcsolsz", ekkor kisöntöli a sebességbeállító ellenállást, és maxon forog. A másik gomb egy szakító, amivel a relét öntartásból "kikapcsolod" ilyenkor a sebesség beállító ellenállás az áramkörbe kapcsolódik, és a választott sebességen forog...
Már hogy a fenébe ne lenne? A világoskék mind az. A zöld meg analóg.
Amin mindkettő szerepel, az meg választható igény szerint. Keress adatlapot hozzá. Ha valami még nem világos, fordulj az arduino témába szerintem... A hozzászólás módosítva: Ápr 24, 2022
Én itt a második képet néztem, nincsenek a kivezetések úgy megjelölve, hogy "D1, D2, stb.", így nem tudom a kapcsolási ábrával (innen) összeegyeztetni, hogy melyik láb melyik. Viszont a harmadik képen rendesen vannak "D1, D2, stb." jelölések, csak azt nem tudnni, hogy a második kép szerint melyik a bal és jobb szélen lévő lábsor, a "JP6" vagy a "JP7"?
(Ha nem sikerül értelmeznem, legfeljebb Arduino Nano lesz a rendelésben.) |
Bejelentkezés
Hirdetés |












