Fórum témák
» Több friss téma |
Felrakom a kapott képeket, hátha más is szeretne hozzászólni. Szerintem nem eredeti a tekercs, javították, ki tudja mit hová kötöttek, egyáltalán üzemképes lenne-e, ha igen milyen séma alapján.
Így azután a szabályzóra sem lehet mit mondani, mérni kellene üzem közben a tekercseket, oszcilloszkóppal hamar meglenne a hiba oka. Így csak találgatás sajnos.
A tekercs eredeti kínai,2db-ot vettem belőle, most csomagoltam ki a 2.-at mielőtt elküldtem a képeket.
Ugyanilyen van a motorban is,annak olvadt le a kivezetése és a testelése is eredeti.Én csak beépítettem összekötöztem nem változtattam rajta semmit. De azért köszönöm, hogy szántál rám idöt.
Ha eredeti, akkor egy-kettő mérést még meg kellene ejteni, ha van ellenállásmérőd. Bármelyik sárga kivezetés, és a test között milyen értéket lehet mérni? Nem a számszerűség fontos, hanem például végtelen nagy, vagy közel rövidzár kimutatása a cél. Ugyanezt a három sárgán egymás közt is el kellene végezni. Azért erőltetem, mert így képet lehetne kapni a tekercsek összekötéséről, amiből már lehet egxértelmű következtetéseket levonni a szabályzó vonatkozásában is. Például egy sima háromfázisú tekercs kezdetei össze vannak kötve és el vannak szigetelve mindentől, a végek mennek a három sárgára. (ez a csillagpontos kapcsolás). Ha deltában vannak a tekercsek, akkor a kezdetek és a végek is össze vannak fázishelyesen kötve , de nincsenek testelve ekkor sem. Ha mégis lehet mérni a kivezetések és a test között alacsony ellenállásértéket, akkor nem háromfázisú a tekercselés, de a szabályzó olyan kivitelű...
bármelyik sárga és a test között végtelen,egymás közt 1,1 Ohm mindhárom esetben.
Akkor háromfázisú a generátor tekercselése, és nem is testzárlatos. Idáig rendben van. Ha jobban megnézed megtalálod a közös csillagpontot is, általában kettő egymásmelletti szegmens közé van "begyömöszölve", rajta van egy darab szigetelőcső is. Így viszont a testre menő vezetéket vissza lehet kötni, nem okozhat zárlatot. Marad a szabályzó hibája. Mérni kellene ott is dióda állásban mindhárom sárga és a zöld vezeték közt. Műszer+ a testre (zöld kivezetés a szabályzón) a sárgára a -. Feltételezem digitális multimétered van, ekkor a piros vezetéket kell a V,A ohm feliratú hüvelybe dugni. Ha jó a szabályzó, akkor 400-600mV körüli értéket kell mutatni a kijelzőnek dióda állásban, ha zárlat van, akkor sípol... Folyt. köv.
A hozzászólás módosítva: Júl 25, 2022
sajnos mindhárom sárga vezetéknél sípol.Digitális, Voltkraft M-3650B multiméterrrel mérve
Akkor totál zárlat. Gondolom,bontott volt a szabályzó.
A hozzászólás módosítva: Júl 25, 2022
Még annyit hibamegelőzés gyanánt: az ilyen típusú szabályzókat akku nélkül nem szabad üzemeltetni, mert túlhevülnek, és a tirisztorok zárlatossá válnak.
Az még nem is tragédia hogy csak volt, de azt sem tudom, hogy milyen lesz helyette.
Nem hiszed el, de a shopokban halvány lila gőzük sincs az eladóknak a termékekkel kapcsolatban. Mindig az a kérdés hogy milyen robogóhoz lesz.Szerintem nem nagyobb a teljesítmémye 100w-nál. Tehát méretileg kisebb is elég lenne,szerintem ez nagy volt hozzá.Rendelek néhány típust a netről, nem nagy összeg,valamelyik majd jó lesz.
Nem volt az nagy hozzá, de valószínűleg már akkor rossz volt amikor felszerelted. A háromfázisú szabályzók melegszenek erőteljesen, így minél nagyobb tokba van szerelve, annál több hőt tud leadni, ezt az új vásárlásakor szem előtt kell tartani. Egy nagy teljesítményű szabályzó sem teszi tönkre a kisebb teljesítmény leadására tervezett generátort, mert csak akkor avatkozik be amikor a gerjesztett feszültség túllép egy biztonságos határt, az alatt csak a töltés, és a világítás által igényelt áramot egyenírányítja. Afölött az épp aktuális tekercset zárogatja testre, ekkor jön létre a melegedés túlnyomó része. De ez már régebben ki lett tárgyalva, ha van időd tanulmányozd a topicot.
A kínai milyet ajánl az általa küldött tekercshez?
A fesz. szabályzót meg szoktam tapogatni kb.20-30km megtétele után,de soha sem éreztem, hogy a bordák hőmérséklete a testem hőmérsékleténél melegebb lett volna. Talán ez is egy jele annak, hogy a szabályzó esetleg nem működött megfelelően.Nem gondolom, hogy a generátor csak annyit termelt, amennyi az aktuális fogyasztóknak pont elég volt.Hogy a kínai milyent ajánl azt nem tudom, de hogy a magyar webshop milyent azt az ábra mutatja. Környékünkön is van egy üzlet, de ott sem tudtak semmilyen megvásárolni kivánt alkatrészről sem infot adni. Ami sejtésem van ezekkel kapcsolatban az mind a német oldalakról származik. Mex, -sokat segítettél, hálásan köszönöm!
Egy jó ismertetőt lehet a linken találni a kétkerekűek gyújtás és az akkutöltés rendszereiről. A gyári megoldások mindegyike a söntszabályzást részesíti előnybe, nem véletlenül!!!
Bővebben: Link
Egy elavult rendszerhez, elavult szabályozó. Nemsokára a múlté lesz. Én már túlléptem ezen, 5 éve.
Áhhhh.
Ez csak a Te félresikerült meggyőződésed. Komolyabb fogyasztásnál nem kerülhető meg, és nagyobb összegbe fogadnák, hogy még jópár évig használatban marad...
Pontosan úgy van, ahogy írod. Komolyabb fogyasztás? Minek? Jó pár évig megmarad az elavult technika, ez is igaz. Szerinted a ledesítés félresikerült meggyőződés? Nem én találtam ki, már mindenhol alkalmazzák, az energiazabáló "komolyabb" fogyasztás helyett. Pontosan a halogénizzók, meg a söntszabályozók okozzák azt a túlfogyasztást, amik megtermelése felesleges.
Még most sem érted...
A söntszabályzók megkerülése helyett egyszerű áteresztős stabilizátorokat, meg mindenféle határesetre méretezett amatőr cuccot használni balesetveszélyes. A söntszabályzó terhel az igaz, de nem teszi lehetővé a túlfeszültség keletkezését, nem megy tönkre az akku, és az utána következő áramkörök sem haláloznak el túlfeszültség miatt egyik pillanatról a másikra. Egy helyhezkötött stabil generátornál más az elvárás, mint egy nagyteljesítményű motorkerékpárnál.
Húha, ez meredek!
Balesetveszélyes? Mitől? Akkor kicsit számoljunk. Egy átlagos motor világításához max 8W elegendő. Az akku töltéséhez max 12W (lemerült akksinál). Ez 20W, amit egy 36W-os egyenirányító-DC-DC konverter simán kiszolgál. Akksiról mehet az önindító, az index, meg a féklámpa. Ehhez egy ilyen bőven elegendő, ledes világítás esetén:
Egy fenékköszörűt ne hasonlíts össze egy speed mocival.
![]() Mert ez a meredek... Dee kérlek ne reklámozd azt a kínai Dc-Dc konvertert, mert tekercsátalakítás nélkül tönkre fog menni és bizony ez balesetveszélyt okoz. A hozzászólás módosítva: Aug 13, 2022
Amint látom tanulsz, mert jól írtad hogy szükség van tekercs átalakításra. Igen, mert csak úgy lesz jó a rendszer. Nekem is elég sok időbe telt, amíg megtapasztaltam hogy a 8W-os világításhoz 15W-os generátor bőven elég. És itt a lényeg. Azóta a kínai is tökéletesen működik. Balesetveszély alatt nem tudom mit értesz? Nem világít a lámpa?
Idézet: „Nem világít a lámpa?” Például. Idézet: „Amint látom tanulsz,” Igen, tapasztaltam,tanultam a múlt század utolsó évtizedében, mikor már lehetőség volt külföldről konténernyi mennyiségben behozott kétes állapotú cross, és enduro, később utcai motor töltés, és gyújtásrendszereit javítani, generátorait áttekercselni. Bár jó ideje nem foglalkozom már gyakorlatban ezekkel a tapasztalat megmaradt...Amit újdonságként próbálsz bemutatni, az csak egy próbálkozás a kendácsolás területén.
Kedves fórumtársam!
Elismerem az erényeidet, a megszerzett tapasztalataidat. Itt másról van szó. Egy ledes világításról. Nálam már 5 éve működik, az index és a féklámpa is. Pár adat, ami bizonyítja hogy komoly a dolog: 35/35W-os halogén izzó 650 Lumen 3000 Kelvin 6/6Wos led 800 Lumen 6000 Kelvin Az index 21/21W-os 180 Lumen 2700 Kelvin A ledes 3+3W-os 220 Lumen 4000 Kelvin Ezek tények. Aztán van itt még komolyabb világítás is. A jobb oldali 18W-os 2000 Lumen csak 1.5A-t fogyaszt, de még azt is elbírja a kínai vacak. Ki lett próbálva:
A dolog már ott megbukott, hogy nem eredeti tekercseket használsz.
Ezt a fajta kapcsolóüzemű táplálást az eredeti tekercsek felhasználásával kellene megvalósítani, és akkor valóban rá lehetne bólintani, hogy energiatakarékos megoldás. A fényforrások engedélykötelezett voltáról már esett szó, szerintem csak "kiskapuzás" árán lehet némelyiket használni, mindenkinek lelke rajta.. Mindenesetre a nagyobb teljesítményű gépeknél a mai napig a söntszabályzás az egyeduralkodó, biztos megoldás a feszültség megszaladása ellen.
De, eredeti tekercset használok. Egyet, mert egy is tud 15W-ot. Azt értsd meg hogy a világításhoz 15W elegendő. Mindegy hogy mekkora teljesítményű a motor, a világításhoz ennyi is elég. Nagyobb teljesítményű generátor valóban tönkre tenné az elektronikát, de pont azért kell csökkenteni a generátor teljesítményét hogy terheletlenül se szaladjon el a feszültség, ami valóban kinyírná a szabályzót. Nálam már 5 éve működik, ezért írom hogy ez a megoldás. Kezdetben én is csináltam söntszabályzót, de szétolvadt, mert akkor még 40W-os tekerccsel próbálkoztam. Ha akkor 15W-os tekercs lett volna a motoromon, még ma is működne. Azt kell belátnod hogy a söntszabályozó a felesleges energiát hővé alakítja, veszteséges, ezért fontos hogy a megtermelt energiát kell a fogyasztókhoz igazítani hogy a söntszabályzónak kevés energiát kellejen elfűteni.
Idézet: „Azt kell belátnod hogy” Neked kellene a fentebbi idézetet komolyan venned! Szándékos tervezés eredménye a veszteséges, ámde biztonságos szabályzás. Valamit nagyon elcsesztél, ha a 40W -os tekercs szétolvasztotta a szabályzót. Mindenesetre biztos vagyok benne, hogy a feszültség a tönkremenetelekor sem szaladt meg, és nem tett volna semmilyen elektronikát tönkre, (ha egyáltalán volt valami a kismotoron).
Tudod én erősáramú mérnököktől tanultam a szakmát. Kiváló emberek voltak, mert az életre tanítottak minket. Megértették velünk hogy mi fontos a szakmában.
1. Mit akarsz készíteni. 2. Mi kell ahhoz hogy ezt létrehozd. Rajzok, tervek, saját terv stb. 3. Miből lehet megcsinálni, a legolcsóbban itthon. 4. Mindent mérj, mert akkor tudod hogy mi a jó, vagy mit rontottál el. Én ehhez tartom magamat azóta is. Volt sok buktatóm, de tanultam abból is. Nem kellene ragaszkodnod a gyári megoldásokhoz, mert van annál jobb is. Azok már régi megoldások, elrepült felettük az idő. Természetesen ledes megoldásokra igaz ez. Az első söntszabályzós megoldás próba volt, a 8W-os terheléshez 40W termelte az energiát, amiből 32W-ot egy teljesítmény tranzisztornak kellett volna elfűteni. Persze hogy nem bírta. Az elektronika nem szállt el, mert "megszakadt" a fesz. Utána már csak soros szabályzókat építettem, azok működnek, csak arra kell figyelni hogy a generátor feszültsége ne szaladjon el. 15W-nál már biztosan nem szalad el.
Nos, teljesítménytranzisztor helyett tirisztort kell alkalmazni, sokkal igénytelenebb, robosztusabb jószág. Nem is értem miért döntöttél tranzisztor mellett? Az volt az olcsóbb alternatíva?
Mostanában teljesítmény mos-feteket alkalmaznak a tirisztor helyett, mert a a csatornaellenállásuk milliohm-os nagyságrendbe esik, tehát azonos áram esetén kevesebb hő keletkezik rajtuk,így a szabályzó hőterhelése csökken, a fölösleges teljesítmény nagyobb része disszipálódik a tekercseken és a kábeleken. De még mindig söntszabályzásról van szó, és ez így is marad a nagyteljesítményű motoroknál jó darabig..
Értem én hogy Te a régi rendszert ismered és ahhoz ragaszkodsz. Nálam nem jött be. A soros szabályzó teljesen jó, már 5 éve. Ismerem az összes söntszabályzót, mindegyikkel az a bajom hogy energiát emésztenek el, hol keveset, hol sokat, ami teljesen felesleges. Az is igaz hogy ledeshez még nem láttam megoldást. Van egyáltalán olyan?
Véleményem szerint ledeshez is söntszabályzás dukál.
Olyan tág fordulatszámokra mint amekkora egy speed motornál előfordul, egyszerűen kár soros szabályzót tervezni, mert ha működik is ideig-óráig nem lesz hosszú életű. A DC-DC konverterrel is az a baj, hogy nem tudja feldolgozni a fordulatváltozásból adódó feszültségkülönbséget-tönkre megy, ahogy esetedben is előfordult. Be kell látni, hogy az a generátor amelyik alapjáraton is képes rendes töltésre, az a tizenezres fordulat tartományban jóval 100V fölötti feszültséget szolgáltat, ezt bizony erőből kell korlátozni, erre való a söntszabályzás, nem fog szétnyomni semmit a túlfeszültség, a generátor légrésben "kifújódnak" az erővonalak. Erre a soros , és a feszültségátalakítós szabályzás nem képes biztonsággal.
Én csak ledes világításhoz csináltam fesszabélyzókat, többet is. Az eredeti célom az volt hogy kismotoroknak a gyatra világítását átalakítsam ledesre, amivel már jó lesz a világításuk. Az én 50-es KTM-memmel kezdtem. Először söntszabályzót építettem, de mint írtam megfőtt. Aztán soros szabályzót csináltam, azzal már jól működött, de gond volt a megemelkedett feszültséggel, mint amiről Te is írtál, magas fordulaton. Rá kellett jönnöm hogy a világító tekercs által megtermelt energiát kell csökkentenem hogy ne szökjön fel a feszültség 35V fölé, amit a szabályzó elvisel. A 40W-os világító tekercsből 15W-ost csináltam, azóta nincs baj a világítással. Jelenleg is ezzel megy a világításom, pedig a motoromat tuningoltam, ezért ki tud pörögni 10 ezerig. Sok motorhoz csináltam soros fesszabályzót a sajátomon kívül, Puch-hoz, Babettákhoz, Simsonokhoz. Ezek akku nélkül működnek, de csináltam olyant is amelyik 3db. Li-Ion akkuval működik, amit a szabályzó tölt.
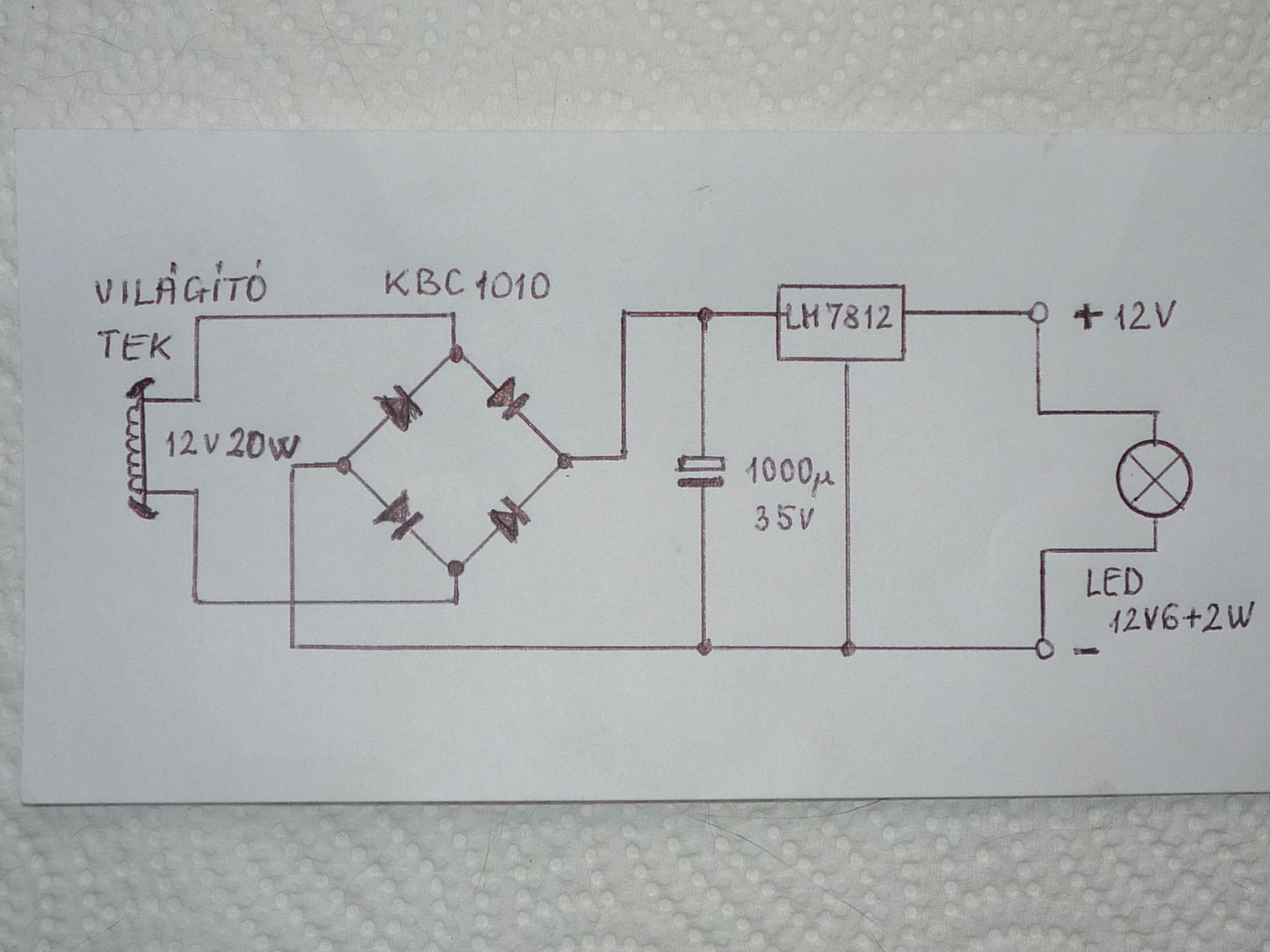
Az akku nélküli motorokon csak az ledes indexnek van 2db. Li-Ion akkuja, amit fél évenként kell tölteni külső töltővel, a kis fogyasztás miatt. Végül két kapcsolási rajz a sönt és a soros szabályzóról. A motoromon az utóbbi van jelenleg, de egy ideig ment DC-DC konverterrel is, amit az IC helyére kötöttem be. A képeken még 20W-os tekercsek vannak, de ezt csökkentettem 15W-osra, azóta tökéletesen működik, max fordulaton is.
Sajnos, azt még nem értették meg veled, hogy a közúti járművek világításának az efféle átalakítása a törvény szerint tilos!
Perzse, ha nem a közúton közlekedsz vele, akkor HAJRÁÁÁ! Ez már rengetegszer le lett írva a HE fórumán is! Bővebben: Link A hozzászólás módosítva: Aug 14, 2022
|
Bejelentkezés
Hirdetés |







Bár jó ideje nem foglalkozom már gyakorlatban ezekkel a tapasztalat megmaradt...


Perzse, ha nem a közúton közlekedsz vele, akkor HAJRÁÁÁ!
Ez már rengetegszer le lett írva a HE fórumán is! 