Fórum témák
» Több friss téma |
- Ez a felület kizárólag, az elektronikában kezdők kérdéseinek van fenntartva és nem elfelejtve, hogy hobbielektronika a fórumunk!
- Ami tehát azt jelenti, hogy a nagymama bevásárlását nem itt beszéljük meg, ill. ez nem üzenőfal! - Kerülendő az olyan kérdés, amit egy másik meglévő (több mint 17000 van), témában kellene kitárgyalni! - És végül büntetés terhe mellett kerülendő az MSN és egyéb szleng, a magyar helyesírás mellőzése, beleértve a mondateleji nagybetűket is!
Nem ismerem a youtube játékszabályait. Lehet hogy kicenzúrázták hamis tartalom miatt?
( Amit nem csodálnék az alapján, amit majorka írt a tartalmáról. ) Mert amúgy rengeteg (NEW) Simple Electronic Project videó van fenn.
Hi Mesterek.
Egy renault kocsinak az indító kártyához keresek jeladó tekercset. Képen bekarikazott a hibás, szakadt. A panelon két egyforma feliratú tekercs van, ezért bizok benne hogy egyforma a ket tekercs. A lényeg hogy beforrasztva a jó tekercsem 60 Ohm-ot mérek. Viszont a kinaiknal amit találtam hasonló tekercseket, azok mH illetve kapacitás ba vannak megadva. (Legalább is Én erre gondolok, hogy azt akarták írni) Azaz 2,38mH 680pF ,90 Ohm illetve 4.8mH, 680pF tekercs1 tekercs2 A kérdésem az lenne hogy az adott linkeken lévő telercsek adati alapján Ohm-t hogy lehet számolni. Segítséget előre is köszönöm. A hozzászólás módosítva: Aug 9, 2022
Mérd, vagy méresd meg a másik induktivitását.
Az a 680p szerintem a menetszám lessz. Kiszámolni meg csak akkor lehet ha imered az anyagot és keresztmetszetet és hosszúságot.
Idézet: „A lényeg hogy beforrasztva a jó tekercsem 60 Ohm-ot mérek” Beforrasztva eleve ne mérjél semmit, mert ha valami párhuzamosan van kötve vele (ami nem látszik) akkor azt is beleméred és úgy már teljesen más eredmény jön ki.
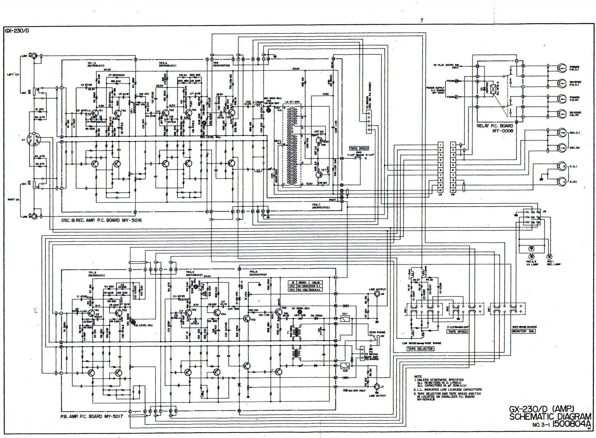
Sziasztok! Adva van egy AKAI GX magnó. A felvétel az egyik oldalon meg sem nyikkan. A baloldal működik, a jobboldal tök kuka. Megnéztem a tranzisztorok mindkét oldalon ugyanannyi értéket mutatnak. A vezetékek is úgy tűnik jók, nem lógnak. A tranzisztorokon megy a jel, teljesen egyformán a két oldalon, de a vége nem jön ki. Valahol elakad. Mi lehet a baj? Köszi előre is a segítséget.
Az az adó antennája, kerámia hordozón. Gyanítom, hogy csak azonos típusúval lehetne pótolni. Viszont nem szokott csak úgy tönkremenni, hacsak nem törött.
Üdv Mindenkinek! Valami küszöbfeszültség kapcsoló(lehet nem ez a neve) rajzra lenne szükségem.
A cél az, hogy egy 12V-os savas akkumulátort lekapcsoljon a terhelésről bizonyos feszültségszint alatt, hogy a tönkremenetelig ne merüljön. Ha esetleg tud valaki valaki rajzot erre, azt nagyon köszönöm. A hozzászólás módosítva: Aug 9, 2022
Ha jól emlékszem, van erre céltopik is... Én TL431-essel készítettem ilyen áramkört, viszont a küszöbfeszültség körül nagyon melegedett a benne lévő FET, érdemes lenne áttervezni.
Milyen terhelésről van szó? Ha relé tudj kapcsolni, és van olyan, ami elbírja a terhelést, akkor az a legegyszerűbb megoldás, ha bbb kolléga kapcsolása egy relét működtessen. Ha két pár érintkezője van, akkor a figyelőáramkör magát is lekapcsolhatja.
Hello! Nem írtad, hogy melyik üzemmódban és melyik kimenetre vonatkozik amit írsz.
De feltételezhető, hogy lejátszás módról van szó. Ha a DC feszültségek egyformák, akkor feltehetően a fokozatok jók, tehát a jelút ezen kívüli részénél lehet a hiba. Tehát fejválasztó relé - potik kontakthibája vagy vezeték szakadása is lehet gond. Ha a kimenet alatt a LINE kimenetet érted, akkor akár a kimenet szintszabályzó VR1 és VR2 is akár le lelehet tekerve. Bár műszeráramkörre/fejhallgató kimenetre az nem hat. Hiba behatárolható egyszerű közösítésekkel (pld poti csúszka), de úgy is hogy felvétel állásban monitor módba kapcsolod. Ekkor a lejátszás két fokozata külön ellenőrizhető. De miért itt tetted fel a kérdést, van saját topikja is szerintem..
Egy laptop üzemelne róla step-up konverterrel aksi nélkül 19V-ról.
Ez a felhasználás talán egy új topikot is megérdemelne.
![]() Az első, ami felmerült bennem, hogy miért akku nélkül? Ehhez a kérdéshez (szerintem) szorosan hozzátartozik, hogy milyen operációs rendszer, mennyi idő alatt hibernál, vagy áll le a gép, ha lecsökken az akku feszültsége, illetve jelent-e gondot, ha a gép tápja hirtelen leáll. Az asszony Linuxot használ, a hirtelen tápmegszűnés nem jelent gondot, legfeljebb olyankor emberi segítség kell a gép használatbavételéhez. Az én W10, i7 processzoros gépem 10-15W teljesítményt vesz fel, az ő gépe 30W körüli. Ekkora teljesítményt egy relé, vagy közepes FET is simán kapcsol. A tökéletes lekapcsolást csak relével lehet megoldani, ha hosszú ideig nem nézel a szerkezetre. Amennyiben egy napon belül be tudsz avatkozni, akkor a TL431 verzió megoldás. Ritkább ellenőrzés esetén én egy, a TL431-nél nem sokkal drágább(, vagy talán olcsóbb?) "reset IC"-t keresnék, és ellenállásos feszültségosztóval vezérelném a tápellátást. Komolyabb igény esetén kikeresem azt az IC családot, ami ide illik, valami MAX80x-re gondolok. Visszatérve az első kérdésre, miért nincs akku? Az én Lenovo B51 (i7,12GB) gépem hét éve az első akkuval működik, állandóan benne van, és 96%-os állapotú. Ha megvan az eredeti, fel lehet javítani azzal, hogy egy TP4056 (B6, vagy hasonló, balanszáló) töltővel az összes cellát közel azonos állapotúra töltöd, és szerencsés esetben eldobod magad, mekkora változást értél el. 5-10 évnél idősebb, B/C kategóriás laptop persze másképp reagál. A boost DC-DC konverter is beleszólhat a dologba, tesztelni kellene, hogy laptop mekkora bemenő feszültséggel képest működni. Csak saját, három cellás akkupakkot használó gépen próbáltam, az ólomakkut közvetlenül rákötve működött, így húsz százalékkal lehetett növelni a kivett teljesítményt. Az ólomakku fajtája is beleszól a dologba. Ha munkaakkuról van szó, akkor elviseli a közel nullára merítést, de azonnal meg kell kezdeni a töltést. Szerintem ezen szempontok feldolgozása után érdemes elkezdeni a keresést a megoldásra. A hozzászólás módosítva: Aug 10, 2022
Még néhány gondolat. (Nem mertem hosszabb hozzászólást írni).
Egy laptop tápellátása egy step-down konverterrel indul. Általában elég jó hatásfokú, nem sok vizet zavar. A töltőáramkör is rugalmas, tapasztalataim szerint nem esik hanyatt attól, hogy a 19,5V helyett csak 15V a bemenő feszültség. Mindez az én személyes tapasztalatom, szóljatok, ha tévedésben vagyok.
A laptopok akkora feszről minimum mennek, mint az akku legkisebb kapocsfeszültsége, maximum az ac detect körnél kell a töltésvezérlőt piszkálni. Ha 3 kábeles töltő és nem ellenallás alapú a detektalás, akkor prochot jelet behúzhatja a töltesvezerlő és 200MHzre lockolja a procit. Tudni kéne a konkrét gépet, de valószínűleg némi moddal megoldható lenne a 12V-ról üzemelés.
Az akkukban a fueg gauge ic miattkülső töltéssel sokra nem mész, ha eredeti az akku, nagyon régi vagy hamisnál műköhet.
"Egy laptop tápellátása egy step-down konverterrel indul."
Nem egy töltésvezérlővel, ami az akkut tölti és a fő dc buszra az akkut vagy töltőt ráengedi. A dc busz fesz akkus vagy töltő mód függő, az összes fő VRM és az lcd backlight erről megy. De ha a töltőict rá tudod venni, hogy kinyissa a feteket dc buszra 12V betápnál, akkor menni fog. Írj egy service taget vagy pontos típust a tiedhez, aztán belefirkálom a rajzába. Lapos Lenovo dugó amúgy ellenállás alapján detektál és ac detect sincs komparálva a legtöbb olcsó gépben külön, de töltésvezérlő függő mit fogad el. A hozzászólás módosítva: Aug 10, 2022
Min írtam volt, az általam felsorolt esetek konkrét tapasztalatokon alapulnak, és nem alkalmazhatók minden gépre. Viszont meggyőződésem, hogy a lítiumhiány miatt háttérbe fog szorulni a darabszámra limitált töltésszám, és el fognak terjedni azok a megoldások, melyek a tényleges állapotot szik figyelembe, Az autók lítiuméhsége miatt - remélhetően - bekövetkezik egy szemléletváltás. De ez már gazdaságpolitika, amire nem a HE adja a megoldást. Megjelennek a 750 alkalommal tölthető Li cellák, hogy tarolják a piacot.
![]() A markecing ötletért sajnos nem fogok senkitől juttatást kapni. A hozzászólás módosítva: Aug 10, 2022
Köszönöm Neked, bbb-nek és antiktelefon-nak is a választ!
Akku azért nincs benne mert tönkrement és kihajítottam vagy 10 éve. Azóta ez hálózatról "üzemelt" időnként, 19V-ról. Nem egy vitrin gépről van szó, hanem egy ősi p4-ről amin egy minimál Linux fut, ami tökéletesen megfelel a youtubhoz, zene és egyebek használatához, még. A tápellátás működik jól, mind a hálózati töltőjéről, mind az általam rögtönzött step-up konverteres kábelről külső áramforrásról, jelen esetben egy 80Ah 12V-os savas autóakkumulátorról. Hogy erre, ill. erre is, miért van szükség, -hiszen van telefon, bluetooth meg a fene tudja mi- a választ nem tudom. A gyerekeim részéről ez az igény merült fel, hogy ezt is ordíttatják mikor a hobbitelekre kimennek sütni főzni a baráti körrel, és ne az autó akkuját merítsék. E célra be van lökve a csomagtartóba egy másik akku. A kérdésem egy egyszerű áramkörre vonatkozott volna, ami lekapcsol mindent pl 10,5V -nál, az "alvó üzemmód", és operációs rendszertől függetlenül pl egy relével. Ilyen rajz esetleg kéznél van valakinek? Üdv A hozzászólás módosítva: Aug 10, 2022
Sziasztok!
Szabályozható toroiddal szeretném állítani egy ventilátor sebességét, ami egy kovácstűzhelynek fújja be a levegőt. Állítólag nem minden venilátort lehet vele szabályozni, mitől függ ez? Mellékelem a venti adatlapját
Ha közös barátunkat megkérded, temérdek kapcsolást talál neked amiből választhatsz...
Keresőkifejezések: (NE555) lead acid low voltage cutoff, (NE555) lead acid under voltage cutoff... Egyébként youtube-ra ugyanezt beírva, biztos találsz még... A hozzászólás módosítva: Aug 10, 2022
Asszinkron motor egy bizonyos feszültség alatt megáll. Annak a fordulatszáma frekvencia váltóval szabályozható inkább. Ha kefés motor zörög a befúvón, ahhoz meg indokolatlan "elpazarolni" a toroidot, mert egy triakos szabályzóval is megoldható.
HA jól látom az asszinkron, akkor freki váltó.
Köszi!Nekem annyira nem barátom, de megkérdeztem előtte.
Azért kérdeztem meg itt is, hátha valaki követett már el hasonlót...
Itt tudsz ajánlatot kérni frekvenciaváltóra: Bővebben: Link. Neked olyan frekvenciaváltó kell, amelyik egyfázisú bemenettel és egyfázisú kimenettel rendelkezik. Ritka és drága jószágok.
Ezt nézd át. A K kapcsolóval kapcsolja be a gyerek a kütyüt, amikor ordíttatni akar.
A komparátor "-" bemenete fix 2,5V. A "+" bemenete változik, ( csökken ) ahogy az akku merül. Amíg a "+" bemenet magasabb, addig az erősítő kimenete magasban van, nyitja a BC337 tranyót, az meg behúzva tartja a relét, bömböl a zene, és világít a zöld LED. Kb 10V-nál éri el a "+" bemenet is a 2,5V-környékét, amikor is a komparátor átbillen, kimenete alacsony lesz, a tranzisztor lezár, a relé elenged, megszűnik a kimenet, és világít a piros LED, jelezve, hogy a K kapcsolóval ki kellene kapcsolni a kütyüt, és tölteni az akksit. Ilyenkor az akku terhelése 10-30mA, amit tud tartani reggelig is akár, amikor másnaposan felébred a csapat, és látja, hogy tölteni kell. A 10k-1M egy pozitív visszacsatolás, ami egy kis hiszterézist visz a rendszerbe. Ha ez kicsinek bizonyul, akkor a 10k növelésével lehet nagyobb hiszterézist állítani. Most követtem el, ha valaki hibát talál benne, kérem jelezze! A hozzászólás módosítva: Aug 10, 2022
|
Bejelentkezés
Hirdetés |

















