Fórum témák

» Több friss téma
Fórum » Elektronikában kezdők kérdései
- Ez a felület kizárólag, az elektronikában kezdők kérdéseinek van fenntartva és nem elfelejtve, hogy hobbielektronika a fórumunk!
- Ami tehát azt jelenti, hogy a nagymama bevásárlását nem itt beszéljük meg, ill. ez nem üzenőfal!
- Kerülendő az olyan kérdés, amit egy másik meglévő (több mint 17000 van), témában kellene kitárgyalni!
- És végül büntetés terhe mellett kerülendő az MSN és egyéb szleng, a magyar helyesírás mellőzése, beleértve a mondateleji nagybetűket is!
Lapozás: OK   3753 / 4050
(#) Suba53 válasza tufatofu hozzászólására (») Aug 10, 2022 /
 
Biztos jó lesz az is. Sok sikert!
(#) tufatofu válasza Suba53 hozzászólására (») Aug 10, 2022 /
 
Köszönöm a segítséget!
(#) Delinsky válasza proli007 hozzászólására (») Aug 10, 2022 /
 
Szia! Köszi a választ Megnézem a vezetékeket, bár már végig vizsgáltam azokat is, jól vannak bekötve. Már kicseréltem az egész felvételi MY 5016 panelt, de nem változott a helyzet. Valami tehát a lejátszás MY- 5017 panelon is lehet, de egyszerűen képtelen vagyok rájönni mi az. Ja, hol van ennek a saját topikja?
(#) Epu2 válasza Sanyesz5 hozzászólására (») Aug 10, 2022 /
 
Ajánlják a frekiváltót. Nem nekik kell kifizetni. A célra elég alacsony fordulatszámig jó a fázishasításos fordulatszám szabályzó. A toroid is csak az is nagyon drága. Magasabb fordulatszámról kell visszaszabályozni és működ. Ha így is sok a levegő, közvetlenül a venti kimenetén kell folytani.
(#) antiktelefon válasza tufatofu hozzászólására (») Aug 10, 2022 /
 
Bővebben: Link
Van topicja neki és proli007 rajzai biztos jók, de igazából ez csak egy hiszterézises komparátor némi dísszel. (hogy terhelés megszűnésekor felugró akkufesz miatt ne peregjen a kapcsoló)
Azért labortápról próbáld ki meddig megy le dc betápban a laptop, de ha írnál pontos típust ránéznék arra is, lehet fölösleges a dcdc, de a gyári akkuja 100Wh alatti, vagyis egy 7-9Ah-s UPS akkuról is órákat kéne menjen.
Ha nem akarsz építeni, kínai panel is biztosan akad 1500Ft körül.
(#) tufatofu válasza antiktelefon hozzászólására (») Aug 10, 2022 /
 
Köszönöm! 12V-ról még nem próbáltam, azt sem néztem labortápról mennyit tolerál. UPS akku nincs itthon, de savas az van több is, ezért arra esett a választás. Tulajdonképpen minden működik jól, csak le akarom kapcsoltatni a kritikus merültségi szint előtt. Ezt az áramkört kezdtem el megépíteni, majd beszámolok milyen lett. Üdv
(#) pucuka válasza Sanyesz5 hozzászólására (») Aug 10, 2022 /
 
A fázishasításos, vagy kapocsfeszültség (toroid) szabályozás aszinkron motoroknál akkor működik, ha a terhelés állandó. Ez a feltétel általában egy szabadon futó ventillátornál teljesül, lényeg, hogy a szállított levegő mennyisége ne változzon.
Ha változik a terhelés, a motor a jelleggörbéje miatt könnyen átesik a billenő nyomatékon, és akkor nem tud újra indulni, megáll, és leég. Ha a motorról leveszed a lapátokat, lecsökken a terhelés, és akkor az ilyen fajta fordulatszám hatástalan, és a motor a névleges fordulatszámán fog pörögni.
Egyébként a csaatolt képen nem tudom milyen motor van, vagy az adattábla hibás, 50 Hz -es hálózaton egy négypólusú (két póluspárú) motor nem pöröghet 1650 fodulaton, mert a szinkron fordulatszám csak 1500 1/perc. A névleges fordulatszám csak ennél kisebb, általában 1450 körüli. Ez a fordulatszám valószínűleg 60 Hz-es hálózathoz tartozik, ott a szinkron fordulatszám 3600 1/perc, 2 póluspár (4 pólus) esetén 1800.
(#) proli007 válasza Delinsky hozzászólására (») Aug 10, 2022 /
 
Külön a GX-nek nincs, de a szalagos magnóknak van, amiben több GX kérdés is van.
Rövidre zárhatod a 1 és 1' bemeneti pontokat, akkor mind két csatorna kap fejről jelet.
Rövidre zárhatod a 6-8 pontokat, ezzel a Monitor kapcsoló hiba kizárható.
Rövidre zárhatod a 13 és 13' pontokat, ezzel a LINE meghajtó hibája kizárható.
De lehet csak a kapcsolókat kell megtakarítanod.
Mellesleg nem válaszoltál a kérdésekre, hol és milyen üzemmódban van a hiba.
(#) Delinsky válasza proli007 hozzászólására (») Aug 10, 2022 /
 
A monitor kapcsolóval ha a forrásra kapcsolom, akkor csak az egyik oldal, a baloldal, jelét hallom és látom a műszeren, ha átváltom szalagra, akkor valami zavaros jel jön valahonnan, nem tudom melyik oldalról, a műszerek alig térnek ki, de mindkét oldal kitér. Azt hiszem nekiállok, és végig bogarászom a vezetékeket, és az oldalhelyességeket. Valami, mintha össze lenne keveredve. Az a baj, hogy egy öreg magnó, és ha hozzáérek egy vezetékhez az a kezemben marad.
(#) nedudgi válasza Delinsky hozzászólására (») Aug 11, 2022 /
 
Jó az a kapcsoló?
(#) Delinsky válasza nedudgi hozzászólására (») Aug 11, 2022 /
 
Délután szétszedem.
(#) zamatőr hozzászólása Aug 12, 2022 /
 
Üdv!
Szükségem lenne egy egyszerű kapcsolásra amivel egy 24V-os mágnesszelepet működtetnék.
Tápfeszültség 24V dc , a mágnesszelep áramfelvétele 200mA a vezérlő PWM jel adatai a képen.
60% alatt kikapcsolt , fölötte bekapcsolt de ha van lehetőség állítani 60-100% között az még jobb lenne.
Köszönöm.
A hozzászólás módosítva: Aug 12, 2022

8.jpg
    
(#) vorosj hozzászólása Aug 12, 2022 /
 
Úgy érted, a pwm adott jel mondjuk valami szenzorból, és azt szeretnéd, hogy bizonyos küszöb értéknél kapcsoljon a szelep?
Legegyszerűbb uC-vel, bármi megteszi, Arduino nano klón, egy olcsó 8 lábú ARM STM32G031J6M6 stb.
A firmwareben bármit be tudsz állítani, küszöböt, hiszterézist stb. Ha menet közben is állítgatni szeretnéd, trimmer potméter az AD konverterére.
A szelep meghajtására agy N logic level fet meg egy 1N4001 dióda a kikapcsolási feszültség ugrás megfogására.
(#) proli007 válasza zamatőr hozzászólására (») Aug 12, 2022 /
 
Hello! Analóg módon pld. így..

PWM-COMP.png
    
(#) pipi válasza zamatőr hozzászólására (») Aug 12, 2022 /
 
Egy mágnes szelepet szeretnél szabályozni, pl hogy "félig" nyisson ki? Ez nem fog menni.
Azt megnézted ugye hogy a mágnesszeleped AC vagy DC feszről kell járatni? Nem mindegy, a tekercsét másképp méretezik, Az AC-s le fog égni DC-ről
Vagy csak a vezérlő pwm más más szintjénél akarod ki/be kapcsolgatni? azt lehet
A hozzászólás módosítva: Aug 12, 2022
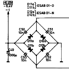
(#) lóri hozzászólása Aug 14, 2022 /
 
Sziasztok!
Az érdekelne, hogy mi célt szolgál, két közöskatódos dioda, párhuzamos kapcsolása, egy tápegységben?
Milyen paramétere lesz jobb, vagy mért csinálhatták? Egy Technics deck-ben van.
(#) bitmixer válasza lóri hozzászólására (») Aug 14, 2022 /
 
Ugyanaz a cél, mint ha két lovat fognak be egy szekér elé, holott (lehet, hogy) egy is elbírná. Magyarul: terhelésmegosztással kevésbé dolgoznak a diódák. Kisebb lesz rajtuk a nyitóirányú feszültségesés, bár nem jelentősen, így a disszipáció is kevesebb.
(#) Gafly válasza lóri hozzászólására (») Aug 14, 2022 / 1
 
Tippek:
- Ha máshol is van a készülékben ilyen, akkor érdemes minél kevesebb féle alkatrészt használni.
- Három lábon keresztül jobban tud hűlni, mint kettőn.
- Lehet kicsit kevesebb feszültség esik rajta, mintha csak egy dióda lenne, és nem melegszik annyira.
- Ha űrszonda lenne, akkor mondanám, hogy ha az egyik fele tönkremegy, akkor van másik.
(#) pucuka válasza lóri hozzászólására (») Aug 14, 2022 /
 
Diódával kapcsolni lehet, funkciókat, hangutat, jel utat.
Tápegységben pl. nagyteljesítményű közös katódos diódával kétutas egyenirányítást valósítanak meg középleágazásos trafóval, de lehet két forrásból történő vezérlést közösíteni.
A hozzászólás módosítva: Aug 14, 2022
(#) bitmixer válasza pucuka hozzászólására (») Aug 14, 2022 /
 
De Lóri párhuzamosan kapcsolt diódákról beszél...
(#) pucuka válasza bitmixer hozzászólására (») Aug 14, 2022 /
 
Igazad van, egy tokban két közös katódos diódát párhuzamosan is lehet kötni, ilyenkor megduplázódik a maximális (csúcs is) árama, vagy csak egyszerűen nem akarták lógva hagyni a másikat. Ismerni kéne a kapcsolást is.
(#) lóri hozzászólása Aug 14, 2022 /
 
Köszönöm mindenki válaszát. Kapcsolási rajz, sajna nincs. Ilyen volt benne 2db. Jelölés 10dc. Ebben volt.
(#) pucuka válasza lóri hozzászólására (») Aug 14, 2022 /
 
Biztos, hogy diódák? Ilyen tokban nem láttam még.
Viszont találtam hasonlót az ugyan 10DD, de ez, és a körülötte levőkre azt írja, hogy Lineár regulátor. Tápegységben lehet ilyesmi.
Bővebben: Link
A hozzászólás módosítva: Aug 14, 2022
(#) lóri válasza pucuka hozzászólására (») Aug 14, 2022 /
 
Azt találtam, hogy diodák. Bővebben: Link
(#) pucuka válasza lóri hozzászólására (») Aug 14, 2022 /
 
Jobb találat a tied, de akkor tovább kell keresni a műszaki adatokért.
A piros tokra azt írja, hogy közös anódos. Akkor egy greatz egy piros, és egy feketéből állítható össze, vagy kétutasan negatív feszültség.
(#) lóri válasza pucuka hozzászólására (») Aug 14, 2022 /
 
Én is azt gondoltam, hogy van egy közös anódos és egy katódos, mert úgy van értelme. De állítólag egyforma és párhuzamosan van kötve. Két képem van és egy talált rajzom, aminek volna értelme is...
Sőt, elvileg a hátulja piros.
A hozzászólás módosítva: Aug 14, 2022
(#) pucuka válasza lóri hozzászólására (») Aug 14, 2022 /
 
Itt pont egy greatz van összerakva egy közös katódos, és egy közös anódos, valószínűleg vastagréteges áramkörben. Az volt a gyanús a csatolt képeden, hogy az alsó sarkain kilátszik a hordozó, amire vannak rögzítve a diódák, és meglehet a kondik, ill felgőzölve (gondolom) a kivezetések.
(#) bitmixer hozzászólása Aug 14, 2022 /
 
Sziasztok!
Megindult az agyam... ne nevessetek ki.
Mivel az igazi színuszos inverterek meglehetősen drágák, felmerül a kérdés, hogy nem lehetne-e megkerülni a dolgot úgy, hogy egy D osztályú, kellő teljesítményű erősítőt meghajtunk 50 Hz színusszal, a kimenetét meg feltranszformáljuk 230 Voltra. Megoldható ez így? És ha igen, miért nem?
Amúgy 36V-ra nem találok színuszos invertert, csak 24/48V a divatos, ezért (is) támadt ez a gondolatom. Kazánnnak szeretnék vésztáplálást biztosítani 36V 24Ah Li akkupackról.
(#) Skori válasza bitmixer hozzászólására (») Aug 14, 2022 /
 
Elméletileg működhet a dolog, csak az a kérdés, hogy az erősítő mit szól a különféle terhelésekhez - de ha bírja akkor semmi gond.
(#) tépapa válasza bitmixer hozzászólására (») Aug 14, 2022 /
 
Felvázolnád néhány mondatban az ötlet lényegét?
Következő: »»   3753 / 4050
Bejelentkezés

Belépés

Hirdetés
XDT.hu
Az oldalon sütiket használunk a helyes működéshez. Bővebb információt az adatvédelmi szabályzatban olvashatsz. Megértettem