Fórum témák
» Több friss téma |
Hát már nem tudom... a gyári kapcsoló üzemű táppal kompatibilis csak, ilyet még nem hallottam? a dugó kiosztása ugyan olyan, középen a pozitív, körben a test a csatlakozó dugón. Itt egy kép a belsejéről, bal oldalon van a dc csatlakozó.
Cambridge Audio DacMagic 200m
Nem teljesen elépzelhetetlen, hogy csak az bírja ki a bekapcsoláskori áramlökést (áramfelvételt). Lehet, hogy az éppcsak egy picivel nagyobb, mint ami az lm350 által elviselhető maximális áramlökés
Úgy érzem ,nem alkalmas ez a dac-hoz, a diódával sorbakötve is kivégezte az LM350T-t.
A dióda nem véd a bekapcsoláskori túláramtól. De csak egy gondolat volt a fentebbi, nem én vagyok a jó tudója...
Csak épp amiket tegnap óta írsz (bizonyos eszköz jól működik a tápoddal, a másik eszköz bekapcsolása azonnal tönkreteszi a tápon az IC-t) az gondolkodtatott el. A hozzászólás módosítva: Szept 29, 2022
Nem olvastál elég figyelmesen:
Idézet: „De a ventillatorral is ugyan ezt teszi, tehát, soros dioda nélkül működik, diodával leesik a feszültség.”
És végül ma délután kiderült (1542), hogy akkorra már (újra) tönkre volt menve az lm. Miután megint újat kapott, újra szépen dolgozik -valószínűleg újra pont addig, míg a DAC meg nincs mutatva neki.
Figyeltem én. De nem is engem kell megyőzni lobbooo-nak adj tanácsot, szívesen fogadja. A hozzászólás módosítva: Szept 29, 2022
Ha megvan az eredeti gyári tápja, akkor miért akarod kicserélni egy sokkal nehezebb trafós tápra? Csak azért, mert nem szereted a kapcsoló üzemű tápot?
A DAC paneljén is kapcsoló üzemű táp(ok) állítják elő a további belső feszültségeket. A hozzászólás módosítva: Szept 29, 2022
De milyen jó ez! (márminthogy meglett a megoldás) Örülök.
Végül jó lett a sejtésed, hogy az LM nem bírja. Így viszont tényleg piszok drága -a negyedannyiba kerülő IC jobb (strapabíróbb) nála... A hozzászólás módosítva: Szept 29, 2022
Ne, is mond... Rohadt boldog vagyok, azt a 4.5 ezret benyeltem tanuló pénznek... Be is zártam a dobozt végre 1.5 hét után és egy csomó idegeskedés után...
Igen tudom, hogy a 3.3V, 5V mind kapcsoló üzemű a belsejében, de ha már egyel kevesebb a kapcsoló üzemű, már az is jobb. Most hasonlítgatom össze, és bizony a teressége észrevehetően javult, a reszletesége is. És igen, audió technikában nem szeretem a kapcsolóüzemű tápokat. Az erősítőkben is az A és AB osztályú "analóg" technikát szeretem, abból is a mosfeteseket.
Köszönöm szépen mindenkinek aki segített ebben a tortúrában!
A hozzászólás módosítva: Szept 29, 2022
Bővebben: Link
Azóta már működik, azt írta
Biztos vagyok benne! ADJ-Out-In, működött is, egészen a dack -al való találkozásáig. itt van a rajza pár hozzászólással lejjebb. A 78S12 meg IN-GND-Output, ezt nem forrasztottam be az lm350 helyére, csak 3db különálló tüskét, az ic-t lerögzítettem a doboz aljához szigetelve, majd 1.15mm átmérőjű rézhuzallal, a megfelelő tüskéhez hajtogatva odaforrasztottam. A panelon az ADJ láb padjéhez átkötéssel odavittem a GND-t. Az osztó ellenállásokat meg eltávolítottam.
Sziasztok! Ha egy 800va toroid trafó oldalán a gyári cimkén az szerepel,hogy primer:2x36v sec:235v gondolom inverterből lett bontva,a 235v tekercs van belül a 2x36v kivül,nekem egy 2x36v sec feszültségű hálózati trafóra lenne szükségem,ez a toroid jó lesz erre a cèlra?
Valamivel kisebb lesz a kimenő feszültséged. De ennyi erővel le is mérhetted volna.
2-5 % közötti eltérésre számíthatsz. Kb. 34-35V között ~800VA terhelésnél. Ha kisebb a terhelés, akár meg is lehet az érték. Mire használnád? Az AC feszültségnek kell 36 V-nak lennie, vagy a DC-nek?
Egy quad-405 tápja lenne.+_ 50v.Szerintem a 2-5% még bele fér.
Ez most nem kérdés de ma sikerült megoldanom egy hp photosmart nyomtató táp ellátását ha már nem mellékelték hozzá. Adott volt egy kapcsoló üzemű 32 voltos táp. Már csak egy lm317 kellett hozzá. A leosztás 220-2,62k.
Sziasztok,
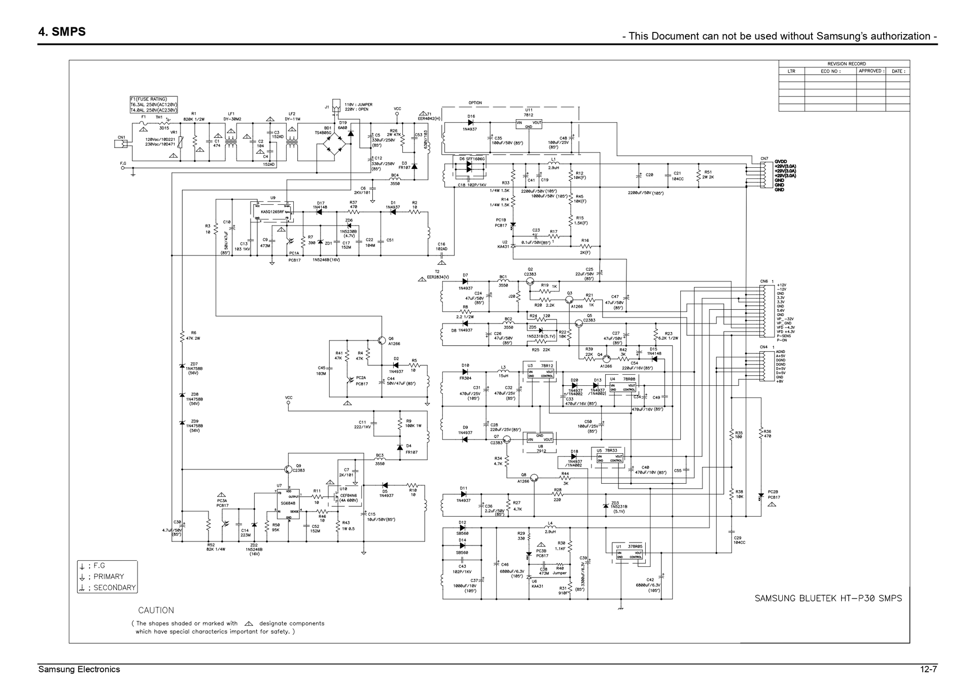
Van a képen látható tápegység, ami rendben működik a házimoziban. Szeretném használni csak külön a tápot, de úgy magában nincs a kimenetein feszültség. Hogyan lehet bekapcsolni? Olvastam olyasmit, hogy általában a P_ON lábat kell a testre kötni. Próbáltam, de úgy sem jó.
Szevasz!
A CN6 P-SENS és a P-ON lábakat összekötve megjelenik a 29 V-os feszültség is. Egyébként azon a csatlakozón ott kellenének legyenek a feszültségek, kivéve amik kapcsolva vannak. Üdv. M.
Sziasztok!
Szeretnék segítséget kérni az alábbi probléma megoldásában. Megépítettem a mellékelt képen látható áramkört ami, egy dolgot leszámítva működik is. A probléma, hogy a max kimeneti feszültség elmarad a számított értéktől. Baloldalt vannak a képletek is, amikkel számoltam illetve jobb oldalon a mért értékek. A kérdésem, hogy mi okozza az eltérést, és mit kellene módosítanom, hogy az Uki(max) legalább 15 volt legyen? Köszönöm előre is.
Szevasz!
Mit mérsz a 11-12 lábon, a 10 lábon, a 2 lábon és a 3 lábon? GND a 7 láb mindíg. Üdv. M.
Szia! Az IN- (4-es) lábon is mérd meg a feszültséget Uki(max) beállításnál. A pufferelt táp elég magas?
Úgy látom, hogy nem számoltál a kimeneti darlington miatt szükséges 1,4V többletfeszültséggel. (ennyivel kell több a 10-es lábon).
A többi simán összejöhet az alkatrészek szórásából is... 17V AC bemenettel csak kis terhelésnél kaphatsz 17V DC-t ( amíg a puffer feszültség nem csökken 21V körüli értékre). 15V-os stabil kimeneti feszültség eléréséhez a teljes terhelés esetén sem csökkenhet a puffer feszültsége 19V alá. R3 csökkentésével vagy R2 növelésével lehet a kimeneti feszültséget növelni. A referencia leosztása általában rontja a stabilitást, csak annyira érdemes leosztani, hogy az Uki-min beállítható legyen. (3...4V alá nem érdemes menni).
Köszönöm a segítséget, így már működik.
Elnézést, a nagyon kezdő kérdésért... Akkor ez így használható is tartósan, nem okoz semmi gondot később, ugye? A hozzászólás módosítva: Okt 17, 2022
Sziasztok! Kérnék egy kis segítséget. Le tudnátok ellenőrizni ezt a paneltervet? A negatív ági tirisztoros védelemmel kapcsolatosan vannak kétségeim, nem tudom hogy jól kötöttem e be. A pozitív ágiban biztos vagyok, mert azt proli007 mester ajánlása szerint kötöttem be. A kimeneti 4700 azért van mert nagyon hosszú kábelen jut el az előfokozathoz. Légy szíves nézzétek át.
|
Bejelentkezés
Hirdetés |















