Fórum témák
» Több friss téma |
Átdugsz rajta egy ellenállás lábat vagy ami belefér és mindkét oldalról beforrasztod. A foglalat érintkezői nem lehetnek túlságosan behajolva? Esetleg fagyasztó sprét hallottam hogy ilyesmire jó lehet, ha jó helyre fújod a hőtágulás mozdít annyit hogy megmutatja magát. Bár én még nem próbáltam ki.
Pedig esélyes hogy a kártya csatlakozásával van gond, de ezt innen senki nem tudja megmondani mert csak működés közben deríthető ki. Idős eszköznél olyan is megesik, hogy csatlakozó de akár alkatrész láb is tőben elrohad, amiből szemre semmi nem látszik. Pl. legutóbb izzóval jártam úgy, hogy a foglalaton belül, a forrasztás alatt volt elrohadva a bevezető szál, hiába forrasztottam újra akkor sem jött rendbe a kontakthiba mert hol odaért belül a drót vége hol nem, de megesik ez gázkonvektor mágnesszelepével is, szóval tulajdonképpen akármivel.
Orosz haditechnikában a lakkozás alatt volt elrohadva ellenállás háló egyik lába tőben, napokig kerestük a hibát...
A furatgalvánok (viák) jól néznek ki. Én még beültetés előtt feltöltöm őket ónnal. Ezt megteheted most is: amelyiken nem folyik át, az lehetett hibás.
A csatlakozót - hibás állapot stabilizálása után feszültség méréssel lehet ellenőrizni a panel és a csatlakozó forrasztási oldala között. Ahol feszültséget mérsz, az nem érintkezik.
Köszi mindenkinek a segítséget. A furatgalvánokat felöltöttem ónnal de nem segített. Szerintem sem néztek ki rosszul, meg ahogyan hallottam inkább a nagyon kicsi furatoknál fordulnak elő inkább hibák ez meg kb 1mm átmérőjű. Szóval ebben nekem sem volt sok bizodalmam, de azért megpróbáltam. A panelt sikerült olyan pozícióban rögzíteni ahol rossz, aztán kikapcsolt állapotban méregettem rajta a multiméter sípolós üzemmódjában a csatlakozó forrasztási oldala és a panel megfelelő pontjai között, de mindegyik jónak tűnt. Próbáltam egy kihegyezett műanyag rúddal megpiszkálni működés közben a csatlakozó érintkezőit de semmi hatása nem volt. Előtte persze már eláztattam kontakt spray-vel is. A panel szélén az érintkezők aranyozottak voltak (bár ott ahol a csatlakozó érintkezői érték ott már mintha levitte volna az arany bevonatot), és bár lehet nem kellett volna, de finoman végigmentem azokon is üvegszálas tollal.
Csatoltam a kapcsolási rajzát ha valakit érdekel (tömörített állományban raktam fel a 3 képet mert feltöltve mintha lebutítaná a fórummotor). A kontaktos panel a 01.jpg. A hozzászólás módosítva: Nov 26, 2022
Mármint mire gondolsz? Találtál benne eltérést? Merthogy nekem ránézésre teljesen annak tűnik (01.jpg). Nyilván csak a szaggatott vonalon belüli rész a panel.
Kimértem amúgy működés közben is, de nem mértem feszültséget sem a csatlakozó forrasztási oldala valamint a panel között egyik lábon sem. A hiba kb úgy néz ki hogy ha mozgatom a panelt és beüt a kontakt hiba, akkor a kimeneti feszültség leesik nullára és kattan rajta a 20-as és 27-es lábra kötött relé (02. jpg) ami viszont már nem a panelon van. (Lehet hogy más relé is kattan mellette de azt emellett már nem hallani/látni) A nagyfeszültséget jelző LED (HV Led) az továbbra is pirosan világít még ilyenkor, tehát nem az interlock résszel van a gond. Ez a relé ha jól emlékszem 24V-ot ka ha minden jól működik és 0V-ot ha fennáll ez a kontakt hiba a panelon. Próbáltam mérni de nekem úgy tűnt mintha már a panelon sem lenne meg ez a 24V amikor a hiba fennáll.
Először az volt a gyanús, hogy a rajzon nem szerepel a két relé, valamint két egyforma tranzisztoros áramkör (impulzus?)-trafóval van meghajtva.
A panel fényképén jól látszik a 14 lábú 4-es műveleti erősítő, a rajzon 16 lábú ismeretlen tok szerepel. A panel fénykép alapján analóg tápra tippelek, aminek a hálózati trafójának szekunder leágazásait váltogatják relékkel - kimeneten beállított feszültség függvényében. Azt javaslom, hogy a a panel csatlakozóra menő külső elemeket térképezd fel (rajzold a fényképre) hogy érdemi méréseket lehessen végezni. A - nem túl szakmai - megoldás a panel kiékelése a működő állapotban...
Felraktam pdf-ben is a kapcsolási rajzot így talán könnyebb. Az első oldalon van a szabályzó panel ami a hibás, a második oldalon látszik az, hogy milyen külső elemek mennek ennek a panelnak a csatlakozójára, illetve hogyan van összekötve a tápban lévő másik panellal ami viszont teljesen jól működik. A jól működő panelról meg a harmadik oldalon van a kapcsolási rajz.
A táp azért nem működik, mert ahogyan a második ábrán is látszik, a relé ami a szabályzó panel (control amplifier) 20-as és 27-es lába közé van kötve az nem húz be ha fennáll a kontakt hiba. Viszont ha jól mértem akkor ez a 25V körüli behúzó fesz már a panelról is eltűnik és nem csak a csatlakozón nem jut át. Az IC-k tápja viszont továbbra is megvan és nem is az interlock zavar be (merthogy a vele sorba kötött LED meg világít) ami szintén el tudja ejteni ezt a kérdéses relét. Majd hétvégén még méregetek. Csak hobbi szinten foglalkozok elektronikával de nem tervezem feladni mert tanulásnak jó dolog az ilyen.
Sziasztok!
Természetesen garancia lejárta után Matrix MPS-3005L-3 labortáp "A" csatornáján nem stabil a kimenő fesz. Általában 0,5-1 voltos kilengések is vannak, de nem mindig csinálja. Ez az oldal alig van használva, nem is volt igazából terhelve. Potija hangja kicsit karcos a másikhoz képest, de új kora óta ilyen. Így elsőre a potira gyanakszom, de még nem szedtem szét, gondoltam megkérdem van-e valakinek tapasztalata ezzel kapcsolatban. Csatoltam egy 45 perces logot a csatornákról.
Mivel loggoltad?
Bele kell nézni, valami biztos hogy vándorol, Kapcs. rajz jól jönne hozzá!
Még egy log. Először úgy hittem melegen stabilizálódik, de nem mindig.
Megpróbálom lekérni a gyártótól a rajzot. A hozzászólás módosítva: Nov 30, 2022
Meglett a hiba. A NYÁK-on lévő egyik relé érintkezői nem érintkeztek megfelelően, és ezek reagáltak a panel mozgatására. Ezek kapcsolták/illetve nem kapcsolták aztán a másik relét amik a 20-as és 27-es lábra voltak kötve. Elég volt pákával alaposan átmelegíteni a lábakat és azóta ez a hiba megszűnt. Viszont még mindig van egy baja. Nagy terhelésnél, nem bírja leadni a megfelelő teljesítményt ami azt jelenti hogy egy idő után hirtelen leesik valamennyit a feszültség (és kialszik a konstans-feszültség led is hiszen nem tudta elérni a beállított értéket), a kimenet pedig zajos lesz. Építettem hozzá terhelést (15kV, 900W-ra) de azt max 1-2 percig tudom használni mielőtt túlmelegedne.
A hozzászólás módosítva: Dec 11, 2022
Milyen fesz állásban van ez a jelenség ?
Mivel előszabályozós s az pedig relékkel kapcsol igy a relé átváltásnál lehetséges némi bizonytalanság az előfordulhat, azt könnyen lehet javitani ... Van 3005 és egy 3003 is a.műhelyemben ,anno a 3005 ben már volt kontaktos a feszszabályozó potméter akkor is hasonló jelenség volt ,kontakt spary megoldotta ,mindez kb 3-4 éve történt azóta szinte napi használatban nincs semmi gond vele. A hozzászólás módosítva: Dec 12, 2022
Szisztok ide írok, mert sokan olvassátok ezt a témát. SOS lenne még akku amit tölteni szeretnék a héten.
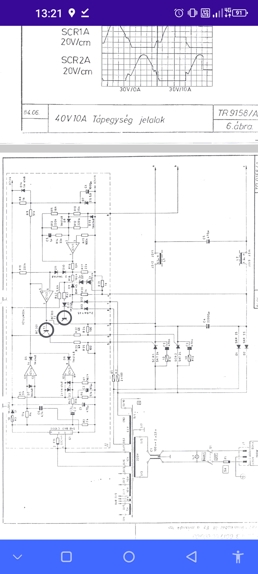
Van egy TR9158/A tápegységem. Szét lőtt a 63V 22000µF kondenzátor. A füsttől meg az ammóniás gőztől nem lehetett megmaradni. Kiszereltem a kondit: 1984. 8.hó Előzmény: Töltöttem az autó akkumulátorát vele. Ki volt szerelve az akku az autóból. 14.4 Volt töltő feszültséget beállítottam. Áramkorlátnak 3 Amper volt beállítva. Igazából 2,5 Ampertől többet nem is nagyon vett fel az elején. Semmi zárlat nem volt töltés során. Elkezdte, és feltöltötte 40%-os töltöttségről szinte teljesen. Beletelt 4 óra hosszába kb. Kicsi az akku kapacitása 40Ah. Jövök le, érzek valami büdöset, szaglászom. Semmi. Erre trafón hallom, hogy teljes terhelést kap, rezeg az asztal. Egy nagy puffanás, fújta magából a füstöt mint az állat. Ekkor a feszültség már 14,4 Volt és 0,7 Ampert vett fel. A tápból ömlött a füst, először azt hittem ki is gyullad A kondenzátor megadta magát. Kérdés ez csak azért lehetett, mert 38 éves a kondi benne. Még gyári. Vagy valami más is okozhatta. A kiszáradt kondenzátor tud ilyet csinálni? Tűz forró volt. Úgy durrant szét, hogy a trafó hangja megváltozott egyre erősebb lett (szerintem teljes terhelés zárlatban volt a kondenzátoron) és puff. Kérdés: veszek bele egy másikat, de ajánlani tudna valaki valamilyet bele? Esetleg, ha van kisebb µF értékű a fiókban az is jó lehet bele? Párhuzamosan két 10000uF? A hozzászólás módosítva: Dec 13, 2022
Szia!
Ez egy szög egyszerű táp. Valami rendes kondit tegyél oda. De a diódákat is meg kell kulkantani. Illetve azokat a gyalázatos minőségű MM álló kondikat mindenképp cseréld a nyákon... Meg a kifújt mocskot valahogy alaposan ki kell suvickolni, mert mindent elrohaszt...
Biztos vagy ebben? Emlékem szerint ez egy előszabályzós táp, és ha az előszabályzó megfut, a teljes szekunderfeszt a kondira küldi. Vagy lehet másik 40V 10A táp volt az, de az analóg műszeres verzió biztos ilyen.
Egy nagyobb fesztűrésű kondit raknék oda és megmérném mi van rajta.
A cikkek kozott talalsz jo leirast es rajzot rola.
Köszi, ebben digitálisak a műszerek. Küldök képeket.
A cikkből: Ami változott, hogy a hálózati trafó vezérelt félhíd-egyenirányítót táplál, mely után egy 22.000 µF-es 63 V-os kondenzátort találhatunk.
Na igen, a szekunder 64V AC, vagyis ha megfut a vezérelt egyenirányító akkor 64V*1.4 ami a kondira kerül és pont így katapultál. Nézd meg mekkora a fesz a kondi helyén egy 100V-oa kondival ideiglenesen. A kimenetet ne terheld le!
Köszi a tanácsot. Megmérem délután. Ha jóval több, akkor elegendő nagyobb fesz. értékűre cserélni azonos kapacitás mellett? Vagy mi okozhatja a megfutását?
A megfutást mi okozhatta? Szerintem a belsejük egyforma.
Szisztok ide írok, mert sokan olvassátok ezt a témát. SOS lenne még akku amit tölteni szeretnék a héten.
Van egy TR9158/A tápegységem. Szét lőtt a 63V 22000µF kondenzátor. A füsttől meg az ammóniás gőztől nem lehetett megmaradni. Kiszereltem a kondit: 1984. 8.hó Előzmény: Töltöttem az autó akkumulátorát vele. Ki volt szerelve az akku az autóból. 14.4 Volt töltő feszültséget beállítottam. Áramkorlátnak 3 Amper volt beállítva. Igazából 2,5 Ampertől többet nem is nagyon vett fel az elején. Semmi zárlat nem volt töltés során. Elkezdte, és feltöltötte 40%-os töltöttségről szinte teljesen. Beletelt 4 óra hosszába kb. Kicsi az akku kapacitása 40Ah. Jövök le, érzek valami büdöset, szaglászom. Semmi. Erre trafón hallom, hogy teljes terhelést kap, rezeg az asztal. Egy nagy puffanás, fújta magából a füstöt mint az állat. Ekkor a feszültség már 14,4 Volt és 0,7 Ampert vett fel. A tápból ömlött a füst, először azt hittem ki is gyullad A kondenzátor megadta magát. Kérdés ez csak azért lehetett, mert 38 éves a kondi benne. Még gyári. Vagy valami más is okozhatta. A kiszáradt kondenzátor tud ilyet csinálni? Tűz forró volt. Úgy durrant szét, hogy a trafó hangja megváltozott egyre erősebb lett (szerintem teljes terhelés zárlatban volt a kondenzátoron) és puff. Kérdés: veszek bele egy másikat, de ajánlani tudna valaki valamilyet bele? Esetleg, ha van kisebb µF értékű a fiókban az is jó lehet bele? Párhuzamosan két 10000uF? Az előző fórum tagok alapján feltenném a kérdést. Ha valóban megfutott a feszültség a szekunder oldalon akkor azt mi okozhatta? A feszültséget megmérem, hogy egy nagyobb feszültségű kondenzátort beszerelek és megírom az értéket.
Fórumtársunk írt egy labortápos cikket, és pont benne van a TR915/a.
Sajnos szerintem a kondenzátor felrobbanása csak okozat, és nem maga az ok. Tirisztoros előszabálzó kört ehette meg a fene. Ránézésre a héten ezzel nem töltesz akkut, sajnos.
A rajzot megtaláltam. Nézegetem. Mi lehet a baja ránézésre, ami miatt kaput lett...
A két nagy diódát meg tirisztort mindenképpen mérd meg (ha még eddig nem tetted volna meg).
A többi részének nincsen meg a rajza? A cikkben is jó lenne frissíteni a képet, mert a tiéd az sokkal jobb minőség.
Nem ugyanaz, mint az analóg műszeres, teljesen más.
Egy elég komplex előszabályzó van benne, aminek a távjavítása még alapvető ismeretekkel is nehéz, legalább nem az mc1466 van ebben. Keress valakit aki megjavítja neked vagy add el. Ezek az MM kondik csak úgy nem robbannak fel ok nélkül. Persze kimérheted a vezérelt egyenirányítót, de szkóp és tapasztalat nélkül nem fog menni.
Köszönöm van hozzá mindenem, hogy megjavítsam. Mivel ilyennel még nem akadt dolgom kihívás lesz, de nem adom el. Olyanok tanácsát kérem, aki szakmailag hozzá tud szólni, nem kell az oltogatás, ha nem is ismerjük egymást.
Készítek pár képet, hogy más is lásson ilyet, ha egyszer a fórumban rákeres a típusra. Igaza lett annak aki, azt írta a táp megfutott. Mértem. Mondhatom szép...
És még pár kép az utókornak.
Akkor ott a gépkönyv, rajzok, jelalakok, leírás, ha értesz hozzá mi a kérdés?
Én mondjuk kivágnám az egészet belőle, Attila86 smps2 kapcsolása belemegy és 50V 10A kijön nagyon kevés veszteséggel.
Ja azt bele...
![]() Amíg ez még táp lesz, addig az az smps már 5x széthullik A hozzászólás módosítva: Dec 14, 2022
|
Bejelentkezés
Hirdetés |




















