Fórum témák
» Több friss téma |
Fórum » Akkumulátor töltő
Sziasztok.
Sima, átlagos autóakksit hogyan lehet lemeríteni? Mármint hány Voltig, és ez terhelés alatt értendő, vagy pedig terhelés nélkül? Van két használt akksim, 60Ah es 70Ah-sak, feltöltöttem őket ImaxB6-tal, ólmos akksi programmal. Majd fogtam, és lemerítettem őket, 6A-rel, terhelés alatt 11.2V-ot mértem az akksi pólusain, majd leállítottam a merítést, mert olvastam, hogy 11V alá nem érdemes őket meríteni, mert károsodnak. Az eredmény: 25Ah-t mindkét akksinál. Simán elképzelhető, hogy ez a valós kapacitás érték. Terhelés nélkül felkúszott a feszültség 11.7-12V közé. A tervem az, hogy a két akksit sorbakötve (később 4-et a 48V-os névleges feszültséghez) egy invertert hajtanék meg. Szeretnék egy védelmet készíteni, ami jelez, ha az egyik akksi le van merülve. Ezt hogyan jelezzem? Mérjem a feszültséget közvetlenül a kivezetéseknél, és amelyik 11.0V alá merül, azt vegyem lemerültnek? Vagy ez túl alacsony/magas érték? A terhelés 250W folyamatos lenne, de ha bírják az akksik (esetleg később beszerzek még többet), akkor max. 1kW. Köszi!
Ha az a cél, hogy megtudj valamit az akkuk állapotáról, akkor először is kell venned olyan műszert ami tud belső ellenállást mérni. Utána kell építeni egy szulfátoldó áramkört ami képes lerázni a lemezekről a rajtuk lévő szulfát réteg egy kis részét. Ezt a fajta regeneráló töltést viszont úgy érdemes csinálni, hogy előtte le kell meríteni az akkut. Én addig szoktam meríteni amíg el nem éri a 9-9,5V-ot. Nem terhelve, hanem terheletlenül.
Használat közben viszont én nem merném 11V-ig meríteni az akkut, inkább csak 11,6V-ig.
Belső ellenállással nincs gond, nem autó indításra lesz használva, hanem C/3-C/10-zel (valós C) lesz merítve. A regenerálás jó ötlet. Van erről konkrét mérésed, hogy mit nyertél? Előtte-utána kapacitás növekedés? Vagy csak a belső ellenállás lett jobb?
Ez a 11.6V-os határ elég magas (számomra), nem olyan egyértelmű, mikor üres az akksi, mint a ltihium celláknál. Lehet emiatt nem is fogok ólmos akksikkal srmmit sem kezdeni. Ha veszel egy vadiúj 60Ah-s akksit, abból is csak 30-50Ah-t tudsz kivenni, hogy ne essen a feszültség 11.5V alá... És még az is lehet, ilyenkor már károsodik is az akksi... Akkor meg mi értelme az egésznek. Azt is olvastam, hogy mindig 12V körül kellene a feszültséget tartani. Na én most napelemes rendszerben használnám előbb vagy utóbb, ott meg pont az lenne a lényeg, hogy a megtermelt energiát tároljuk, majd az egészet kivesszük. Élettartam szempontjából is kérdéses, 3-5év ilyen terhelés mellett. Lithium akksit nem szívesen telepítenék ekkora méretben. Esetleg a vasfoszfátos verziója jöhetne számításba. Átgondolom. Köszi. A hozzászólás módosítva: Nov 30, 2022
Pontos értékre nem emlékszem, de csökkent a belső ellenállás. A gyakorlatban ez azt jelentette, hogy plusz egy szezont (beleértve a telet is) elment még az az akku amit egyébként ki kellett volna dobni, mert már +5 fokban sem indított.
Ólmosból napelem mellé kizárólag munkaakku, de már az is drágább mint az indító. Egyébként az elképzelésed nem jó, de ezt majd látod igazolódni a gyakorlatban is. Ha a megtermelt energiát az akkuba pakolgatod oda vissza az egyrészt dupla veszteség a hatásfokot tekintve, másrészt sokkal rövidebb élettartam az akkukra nézve. A megtermelt energiát ott és akkor kell felhasználni ahol és amikor előáll, vagy, be kell termelni a hálózatba. Könnyen belátható, hogy előbbit lehet ugyan optimalizálni, de sosem érhető el vele egy kellően hatékony rendszer (hosszútávon nem biztos hogy meg fogja érni). A hozzászólás módosítva: Nov 30, 2022
Igazad van, de kicsit mások a körülmények és az elvárások, ez csak egy pici tesztrendszer lenne, jelenleg csak gyűjtöm az infókat. De elég rosszak a kilátások, ha az akksit nem kellene 11.5-12V alá meríteni, meg nem kellene se feltölteni, se teljesen lemeríteni. Esetleg használom mint tartalék áramforrás, inverterrel, vészhelyzet esetére. 720Wh is már valami, elmegy róla a kazán legalább egy napot (keringető szivattyú, 50W).
Sziasztok,
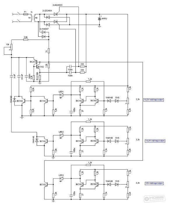
Valakinek nincs meg véletlenül a Reszursz akku töltő NYÁK-ja Sprint Layut-ba és meg is osztaná? Érdekelne a trafó szekunder feszültsége is. A válaszokat köszönöm, kellemes napot.
Eagle-ös van
Sasos nem jó, viszont ha átkonvertálod PDF-be, felülnézetből, akkor talán meg tudom oldani.
Köszi.
Reszursz 1 Layout 6-ban.
Köszönöm, meg is építetted? Így ahogy van működőképes? A három kondenzátornak mik az értékeik?
Én nem építettem meg, de a fórumban többen írtak róla. A kapcsolási rajzot mellékelem.
Igen, köszönöm, közben én is megtaláltam a cikkek között.
Bővebben: Link BUÉK mindenkinek, Én most ezt próbálom megépíteni, egyenlőre ebben a teljesítményben. Elvileg ha lassan is, de nagyobb teljesítményű aksihoz is használható lesz.
Tönkrement az akkumulátor töltőm, van itthon egy trafóm amit már egyenirányítottam szűrtem ahogy egy leírásban olvastam, nem tudom hogy gond e autó aksi töltésénél hogy innen 17,5 Voltot kapok, rávezethetem e az aksira, (12 voltos töltőből való a trafó, sajnos az alaplapja teljesen tönkre ment)?
Ha nem használhatom így a töltőt, akkor kérhetek egy egyszerű feszültségszabályzó alaprajzot? Valami esetleg még fontos lehet az üzemeltetéséhez, kérem jelezzétek. Van egy EL338T IC-m ezzel tudok kezdeni valamit, már ha egyáltalán feltétlen szükséges? Köszönöm.
Szűrni nem kell, teszel a kimenettel sorosan egy izzót, és már készen is vagy.
Hacsak nem "automata" töltőt szeretnél...
Az akkukat ritkán kell töltenj, de akkor ez a szükségmegoldás kiválóan megteszi, amid van.
Persze, cssk feltételezem, hogy (hagyományos) ólomakksiról beszélsz. (Ha nen, hát a te bajod). Szóval: semmi baj azzal, ha nagy a feszültség (többször leírtuk már), az áram a lényeg, és még az sem árt, ha (például) az ólomakku töltését mdgállítog 14,4-nél.. Az egészről értekeztek már kb 15 éven át, átolvastad??????
17.5 V terhelés nélkül.
az izzót kiválthatom ellenállással? Ha igen akkor az milyen értékű legyen? Motorom indító aksijához kell. Köszönöm.
Ilyenek az elektronika nélküli töltők. Régen az enyém is ilyen volt. 20V-ot lehetett mérni rajta.
Egyedül arra figyelj töltéskor hogy ne menjen az aksi feszültsége 14,4V fölé. A töltés vége felé ugrásszerűen kezd nőni a feszültség. Állandóan mérd műszerrel a feszültséget. Idézet: „az izzót kiválthatom ellenállással?” Nem, izzó kell. Más a karakterisztikájuk, illetve zárlat ellen is véd.
Szia!
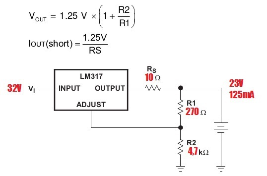
Szerintem elég az 1. kapcsolás. 32V-23V=9V 9V x 0,125A = 1,125W. Az LM317 elvileg 20W-ot tud, tehát megfelelő hűtéssel, bőven tudja ezt az áramot és feszültséget szolgáltatni.
Szia!
Ha "sarkos" karakterisztikát akarsz, akkor a terv2 a jó választás. Ez fog 125mA-en korlátozni mondjuk 22V kimenő feszültség mellett is. A terv1 kb. fele kimenő feszültségen kb. fele áramra korlátoz.
Üdv!
Kukáztam egy gyári akku töltőt, 12v/6A-t tud a felirata szerint. Az első képen látható a belső elrendezése. Van benne egy kapcsoló, amivel a minimum és maximum állás között lehet váltani. A pozitív ágban van egy üvegcsőben lévő, relé érintkezőre hasonlító valami, ami talán a töltés végén lekapcsolná a töltőt, vagy esetleges rövidzár esetén bontaná a kimenő feszültséget? Nos, ezt a töltőt szeretném kicsit átalakítani a második képen lévő kapcsolás szerint. Viszont a C122 jelzésű tirisztorról nem találok adatot, ide bármit betehetek ami bírja a kimenő áramot?
A visszahajló karakterisztika minden szempontból optimálisabb a "sarkos" nál és olcsóbb is az 1.rajz.
Idézet: Ezt én úgy értelmezném hogy nem potméterrel változtatható.. „mind a két kimenő érték fix legyen”
Igen, állandó áramra és feszültségre számoltam ki, az IC adatlapjában lévő képletekkel.
Kimaradt a hozzászólásomból, hogy 18V-os Ni-Cd akkumulátor töltéséhez gondoltam ezt az egyszerű kapcsolást.
Hello! Segítségképpen készítettem két szimulációt.
- Elsőnél láthatod az akkumulátor feszültség és a töltőáram összefüggését a "terv1" szerint. - A terv2 már korrektebb kapcsolás, de a Led-es jelzés nem, mert a Led árama nagyban függhet annak nyitófeszültségétől. Inkább a tranyós módosítást ajánlom. A 32V és 23V feszültség különbsége kicsit neccesen, de elegendő lehet a terv2 megoldásához.
Én nem akarok beleokoskodni, de az trafó nem biztos, hogy jó lesz. Neked egy 3 kivezetésű kellene, amin a középső a gnd, a másik kettő egyforma. Csak neked nem egyforma a kettő. Feljebb van a reszursz, azt építsd meg, potméterrel állítod a töltő áramot, a végén 14,4V-nál lekapcsol. Jó a trafód is hozzá.
Akkumulátor töltésnél szerintem "sarkos" karakterisztika szükséges.
A visszahajló karakterisztika azt jelent az én tudomásom szerint, hogy minél kisebb a kimeneti feszültség, annál kisebbre veszi az áramkorlátot. Viszont a rajz1 rövidzárlat esetén adja ki a 125mA-t, és a jellemző 18V körüli munkapontban csak kb. 31mA-rel fogja tölteni az akkumulátort.
Igen.
A tirisztor jelzése egyébként a Ti1 és az ajánlott típus az C122, ami 8A-es, de jobb, ha egy kicsit nagyobbat teszel be. A Ti2 jelű C106 pedig egy 4A-es típus, de csúcsban sem folyik rajta 0,4A, úgy hogy ide egy 1A-es típus is elég. |
Bejelentkezés
Hirdetés |

















