Fórum témák
» Több friss téma |
Csaknem minden dióda kapacitását lehet változtatni a záróirányú feszültséggel. Itt rezgőkörben tartózkodik a dióda, igy itt is használhatsz egy nagyfrekvenciás tipust, pl 1n4148-at, természetesen a modulációs mélység kevesebb lesz, de kipróbálhatod vele a kapcsolást.
(Zenerrel, vagy 1N40xx-el szerintem nem fog menni. Egy germánium, vélhetőleg tűs diódának alacsony a kapacitása, keveset is változik, az sem jó.)
Az 1N4148 az nagyfrekvenciás dióda volna? :O Na mindegy. Igen, elvileg mindegyik diódának van némi záró irányú kapacitása. Régebben kísérleteztem is, hogy nem varikap diódát raktam a rádiókba, hanem 1N4001-et, 4148-at, zénereket, de nekem igazából egyikkel sem működött. Vagyis lehet, hogy működött, de a sávban, ahol használni szerettem volna, nem volt életjele a kipróbált adóknak. Úgyhogy ezzel azért csak óvatosan!
Egyébként nem annyira ide tartozik, de tegnap megépítettem a 400 mW-os adót úgy, hogy mind3 tranzisztor BFR93-as volt, és nagy meglepetésemre 620 mW-ot ki tudtam belőle venni 9 V-os táp mellett!
köszönöm a választ mindketőtöknek megpróbálom hátha.
Lehet hogy hülye kérdés, de hogyan/mivel méred az adóteljesítményt?
-Hát lehet, mittoménmár...valami 1N kis vörös üvegtokos...régebben láttam ilyen kényszerkapcsolásokat "sima" diódákkal, nyilván rosszabb az eredmény, de működik. Ám meg lehet csinálni, ha már itt vagyunk, nagyfrekvenciás (típust nem írok!
) tranzisztor valamelyik átmenetével is.-De nézd csak meg: 1n4148:High speed, 4ns recoveri time!
sziasztok
nem tudotok vmi olyan kapcsolást amivel 50 km-et át leehtne lőni? tudom h illegális, de érdekelne hogy hogyan tudom megcsinálni 108 Mhz alatt
Jólvan, hiszek én neked
Csak nekem fura az 1N4148 mint nagyfrekis dióda. Legalábbis nem találkoztam vele még ilyen alkalmazásban. De ha 4ns, akkor 4 ns
A hétvégén építettem egy RF teljesítménymérőt, és azzal mértem meg. Csatoltam róla egy képet is. De akkor rosszul emlékeztem, nem csak 620 mW, hanem 67X mW.
Egy kérdésem lenne. Ha a tranyót kicserélem ebben a kapcsolásban a BC547-est C8050-esre és csökkentem az ellenállás értékét akkor növelem a teljesítményt, illetve a hatótávot?
Amugy a hFE igen nagy 300-as értéket üti. lehet le kellene hagyni a végerősítőt? ugyanis szerintem csak lehúzná a teljesítményt vagy kicseréljem a PNP párjára, vagyis C8850-re? itt az adatlapja: Bővebben: Link A választ köszi! Ezt a kérdést feltettem másik topikban csak nem néztek arrafele
Szia, hát nemtudom. Valamennyit biztosan nőni fog a teljesítmény, de azért km-eket úgy se várj tőle. Attól, hogy kicseréled a tranzisztorokat más típusra, attól az egyenáramú munkapontok nem fognak elmozdulni, és a tranzisztort vezérlő jelek sem nőnek sokkal nagyobbra. Bár a 300-as hFE azért az nem rossz
Egy próbát megér, de szerintem is csak a "végfok" nélkül. Azzal a bizonyos végfokkal nekem csak rossz tapasztalataim vannak, nekem inkább rontott a hatótávon,. mint növelte azt.
Ahhaa, így már mindent értek! Köszi a választ
![]() Egy rajzot esetleg tudnál csatolni erről az RF teljesítménymérőről? Köszönöm előre is
A kapcsolási rajzot, működési leírást és a PICbe égetendő hexfájlt is megatlálod ezen az oldalon.
akkor szerintetek lehetettlen megcsinálni hogy 50 km-t vigyen az adó?
Az FM sávban felejtsd el az 50 km-es hatótávot... Jó antenna és nagy teljesítményű adó kellene hozzá, arról nem beszélve, hogy párszáz négyzetkilóméteres területet fedél/zavarnál vele.
és AMe-n?
fm adón már a 10 km-ig eljutottam, megnézem h mire képek egy freki erősítő hány km-t lehet belőle kihozni
Am műsorszóró sávra meg nem fogsz antennát építeni XD
lehagytam azt5 hogy elvileg a nagyteljesítményű freki erősítő 100-200Mhz között 5*-ös erősítésre képes (elvileg)
hát
akkor marad az fm sávval való kísérletezés te hogy csináltad meg a digitális tekerést? (nyomógombokkal+LCD kijelző)
Heló meg épitetem ezt az adót http://www.hobbielektronika.hu/forum/files/c4/c4ef9c7f3b7bc17af8501...3b.jpg
ezel az antenával szórom a müsort. A probléma a következő analóg rádiókal lehet venni az adót 10-15 m-ig de digitális hangolásuval nem (csak akkor ha a rádió antenája 10 -15cm-re re van) mi lehet a probléma? Analóg rádió meg csak 1 van (rádiós walkman) :rinya: A kép alján van egy kapcsolás ehez varkap diódát tv-böl lehet kioperálni (mert boltba azt mondták nincs rendelni sem tudnak)?
Amugy a digitális rádió anyi adót hoz hogy alig van üres hely az analóg pedig csak néhány adást+a sajátomat.
Igy első olvasatra két ötletem van, az egyik, hogy az adód frekvenciája nem 100kHz-re végződik, vagyis két "csatorna" között ad. (Mennyi is a PLL felbontása?) A digi rádiódnak pedig jó a közelszelektivitása. A másik sejtésem, ami valószínűbb, hogy az oszcillátorod nem a sávban ad, és a vevőd csupán a felharmónikusát fogja, vagy valami helyben kikevert termékét. A digitális rádiód pedig a szintén jobb távolszelektivitása miatt nem fogja...
Üdv
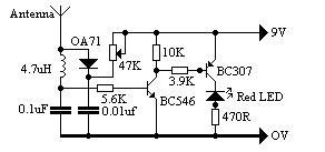
RF teljesítmény méréshez szeretnék kapcs rajzot keresni. RF végfokhoz,mert ugyan izzóval be tudom hangolni,de azt nem hagyhatom rajt a végén mert megeszi a teljesítményt.Egyszer láttam vhol egy kis ledes kapcsolást,amit rajt is lehet hagyni a kimeneten,de már sajna nem tudom hol láttam.Ha vki tud ilyent megköszönném!!
Köszi az infót!!
De nem akarok egy ekkora dolgot építeni,most csak azért hogy lássam maxon dolgozik e az adó vagy sem,a kis ledes dolog jó,úgy működik mint az izzó,minnél fényesebben világít annál nagyobb a teljesítmény.És rajt tudom hagyni,kivezetni az előlapra.Ekkora "dögnek" nem akkarok nekiállni,örültem ha összedobom az adót De azért köszi
Hello, használd ezeket...csatold a jelet a diódán keresztül a bázisra, ill a gate-re. Az LC tag nem szükséges.
Hali!
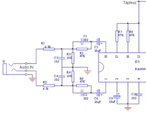
Szeretnék épiteni egy fm adót. Én a BA1404-et néztem ki még anno, de itt a forumon is olvastam hogy van már neki javitott változata is. Szóval egy kapcsolási rajz kellene, illetve tapasztalatok, jó tanácsok a nálam tapasztaltabbaktól. Előre is köszönet.
Szia,
a BA1404-es IC legfőbb hátránya az (volt), hogy borzasztóan érzékeny a hangforrás minőségére. Én pl. a számítógép hangját egyszerűen nem tudtam rákötni, mert olyan zajos volt, hogy élvezhetetlen volt az egész. MP3 lejátszónál is erősen típusfüggő volt, hogy mennyire jelent meg a sistergés a hasznos jel mellett. Na mindegy, annyi a lényeg, hogy ha az IC audio bemenetét a képen látható módon építed meg, akkor nagyon sokat javul a rádió hangminősége. Ezzel az audio résszel még nem sikerült olyan hangforrást találnom, ami gondot okozott volna a zaj szempontjából. Most már PC-ről, TVről, DVDlejátszóról és MP3 lejátszóról is szép hangja van, szinte hallhatatlan háttérzajjal. Mindenkinek csak ajánlani tudom. Csatoltam az ide vonatkozó kapcsolási rajzot is (az IC körül található többi alkatrész teljesen megegyezik a szokásos, netes kapcsolásokéval). A fényképen pedig egy komplett, PLL vezérelt, 4 W teljesítményű sztereó rádióadót láthattok. A pirossal keretezett rész a sztereó-kóder (az BA1404 RF részét ebben a projektben nem használtam fel).
Tetszik ez a kivitel!
Milyen végfoktranyó van benne?Esetleg van hozzá kapcsirajz, amit megosztanál velünk? üdv: Zsuscsinyo
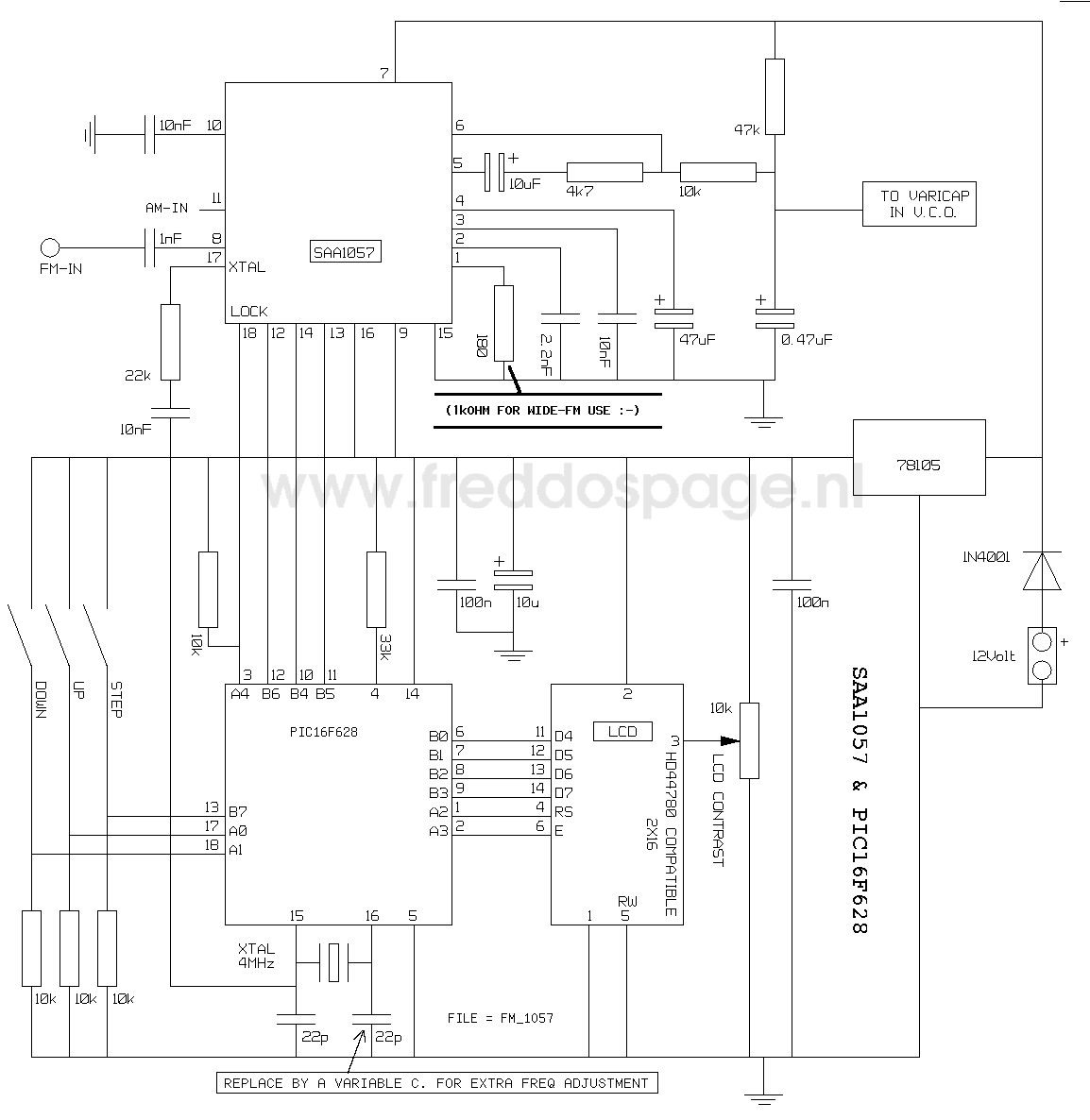
Persze van hozzá kapcsolás is
![]() A képen látható adó vagy 3-4 helyről van összeszedve, esetleg egy-két helyen módosítva (csak apróságok, mint pl.: jumper-elhető kimenő teljesítmény [1/2/3 W stb...]). A rádióadó része az lényegében ez. Itt a T4-es tranzisztor 2SC1971 helyett 2N3553-as típus, a varikapdiódák pedig BB133-asok (4 db, 2-2 párhuzamosan, hogy meglegyen a megfelelő freki-átfogás). Az R13-as ellenállást 3 darabból alakítottam ki, és egy tüskesorral és jumper-rel köthető össze a T3 emitterével => így könnyen állítható a kimenő teljesítmény. A PLL kapcsolási rajzát, és a PICbe égetendő hex fájlt is csatoltam. Ezen nem módosítottam semmit. A sztereókóder rész pedig pedig a már említett verzió. A képeken lévő rádióval a hatótáv városon belül 2-4 km körül van, de nyílt terepen a 10 km is áthidalható vele.
Ohh, nagyon hálásan köszönöm a gyors választ és a képeket!
Még egy kérdésem volna, az alábbi tranyóim vannak amiben van erő, és persze ezekből tudok válogatni a beépítéshez: MRF5174 BLX39 2T9205 2T955A 2N3632 BFR94 BF333 Remélem lehet helyettesíteni valamelyiket is A válaszodat ismételten köszönöm! :yes: Ezeket felsoroltam már az FM adó kérdések topikban de válasz nélkül jártam. |
Bejelentkezés
Hirdetés |




) tranzisztor valamelyik átmenetével is.
Csak nekem fura az 







Milyen végfoktranyó van benne?







