Fórum témák
» Több friss téma |
Fórum » Propeller Clock
Bocsi, hogy értetlenkedek, de a PIC-hez annyira nem értek. Nem tudsz valami jó helyet ahol a működésről és a programozásáról alapoktól lehet tanulni?
Készült óra IR LED-del és HALL érzékelővel. Annyi a különbség, hogy a bázis a motor indítás után némány másodperccel kapcsolja be az IR LED -et és a leállítási parancs vételekor kikapcsolja azt. Ezzel jobban biztosítja, hogy a kép akkor alakulhasson ki, amikor a fordulatszám stabilizálódott, ill. akkor már ne legyen kép, amikor a motor lassul.
A HAL érzékelő mindig szolgáltat impulzusokat a gyorsuló / lassuló motor esetén is. Ha elhagyod, nem kell ellenállás. A láb kimenet, így mérhető lesz rajta a vezérlés.
Szisztok!
A LEDek előtét ellenállásával szórakozom. A zöld LED- nél (a fő szín), hogy a fényereje a többivel azonos legyen (szemre) 10K ellenállás kell (ugyanaz a tipusú led, a zöld mégis sokkal erősebb). Nem fog sok energiát felvenni 23 LED esetén?
Néha benézek ide. De semmi változás. Emlékszem 2012 évre élt a fórum.
Kiváncsi lennék akik akkor megépítették az órát vajon kinek működik még? Ma mit építgetnek? Építgetne-e? Vagy csak én maradtam a forrasztópáka mellett?
Sajnos több dolog hiányzik az építgetéshez. Jó szem, elszántság és legfőképp idő.
Hali. Én "kly"óráját építettem meg .( Nem az RGB változatot). Azóta is szuperül megy , időnként beindítom- főként akkor ha egy baráti társaság megkérdezi ,hogy mi a fene az a szekrényre csavarozva. Mindig azzal viccelődök hogy az egy gitár.( Mikor távirányítóval beindítom -húúú vazze) Nagy meló volt egy öreg , más szakmában dolgozó amatőrnek-talán nem is csináltam azóta sem bonyolultabb eszközt.Nagyon hálás vagyok kly fórumtársnak az önzetlen segítségért és porba hullik a fejem mert lehet , hogy beleunt a rengeteg kérdésbe és segítség kérésbe- azért hagyta itt a fórumot.
Azóta a fiam lakásába :Kazán vezérlő és biztonsági rendszer. Az óra imádat miatt arduinó és WS2812 bináris óra (lézervágott házikóba) infinity mirror tükör óra , és lépcső világítás .......... ...szeretek bütykölni , de hát az idő - a szem ... Idézet: „beleunt a rengeteg kérdésbe és segítség kérésbe- azért hagyta itt a fórumot.” Nem ez volt az oka "sajnos"
Igen az idő! Ez azért elég érdekes dolog! Mindenkinek arra jut idő amire szakít. A szemre is van megoldás. Nekem is van "bütykölni" való. Az óra után Mini CNC építésbe fogtam. Nem olcsó és nem is olyan egyszerű mint gondolná az ember. Már ha használható berendezést szeretnél. Mindíg van mit javítani, - bőviteni rajta. Én Kly, patexati útmutatásai alapján elkezdtem a 127 RGB ledes óra építését de sajnos nem jutott el a dolog túl messzire. Még a tervezés elején leállt.
![]() Fizikailag meg van a rotor be van ültetve.Van egy PI hez tervezet kiegészítő panel Hozzá az alkatrészekkel valamint a program erősen béta verzíóban ha minden igaz De mivel a tervezők elengedték a projektet itt megállt a kivitelezés. A hozzászólás módosítva: Jún 12, 2022
Sziasztok!
Még évekkel ezelőtt építettem órát, ami eddig a szekrény mélyén pihent. Most költözéskor előkerült, működik is, de a távirányítóra nem igazán reagál azon kívül, hogy ki-be kapcsol. Egyszer sikerült beállítani az időt rajta, de az elem le volt merülve, ezért kikapcsoltam. Tettem bele új elemet, de azóta nem reagál. Merre keressem a hibát?
Sziasztok!
Kellene egy kis segítség. Elkészültem az órával a saját igényeimnek megfelelően. A baj csak az, hogy nem indul el. A bázis program szerintem nem jó. Nem tudom tudtok-e segíteni, teszek fel képeket és nézzétek át ha van kedvetek. Üdv: Attila URC 22-es távirányítóm van, de nem indul vele. Nem kapcsol áramot a tekercsre. A hozzászólás módosítva: Máj 29, 2023
összekötötted a PC -vel? A kezelő programban van egy "Infra RC5 command" fül, amin minden vett RC5 parancskódot megjelenít, attól függetlenül, hogy az órának szól vagy sem.
A kezelő programból is indítható az óra. A bázis állománynevében a14h az RC5 címre utal 0x14 = 20 decimálisan. A rotor módosított állományában my_keys.asm pedig 0.
Köszönöm, megnézem, de az utolsó részt nem értem. Az, hogy a my_key.asm 0 az mit jelent, az ugy jó vag nem.
Esetleg, ha ez az állomány nem jó, tudnál küldeni egy megfelelő progit a bazisnak és a rotornak is? Urc 22, ill. Urc 22 b távirányítóm van. Beégetni tudok, de az a fránya programozás nem megy. Nincs időm rá.
Egy közös infra távirányítóval szeretnéd vezérelni az órát és a bázist is.
A rotor programjában az RC5 címet a my_keys.asm állományban a
sor állítja be. Itt az érték 0. A bázis állománynevében a 14h utal az RC5 címre. 14h = 20 decimálisan. Az URC22(B) távirányítón a kiválasztáskor beadott kód határozza meg az elküldött RC5 címet. Sokféle beállítás lehetséges ld. melléklet.
Szia!
Az lenne a kérdésem, hogy a fentebb felrakott órámhoz tudnál-e adni beégethető és használható hex állományokat, közös távirányítású vezérléssel mondjuk URC 22, vagy URC 22B távirányítóhoz. Üdv: Attila Nekem csak ezek az állományok vannak meg. Pl Base.asm sincs. A hozzászólás módosítva: Máj 30, 2023
Rádugtam a gépre usb-n keresztül. Nem találja. Nem tudom mi lehet az oka.
Szia!
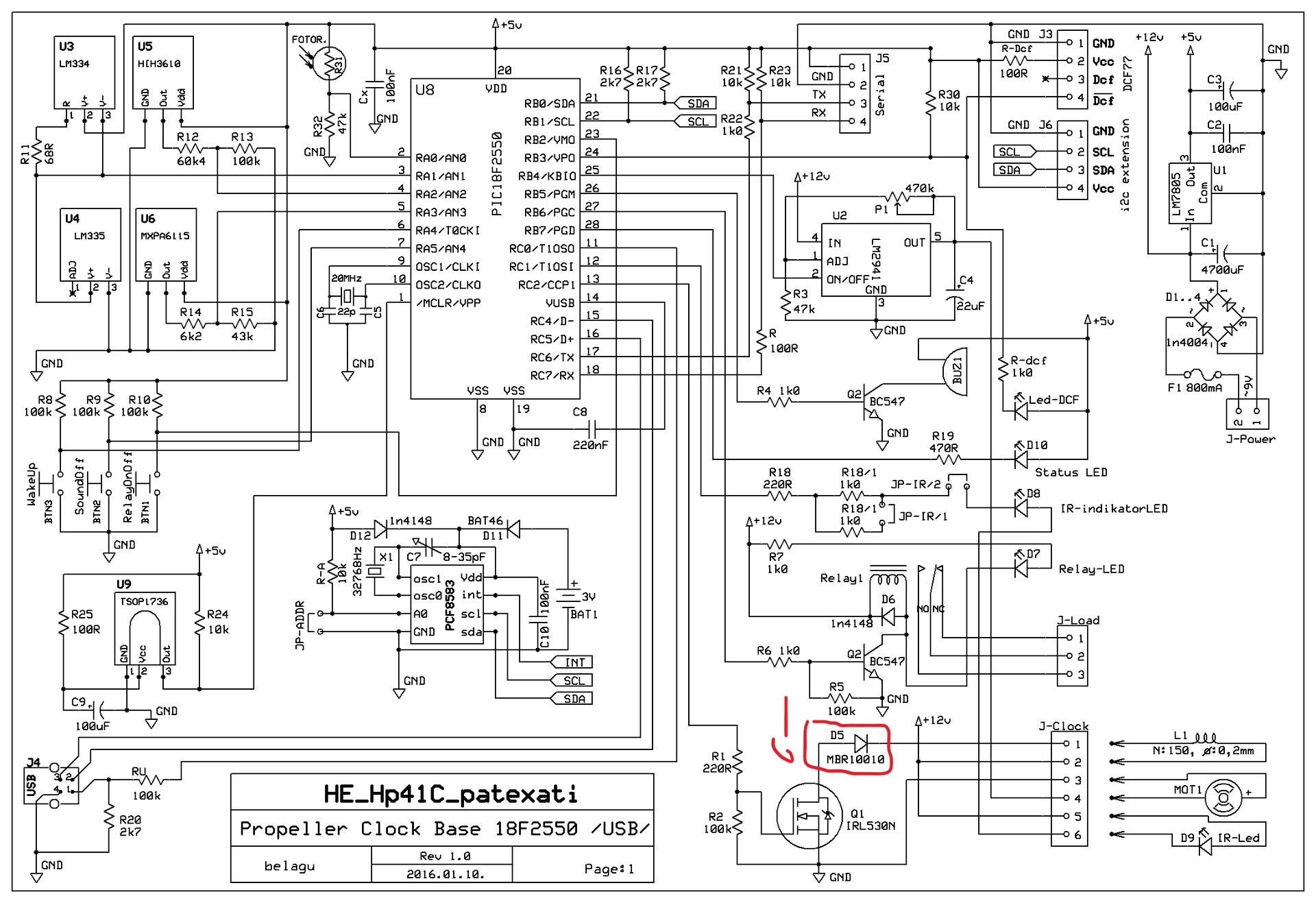
Idézet: „Rádugtam a gépre usb-n keresztül. Nem találja. Nem tudom mi lehet az oka.” Ugye 18F2550 van benne, usb base programmal felprogramozva. Adtál neki tápot is? HID eszköznek kellene lennie. Megjelenik, mint fel nem ismert eszköz? Megmutatja a VID-PID értékeket. Sajnos egyedi VID és PIC lefoglalásához regisztrálni kell (fizetős) az USB -nél. Nem tettem meg. Többek között ezért sem publikáltam. 18F2550 -nel és 16F886-nel soros vonallal is csatlakoztatható a PC egyik COM portjához (USB konverter is lehet). Idézet: „Nézd meg légyszíves, a bázis kapcsolási rajzán az MBR10100 nem fordítva van bekötve?” Ha nem az anódja lenne a +táp felé, nem tudna áram folyni egyáltalán. Ötletek a beméréshez: Gombokkal is le lehet indítani a rotort. Nem kell a PC-s kapcsolat és a távirányító sem. A tekercs (forgó trafó) és a motor helyére is lehet kötni LED -et előtét ellenállással. Így látható, hogy bekapcsolódik a trafó vezéslése és a motor. A hozzászólás módosítva: Jún 1, 2023
[Ha nem az anódja lenne a +táp felé, nem tudna áram folyni egyáltalán.]
Ház ez az ! A katód van a táp felé, a beültetési rajzon már jól van. De mivel én a kapcs. rajz alapján dolgoztam, fordítva raktam. Megnézem mi lesz ha kijavítom.
Szia. Igazán szépen sikerült a nyáklemez. A tervek publikusak-e hozza? Kb. 11 évvel ezelőt megépítettem a Vicsys féle órát furatszerelt alkatrészekből, de az soha se ment jól, túl nagy volt a súlya a rotornak, látván a munkádat ismét kedvet kaptam az építéshez.
Szia!
Persze, publikusak, csak most ellenőrizgetem és élesztgetem az órát. Mihelyt jó lesz teljesen felrakom!
Sziasztok!
Kérnék egy kis segítséget. Elkészültem végre nagyjából a müködő propeller clock-kal. Linkelek egy videót róla. Annyi problémám lenne, hogy a Prop_886_SMD_4.53_26 LED, Base_2250_4.02 páros nem szinkronizál egymással, az adatátvitelt ez a program ezt nem tudja. Esetleg elkérhetném valakitől a program azon verzióját? Sajnos a fórum nagyjaitól kérdeztem privátban, de még csak nem is válaszoltak az üzenetemre. Ha valaki tudna segíteni, nagyon megköszönném. Szerintem ez lenne ennek az oldalnak és a fórumnak is a lényege. Belagu fórumtársunk nagyon sokat segített az óra élesztésében és tökéletesítésében. Itt is szeretném megköszönni neki a sok fáradozását. Mindent köszönök: Nurseboy https://youtu.be/9WK7k_UvvWQ Üdv: Ati Idézet: „Sajnos a fórum nagyjaitól kérdeztem privátban, de még csak nem is válaszoltak az üzenetemre.” Nagyon helyesen tették. Idézet: „Ha valaki tudna segíteni, nagyon megköszönném. Szerintem ez lenne ennek az oldalnak és a fórumnak is a lényege.” Igen, de nem privátban, hanem mindenki okulására.
Kedves Gafly!
Természetesen igazad van, de a program saját agyszüleménye Hp41c kollégának. Mivel azóta sem tette fel a program általam is kért változatát, gondolom nem akarta csak ugy szabad prédává tenni. Ezért irtam privátban és csatoltam bizonyítékot. Ha nem szeretné megosztani nem baj hiszen ő dolgozott vele. Én csak egy választ vártam, hogy igen vagy nem. Azt hiszem ez nem tul nagy kérés. Több mint egy éve építgettem tervezgettem az órámat, most jutottam oda, hogy mostmár szükségem lenne a programra, amivel azt mondanám, hogy készen vagyok. Bocs Gafly, de szerintem korrektül jártam el. Üdv: Ati
Sziasztok!
Aki esetleg a 18f2550-es USB Base készíti, annak mondanám, hogy a program jó, csak PitKit3 kell hozzá. Először PitKit2-őt használtam és valami olyasmit irt, hogy a program nagyobb mint a PIC. Nem is működött rendesen. Aztán az Ali-ról rendeltem egy PicKit3-at, felprogramoztam vele és minden jó lett! Üdv: Ati Idézet: „Sajnos a fórum nagyjaitól kérdeztem privátban, de még csak nem is válaszoltak az üzenetemre.” Tényleg a többiek sem válaszoltak a privátra? Idézet: „Tényleg a többiek sem válaszoltak a privátra?” Bocsánat, egy választ kaptam. Tisztelet a kivételnek. david10 - nek jelezném, hogy ha meg szeretné építeni, segítek neki.
Köszönöm hogy gondoltál rám, természetesen érdekel továbbra is a dolog, válaszoltam.
|
Bejelentkezés
Hirdetés |
















