Fórum témák
» Több friss téma |
Tehát, ha a frekvenciamenet egyenes, akkor a sáv végéig nagyjából azonos a futási idő. Ebből az jön le, hogy minél magasabb legyen a sávszélesség... na de 30Mhz? Ahogy elnézem, 1 MHz-en még állandó a futási idő kompenzáció nélkül is. ( egyéb dolgok miatt kell a kompenzáció ) Szerintem, el kellene döntened, hogy szkópot építesz, vagy a szent grált keresed...
" Futási idő hiba bármilyen frekvencián keletkezhet. Erősítőknél is lekeveredhet a hangfrekvenciás sávba " Hogyan? A probléma ott kezdődik, hogy végy két jó hangfalat. Utána tegyél meg mindent a szobaakusztikáért, utána jön az erősítő. Ugye, azt nem kell hangsúlyozni, hogy ebből a triumvirátusból a felsorolt sorrendben változnak a költségek. Nyilván, a legolcsóbbat kezdi mindenki javítgatni, hátha...
Köszönöm!
A Stuart_Ovidiu le van mentve nekem is. A vigasztaló benne, hogy mások is tudnak "egyszerű" kapcsolásokat tervezni : ) A Todorov-féle kapcsolások szimpatikusabbak, de még azokkal is ismerkednem kell(-ene). Ezt az NDFL-t hazudnék ha azt mondanám, hogy értem... inkább csak sejtéseim vannak. Valahol próbálkoztam a kimeneti fázisjavító RC tag kondijáról levett visszacsatolással, csak hát a matek és egyéb tudáshiány... Érdemes ezeket az E.M.Cherry kapcsolásokat kicsit átbogarászni szerintem. Szerencsére hosszú a tél.
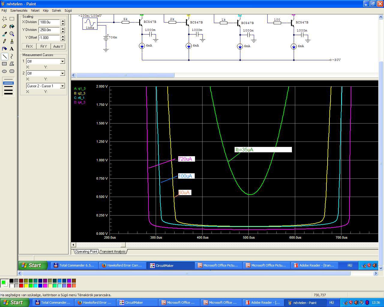
Figyelj arra, hogy a kaszkódban lévő BC557/547 páros a 6mA-t 0.6V Uce mellett már nehezen tolerálja!
Idézet: „a Pioneer volt az egyetlen multi aki vélhetően megvette Cherry szabadalmát és sorozatban gyártott erősítőkön bizonyította a kompenzáció életképességét.” Majd CFP alapú kapcsolásra tértek át...
Jó, köszönöm, hogy figyelmeztettél. Próbáltam LED-del a két dióda helyett, de azzal nőtt a torzítás. Valószínűleg nem ezek a tranzisztorok lesznek benne, szereztem jobbakat : ) átgondolom még a dolgokat. Problémás kimérni a tranziens átvitelt is. Nincs 30 MHz-es Burst-öm, valamit ki kell találni rá.
BC327/337 nagyon jó szaturációs paraméterekkel rendelkezik. Sajnos a szimulátorok nemigen foglalkoznak a kvázi szaturációval...
Rengeteg találmánya/szabadalma volt a Pioneer-nek (is) azokban a régi szép időkben amikor még jó hangú erősítőkkel szerettek volna előrukkolni a Japánok. Azért szerintem érdemes egy kis időt eltölteni ezzel az NDFL-lel, már csak a tisztán látás miatt is.
Köszönöm a tippet, van is itthon belőle 50 pár. Megnézem a CM-et, hogy szaturálnak benne.
Idézet: „Szerintem, el kellene döntened, hogy szkópot építesz, vagy a szent grált keresed...” Sokan már 100 MHz-es aktív eszközökkel babrálnak , Az hogy az emberi hang + akusztikus hangszerek meghallgatásához ez miért lenne szükséges? Vemènyem szerint az elmúlt évtizedekben az NFB fejlesztése lekötötte mindenki szellemi kapacitását - az erősítő milyensége az nem volt annyira fontos. Azt a sok pénzt amit az NFB-re rátoltak, azzal az analóg erősítéstechnika a menybe ment volna ![]() TJ.
Mintha a CM elég tisztességesen meg lenne csinálva ebből a szempontból.
Valahogy lehet karakterisztikát is rajzoltatni vele, majd utána nézek hogyan...
Köszönöm, este elolvasom ezeket a diyaudio-s oldalakat.
Ha visszaemlékszel még a félbemaradt tranzisztorteszterre. Akkor megmértem néhány néhány kisjelű BJT-t és összehasonlítottam a méréseket a CM által szimulált adatokkal... közük nem volt egymáshoz. Ebből a végfokból mindenképpen építenem kell egy újabb deszkamodellt amivel végig kell játszanom ugyanazt az alkatrész csereberés meghallgatásos tesztsorozatot, mint az előfokkal. Az eredeti Burgumot megtartom "etalonnak", hogy legyen miből kiindulni és elkerüljem az eltévelyedéseket, az önbecsapásokat. Hosszú menetnek ígérkezik, de tanulságos lesz szerintem. Úgy kell megcsinálni, hogy bármikor cserélgetni tudjak önálló modulokat, (viszonylag) könnyen és gyorsan.
Emlékeztem, hogy ez az "npncurve" benne van a kapcsolási mintapéldákban, de a szaturációs feszültségre kellene felrajzoltatni ugyanezt. Most megint teljesen zokni vagyok agyilag (jön valami front).
Azt rajzolja, hogy a BC547C a legjobb, mert ennek legnagyobb a bétája.
Itt a 400-500 közötti bétájú KSC1845. Ennek a modellje szépen mutatja kvázi szaturációt.
A BC547 nálad is jobban szerepel ebből a szempontból, annak elégnek tűnik a 0.6V Uce fesz. 6mA-nél is. Meg kellene mérni. Az Tesla tud szaturációt mérni, csak lusta vagyok kimenni a műhelybe.
Most jó LED-del is. Vakujjak meg ha nem tízszeres torzítást mutatott LED-del legutóbb. Valamit elnyomhattam. Ezzel megszűnik ez a szaturációs probléma.
Köszönöm! A LED-hez?
Olvasom ezt a kvázi szaturációt. Nagyon érdekes és tanulságos. Idézet: „Tehát, ha a frekvenciamenet egyenes, akkor a sáv végéig nagyjából azonos a futási idő. Ebből az jön le, hogy minél magasabb legyen a sávszélesség... na de 30Mhz? Ahogy elnézem, 1 MHz-en még állandó a futási idő kompenzáció nélkül is. ( egyéb dolgok miatt kell a kompenzáció ) Szerintem, el kellene döntened, hogy szkópot építesz, vagy a szent grált keresed...” Pontosan nem tudom mire kell a kompenzáció, én csak ész nélkül nyomkodom a szimulátort. Döntsd el Te, hogy ez most szkóp, vagy erősítő. Bocs... de soha nem tudom megállni, hogy néha ne legyek kicsit aljas : )
Ezekkel a tranzisztorokkal szemezek az első körben. Ha gondolnál valamit a "döntéseimről" és nem hallgatnád el, nagyon hálás lennék. Ismét. Tudom, tele a padlás a háláimmal : )
Két dologba kötnék bele:
1, biztosan kell a bemenetre a dupla emitter követő? Annyira kisimpedanciás a nvcs., hogy szerintem Q6 és Q7 bőven elé lenne, különösen, ha abban a fokozatban is BC550C/560C lenne az 500-600 közötti bétával. 2, Q13 és Q14: Ezek a tranzisztorok 80V-osak ami +/-51V-nál kicsit karcsú, szerintem. Ráadásul túlzásnak érzem az 1A-es maximális kollektoráramot ebben a fokozatban. Általánosságban: Picit túlzás a 10MHz-es átvitel, amit a szórt paraméterek és azok változása nehezen karban tarthatóvá tesz. Itt talán a "kevesebb több" elve jobban jönne. Csatolom a V4 nyílthurkú átvitelét. Ebben semmilyen kompenzáló kondenzátor sincsen. (dehát minden cigány a maga lovát dícséri, ugye) A hozzászólás módosítva: Nov 12, 2023
Egy újabb verzió...
Total Harmonic Distortion: 0.000439% 40Vpp kimenő jelnél. A hozzászólás módosítva: Nov 12, 2023
Meg tudom magyarázni : )
1. A nagyobb tápelnyomás miatt gondoltam bele tenni a kettős emitterkövetőt. Most is ilyen. Kispórolok velük két drága ellenállást. Szereztem 2SA1381/2SC3503-akat, ezek annyira kis áramúak, hogy nem sok mindenre jók. Az adatlap szerint ezeknek is 500 a bétája, de majd megmérem.2. A 80V Uce bőven sok, 62V-nál nem kap többet. Ezekből is van a fiókban. Ha van jobb ötleted helyette, kipróbálom azzal is. De TO92 tokozású kellene, mert az egész sor be lesz (van) ragasztva egy alu tömbbe, ami 10x10-es alurúd a gyakorlatban (lásd a képen). 3. A nyílthurkú sávszélesség 100kHz, a nyílthurú erősítés 50dB, ebből jön ki a a 30MHz-es egységerősítési frekvencia. Zárthurokban csak 2.5MHz-es, tehát lassabb mint a V4. 4. A kompenzáló kondik ártani nem használnak szerintem, majd mérek ha kész lesz és kiderül a vallatásnál. Ezzel a 2pF-fel (C10) én is gondban vagyok kicsit. Ezen törpöltem éppen tegnap estétől. Teszek egy külön öcsi panelt a visszacsatolókörnek. Kihasználom a nyák dielektromos állandóját és megspórolok egy Mica kondit. Szerintem "lehet talán esetleg hátha" ez a kétoldalas nyákon kialakított kapacitás lesz olyan minőségű, mint a legjobb kerámia kondik. Szinte nulla fólia induktivitások lesznek, plusz néhány nH a hozzávezetéseké. A nyák szélét impregnálni kell a légnedvesség ingadozása miatt. Egy 10x10 cm-es, 1,6 mm vastag, kétoldalas nyák kapacitása számolva 277pF (ha a dielektromos állandóját 5-nek veszem). Ezt már valamennyire pontosan meg lehet mérni és ebből nem tudom vajon hány ppm-es 2pF-es kondit "csinálni", amit szükség esetén sniccerrel tudok trimmerelni : ) Milyen ötlet? : )
Ez kiköpött V4
Nem tudom. Ki lehet próbálni majd modul csereberével.Hallanom kellene már valahol egy rendesen megépített V4-et, mert amúgy is régóta birizgálja a fantáziámat, hogy milyen lehet. Bennem az az emlék él, amikor lekoppintottam a Marantz-ot (valamilyen szinten) és nem tetszett. Ez volt az "Irgum" ami miatt leírtam a Burgumot, hogy sz@rul szól. A hozzászólás módosítva: Nov 12, 2023
Neeeem...ez egy Onkyo alapján indult, de belekerült a Hawskford kaszkód. Elég gyors és csak 2db 68p-s kondi van benne...
|
Bejelentkezés
Hirdetés |





, 


























