Fórum témák

» Több friss téma
Fórum » Gitár torzító / Effekt / Erősítő / Pickup
Lapozás: OK   315 / 317
(#) proli007 válasza Rahed Lee hozzászólására (») Dec 14, 2023 / 1
 
Hello! Én egy csomó ventilátor vezérlő kapcsolást tettem már fel..
(#) Rahed Lee válasza proli007 hozzászólására (») Dec 14, 2023 /
 
Köszönöm a hozzászólásokat. Első körben berakom a gyártó (Ashdown Labs) által is javasolt thermosztát kapcsolót és meglátom, hogy hogyan működik. Ha annyit elérek, hogy szobahangerőn még nem megy a két ventilátor, akkor azzal megelégszem. Színpadra nem készülök, de ha mégis odakerülne a cucc, akkor azon a hangerőn már úgysem hallani semmit a ventilátorokból.
(#) Rahed Lee válasza Massawa hozzászólására (») Dec 14, 2023 /
 
Szerintem is optimális lehet a 60 fokos zárás és amíg vissza nem hűl 45-re, addig fullon teker. Ez optimális hűtőborda hőmérsékletnek tűnik. A Prolude műszaki leírásában láttam valahol, hogy 60 foknál kapcsol a hűtés. Ő pedig kimondottan színpadi cuccokat gyárt, 700-750W-os erősítői vannak, sokkal kisebb házba építve. Az enyém csak 570W és igen tágas, jól szellőző a doboza, a hűtőbordák is termetesek.
(#) tothbela válasza Rahed Lee hozzászólására (») Dec 14, 2023 / 2
 
A két vezetékes ventilátor fordulatszámát a tápfeszültség csökkentésével lehet halkíttatni. Egy 12V-os venti 7V-ról már vígan elketyeg, a 24V-os meg 12V-ról. Ha nem akarsz bonyolult áramkörrel szenvedni, akkor az a bizonyos hőkapcsolót a megoldás, de köss vele párhuzamosan egy ellenállást. Ekkor hidegen halkan fog járni a venti, melegen pedig teljes sebességel. Gyakorlatilag a lassú üzem elég hogy kiöblítse az erősítő légterét, nem túl vad játéknál a hűtés is megoldja. Ha csak ki-be kapcsolatna a hőkapcsoló, az zavaró lenne. Ráadásul pengetési nélkül is annyira felmelegedne a belső, hogy mindenképpen be kapcsolnak néha a hőkapcsoló.
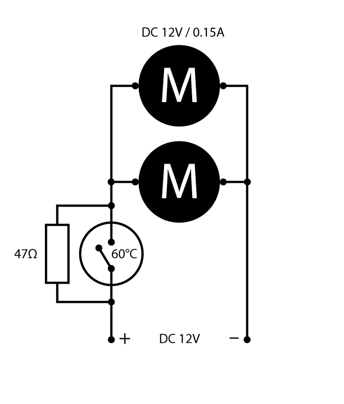
Az ellenállás értékét nem tudom biztosra megmondani neked, de 12V/150mA venti esetében kb 100 Ohm kell. Neked kettő venti van, de nem tudom hogy sorosan, vagy párhuzamosan van kötve. Úgy rémlik, az Ashdown mag 300 24V-os centit használt, de már nem emlékszem. Tehát ha sorosan jár a két venti 24V-ról,akkor 180-220 Ohm/2-5W, ha 12V-ról párhuzamosan, akkor 47 Ohm/2-5W.

Sajnos ahány ventilátor, annyi karakterisztika, így lehet hogy a pontos ellenállás értékét ki kellene kísérletezni, de valahol amit írtam, annak a 60/150%-a körül kell lennie. Ha nem áll módodban tesztelgettni, akkor vegyél 30 darab 1kOhm negyedwattos ellenállást, ebből annyit köss párhuzamosan akár a hőkapcsoló lábaira, ami ki nem adja a kívánt értékét. 33 Ohmtól 1000 Ohmig tudsz majd variálni.
(#) Rahed Lee válasza tothbela hozzászólására (») Dec 15, 2023 /
 
Ez a megoldás tetszene igazán, köszi.

Akkor ha jól értem, egy ellenállás közbeiktatásával csinálnék egy bypass-t. A hőkapcsoló nyitott állásában, 60 fokig, a bypass-on keresztül kapna csökkentett tápfeszt a két ventillátor, 60 fok alatt csak fél,- negyedgázon menne. Ha bekapcsol a termosztát, akkor onnan fullgáz. Lefirkantottam, hogy jól értettem-e. Trimmer potival nem lenne egyszerűbb az élet?

Párhuzamosan van kötve a két venti, 12V, 0.15A / ventilátor. A fotón látszik, jelöltem a bekötést.

Tegnap a szellőzőrésen bedugtam a hűtőbordára a multiméter hőfokmérő szondáját, hogy megtudjam, menet közben mi újság van odabent. Kikapcsolt állapotban a hűtőbordán 19 fokot mértem (a szobában 22 volt). Bekapcsolva és egy 20 perces, a szobahangerőnél nagyobb hangerővel történt brummogás után sem bírtam 25 fok fölé erőltetnem. Azt is csak akkor, ha slapp-el úgy megcsaptam a húrt, hogy a bemeneti jelszintet mutató VU-meter belenyalt a pirosba. Ha letettem a gitárt, fél perc alatt visszahűlt 20 fokra. Nyilván, ha a végfoktranyóra tudtam volna rakni a mérőszondát, ott többet mutatott volna, de ahhoz szét kellett volna szednem. Szóval arra jutottam, hogy ez egy ízig-vérig színpadi cucc, már a méreteiből is lehetett erre következtetni. Ez arra van tervezve, hogy kint izzadjon a színpadon. Azzal nem foglalkoztak, hogy ezt valaki szobahangerőn is használná és ott felesleges a tornádó. Nagyon szépen kifutja magát szobahangerőn is, de ezt túlhűtés nélkül, éberkómás állapotban is lazán teljesítené.
(#) tothbela válasza Rahed Lee hozzászólására (») Dec 15, 2023 / 1
 
Jó a rajzod. A trimmer potival az a gond, hogy 1-2W disszipációt nem bír csak az erősebb huzal fajta. Viszont van itthon néhány 12V-os ventim, meg tudom tesztelni hogy kb mekkora ellenállást igényel.

A telefonom folyton átírja a szavaimat, de hát a mesterséges intelligencia jobban tudja.
A hozzászólás módosítva: Dec 15, 2023
(#) uniman válasza Rahed Lee hozzászólására (») Dec 15, 2023 / 1
 
Próbáld ki a 2 darab 12V-os ventilátort (polaritáshelyesen) sorba kötni...lassan (halkan) kéne forogniuk. Aztán, ha mégis"melegük" lenne, működhetnének az eredeti séma szerint. Persze kicsit bonyolult a sorosról párhuzamosra átköni őket egy hőgomba által vezérelt sokérintkezős relével - de nem lehetetlen...
A hozzászólás módosítva: Dec 15, 2023
(#) Massawa válasza uniman hozzászólására (») Dec 15, 2023 /
 
Szerintem teljesen felesleges tulbonyolitani a dolgot. Az eredeti megoldás mindent megold. Ha hideg a borda állnak a ventik, ha meg meleg akkor mennek. Közbülsö fokozatra aligha van szükség. ( azt megoldották a gyárban).
A hozzászólás módosítva: Dec 15, 2023
(#) Rahed Lee válasza Massawa hozzászólására (») Dec 15, 2023 /
 
Amúgy nagyon halkan indul. Nem tudom, hogy ez attól van-e, hogy elve lágyindítású a cucc (ezt nem tudom), de ha szétszedem, akkor meg tudom nézni, hogy miként reagál, ha már a működő erősítőnél kapja meg a feszt direktbe és nem együtt ébrednek. Mert az nem igazán tetszene, ha hirtelen nagy elánnal indulna be. Mert ha olyan szépen fut fel, ahogy most, akkor az sem lenne zavaró, ha csak igen-nem üzemmódban kapcsolgatna.
(#) Rahed Lee válasza Rahed Lee hozzászólására (») Dec 26, 2023 /
 
Most volt csak időm foglalkozni a dologgal. Beépítettem egy Honeywell 60/45 fokos bimetálos hőkapcsolót. Semmi bypass, szimplán rácsavaroztam a hűtőbordára egy kis hőálló szilikonzsírral, bekötöttem a pozitív tápkábelre. Hőlégfúvóval tudtam csak tesztelni a működését, mert passzív módban, kikapcsolt ventilátoroknál sem nem lehetett 28 fok fölé vinni. Méregettem közvetlenül a végfoktranyóknál is, mindössze 1 fokkal volt melegebb, mint a hűtőborda tetején. Rendesen túl volt hűtve. Szépen kapcsolgat, semmi hallható pattanás, koppanás. Köszönöm a segítséget mindenkinek.
(#) tothbela válasza Rahed Lee hozzászólására (») Dec 26, 2023 /
 
Azért írtam a lassú szellőztetésről, mert sok esetben például az előfok tápját zéner dióda+soros ellenállással állítják elő, ami gyakran annyira felmelegszik, hogy kiforrasztja magát. Fender tranyós kombóban, Infinity BU-80 szobai aktív mélyládában, Peavey keverőerősítőben ezek melegedtek túl nyugalmi állapotban. Tehát nem a végfok a legérzékenyebb rész, mivel azt szándékosan hűtőbordára szerelik. A trafó is lehet veszélyforrás, azt is érdemes megnézni mennyire langyos lehalkított végfokkal.
Lehet hogy túlreagálom, de ne akkor legyen gond, amikor éppen fellépés lenne.
(#) Rahed Lee válasza tothbela hozzászólására (») Dec 29, 2023 /
 
Egy hatalmas toroid trafó van benne, jó messze mindentől. Az még langyosnak sem volt mondható egy félórás üzem alatt. Azt azért lecsekkolom amit írtál. Ha jól értem, akkor azt kell tennem, hogy bekapcsolom és nyugalmi állapotban figyelem, hogy nem izzad-e túl a zener dióda.
(#) tothbela válasza Rahed Lee hozzászólására (») Dec 29, 2023 /
 
Kicsit parasztos teszt, de én gyertyával tapogatom végig a kritikus helyeket. Ahol megolvad, ott még nincs baj de érdemes foglalkozni vele.
Egy 2W terhelhetőségű ellenállás már 1W disszipációnál is olyan meleg, hogy megbarnul tőle a nyák. A Peavey Valveking erősítőben a csövek fűtését sorosan oldják meg, azaz 900mA állandó áramra 1N4007 diódákból készül hozzá egyenirányító. Ezek is hajlamosak kiforrasztani magukat, pedig a gyári ajánlás szerint hosszú lábakkal lettek beforrasztva.

Örülnék ha neked minden rendben lenne, de egy ellenőrzés nem árt.
(#) Rahed Lee válasza tothbela hozzászólására (») Dec 31, 2023 / 1
 
Szétkaptam, most nyugalmi állapotban leledzik már vagy 20 perce. Méregetem az alkatrészeket, de a legmagasabb érték 50 fok volt, a piros karikával jelölt ellenállásnál. Mellékelek fotókat a belsejéről. Így ránézésre meg lehet mondani, hogy melyik alkatrészekre kellene figyelni?
(#) tothbela válasza Rahed Lee hozzászólására (») Dec 31, 2023 / 1
 
Neked nem ellenállás+zéner az előfok tápja, hanem ahogy látom külön szekunder van a trafón stáb IC-kkel. Az az 50 fok már nem gond. Így valóban nem szükséges járatni a ventit.
(#) Directors hozzászólása Máj 23, 2024 /
 
Sziasztok!

Adott egy Harley Benton OD-5 effekt pedál.
Lenne esetleg valakinek kapcsolási rajza hozzá, vagy hogy mekkora lehetett az R0 ellenállás értéke ?
Sajnos az R0 ellenállás szétégett, így nem tudom az értéket.
(#) szendi001 válasza Directors hozzászólására (») Máj 23, 2024 /
 
Szia! A leg egyszerübb visszarajzolni. Nekem ugy tunik forditott polaritast kapott es a dioda lesontolte amiert leegett. Ha sorban van a pozitiv tappal, akkor kiprobalnek 22 ohm korul valamit.
A hozzászólás módosítva: Máj 23, 2024
(#) proli007 válasza Directors hozzászólására (») Máj 23, 2024 /
 
Hello! Az hogy szénné égett, még nem biztos, hogy az egyik oldal felől a fele ellenállást nem lehet megmérni..
(#) Massawa válasza Directors hozzászólására (») Máj 23, 2024 /
 
Elöbb azt kellene tisztáznod miért égett le a pedál. Gyakori hiba, amikor több pedál van, és egy közös tápbol akarod öket energiával ellátni. Ez majdnem tilos, csak több merés után szabad ilyet megprobálni. És gyakori eset, hogy ez nem müködik!
Ha összedugod igy mennek tönkre a pedálok vagy a tápok. Szoval ha ilyet büveszkedtél, akkor elöbb ezt számold fel s utánna javitgasd a pedált.
A hozzászólás módosítva: Máj 23, 2024
(#) szendi001 válasza szendi001 hozzászólására (») Máj 23, 2024 /
 
Nezegettem a nyakot. Jol latom, hogy a bekapcsolas a Jack dugoval tortenik. Amikor bedugod, a mono jack raadja a földet?
(#) Massawa válasza szendi001 hozzászólására (») Máj 23, 2024 /
 
Általában ez szokott történni csak a bajok ott vannak, hogy a Jack GND-je ki tudja milyen potenciálon van a táp kimenetén. Van ahol a pozitiv, van ahol a negativ söt olyan is van, hogy a táp fele van a GND-n ezért veszélyes egy közös táprol táplálni több pedált.
(#) Directors válasza szendi001 hozzászólására (») Máj 23, 2024 / 1
 
Köszönöm szépen mindenki tanácsát.

Szerencsére nem az én készülékem. Jelzem majd hogy hogy célszerű megtáplálni.
22R ellenállást beletettem és meg is javult. Teszi a dolgát.

szendi001
Igen, a Jack dugóval történik a bekapcsolás.
(#) szendi001 válasza Directors hozzászólására (») Máj 24, 2024 / 1
 
Elegge tipp volt az ertek, de orulok neki hogy jo lett!
(#) andraschober hozzászólása Máj 24, 2024 /
 
Sziasztok!

Egy Peavey Triumph 60-as csöves erősítőt próbálok meg feléleszteni és beállítani. A munkapont gyárilag nem állítható, viszont a rajz R65 jelű ellenállását kicseréltem egy 10KOhm-os potméterre. Valamilyen óvintézkedésre lehet szükség, hogy megbízható legyen és ne okozzon problémát a későbbiekben vagy elég ha a poti leágazását és az egyik lábát a helyére forrasztom?

Eredetileg a nyákon volt az ellenállás, de kivezettem egy külön potméterre, mert nem volt jó helye egy trimpotinak.

Köszönöm a segítségeteket!
(#) szendi001 válasza andraschober hozzászólására (») Máj 24, 2024 /
 
Megmondom oszinten mivel az elofeszultseget allitod a csoveken, en nem biznam egy potira. Eleve nem ertem, hogy a 10k ohm mennyire lett allitva, hogy az elofeszultseg jo legyen. Biztos vagy benne, hogy a vegcsovek munkapontjai jok igy? Ha igen merd meg a potit, es tegyel bele fix ellenallast. Ha megszalad kontakt hiba miatt, egni fognak a csovek. Koncert alatt meg eleve macera, ha elmegy a munkapont. Ha mar mindenkeppen potival akarod a negy cso munkapontjat allitani, a 47 kilo melle egy 220 as poti jobb megoldas lenne szerintem. Ez vegulis egy feszultseg oszto is egyben.
A hozzászólás módosítva: Máj 24, 2024
(#) szendi001 válasza szendi001 hozzászólására (») Máj 24, 2024 /
 
R81, 47K.
(#) andraschober válasza szendi001 hozzászólására (») Máj 24, 2024 /
 
5,5KOhm körülre van a poti értéke állítva, így 60% a disszipációs teljesítménye. Ez egy 60 wattosnak hirdetett erősítő, két végfokcsővel. A kimenő primer tekercseinek az ellenállása 62 és 83 ohm, anódfesz 471V, bias -48V. Az anódáram így 31-34mA oldalanként.

Érdemes lenne akkor visszatenni a rajz szerinti 470 Ohmos ellenállást és az R81-el párhuzamosan berakni egy párszáz ohmos potit, jól értem?
(#) szendi001 válasza andraschober hozzászólására (») Máj 24, 2024 /
 
A 470 ohmos ellenállás eredetileg szerepe eredetileg az előfeszültség szűrése. Utána olvastam, és tényleg úgymond melegre állítják a biast, azaz a 60% jónak tűnik. Gitárnál így mondják jónak a hangot. Ami nekem nem tiszta a bejegyzésed alapján, hogy csővenként mérsz 30 mA körül vagy oldalanként? Ha oldalanként, akkor úgymond "hidegre" lőtted be, ami szerintem élettartam miatt egyébként jobb. Ha csövenként akkor is benne vagy, mert kb 13 Watt a disszipáció, erősen az A osztály felé tolva az erősítőt, de 6L6-nál tényleg így szokták, legalábbis a fórum szerint. Bővebben: Link

Az R81 47 k Ohm. Nem ohm! Ha az értéke csökken, mivel ellenállás osztó a kapcsolás, csökken az előfeszültség és nő az anód áram. Az alábbiak szerint járnék el most:

Megmérném most mennyi az előfeszültség a csöveken. Ideális esetben egyesével mérsz anódáramot is. Ha ezt jónak ítéled meg ( kb 30-35 mA, Pd kb- 12 W, ua 470 Volt (csövenként), kiveszed a Potit, beteszed a 470 ohmot. Ekkor UG1 megemelkedik, az anód áram lecsökken. Ekkor teszel az R81 mellé fix ellenállást. Lassanként. Tehát 1 Megát, 470 k ohmot, 220 Kohmot. Addig kell keresni az értéket, amíg be nem tudod lőni, a most már ismert előfeszültséget. Fix ellenállás mindig jobb. Belövőd egyszer, ha a csövek már beégtek, évekig jó lesz így.
(#) szendi001 válasza szendi001 hozzászólására (») Máj 24, 2024 /
 
Nem kell mondanom, hogy beavatkozásonként ki kell kapcsolni az erősítőt és kisütni az anód kondikat .
(#) szendi001 válasza szendi001 hozzászólására (») Máj 24, 2024 /
 
Nyilván a másik megoldás, ami azért szintén logikus, hogy a 470 ohm helyére teszel be 5,5 kilót. Ennek is van előnye: A nagyobb ellenállással a kondin az 50 Hz-es brumm kisebb és ez az adat már bevált. 4,7k + 750 ohm vagy környéke sorban. A gyári érték az előfeszre 56 Volt. Nem tudom hány évesek a csövek, de nekem úgy tűnik, hogy mivel csökkentened kellett az előfeszt, esetleg az emissziójuk már nem ideális. Szólni fog amúgy így is... még jó darabig-. Hány volt most? R81 és föld között?
A hozzászólás módosítva: Máj 24, 2024
Következő: »»   315 / 317
Bejelentkezés

Belépés

Hirdetés
XDT.hu
Az oldalon sütiket használunk a helyes működéshez. Bővebb információt az adatvédelmi szabályzatban olvashatsz. Megértettem