Fórum témák
» Több friss téma |
Fórum » Hőfokkapcsoló legegyszerűbben
Témaindító: Sir-Nyeteg, idő: Aug 4, 2008
Témakörök:
Üdv!
Adott egy melegedő alkatrész, amin van egy hűtőborda. A hűtőbordán van egy 4*4cm pc ventillátor. Jelenlegi helyzet: -Ha a venti nincs bekapcsolva, akkor kb 5-10perc múlva nem lehet kézzel megfogni a hűtőt! :eek2: -Ha megy a venti 3,5V-ról(!!!), akkor szoba-hőmérsékletű a borda. Azaz ezek a szélső helyzetek. Ventit ki kéne küszöbölni, de ezt sajna nem lehet, és mivel nem lehet kisebb feszt adni rá, mert akkor el sem indul, így kéne egy hőfokkapcsoló, ami néha bekapcsolja. És: -nem nagy (hűtőborda bordái között elférne, jó lenne) -nem fogyaszt sokat, elmegy 3,5V-ról Melyik a legegyszerűbb hőfokkapcsoló? -Bimetál? Ez király lenne, mert nem fogyaszt... Van ilyen érzékeny, illetve hol lehetne pl 50-60 fokra kapni ilyet kicsiben? -Wien híd 2db termisztorral, és komparátor? nagyobb lenne, mint a hűtendő alkatrész. Bármilyen megoldás érdekel! Olvasgattam a fórumban, de mindenhol termosztát kerül elő, meg 400-fokos bimetál...
Hello, a régebbi mobiltelefon akkupakkokban szokott lenni egy bimetálos patron, az olyan "forróra" van beállítva, próbálkozhatsz vele. Van egy gyakoribb verzió, a mikrohullámú sütőkben is van, azt nem (sem) tudom pontosan hány fokos lehet, feltételezem, hogy forróbb...
Igen ez igaz, csakhogy ezek bontanak. Itt pedig ha jól értem zárás lenne jó.
Esetleg ez?
Sajnos...meg kell fejelni egy miniatűr relével. Méreten belül vagyunk még? De 3.5V-ról erősen kérdéses, hogy menne-e,... fogyasztana is cseppet...korszerű cucc kell ide, úgy érzem.
Vagy korszerű, vagy ősrégi...
Sajna a feszt növelni nem szeretném, így vmi minimális áramkör lehetne csak... Esetleg ha egy smd(termisztorral) wien hid kimenetén közvetlenül egy áteresztő tranzisztor lenne? Az még elég kicsi... Relé szintén nem jó fogyasztás miatt. Relé helyett sima tranyó? Beépített bimetál patron nagyon jó lenne, de kibontani nem vmi biztos megoldás.
Helló! Én ezt találom a legeggyszerűbbnek IC-s ventillátor szabályozó
vagy a Rádiótechnika 2005 Októberi számában találsz ilyen erre való kapcsolást tranzisztorral és Stabilizátor IC-vel 7805-el.De szerintem az is nagyobb mint a hűtendő alkatrészed én az ezen az oldalon találhatóval oldotam meg nem törődtem azzal hogy mekkora mert nem érdekelt helyedben még hely szűkével sem törődnék megoldanám igy, mivel nem ismerjük hogy milyen környezetbe kell képeket sem tettél arról hogy egész pontosan hova és erre mekkora hely áll rendelkezésre. Az eggy dolog hogy a melegedő alkatrész adott!Helló
Én smd-vel csinálnám az egészet ( persze, ha van...).2 tranyós trigger, 1 illesztő+1 kapcsoló, kis kézügyességgel meg lehet oldani és a bordára lehetne ragasztani/csavarozni- aztán nincs tápfesz gond sem, mehetne 3,5-ről. Csak kis munka van vele+beállítás.
Üdv.!
Hasonló problémával én is találkoztam. A gond az, hogy nehéz biztosítani a jó termikus kapcsolatot a hűtőborda és a hővédelem érzékelője közt. Ezért találtam ki a következő kapcsolást: Bővebben: Link Tegnap raktam össze szuperül működik. Bár egy cseppet még módosítok rajta a végleges verzióhoz. Üdv.: Attila
Ezek tök jók, eddig eszembe sem jutott, hogy ilyen is kapható...
És emiatt lerajzoltam egy nemrég kidobott hőkapcsolót: bimetállal mozgattak mágnest, ami Reed-relével zárta az áramkört. Egy dobozon volt, megemelték a ventillátort kb. egy centire, és alatta lapult az egész. A Reed-relé adta meg a hiszterézist (hiába fújt már a venti, a mágnes még tartani tudta a kontaktot egy ideig). Ha hiszitek, ha nem, eredeti német vezérlésben találtam... De szerintem vicsys-é a legjobb találat.
Ezek nagyon jók, csak baró drágák
Köszikeee!!!! Ha valami profi cuccba kell ilyen, bizti hogy venni fogok, de most sajna ehhez drága. Viszont ebből kiindulva találtam ezt: Ilyenre gondoltam az első pillanattól kezdve. Bár kicsit nagy, de az egyszerűsége miatt megéri belekreálni!Ez se semmi, és olcsóóó! Nem én vagyok az eladó, pártatlan reklám, nincs hasznom belőle!
Vajon ennek lehet elég nagy hiszterézise?
Szia!
Szerintem neked jobb lenne egy Hőfokra nem kapcsoló hanem érzékelő áramkör (azaz minnél melegebb a boda annál gyorsabban megy a venti) Ezt a csatolt rajzzal lehet elérni igazán nem kerül sokba és a bordán is efér üdv!
Ez is jó, egyszerű.
Ez bármilyen tranzisztorral megy, vagy kimondottan ez a tipus kéne hozzá?
Ez FET de bármi ami N-csatornás és Bírja a strapát az is mehet bele
(Strapa= venti teljesítménye) Csak ha mást teszel nézz hozzá lábkiosztást! üdv!
Hmm, lehet hogy ez a legegyszerűbb megoldás, van vele feszültségvesztés? Csak 3,5 max 4V-om van!
Feszveszés az nincsen csak ez eredetileg 12V ra van lehet hogy 4V al a FET nem fog kinyitni
Megpróbálom neked holnap és délután megírom hogy műxik-e..oké? Vagy ha van mivel kipróbállnod kipróbállhatod te is üdv!
Csak hétvégén tudnám kipróbálni...
Az jó lenne, ha kipróbálnád, hogy műxik-e. 3,5V-os a fesz általában. Monnyuk, ha télleg változna a venti fordulatszáma, akkor megint ott vagyok, hogy állandóan menne, egy beállt értéken. Egy próbát megér... Köszönöm!
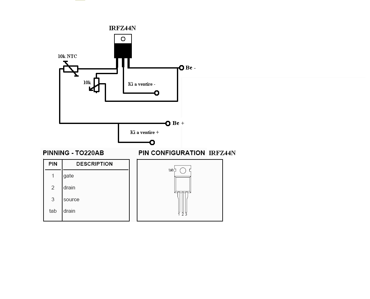
Szia! Én ezt használom szabályozásra. A 10k-s termisztor befér a hűtőbordák közzé, a potival állítható, milyen hőfknál kezdjen el forogni a venti. Minél melegebb van, annál gyorsabban pörög. Remem a Móricka rajz érthető
Mondjuk ha azt írtad hogy 3,5 v alatt nem indul és erről üzemelve pill alatt lehűti a szerkezetedet akkor ez a szab dolog nem működhet, mert el sem fog indulni a venti.
Én esetleg próbálkoznék egy venti méretű bordával,ha nincs bezárva a szerkezet.
Az a pill, az kb 2-4perc lehet. Melyik szabályzás? Mert már kaptam elég ötletet... Hmm... A borda venti méretű. Rá van csavarozva. Szabadon van.
Nah, akkor kétségeket elosztva: Az alkatrész egy Cree led, melegfényű, szobavilágításnak. 350mA körül hajtva jelenleg, és marhára melegszik, pedig elvileg bírná az 1ampert is... Erre még nem mertem rátenni, mert most is iszonyat melegszik. A 3,5V onnan adódik, hogy a nyitófeszültsége 3,5-4V körül van a lednek. (1A~4V) Ez van rajta egy 4*4cm-s fekete hűtőbordán, ezen a venti. -Nem akarok nagyobb hűtőbordát, hisz kis lámpácska akar lenni, valszeg nem is sokat segítene. -Láttál már te ventilátoros olvasólámpát? (De mégis muszáj...) Viszont akkor ne berregjen nekem egyfolytában, emiatt kéne valami hiszterézises cucc, pl bimetal. HQ-ban drágább a kapcsoló, mint maga a lámpám... pedig jó volna...-Jah, és nem volna túlságosan móás, ha többet enne a venti, mint a led... Kb ennyi...
Hello. Nem tudom mennyi a cree led hatásfoka,de ha csak egy kicsit is számolok akkor nekem az jön ki,hogy ott valami gebasz van mert 350mAx3.5V=1.225W. Amit ha csak egy ellenállás fűtene el akkor sem lenne tőle "iszonyat" meleg a hűtőborda.Mármint,ha a 4x4cm nagyságúról beszélünk.
Esetleg,ha dobnál egy képet a led és a borda csatlkoztatásáról.
Ha ez egy lámpa és bimetallal megszakítod, akkor gyönyörű villogót kapsz ami egy lámpa esetén nem biztos, hogy előnyös. Én a Te helyedben megnézném a led adatlapját és komolyabb hűtésben (borda) gondolkodnék.
Szerintem csak rá akarná párhuzamositani a led tápra. Persze rögtön felvetődik a kérdés: mit szól hozzá az áramgenerátor? Gondolom esne a fesz,a led vagy kikapcsolna,vagy jóval kisebb lenne a fénye. Ha meg feljebb állitja akkor a venti nélkül megintcsak többletdisszipáció keletkezik.
Led minimálisan halványodik, ha megy a venti, ami párhuzamosan van kötve a leddel.
Eddig a led egy nyákra van forrasztva, az alatt hűtőfelület, ami kb 6cm(2) ez a nyák van felcsavarozva a hűtőbordára, ami 5*5cm. (Rosszul írtam előbb) Mindenhol hővezető paszta. A fehérfényű nagyobb fényerejű led társa nem fűtőtt ennyit az tény, de sajna ez melegfényű, ami ront a hatásfokon, de a szemnek és a léleknek jobb Jobban belebonyolódva az áramgenerátor is fűt egy pöppet, de a ledek is nagyon forróak, immáron 2db. Lesz kép, ha kell! Még ma!
Csak a hőátadással lehet baj,a bordának nagyon kellene birnia. Érdemes minél vékonyabb nyákot használni. Még nem épitettem ilyet,de én 0.4mm-es nyákra tenném.
Hát igen, nem a legjobb megoldás, a ledek hűtőfelületét jobb lenne vmi fémre forrasztani, de most nem ez itt a probléma, hisz nem csak a led forró, hanem a hűtőborda is... azaz a hőátadás létrejön.
Sokallom én is azt a forró bordát 1,2 wattnál.. biztos, hogy azt a feszt és áramot méred, amiket írtál?
Sziasztok!
A megoldást már feljebb megadták, egy fettel fokozatmentes hűtés. Én nem ismerem ezeket a nagy fényerejü ledeket, de hallottam, hogy a hőre rendkívül kényesek, Ügyesen biztos meg lehet oldani a jó hőelvezetést, pld. 1 mm-es vörösréz lemez. Konkrét javaslatot fénykép után lehetne mondani (és egy pontos típus is ugye, ha csak nam tikosak az adatai, azután talán a gyártó oldalán megnézhetnénk, és okosabbakat írhatnánk ).A fetről. Vannak 1,2V-os nyitófeszü típusok is már smd-ben (1,2-1,5-1,8-2,5-3-4 stb.), tehát a 3,5V nem probléma. Ha tudsz egy 1,2V-ost vegyél, azzal a legjobb a hiszterézised (a relatív hőmérsékletváltozáshoz a feszültség (fordulat) növekedésed. mindössze 3 alkatrész, és az egészet csinálhatod smd-ben. A fet teljesítménye legyen nagyobb ha lehet, pld 2A. És ez ugye fokozatmentes szabályzás, tehát nem is fog zavarni az indulása, mint egy bimetalos. A poti helyére a próba után teszel egy fix ellenállást. |
Bejelentkezés
Hirdetés |







