Fórum témák
» Több friss téma |
Fórum » ICL7106/ICL7107
Kedves Alkotó!
Érdeklődni szeretnék, hogy a v5.1c-s 3.5 digites műszeregység kapcsolási rajza publikus.
Van ilyen panelem, tudok küldeni. Ehhez jár a dokumentáció.
Sziasztok!
Vettem egy kínai 7107-es panelmérő kit-et,nagyon kicsi,össze van sűrítve de egy kis szerencsével sikerült összeforrasztanom.Működik is elég jól,most próbálom csak.10Mohm-t rátettem a bemenetre( az osztó értéke). A legkisebb érték kicsit változik,ezt a fesz. ingadozás okozhatja.A mínusz jel viszont majdnem mindig világít, néha rövid időre elalszik.A kérdésem az,hogy ezt mi okozhatja? A rajzot és képet mellékelem.
Akkor fordulhat elő a jenenség ha valami szivárgó áram utat talál magának a nyákon. Itt azért a legkisebb érték 100uV. 10MOhmon már 10pA is létrehozza ezt. Egy gondos tisztítást próbálj meg.
A saját építésedről készíts képeket, és azt mutasd meg. Hiszen arról kérsz véleményt nem a termékfotóról.
Szia!
Köszi,hogy foglalkozol a problémámmal,kevés volt az időm amikor feltettem a kérdést.Küldöm a képeket,a kapcsolási rajzon jobb oldalon van az R1 ellenállás,helyette egy diódát tettem be a fogyasztás csökkentése végett.A fogyastás így 3db nulla és a negatív jel mellett kb.116mA.A rajz jobb felső részén levő alkatrészeket nem építettem be.A legkisebb érték ritkán 1-re változik, a negatív is néha,de nagyon ritkán,kikapcsol de a legtöbbször világít.Erre kérném a segitségedet.Természetesen nagyon örülnék ha más észrevételed is volna az egésszel kapcsolatban.Sok hozzászólásodat olvastam,sokat lehet belőle tanulni,nagyon szuper dolgokat építesz.Köszi.
Köszi a választ,
lemostam denaturált szesszel,még megpróbálhatom polypropilén-nel ez 96%-os.
A polipropilén egy műanyag, azzal nehezen mosod le. 96%-os etanollal inkább. Ahogy nézem ezek kerámia kondiknak tűnnek. A 7107 leírása szerint, a rajzodon C2-nek és C3-nak írt (ref és auto-zero) kondiknak pedig az a jó ha valamiféle alacsony szivárgási áramú fóliakondi.
Izopropanol avagy Isopropyl-lesz az. a lemosó.
Úgy ahogy írtad, Izopropanol az amire gondoltam csak akkor ez nem jutott az eszembe
Az már a végső megoldás lesz hogy kicserélni valamit a panelen,mert nagyon kicsi a hely és mindenhol furatgalvanizált az egész amin nem egyszerű valamit kiforrasztani.A többi alkatrész értéke meegfelelő? A C5 kondenzátor értéke az előzetes mérés szerint nem 22NF hanem 28,igaz,hogy a kínai műszerem mérése is inkább csak informatív, mint pontos.
Ma isopropanollal alaposan megtisztítottam mindent,sajnos nem segített.Azonban tovább próbálkoztam és arra gondolok,hogy a hálózati zavar lesz az ami bejut a kapcsolásba egyrészt a tápvezetéken keresztül,másrészt indució által.Sajnos a tápegységem sem tökéletes,kb.25cmm-es kéteres kábelel tápláloma panelt amelyen csak egy 100NF-os kondenzátor volt szűrés gyanánt , kegészítetem egy 100µF-os elkóval (helyhiány) ami nem sok de jobb mint a semmi.Azt vettem észre,hogy ha megfogom kézzel a bement földpontját akkor az utolsó szám vátozása a fele értékre csökken mint ha elengedem.Valószinűleg földként működik az emberi test.Másik dolog,hogy az oszc.frekvencia 42,6 kHz ami az 50Hz-es hálózati zavarás kiszűrésére nem a legjobb.
Ha valaki még hozzá tudna szólni,nagyon örülnék neki.Az eddigiekért is köszönet.
A bemenetet zárd rövidre első lépésként (a kapcsoláson nincs ott az általában megszokott soros 1MR).
Feltételezzük, hogy a tápegység "nagyon stabil", azt nem rángatja a számjegyek áramváltozása. (E miatt próbáltam a saját megvalósításaimat úgy kialakítani, hogy azok AC feszültséget igényelnek, és ebből előállítják a nekik kellő feszültségeket.) A hozzászólás módosítva: Feb 5, 2024
Egy tesztet csinálj meg. A bemenetre adj feszültséget. Eredetileg 200mV az érzékenység, tehát adj a bemenetre 100mV-ot. Ezt legegyszerűbben egy 1,5 V-os elemről lehet levenni, egy 1/15-ös osztóval. Például egy 150kOhm/10kOhm taggal. Kb 100mV-ot kell mutatnia, de az ellenállások szórása, valamint a referencia feszültség pontatlansága miatt 70-140mV az elfogadható. Ha nem ezt méred, akkor a referencia feszültség nem megfelelő. Ez az IC elég jól manipulálható, vagyis a normál működéstől eltérően ki lehet belőle erőszakolni még akár a feszültségek osztás át is, csak ismerni kell a lelki világukat. Ha valami nem jól működik, az kideríthető.
Az 1MR elleállást beépítettem,csak az eredeti rajzon nincs rajta.Most kipróbáltam rövidzárral és 10MR ellenállással is.A rövidzár esetén majdnem tökéletesen működik a minusz jel lassan villog,ahogy ezt az áramkör leírása is említi,a legkisebb érték stabil,csak néha ugrik át egyesre.Amikor a 10MR-t teszem a bemenetre akkor a legkisebb érték 1-4-ig változik.Ezért gondolom,hogy kívülről jön a zavarjel.A 10 MR azért fontos mert univerzális műszert szeretnék csináni amikor is a feszültségméréskor használt osztó értéke 10MR szokott lenni.Örülök ,hogy foglalkozol a problémámmal.Köszi.
Most 2 napig csak esténként fogok válaszolni mert nappal dolgozom és ott nincs internet.
Sziasztok!
Ez az utolsó hozzászólásom az én kínai voltmérő szettemhez.Ma úgy ahogy volt a kukában landolt.Egy eleve rossz konstrukcióból jót csinálni nem lehet.Legalább is nekem nem sikerült.Az egyedüli pozitívuma az egésznek az, hogy ezután semmiféle bonyolult dolgot soha nem rendelek kínából.Majd csinálok egy másikat a tapasztalatok és itt a fórumon olvasott hasznos tanácsok alapján.Köszi mindenkinek a segítséget.
Szerintem épits Alkotó által tervezett kijelzőt kijelzőket, első osztályú tervezés , könnyen összerakható.
Szerintem irsz neki fog segiteni Idézet: „voltmérő szettemhez.Ma úgy ahogy volt a kukában landolt” Nem feltétlen az áramkör vagy a panel, esetleg a passzív alkatrészek a hibásak. A 7107 IC számtalan kínai másolatban létezik, egyik rosszabb, mint a másik (volt nekem is vagy fél marékkal , azóta csak megbízható forrásból veszem).Megérné egy tudottan hibátlan IC-vel kipróbálni, akkor hogyan viselkedik. (És ahogy fentebb már utaltak rá, a referencia és auto-zero kapacitások kivitele és minősége lényeges a helyes működéshez.)
Mielőtt kidobtam még kicseréltem az ic-t nem kínai változatra,ugyanazt csinálta.Másik dolog, hogy rákapcsoltam a bemenetre 100mV-ot,először úgy,hogy nem volt a panel feszültség alatt de a feszültség rákapcsolása után a rákapcsolt 100mV kb.115-re változott ami szivárgó áramra(átvezetésre) utal.Amint lesz több időm megkérem Alkotót,hogy segítsen,néztem a munkáit és nagyon jónak tartom őket.
Üdvözletem.
Az lenne a kérdésem, hogy az ICL7107 -ben van -e valamiféle védelem és hogy mondjuk 200 millivoltos állásban 210 millivoltot kap, tönkre megy -e?
Adatlap szerint nem megy tönkre:
Idézet: „Analog Input Voltage (Either Input) (Note 1) . . . . . . . . . . . . V+ to V- Reference Input Voltage (Either Input). . . . . . . . . . . . . . . . . V+ to V-”
Kár, én kíváncsi lettem volna hogy mi a baja, de megértem hogy nem volt vele kedved tovább próbálkozni. Azt írják hogy a kék NYÁK nem az igazi szivárgó áram szempontjából, szóval lehet akár a maszk lekaparása a bemenetnél is segíthetett volna: Bővebben: Link
Tudom azt mondtad hogy kevés a hely a panelon, de azért én a kondikat is megpróbáltam volna kicserélni még ha nem is lehetett volna rendesen ráültetni őket a panelra. A hozzászólás módosítva: Feb 12, 2024
Szerintem az egyik legnagyobb baja volt a szettnek a túl zsúfolt elrendezés, a nem logikus elrendezés,pl.az ic testpontja a tápfeszültség földpontjához képest a másik oldalon volt,elég messze,ami nem logikus,a bemeneti pont szintén az ellenétes oldalon volt az ic bemeneti pontjához képest,kerámia kondenzátorok,ki tudja milyen minőségűek.A zsúfoltság és furat galvanizált átkötések miatt a cseréknek nem nagy esélye lett volna a sikerre.Anyagilag nem volt jelentős az egész,csak sok idő elment vele de legalább tapasztalatokat is szereztem.
Sziasztok!
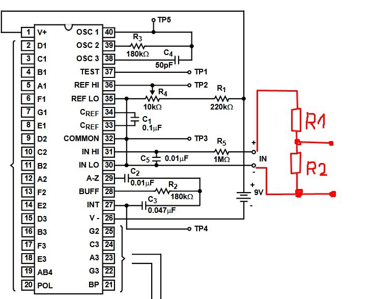
Olyan műszerre lenne szükség, ami 0,008V-onként lép 1-et. Ezzel az IC-vel kivitelezhető? Ha igen, melyik alkatrészeket kell kicserélni és mire? Köszönöm előre is!
Hello! Természetesen megoldható. Mert a 200mV-os alap méréshatárban 0,1mV a legalsó digit, Te pedig 8mV-ra léptetnél. Tehát a bemenet elé, egy 1:80-as osztót kell tenni.
(Ellenállás arányban ez 1:79.) Tehát ha az osztó felső tagja pld. 1Mohm, akkor az alsó tag12,66k. Az, pedig egy 10k+2,7k-ból összeállítható. A minimális hibát lehet korrigálni a referenciával.
Szia!
Így kell bekötni? R1= 1M R2= 12,7k Az IC 35-36-os kivezetésein lévő potméter a referencia?
Nem! Az R1-R2 megy a bemenetre és az R1 tetejére megy a feszültség + és az In-Lo bemenetre.
|
Bejelentkezés
Hirdetés |














, azóta csak megbízható forrásból veszem).





