Fórum témák
» Több friss téma |
Ha lassan forgat egy önindító, sok dolog okozhatja:
-test kábel érintkezési hibák -akku belső ellenállás már nagy (öreg akku) -önindító hiba -stb. Önindítózáskor nagy áramok folynak, normál esetben. Csakhogy nem mindig tudnak folyni, mert a fent felsorolt hibák nem engedik a kellően nagy áram kialakulását.
Ez sajnos így van. Sok összetevője lehet ennek a problémának. 2003 körül vettem egy 87-es kiadású Suzuki ran robogót. Annak csak annyi volt a problémája hogy egy fényezés kellett neki és a berúgó fogaskerék hasznos része volt elkopva. Leszedtem a tengelyről a ferde fogazású fél fogaskereket ketté vágtam középen a szélein összeillesztve, összehegesztettem és kész. Illetve ha ha mentem vele "túrázni" Kékestetőre ott indult kicsit nehezebben. Lent kékes alatt pöccre indult akár lábbal, akár önindítóval. Azt mindig téliesítettem majd tavasszal csak belement a benzin és már robogtam is vele. De abban még nem volt ennyi elektronika mint ebben. Lehet hogy sok pici hiba okoz egy nagyot ennél. De amúgy nincs széthajtva a robogó. Átnéztem rajta a variátort is, a gyári tárcsák vannak benne. Új szíj van rajta, annyi benne a változás.
Egy 5Ah -s akksinál ne várj túl nagy áramokat - egy 50Ah -s autó akksihoz képest. Gondolom a vezetékeket is ehhez méretezték. Egy 10mm2 - es rézkábel már röhögve elég. Ha 16mm2, az már túl van méretezve.
Az ólom akkumlátorokban az ólom/ólom-oxid cellafeszültsége 2.4V. Így a 6 cella sorba kötve 14.4V -os elméleti értéket ad. Egy új akkumulátornál teljesen feltöltve is néhány tizeddel ez alatti feszültség mérhető. Teljes töltéshez ettől picivel nagyobb feszültség kell -> csepptöltés. Ilyenkor a bevitt villamos energia nagyrésze a vizbontásra fordítódik. Egy savas aksi már erősen "pezseg". A gondozásmentes zselés aksi nem pezseg, de nem is szereti ezt hosszú távon. Nem tudom milyen ez a robogó, de nekem a szünetmentesemben 2db. 4Ah - ás akksi van ...
Mondjuk azt megfigyeltem hogy elég vékonyka vezeték megy az aksitól. A fiam quadjában a gyári kábel kb 5 mm a teljes átmérő. Ebből a réz sodrony kb 3 mm. Nálam a teljes átmérő van 3 mm körül.
A=(d2 x π)/4
Vagyis: (5 x 5 x 3.14)/4 = 19.6mm2 (3 x 3 x 3.14)/4 = 7.06mm2 Feltételezve, hogy a szigetelés 1/3 -a teljes keresztmetszetnek: (2 x 2 x 3.14)/4 = 3.14mm2 -> ez még 2A/mm2 -el is elbírja az 5A -t, rövid ideig a 10A -t is... Az akksi vagy az önindító lesz a rossz, de ezt itt a fórumban nem tudjuk megállapítani. A kínaiak sok bóvlit gyártanak és eladnak, de már a holdraszállást tervezik. Nem olyan hülyék azok, mint itt sokan képzelik.
Becslésem szerint az önindító motor teljesítménye 0,3 kilowatt.
Az akkumulátor kapocsfeszültsége lecsökken 10 voltra. Az áramerősséget kérlek, számod ki magad.
Próbáltam autó akkumulátorral, de az eredmény ugyanaz. Elkezd maxon forogni az önindító majd 3-4 mp után belassúl. Holnap reggel ha haza jövök melóból, szét kapom az önindítót apró darabokra. Mostmár legalább ki van szűrve hogy nem akku hiba. Valami az önindítóval van. Viszont 2 indítás után annyit elértem hogy harmadik rúgásra meg volt az alapjárat. De valószínű hogy a visszacsapó szelep sem müxik már rendesen.
Ha 300 Watt a motor teljesítménye akkor elvileg 10 volton 3 amper az áramerősség igénye a motornak. Remélem nem írtam nagy hülyeséget.
10x30 az mennyi?
A hozzászólás módosítva: Márc 24, 2022
Hello!
2 dologból tevődik össze a problémád: 1; rossz az önindítód (autó akkuval, bikázva, 3mp ig gyorsan, majd belassul a fordulat....írtad) 2; rúgásra is nehezen indul (mérned kéne egy sűrítési végnyomást...."kompresszíót", valószínű henger/dugó=kuka....hiába érzed úgy a berúgókarral, hogy van) A hozzászólás módosítva: Márc 30, 2022
Már kezdem feladni. 2 napig nem nyúltam hozzá. 10 percig rugdostam, indítóztam mire nagy nehezen kezdte elkapni a robbanást. Majd fokozatosan indult be egyre hosszabb időre. Mostmár olyat is csinál hogy a műszerfal lekapcsol és újra bekapcsol járatás alatt. Nincs alapjárat, lehörög. Szóval nem tudom már mit csináljak vele. Rengeteg belsőégésű motort javítottam már, de ez már kiverte a biztosítékot nálam.
Sziasztok! Adott egy Piaggio Liberty 50 4t Robogó. Most éppen akku nélkül üzemel. A probléma az, hogy a világítás éppen csak pislákol elöl és hátul egyaránt. Viszont, ha bekapcsolom az irányjelzőt és éppen villan, akkor a világítás is felerősödik abban az ütemben. Jó lenne, ha valaki tudna adni tanácsot, mert feszültségszabályzót már cseréltem, de a hiba megmaradt.
Szerintem mégiscsak kellene bele az akku.
Sziasztok! Malaguti f15 Firefox euro 2. Digit kiljzô már. Tettünk rá egy 70-es naraku hengert teljes ujjat, rugo csere gorgo csere stb…. Alapjaban sok cucc volt a motorban de nem ment csak 50et de nagyon lomhán. Ahogy összelállt a motor, leégeti az elôellenálast majd kiégnek az izzók. Gondolom a nagyobb fodrulat miatt. Mekkora ellenállás kell neki, probálkoztam gyári bontottal azt is elfüstölte. A világitás kabel (sárga) nem a feeszabiba van kötve hanem erre az ellenállásra.ezekbe mar ez a ducati energia zöld szinû fesszabályzo van. A kek piros, fekete es barna kabel van csak bedugva. A feher le van csonkolva (vmi szenzor lehetett anno rajta a legazurohazba). Probalkoztam 22 ohm 25wattos ellenállással ugyan ugy forrosodik ha rajta a vilagitas- ha nincs. Mi tévô legyek?
A rajzod szerint a fehér (B - bianco) vezeték a feszszabályzót a felette lévő gyújtásvezérlővel köti össze. Tán vissza kéne kötni. Lehet, hogy az izzóproblémát nem oldja meg, de talán jobban megy tőle a motor.
Azután végig kellene nézni-mérni, miért is van túlfesz.
Sziasztok! Adott egy Piaggio Typhoon XR 2000-es évjáratú robogó, és a világításon kívül semmi más nem hajlandó működni. Próbáltam aksiról is, de úgy se történt semmi. Hol érdemes keresni a hiba forrását?
Üdvözlet!
Kis segítségre lenne szükségünk, adott egy Italjet Dragster 49 ccm-es 1998-as évjáratú motor. A gond vele, hogy a kábelek eléggé össze voltak gányolva, így semmi elektromos dolog nem működött, de legalább elindult és ment. Most azonban, nem hajlandó elindulni, arra gondoltunk, hogy ha megoldható egyesével le kéne tesztelni a modulokat mert benne van a pakliban, hogy valami tönkre ment, a CDI (5 vezetékes) modult, a gyújtó trafót, és a generátort, azon belül is az ütemadót? Ennek AC típusú a gyújtása, akku nélkül is ment szépen, csak semmi elektromos nem működött. Keresgéltem hozzá kapcsolási rajzot, service manualt, de a google nem volt a barátom, a formulát adta ki azon meg nincsen CDI modul, legalább is a rajzon nincsen.
Üdv. Ugyanezzel a problémával szembesültem én is. Mi lett a megoldás? Esetleg emlékszik rá. Köszönöm.
Sziasztok! Van egy 2 ütemű Polymobil Freeride 300 B-m, indításkor nem villan fel a panel ,az index,az önindító, világítás sem! Valakinek valami ötlete?
Előre is köszönöm!
Akku vadonat új,biztosítékokat megnéztem jók,benzines 2 ütemű
A hozzászólás módosítva: Máj 25, 2023
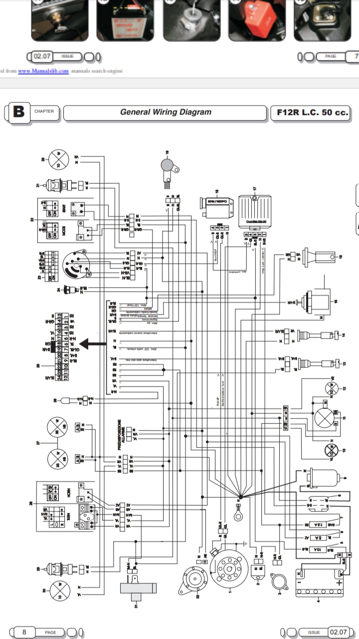
Sziasztok! Egy kis segítségre , vagy tanácsra lenne szükségem , mégpedig adott egy Malaguti F12 Phantom 2003 as robogó , az alábbi képen szereplő elektronikával , a töltésem menet közben 14.6V , de viszont az első lámpában az izzók állandóan kiégnek , tanácsot szeretnék kérni hogy a feszazabályzó lehet a gond?
Én közvetlenül az izzónál is megmérném a feszültséget. Egyáltalán egyenfeszültséget kap e az izzó... Simsonnál p. van egy külön kis tekercs a világításnak.
Itt a feszültség szabájzóbol kapja az áramot az első lámpa , és külön lábol jön ki a töltés is.
Szép napot!
Lenne egy-két kérdésem azokhoz, akik jobban értenek az elektronikához, mint én. Röviden: 1. Elég-e 42W töltés, ha minden LED világítást akkumulátorról szeretnék táplálni? 2. Milyen alternatív feszültség/töltésszabályzó áramkört szerezzek be, ami hasonló az ELBA-hoz? Hosszabban: Adott egy Simson S51 6V-os tirisztoros gyújtású smkp, és elkezdtem korszerűsíteni a világítását. Mindent egy 12V 5Ah zselés akkumulátorról szeretnék táplálni, ehhez már készen is vannak a bekötések, és egy gyors teszt alapján flottul működött minden. Az akkumulátor töltéséért felelős tekercseket az alaplapon szeretném cserélni 12V-os típúsúra. Pontosabban a régi 6V 35W világító és 6V 21W kombinált tekercseket cserélném le - 2db 12V 21W töltőtekercsre, majd követném a linken látható utasításokat.: Simson töltés tuning 70W Annyit szeretnék változtatni a fentebb látható 'guide'-hoz képest, hogy nem világítótekercseket módosítok, hanem utángyártott töltőtekercseket szerelek be. Így 42W teljesítményt érve el az akkumulátor töltésére 14,4V-on. Elméletileg ennek elégnek kellene lennie, de azért csatolom kép formájában az első lámpa fogyasztásának mérését (nem saját, de a lámpa ugyanaz.). Az indexek potom 5W-osak oldalanként, a hátsó lámpa pedig szintén 5W-os. Ez így rendben van? Ha kicseréltem a tekercseket, ezeket 2db Graetz-híddal egyenirányítanám, és párhuzamosítanám a kiérkező DC jelet. Beiktatnék egy elkot is, stabilizálás érdekében. Ezt követően kellene egy feszültségszabályzó, mely limitálná a töltési feszültséget 14,4V-ra. Ehhez kellene még egy kis segítség, mivel nem tudom mifélét vásároljak ehhez. A gyári megoldás, amit az útmutatóban találtam, nem tűnik rossznak, de nekem nincs szükségem a villogtatóáramkörre, ami ugye integrálva van az ELBA-ban. Ezen kívül 5-6ezer forintba kerülne, és csak a töltés részét használnám ki. Milyen alternatív töltés/feszültségszabályzót kerítsek az ELBA helyett, ami ugyan úgy bírja a magas feszültséget, mint az ELBA? Az 'A' betűs kínai áruházban nézelődtem, de nem találtam nekem megfelelőt, vagy csak rosszul kerestem. Persze, ha nincs más lehetőség, vásárolok egy ELBA-t, és módosítom az útmutató szerint. Köszönöm szépen előre is a segítséget! szerk.: A világítás táblázat csak a 4. sorig lényeges, a parkolólámpát nem használnám együtt a tompított/távolságival! A hozzászólás módosítva: Máj 23, 2024
Idézet: Erre a kérdésre nem lehet válaszolni. Elég 5 W töltés is, ha az pl. 24 órán át tart és a lámpákat csak 10 másodpercig üzemelteted. Ha a maximális fogyasztás a töltési teljesítmény alatt van, akkor tuti elég. „Elég-e 42W töltés, ha minden LED világítást akkumulátorról szeretnék táplálni?”
Sziasztok!
Egy régi kismotort újítottam fel, és egyben kicsit modernizáltam is. Van egy kis problémám a gyújtáskapcsolóval. Off állásban zárja az áramkört, testeli a gyújtótrafót, így nincs szikra, nem lehet berúgni a motort. ON állásban nyitja, és természetesen belehet indítani. Most a módosításokkal szükségem lenne egy gyújtás plusszra ami eredetileg nincs. Először úgy oldottam meg a dolgot, hogy beépítettem egy két áramkörös relét, amit gyújtáskapcsolóval lehett vezérelni. Az egyik NO áramköre a gyújtótrafót kapcsolta, a másik áramkör NC kimenetén pedig volt gyújtás plusszom. Egyrészt teljesen jól működik, viszont használhatatlan mivel a motor kikapcsolt állapotában folyamatosan be van húzva a relé, ami egy-két nap alatt lemeríti az akkumlátort. Fordítva nem tudom használni a gyújtáskapcsolót, mert akkor leállított motornál nem tudom kivenni belőle a kulcsot, csak járónál. Tudnátok segíteni, hogy lehet megoldani ezt a problémát? Valami olyasmi áramkör kellene, ami ha a gyújtáskapcsoló Off azaz zárt állásba van akkor elengedi a relét, ON azaz nyitott állásban pedig behúzza, és nem fogyaszt áramot ha nincs töltés az akkumlátoron. Előre is köszönöm A hozzászólás módosítva: Máj 30, 2024
|
Bejelentkezés
Hirdetés |












