Fórum témák
» Több friss téma |
Fórum » Áteresztő stabilizátor FET-tel
Ha a TL431 "kinyit", akkor a katód feszültsége kb. 2V-ig tud lejönni. Így a T2 nem tudna ekkor sem lezárni.
A hozzászólás módosítva: Máj 28, 2022
Én autós üzemmódban egy MEAN WELL DDR-30G-12 DC-DC konvertert használnék. Már ha jól értem, hogy van külön akkumulátoros üzem is, ami nem az autó akkuját szürcsölgeti.
Akkor itt egy vezérelt FET-es kapcsoló. 14.5V-nál lekapcsolja a terhelést, majd 13.5-nél visszakapcsolja. Ez azért kell, hogy ne legyen esetleges prellezés. A rajzon szereplő MOSFET tetszőleges P csatornás típus, a komparátor a filléres LM2903 lehet.
És a lineáris megoldás. 14.5V-ig növekszik a kimeneti feszültség, MOSFET típustól függően 100-200mV pontossággal követve a bemenő feszültséget. E felett megáll és tartja a 14.5V-ot.
R6 helyére bekötött 10k-s trimmer+4.7k-s soros ellenállással lehet beállítani a pontos maximális kimenő feszültséget.
Csak szólok, hogy van nettó 600Ft-ért is. Az 1V dropout elvileg beleférne, ha a hordozható kütyü 12V-ról megy.
A hozzászólás módosítva: Máj 28, 2022
Idézet: Többféle módon magyarázható a működés. Az egyik verzió szerint: a kapcsolásban levő két tranzisztor egy primitív műveleti erősítő, aminek a bemenetei a két tranzisztor bázisai. Ha a két bemenet közötti feszültségkülönbség meghalad egy bizonyos értéket, akkor mindkét tranzisztor kinyit, és kinyitja a FET-et, ha alatta marad, akkor a FET zár. Ebben a megoldásban az osztó feszültségét hasonlítja össze a TL431 feszültségével (tehát a TL431 helyén egy megfelelő zener is lehetne), azonban a TL431 bevonható a teljes visszacsatoló hurokba, így sokkal stabilabb kimeneti feszültséget kaphatunk. „.....A rajzon az alsó tranzisztornak mi a szerepe a feszöltségosztáson kívül?.....” Egy másik verzió szerint: a T3, az R2-R3 feszültségosztót tehermentesíti, T2 pedig fázist fordít, hogy a TL431 megfelelően vezérelhesse a FET-et. Az osztón keresztül T3 egyúttal negatív visszacsatolást visz be, ami csökkenti az áramkör hurokerősítését, és ezáltal javítja a stabilitást ill. csökkenti a gerjedékenységet. A hozzászólás módosítva: Jún 1, 2022
Van ennek a két tranzisztoros elrendezésnek becsületes magyar neve?
Angolul sem tudom a korrekt nevet, de Rush Cascode vagy Complimentary Long-Tailed Pair neveken találtam meg, de csak kevés helyen találkozni vele. Néhány erősítő első fokozatában például. Vagy itt van egy áramgenerátorban a 8-as képen.
Őszintén szólva azt sem tudtam, hogy egyáltalán van neve, ill. elnevezése ennek a megoldásnak. A labortápban próbáltam felhasználni hasonlót, működött is, de oda kevés volt ez a megoldás, más (kicsit bonyolultabb felépítésű) áramkör kellett. De egy sima LDO-hoz megfelelő lehet, és kellően egyszerű.
Nem, ez a klasszikus differenciálerősítő, ahol a két tranzisztor azonos struktúrájú, és az emitterükkel kapcsolódnak össze. Ezt az angol hívja long tailed pair-nak is. Skori kapcsolásában egy NPN és egy PNP tranzisztor alkot egy párt az emitterükkel összekötve, ami persze bizonyos szempontból hasonlít a differenciálerősítő-höz.
Most látom, én mcc rajzát láttam csak, most lapoztam vissza skori változatáig.
Üdv. Itt egy áteresztő Mos kapcsolás.Működik,19 V laptop táppal hajtottam meg,2 db 12V, 21W izzót sorbakötve a kimenetre. 19,13V bemeneti fesz, teljesen kivezérelve 18,83 a kimenő fesz. A felvett áram 1,6A. Várom a véleményeket, akinek van lehetősége magasabb bemeneti fesznél kipróbálni. A gugli fordító segít a doksit megérteni.
A hozzászólás módosítva: Okt 6, 2022
Lehet, hogy működik, de senkinek sem ajánlanám.
Semmi sem biztosítja a FET-ek együtt-futását. A nagyobbik probléma, hogy kΩ-os gate ellenállások vannak, és 30kΩ süti ki a gate kapacitást - emiatt lehet, hogy lassúbb lesz mintha bipoláris tranzisztorból készült volna. A tranziens viselkedése egy ilyen tápnak elég katasztrofális lehet.
Működik, biztosan,de azért tettem fel ide mert hozzászólásokat várok mint:- te,proli007,GeLee..... .P csatornás fetet idáig csak te alkalmaztál a 13,8 voltos ldo szimulált tápban. Lehet finomítani,tunningolni, akinek szüksége van. Az ötlet a p csatornás fettel nem elvetendő.Várom továbbra is a fejleményeket. Mint kittet árusítják a guglin.
A hozzászólás módosítva: Okt 6, 2022
Mire gondolt a költő a 1k kapu ellenállással??
Áram megosztó ellenállások a szatyorban maradtak? Ennek így gyorsan füst lesz a vége! Javítottam Ágotát az is kényes volt a fetek együtt futására, pedig ott volt is forrásellenállás!
Biztosan azért nem csökkentette kisebbre,mert nem kapcsolóüzemü, és kevésbé törődött a tranziens állapottal.Vannak kapcsolások, ahol a párhuzamosított fetekhez nem alkalmaztak az együttfutáshoz kiegyenlítőellenállásokat. Majd terhelni fogom nagyobb árammal, amint lesz lehetőség. 6A amire kiadták,de idáig csak 1,6 amper állt rendelkezésre.
A hozzászólás módosítva: Okt 6, 2022
Source ellenállások nélkül ( össz áramtól függően tized ohm nagyságrend ) nagyon necces a használata..
Kicsit "túlhajtod" és kijut a bemeneti fesz a kimenetre. Természetesen ha a bemenet marad a laptop táp a 4-5 amperjével, akkor annyira nem érdekes.
A source ellenállásokon kívül kéne bele egy push-pull komplementerpár, meghajtani az áteresztők gatejeit. 30k-s ellenállást én lecsökkenteném 3k körülire, a gate ellenállásokat 100-220ohmra. MJE340-et valami gyors alacsony kapacitású típusra cserélni, szintén a gyorsíbb működés miatt.
Áteresztő üzemmód, nem kapcsolóüzemü. 6 amperre adta ki a gyártó. Egy db irf elbír 12ampert. A 6 db a disszipácio miatt van.(szerintem). Én is nagynak találtam az ellenállásokat,de mivel ajándékba kaptam a kittet, kipróbáltam a gyári szereléssel. 19 voltnál,1,6A...még bírta idáig. Érezhető a disszipált hő a hűtőbordán.
Ágota? ki?mi? mert nem értem.
Tisztában vagyok vele, hogy lineáris stabilizátor. Ezekkel az értékekkel jól is fog működni, egy izzólámpás terheléssel, ami statikus. De ha leveszed róla hirtelen a terhelést, akkor esetleg megugrik a kimeneti feszültsége és csak lassan tudja majd visszaszabályozni. Ez bizonyos érzékenyebb táplált készülékeknél gondot okozhat.
A hozzászólás módosítva: Okt 6, 2022
Rendben, készítek majd hozzá egy pwm vezérelt műterhet, és szkóppal figyelem a kimenet AC-jét. Majd a javasolt kisebb ellenállásokat forrasztom be, hogy lássam a változást.
A hozzászólás módosítva: Okt 6, 2022
Ágotad DS1200 erő.. ugyanilyen fetek vannak benne párhuzamosan vagy 8 db, 0,33ohm forrás ellenállással..
Idézet: „Áteresztő üzemmód, nem kapcsolóüzemü.” Az lehet, de így, ilyen kapu meghajtással, a dinamikus viselkedése katasztrofális lesz!!
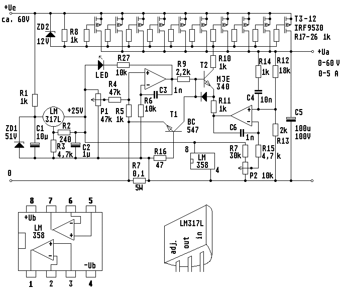
Ha elsőre jól látom, akkor ez a rajz pont ugyanaz mint amit csatoltál. Ez a rajz nekem megvan már épp 15 éve, de még nem jutottam el vele odáig hogy berajzoljam a szimulátorba, megnézzem hogy egyáltalán működik-e, és ha igen hogyan, és hogy lehetne jobbá tenni anélkül hogy alkatrésztemetőt csinálnánk belőle. Ha nem tegnapra kell a dolog akkor majd berajzolom a multisimbe, onnantól bármit bárhogy meg lehet nézni rajta, lehet dinamikusan terhelni stb. már ha a szimulátor is úgy akarja.
Ha tudsz adni infót a forrásellenállásról, akkor azt is bele tudom rajzolni, így az is látszani fog, hogy az 50Hz-es búgófeszt mennyire nyomja/vagy nem nyomja el stb. Határ a csillagos ég, vagy a transient time point calculation did not converge hibaüzenet.
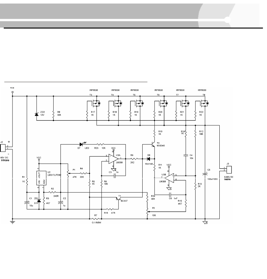
Üdv Ge Lee! A két rajz majdnem ugyanaz, ugyanis az általad közölt rajzban az egyik vitatott ellenállás megközelíti a valóságot. A nálam 30 kilós R8, nálad 1kiló.Nem sürgős a szimuláció,megtaláltam ebben a típusban amit kerestem,a Skori ldo 13,8 voltos autós tápot. Ezt a kittet feltettem, mert lehet hogy másnak is jó lesz,ha még fejlesztve lesznek a hibák. A te rajzodon feltüntették a 25 voltos Lm 317 feszültséget, innen látom, hogy a 19 V az kissé kevés,de nekem működik.
Oké, de ebből a rajzból már van egy kiforrott itt a fórumon. Bővebben: Link
Kiforrott,oké,és akkor U1áramköri környezetével mi a helyzet?
U1 áramköre segédtáp. Ha akarod külön szekunderről járatod, (előszabályzásnál előnyös), ha akarod, akkor akkor a tápegység szekunderéről járatod. Kicsi fantáziával mindenki maga eldöntheti, hogy éppen hogyan használja.
Sziasztok.
Az alábbi kapcsolás működne ebben a formában? Olyan kb. 450mA áramkorlát kellene. Köszi. |
Bejelentkezés
Hirdetés |







Ha tudsz adni infót a forrásellenállásról, akkor azt is bele tudom rajzolni, így az is látszani fog, hogy az 50Hz-es búgófeszt mennyire nyomja/vagy nem nyomja el stb. Határ a csillagos ég, vagy a transient time point calculation did not converge hibaüzenet.








