Fórum témák
» Több friss téma |
- Ez a felület kizárólag, az elektronikában kezdők kérdéseinek van fenntartva és nem elfelejtve, hogy hobbielektronika a fórumunk!
- Ami tehát azt jelenti, hogy a nagymama bevásárlását nem itt beszéljük meg, ill. ez nem üzenőfal! - Kerülendő az olyan kérdés, amit egy másik meglévő (több mint 17000 van), témában kellene kitárgyalni! - És végül büntetés terhe mellett kerülendő az MSN és egyéb szleng, a magyar helyesírás mellőzése, beleértve a mondateleji nagybetűket is!
Hello! Ez a kapcsolótömb emlékeim szerint darabokra szedhető és vagy újra szegecseled a kontaktust, vagy keresel bele másikat. Mert nem csak ezt készítették belőle.
A fotóval most én nem sokra megyek, a vezetősáv végigkövetést neked kell megnézni.
Ki kéne venni a házból, lehet két oldalas is. Már csak azért is, mert ha valóban működik a törlés, úgyis vezetéket kell forrasztani rá, az meg a házban nem nagyon megy. Másrészt ami fontosabb, hogy hálózati feszültségen van a készülék, nem lenne jó matatni benne akármilyen apró kis tűvel, mert könnyen elcsúszhat a kezedből, aztán ha rossz helyre tapizol megrázó élmény is lehet, meg ha valami olyat sikerül összezárni amit nem kéne, lehet csak levélnehezéknek lesz utána használható a készülék. A soklábú az LCD meghajtó csak. A BL24C02F pedig valóban eepromnak tűnik. Így kizárásos alapon az ismeretlen 509S11 lesz a CPU, gondolom valami kínai azért nem találni hozzá adatlapot. Tehát elvileg erre megy a Clr0 forrpont karikás fele, a négyzetes meg elvileg a CPU-val közös GND lesz. Amit afp-nek előzőleg írtam, neked is szólt, cselekedhetsz aszerint, viszont csak saját felelősségre. A hozzászólás módosítva: Szept 16, 2024
A 509S11 az MDT10P509S11 lesz, adatlap: Bővebben: Link
Az adatlapba belenézve ez a PIC12C509 koppintásának tűnik.
Sziasztok!
Az lenne a kérdésem, hogy perec fénycső esetén, be tehetek e 38 Wattos helyett 18 Wattosat. Itt arra gondolok hoogy az élettartama megrövidűl e.
Igazad lehet, én nem mentem ennyire utána.
Szia! Maradjunk annyiban, hogy nagyon megrövidül.
Vannak ilyen relélemezeim. Mekkora a pogi mérete, ill. a rúgólemezé?
Nincs meg valakinek véletlenül ehhez a kapcsoláshoz a nyák rajza?
Hobby Elektronika 1995/9 diszkóstroboszkóp
Nagyon szépen köszönöm!
Nem nagyon értem, hogy miért van az, hogy rengeteg kapcsolási rajz van mindenfelé megosztva, de a hozzá tartozó nyákrajzok nincsenek mellékelve, ha vannak, akkor sem! Miért van ez így, ki szeret feleslegesen dolgozni olyan dologgal, ami már egyszer elkészült?
Dolgozni sosem felesleges.. Én is megrajzoltan Neked, hogy legyen választék is.
Ahonnan a cikkeket letöltöd, ôk "tartalomgyártók"(-nak nevezik magukat). Nekik a darabszám a fontos, és nem az utánépíthetôség. Hogy miért? Mert amikor odatévedsz és lapozgatsz a sok kapcsolás közt, folyamatosan nézned kell a reklámokat (most azt hagyjuk hogy vannak blokkolók erre) és ezzel az oldal üzemeltetője már elérte a kívánt célt, amihez elegendő volt csak a kapcsolási rajzot innen-onnan lecsennie (esetleg még át is stilizálja színesre némelyik rajzot).
Pont a minap bosszankodtam sokadszorra hasonlón, egy egyszerű kapcsolás mindenhol (úgy 500 helyen) ugyanúgy szerepel, az egymásról másolgatás okán. A kb. tíz-húsz évvel későbbi kapcsolást (ahol már nem glimm-lámpával, hanem LED-el van kijelezve az állapot) pedig sehol sem lehet fellelni. Kénytelen vagyok szétbontani egy megfogható példányt, hogy visszarajzoljam emiatt.
A nevezett újságnak pont az az elsődleges célja, amit előttem Kbal76 leírt. A másodlagos meg épp az lenne, ha már evvel foglalkozol, téged is bevonjon az építés rejtelmeibe, és örömébe ha sikerül.
Egy hobbi lap mögött lehet olyan szándék is, ha már foglalkozik vele az ember, legalább panelt tervezni normálisan megtanuljon. Minél többet tervezel, annál jobb szebb panelt fogsz tervezni. Arról meg nem is beszélve, hogy nem mindenki pont ugyanolyan méretű alkatrészeket tud vásárolni / szerez be/ épp lapul a fiókba, tehát ennek figyelembe vételével máris eljutsz oda, hogy egy kész panelterv nem biztos, hogy 100%-ban megfelel mindenkinek. Írhatnám úgy is, biztos nem felel meg mindenkinek. Ui.: Például én ha ránézek egy kapcsolási rajzra és utána a kész nyák tervre (ha van), és látom, hogy jobb logikusabb elrendezésű panelt tudnék készíteni, máris hagyom a kész tervet és tervezem a saját panelt saját méretben, ami szintén lehet szempont ha be kell építeni valahová. Persze lehet, hogy csak én vagyok ilyen elvetemült... A hozzászólás módosítva: Szept 18, 2024
Estét!
Nem is tudom ezt igazán hová kellene feltenni, bepróbálkozom itt. Ismer valaki hasonló eszközt mint a Sonoff Pow R2 egység, annyi különbséggel, hogy DC 12-48V egyenfeszültséget tudjon mérni monitorozni, és azt felküldeni az appba, így a vele egy hálózatban lévő WiFi képes okoskapcsolókkal olyan függőséget létrehozni, ami DC feszültségszinttől függően vezérelhető? Áram mérés, teljesítmény mérés abszolút nem szükséges, a lényeg a DC feszültség mérése.
Egy-két ezer (!) volt egyenfeszt szeretnék érzékelni digitális áramkörrel (logikai IC, de akár egy PIC-el), azaz hogy elért-e egy adott feszültséget, vagy még nem. Nem igazán akarnám beterhelni ezt a feszültséget, mi a jó megoldás? Fesz-osztó, a digitális áramkör felé egy zénerrel (védendő a bemenetet)? Mekkora valójában egy PIC portláb ellenállása hi-z állapotban? (én 5MOhmra számoltam adatlapból) Ha csak arra gondolok, hogy egy 2MOhm ellenálláson 2KV esetén 2W átszalad, akkor az azért nem kevés, valami takarékos megoldás jobb volna.
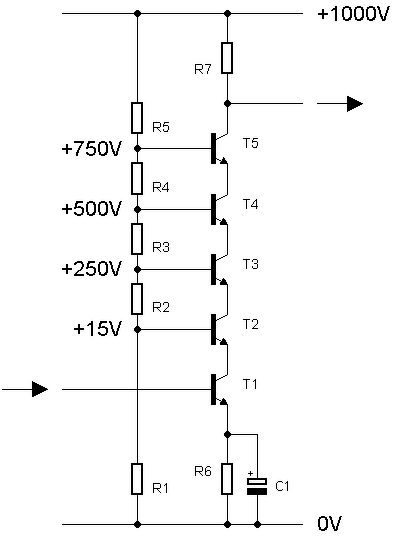
Másik, hogy mivel lehet kapcsolni ekkora feszültséget, szintén TTL szintről? Találtam tranzisztorok sorba kötött sokaságával kapcsolástechnikát (mellékeltem), de lehet van ennél jobb megoldás is (a bázisok feszültségosztói itt is fogyaszthatnak rendesen). Teljesítményigény nem lenne. A hozzászólás módosítva: Szept 19, 2024
Feszültségosztón kívül nem nagyon van más megoldás.
Túl nagy ellenállású osztót nem tudsz kontroller bemenetére kötni mert nagyon pontatlan lesz a mérés, a kis ellenállású osztó pedig sokat fogyaszt. Egyszerűbb, 8 bites PIC-ek esetében kb. 10 kΩ az ajánlott maximális ellenállás. Megoldás lehet a nagy értékű osztó kiegészítve egy műveleti erősítővel, esetleg egy sokkal jobb, és minden bizonnyal jóval drágább külső ADC IC. Ha csak szintérzékelés kell, komparátor is jó lehet de meg kell nézni az adatlapokat, akár a műveleti erősítők esetén is, mekkora belső ellenállásuk van.
Nyugodtan tegyél be nagyobb osztót; egy fixet, aminek a kimenetét megfogod egy zennerrel. Az alsó taggal párhuzamosan meg kapcsolgatod a kívánt párhuzamos ellenállásokat NFET-tel. Ha a bemeneti ellenállása az analóg bemenetnek ilyen kicsi, akkor vagy "beleszámolod", de úgy is hitelesíteni kell, az meg SW. Szűrőkondi kötelező, bár nem tudom, milyen sebességű a jeled, amit mérni akarsz (R-C tag ugye). A uC-k ADC-je a mintavételi periódus alatt feltölt egy kicsi kondit (3-5pF), aztán lezárja a bemenetet és ezt a töltést osztja szét, a mintavétel alatt illik stabilnak lennie a feszültségnek, amit a bemenő kondi garantál (-hat). Ha ez így nem jó, akkor követő műveleti erősítő Gohm-os bemenettel, de van 15fA bemeneti áramú OPA is. Lehet ragozni... Az osztót érdemes több ellenállásból összepakolni, nehogy átüssön, kússzon-másszon.
Köszi mindenkinek a tippeket!
Elsőnek egy koncepció működésének a kipróbálása lenne, tehát a fiókok aljából építkeznék, nem raknék bele tízezreket egy alkatrészre. Van néhány új 1500V körüli tűrésű tranzisztorom még régebbről, IGBT közelében sem forrasztottam sosem, úgyhogy az új nekem. Viszont látva milyen impozáns paramétereik is vannak, elgondolkodtató az első projektnél. Nem lesz A/D, csak sima érzékelés és kapcsolás az igényem, tulajdonképp a feszültég pontossága sem kritikus, tehát ha ingadozik is pl. 15 voltot, nincs jelentősége. Két különböző dologra akarom, az egyiknél a konkrét feszültség érték sem lényeges, csak egy egyszerű invertert kell megállítsak mielőtt a kondik átütési feszültségét túllépné a töltésük (1KV körül), hasonlóan egy kapcsolóüzemű táphoz, csak jelzéssel ha nem sikerül elérni. Egy teljesen másik alkalmazásban kísérleti (tapasztalati) úton fogom meghatározni a szükséges végfeszültséget, tehát ott is hasonló a lényeg, hogy az egyszer beállított érték megmaradjon. Itt kellene majd TTL kapcsolnom (pár tíz - néhány száz Hz) ezt a feszültséget (valójában csak csökkentenem valamennyivel). Itt sanszosan a feszültséget érzékelő, invertert kapcsolgató rész lesz a legnagyobb terhelés.
Ha az osztó alsó tagját kapcsolgatod, bármilyen NFET jó lesz, nincs nagyfesz, mert a Zenner megfogja. De az alsó taggal párhuzamosan tehetsz egy trimmert is, már ha ki kell kísérletezni.
Ellenállásosztóval működtetnék egy optocsatolót, annak a kimenetét meg figyelné a kontroller.
Ez 9000Ft környékén van és Budapesten átvehető:
https://hu.mouser.com/ProductDetail/IXYS/IXTH04N300P3HV?qs=gQEZvVdd...%3D%3D
Üdv mindenkinek! Ez egy nagyon rossz fotó, de a lényeg, a gyűrött nagyon vékony lemez, amely "kisimítására" van -e valakinek ötlete? nem lehet kiszedni a helyéről .A másik oldalról is hozzáférehető
Magam részéről nem kedvelem a feleslegesen fogyasztó-melegedő áramköröket.
Pont ezt a rettenetes megoldást célom elkerülni, amit minimális utánaszámolás nélkül írtál le.
Tippre ez egy filmes fényképezôgép zárja, hátha másnak nem ugrik be.
A tokozása kifejezetten érdekes. A 3kV miatt megnövelt lábtávolság a szabványos TO247 méretű tokozásban. Ügyes!
Két görgő között simítható, de ahhoz ki kell szerelni.
Optocsatolóban mi melegszik, vagy fogyaszt fölöslegesen? Az osztót meg nem fogod tudni kikerülni.
|
Bejelentkezés
Hirdetés |
















