Fórum témák
» Több friss téma |
Mielőtt kérdezel, a következő két dolgot ellenőrizd!
I. A helyes tápfeszültségek megléte.
II. A kimeneten van-e egyenfeszültség.
Sikerült beállítanom az 583mV értéket. 3.9K helyett lett 1.2k és 1.2k helyett lett 600 Ohm a poti 1k A féltáp 5.63V a potival a 100 Ohmon eső fesz 460 és 966 mV közt állítható. Szerintem én is beteszem a dupla diódát aztán ahhoz módosítom az ellenállás hidat. Az egész nyák egy aluminium lapon van. Az összes tranzisztor le van forrasztva pont a hőeloszlás miatt. És így agyütt melegednek. Mint a gyári STK. Ha kész lesz teszek fel képeket.
A NYÁK-od jó hővezető?
A diódák mehetnek bele, a nyugalmi áram nem fog leesni nullára, ami a túlszabályzás hibája lenne.
Én a BAV99 diódát tettem bele. Szerinted ez is jó lesz?
A multuméteren mennyi áramot mérjek?A két végtranzisztor emitterei között? 15-20mA ?
És a labortápon mekkora legyen az áramkorlát? Maradhat a 100mA? 12V
Természetesen a BAV99 is jó bele, 25 mA nyugalmi környékén maga a tökély.
Mikor bekerültek a végtranzisztorok az áramkörbe a felvett áram el kell tudja érni a 100 mA-t. A 100 mA korlát maradhat a labortápon. A driverrel és üzemi tápfeszültséggel persze változtatni kell a poti beállításán. Az utóbbi szimuláció szerint a 25 mA végtranzisztor áram jó lesz. A hozzászólás módosítva: Aug 25, 2024
Most 25mA van beállítva a táp szerint az áramkör áramfelvétele 130mA 12V feszültségen. Most tegyem hűtőbordára? És hagyam rajta és várjak vele hogy az érték elmászik-e?
Ha a végtranzisztoron 25 mA folyik, akkor a teljes áramkör nem vehet fel 130 mA-t.
A drivert szimuláló 470 Ω ellenállásokból álló ágon 10 mA folyik, a meghajtókon 5 mA. Lásd a mellékelt ábrát!
A labortáp annyit mutat. És műszerrel is megmértem.
A három ág valamelyikén (feszosztó, meghajtó, végtranzisztor) rendellenes áram folyik. mérd ki melyiken. A három ág áramának összege egyenlő kell legyen a felvett árammal!
A 102 mA-től a 470 Ω ellenálláson 48 (!) V esne. Nézegessed hol van elrontva.
R1,R9 4.7 ohm R7 átkötés R8 1k trimmer R10, R12 470 Ohm
A hozzászólás módosítva: Aug 25, 2024
A rajzomon R11-gyel jelölt 470 Ω ellenálláson minden bizonnyal 4-5 V közötti feszültségesés mérhető, ami kb. 10 mA. Nálad valamerre elcsorog 90 mA. Az R1,7,8,9,10,12 értéke közömbös ebből a szempontból.
Ha nem boldogulsz vele, fotózd le az összeállítást!
Így néz ki. Alumínium lapon van felületszerelve minden. Méretarányos az eredeti STK-val. A furatok is megegyező helyen vannak.
A hozzászólás módosítva: Aug 25, 2024
A megépített panelhez melyik NYÁK-terv tartozik?
Ez nem lehet, mert a 0-lás láb nem éri el közvetlenül T1 kollektorát. Tippre a dupla dióda lett oda tévesen beiktatva abban a verzióban. A feszültségosztó áramát hogyan mérted meg? Most látom sárga/kék/fekete az előtét ellenállás! Az 47 Ω és nem 470. A hozzászólás módosítva: Aug 25, 2024
A szürke-fehér nagyon egybe olvad a monitoromon.
A 46 Ω ellenállásokat cseréld 470 Ω-ra és kezd elölről a nyugalmi áram beállítását, mert jelentősen meg fog változni.
Igen most hogy észrevetted az ellenállást kicseréltem. Elnéztem mert a dobozban 47Ohm volt írva és elnéztem nullának. Most 25mA van a kimeneten de az áramkör 40mA vesz fel. Szóval így sem jó.
A 40 mA tökéletes, lásd az utolsóként feltöltött ábrámat.
Ha nem kellett a potihoz nyúlnod, úgy őrizte meg a 25 mA végtranzisztor áramot, akkor ez nagyon stabilan fog működni.
A 47 Ohm csere után a 470-re utána be kellett állítani a nyugalmit ismét. De most tökéletesen tartja.
Így már belepróbálhatod az erősítőbe, jó munkát végeztél.
Azért a te érdemed is mert nélküled még elszórakoztam volna vele 1 darabig.
Köszönöm a segítséget! Bekötöttem az erősítőbe a kimeneti dc tökéletes. A kimeneten szinte nulla a fesz +2mV van rajta. Az emittel ellenállásokon 15mV esik. A hozzászólás módosítva: Aug 25, 2024
Köszönöm a tippet. Végül úgy oldódott meg a dolog, hogy tettem egy-egy ezer mikrós kondit a test és a plusz/mínusz táp közé.
Teszteltem azl általam készített STK modulokat. Azt ONKYO A-44 erősítőben tökéletesen működik mindkettő. De van egy hibás technics su-c03. Amiben nem igazán akarnak. Az egyik oladalnak az STK1050 IC-je hibás az kivan véve belőle. A másik oladalban még az eredeti STK van ez tökéletesen működik. Eddig az STD darlington párrossal tudtam elérni azt hogy az erősítő védelme ne tíltson le és a kimenetre ne kerüljön DC. Az STD vel az a hiba jelenség hogy a kimeneti dc szabályzó potit teljesen nullára kell tekernem ahhoz hogy a kimeneten ne jelenjen meg akkora DC hogy a védelem letíltson letekert potinál a kimeneti DC az -1.75V ami nem jó az 1. lábon -2.89V a 0: lábon meg -0.47V. És random is csinálja azt hogy egyszerűen a kimenetre rákapcsol +7.37V feszültséget. De ezt a hibát produklája abban a pillanatban ha egy szigetelt nyelű csavarhúzóval érintem az R327 potmétert ez annak az oldalnak a kimeneti DC állítója. Scoppal rámértem az 1 lábra hogy normál esetben mia helyzet és mikor hiba van. Hiba esetén kb 100kHz fűrészjel jelenik meg rajta. Ez gerjedés lehet?
Szia. Egy tippet megpróbálhatsz, nekem a gerjedést nem gyári stk-val úgy sikerült megszüntetni szintén technicsben(már többször jártam így). A kimeneten 7db kerámia kondit le kellet választanom.
Szia! Köszi a tippet, részben helytálló volt. A kimeneti tagok lekötésével megszűnt az utánépített oldal gerjedése. Viszont az eredeti stk kezdett el gerjetni. annak a kimenetén 4.2Mhz volt látható
A Driver is utánépített volt akkor benne. Aztán vissza tettem az eredetit. Akkor megszűnt az STK1050 gerjedése. Egy kicsit átnéztem a nyákot + még böngésztem a neten. És rájöttem hogy mi okozta a problémát.Szóval a nyákon vannak gyárilag kihagyott alkatrészek. Amik poziciószámozva vannak de a kapcsolási rajzon nem szerepelnek. Aztán rákerestem a SANYO által publikált gyári STK3082 rajzra és azon is szerepelnek gerjedés gátló ellenállások és kondenzátorok a 3.4. és 12.13. lábak közt. Aztán átnéztem az Onkyo A44 erősítő kapcsolási rajzát és ott is beépítésre kerültek ezek az alkatrészek. És ott ezért nem jelentkezett a gerjedés. Szóval a neten találtam olyan megjegyzéseket ezekkel a korai STK driver IC-kel kapcsolatban hogy Idézet: Szóval az eredeti STK3082 ben valószinű hogy gyárileg bele építették ezeket a gerjedés gátlókat, vagy amint az idézett szövegben is benne van, az akkori tranzisztorok minőségéből adódóan nem voltak hajlamosak a gerjedésre. És ahogy javúlt a gyártás technológia ezáltal a tranzisztor paraméterek is, így már a gyártók is használtak külső gejdésgátló alkatrészeket. Valószínű ezért tette rá a technics is ezeket a kiegészítőket a nyákra. Csináltam pár mérést. A kimenet 4 Ohm műterheléssel lett terhelve. És 10VAC-ig lett kivezérelve. Végeztem mérést 10Hz 1kHz és 20kHz en. „Az STK hibrideket akkor tervezték, amikor a tranzisztorok viszonylag magas Cbe-vel (a bázis és az emitter közötti kapacitással) rendelkeztek. Ezután újabb tranzisztoros szerszámokkal folytatták, amelyek olcsóbbak voltak, és alacsonyabb Cbe-értékkel rendelkeznek. Miután az erősítő túllépi a gyártói garanciát, a tápsín-leválasztó kondenzátorok kezdenek kiszáradni, és a dolog RF-nél kialszik, és megöli magát. Ez olyan, mintha új 2N3055-öt tennénk egy régi erősítőbe. A régi adatlapok maximum Cbe-t és minimum FT-t adnak. Azokon a régi adatlapokon soha nem voltak specifikációs korlátok, amíg az alkatrész ugyanolyan vagy kevesebb teher mellett képes azt elvégezni, amit a régi adatlap ír. Ha talál valamit, amin 2N3055 van nyomtatva, akkor lehet, hogy van egy RF alkatrésze, amely nem felelt meg az eredeti rendeltetésének, de még képes kezelni a hangot. Ezek működnének, de csak akkor, ha a legtöbb esetben egy kondenzátort adunk hozzá a bázistól az emitterhez, nagyon közel a kivezetésekhez. Ezeknek a kártyáknak a tervezése során érdemes lenne tesztelni a felfutást a régi CRT TV-készülékek videokimeneti tranzisztorainak felhasználásával, és a legtöbb tranzisztor bázisa és emittere közé kondenzátorpárnákat helyezni. Ha van még mindig jó STK-ja, akkor legalább két különböző technológiájú SMD nem elektrolit kondenzátort adok hozzá párhuzamosan az összes elektrolitkondenzátorhoz, amelyek az STK érintkezőkhöz vannak csatlakoztatva, és a lehető legközelebb illessze őket az STK érintkezőkhöz. A múltban olyan dolgokat javítottam, amelyek soha nem működtek újból úgy, hogy SMD-sapkákat tettem a teljesítménysávok közé a lyukakba.”
Itt vannak a mérések. Arra voltam kíváncsi hogy milyen a jelátvitel vannak-e látható jelelak torzítások ezeken a frekvenciákon.
Elkészült a Technics SU-C03 erősítő. A benne lévő 2db STK1050 közül az egyik hibás volt. A meghajtó driver STK-t is cseréltem mert eredetileg STK3062 kellene hogy bent legyen de ebben már 3082 volt ami elvileg még eredeti a rajta levő dátum szerint ami 1996 Februári gyártás. Talán akkor még volt eredeti raktáron. De minden esetre ezt is cseréltem egy általam építettre. És még gyártottam pár STK1050 replikát is. STD tranzisztorokkal. Technics SU-C 03 Full STK replacement STK1050 STK30XX Part 1.
Technics SU-C 03 Full STK replacement STK1050 STK30XX Part 2. A második videó hangal készült de a youtube letíltotta a hangot szerzői jogvédelemre hívatkozva. A videó leírásában megtalálható az eredeti videó hangal.
Újabb replica készült. Ezuttal réz a hordozó a jobb hővezetés érdekében.
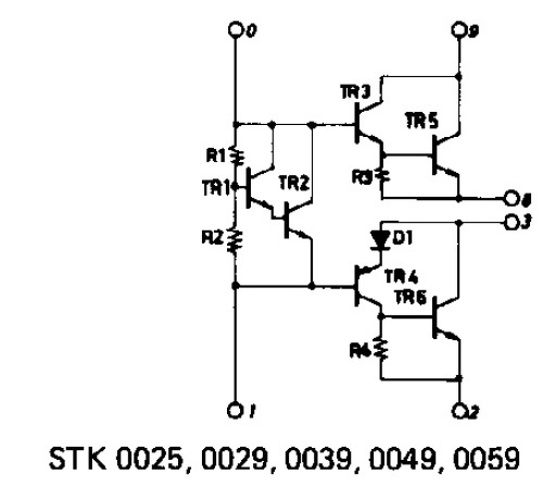
Kompatibilitás lehetséges ezekkel a típusokkal.
|
Bejelentkezés
Hirdetés |











Köszönöm a segítséget! Bekötöttem az erősítőbe a kimeneti dc tökéletes. A kimeneten szinte nulla a fesz +2mV van rajta. Az emittel ellenállásokon 15mV esik. 
































