Fórum témák
» Több friss téma |
Fórum » Eredményjelző
Témaindító: rammeradrian, idő: Ápr 4, 2009
Témakörök:
Elkészült az első eredményjelző a terveim alapján
Jdani építette a teljes leírás itt megtalálható http://kapcsolasok.hu/
Szia
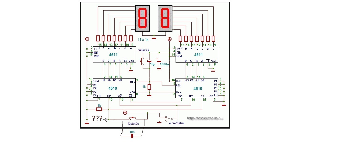
![]() A tervekben csak egy db 2003-as ic van, viszont a Jdani által megépített kapcsolásban kettő db-ot látok. Én vagyok figyelmetlen, vagy nem tudok kiigazodni a kacsolások közt, vagy csak Ő áttervezte 2x7 szegmensre és azért van 2 db 2003-as IC? Nekem 99-ig kellene számolni.
Olvasd el a leírást : Jdani két db piccel és két két db
uln tranzisztormezővel építette meg (nála nincs multiplex vezérlés) Ami itt van feltéve az multiplexelve van és azért elég az egy uln a 99 es számlálóhoz
Már kapisgálod , de még nem teljesen érted .
A multiplex vezérlés azt jelenit hogy időeltolással kapcsolgatom be a kijelzőket , tehát először kiadom az egyes számjegy értékét a 2003 ra és bekapcsolom az első számjegy közös kivezetésére a + tápot aztán pici szünet és jön a következő számjegy ..... A mikor minden számjegynek van saját uln meghajtója akkor pl egy 4 számjegyes kijelzéshez kell 4x7 azaz 28 kivezetés a pic ről viszont multiplex meghajtással kell a hét szegmensnek egy egy láb -és a digiteknek egy egy (két számjegyre elég kilenc kivezetés )
Szia
Már teljesen értem. Bennem is hasonló fogalmazódott meg, csak az előző hozzászólásomban nem teljesen jól fogalmaztam meg.Köszönöm a segítséget.
Sziasztok!
Szeretnék egy eredményjelzőt készíteni ami 30cm magas. Milyen kijelzést ajánlanátok? És hogyan tudnám megoldani? Előre is köszönöm.
Olvasd át ezt a két oldalt, itt van a megoldás.
Apróhirdetésben, nem itt!
EredményjelzőSziasztok!Én ezt szeretném meg építeni. Ebben kérhetném a segítségeteket, hogy ehhez milyen típusú kijelző szükséges? Esetleg egy linket hogy lássam is . Válaszokat köszönöm!
Valamilyen dekóderrel egybeépített kijelző kell, mivel a számlálókból BCD formátumú adat jön ki (TIL311, HP-nak is van pr típusa HDSPxxx). A léptető gombokat viszont pergésmentesíteni kell, mert biztosan nem egyet fog lépni a számláló (vagy Hall-os pergésmentes gombokat kell használnod).
"egy linket hogy lássam is"!!!...vagyis azt a videót a YT-ról!
De FEKAK tudja...
Ha minden igaz és jót néztem az elég drága
3.500/db Akkor inkább lehet ennél maradok. A hozzászólás módosítva: Jan 19, 2025
Vagy kombináld a kettőt. A második kijelzője + az előtte lévő dekódert (cd4511) csatlakoztasd az első kijelzőinek a helyére.
Vagy választhatod a HCF40110 IC-t, ha lehet kapni, ilyenem még nekem sem volt...csak rákerestem
Ennél kettő darab 1 digites közös katódosat használ a rajz. (ha jól értelmezem).
Használhatok helyette 2 digitest is? Egyik sor lábkiosztásnál egyiket kötöm be ,másik sornál másikat? A hozzászólás módosítva: Jan 20, 2025
Szerintem igen. Ha a szegmensek nincsenek belül közösítve.
Köszönöm!
Azt hogyan tudom meg ? Pl:ez? ez jó lehet? kijelző
Meg csináltam próbapanelon.
Jól működik. A nyomógomb kissé érzékeny. (volt amikor egy helyett kettőt számolt) Igaz ott lesz majd az előre/hátra kapcsoló de lehet jobb lenne valami értelmesebb nyomógomb. Próbáltam 9V-os elemről is (de gondolom arról nem sokáig üzemelne) . videó
Mert a gombnál rossz helyen van a 10nF kondi.
Párhuzamosan kell kötni a gombbal.
Hello! Sokkal jobban jársz egy CD40110-esIc-vel. Egyszerűen kaszkádolható, ha az alsó szám Carry kimenetét rákötöd a felső szám CLKUP bemenetére. (Ugyan így a BORROW-ot a CLKDN pontjára.) Természetesen a RESET lábakat össze kell kötni.
Szia! Köszönöm!
De már meg vannak az alkatrészek, és még meg is van építve. (persze csak próba panelon) . Most nem szeretnék újabb alkatrészeket venni ez miatt. Azért köszönöm!
Semmi gond, előbb is írhattam volna.
Köszi!
Igy gondoltad? Ahova tettem a kérdőjelet, azt a szálat le kell vinni testre?
Szerintem nem, mert ha megnyomod a gombot, akkor rövidrezárod a tápfeszültséget...
Akkor úgy lesz a jó ahogy a rajzon van? mármint ahova raktam a kondit?
Beraktam ide ahogy írtad. Ugyan az a probléma ,nem mindig számol többet csak néha. (nem lehet hogy a nyomógomb érzékeny) ?
Egy nyomógomb, mindig prelleg mikor zár vagy bont.
Hogy ezt elkerüljék, használnak RC tag időzítést. De hogy az hatékony legyen, 20..50ms időzítés kell. Jelenleg az 1k*10nF=100us időt jelent. Tehát nagyon rövid. Ha 100nF-ot és 100kohm-ot használsz, akkor az 10ms lesz. De nem tudni, milyen távoltól működtetnéd a nyomógombot. Mert ha hosszú a vezeték, az is szedhet össze zavarokat. Helyesebb megoldás, ha valaki az RC-tag után Schmitt-es komparátort használ. Esetleg Hall érzékelős nyomógombot.
Köszönöm!
Nem lesz vezetékes. A dobozba lesz beszerelve és ott is lesznek a gombok . Akkor próbáljam 100nf + 100kohm ,vagy hogy el érje a 20ms-t rakjam duplájára mindkettőt? |
Bejelentkezés
Hirdetés |










3.500/db 







