Fórum témák
» Több friss téma |
Ha a kondenzátort kézzel lefogod, akkor azzal az ellenállással le is állítod a rezgést.
Miért nem lehet a panelra fottasztani egy rövid vezetéket (ellenállás lábat) és ahhoz forrsztgatni bármit is. Még a szkópot is oda lehet csiptetni.
Erre az oszcillátor dologra esetleg nem lehet felhasználni a kísérleti számológép kijövő jelét? Azt, amit a zsibin vettem és látszik, hogy jó jel jött ki belőle?
Meg fogom próbálni délután. Újra nekifutok. Köszönöm!
Szerintem az óra 32Khz környéke, a számológép meg MHz környéke. Így inkább nem. Egy rossz léptetős óra kvarc kimenetével jobban járnál.
Az LCD-re menő jellel?
Mert az csak 65-250 Hz. Üdv. M.
Mintha a készülék gyártója valahonnan máshonnan rendelte volna az óra modult, legalábbis erre tudnék tippelni az eltérő panelminőséggel kapcsolatban. Próbáltál esetleg magára a készülékre rákeresni, amibe ez az óra modul való?
Ezt hogy érted, hogy a készülékre rákeresni? Magára a Hantor 9090 típusú készülékre ami nekem van? Persze. Nincs róla semmi. Ugyanúgy, ahogy más rokonairól sincs semmi. Kb. 6 márkanéven futott ez a készülék. Blaunkton, Hantor, Condor, International és Sharp HK9000. egyedül ennek az utóbbinak van meg a teljes szervizkönyve. Benne van a teljes alkatrész lista is. A Kijelzőjé is külön, meg a chip-é is. De az óra modulnak nem találtam típusát. Sajnos már a kijelzőről is csak Sharp cikkszám van.
És valóban. Az összes többi panel nagyszerű maszív anyagból van. Az óra csak ilyen halovány nyák anyagból és ezüstös csíkokkal van megcsinálva. Első forrasztással kezdett levállni. Szerintem nyilván való, hogy ezt az óra modult megrendelésre készítette egy külső berszállító.
Pontosan erre gondoltam én is, hogy nem ugyanaz a gyártó követte el az óra modult. Most már mindegy, hogy milyen márkával, de ha bármit is találnál a készülékedhez, az már jó lenne.
Próbáltam képkeresést csinálni, de nem igazán vezetett eredményre. Ezek közül egyik se olyan, mint a tied? (A linket az egyik képtalálat dobta.)
A google által megtalált dolgokban, ha a Vatera megjelenik, az az egyik leg idegesítőbb. Látom, hogy beírtad a Hantor 9090 boombox-ot, mint keresőszót. A Vatera által kidobott termékekből egy dolog maradt a keresett darabból. Az, hogy Boombox. Semmi gond, mert én is így jártam vele. Ha jól megnézed, a link alatt van egy Sharp GF990 szintetizátoros. Ha ezt megnézed, bekarikáztam a képen a kapcsolókat és a kazetta másolás szinkron kapcsolóját.
Nézd meg a két képet. Csak érdekességképp mutatom. Az én Hantor-om a második képen van. A power kapcsoló jobb fent és a szinkron indító nyomógomb tök hasonló. Az eredeti kérdésedre: A link alatt szereplő "boomboxok" az enyémhez képest csak boomboxocskák. Pont az ilyen boomboxocskák miatt hívom én a Hantor-omat rádiós magnónak. Ha ezek a pici zajongók boomboxok, akkor az enyém nem. Felteszem a szekrény tetejére és pont akkora, mint a szekrény. Nagyobb, mint a klíma. Ez a Hantor 1984 körül készült. Valami szerencse folytán megmaradt az utókornak. Ezért szeretném, ha működne rajta minden.
Ez ám a méretes "boombox"!
Ha jól tudom, főleg angol nyelvterületen nevezik "boombox"-nak az ilyesmi hatalmas, valamennyire hordozható hangkeltőket, innen vettem át én is.
Nem miattad írtam, hogy nem szeretem boomboxnak mondani. Mindenki annak hívja ezeket a hordozható cuccokat. De még a maroknyi JBL bluetooth-os hangszórókat is. Én abból indulok ki, hogy amikor 84-ben gyerek voltam, ezt a szót nem is ismertük. Mára meg már minden boombox.
Valami hasonló hifim volt nekem is mint a második képen van de azt condor-nak khívták...
ILYEN A hozzászólás módosítva: Máj 15, 2025
Hívták azt ghetto blaster-nek is, de elvitte a kifejezést a politikailag korrekt beszédmód... : -) Egyébként a radio casette recorder volt a legtöbbet használt, legsemlegesebb megnevezés, csak abból meg a kazetta halt ki (később a CD) és ma már jelentős részben a rádió is. : -) Úgyhogy maradt a boombox meg a többi idétlen név.
Ahogy a többiek is írták, az a jel nagyon lassú.
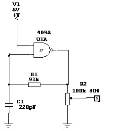
Itt van egy oszcillátor 4 db alkatrészből. Ez kb. 33kHz-es jelet ad ki, ami majdnem 32,768 kHz. 3-15V között, bármilyen tápfeszültség jó neki. A potméterről leveheted a négyszögjelet. A potméterrel 3Vpp feszültséget állíts be, mielőtt csatlakoztatnád az óra kivizetéseire, ahova most a kristály van kötve. Ha nincsenek pont ilyen értékű RC alkatrészeid, más érték is jó lesz bele 150-330pF vagy 75-120 kOhm között (persze akkor a frekvencia nem 33kHz lesz, de próbának jó). Ha ezzel se megy, akkor kuka.
A klasszikus értelemben vett rádió-CD-kazetta (vagy csak CD-rádió) az nekem egyszerűen csak "magnó".
Megcsinálom szívesen ezt az áramkört, mert csináltam én már eprom írót is. Igaz, hogy sosem sikerült a kétoldalas nyáktervet megszólaltatni, se megcsináltam.
![]() Ellenben kérdezni szeretnék valamit: A képen a kis oszcilloszkópom gyári teszt jele látható. Arra szolgál, hogy a megjelenítést két potival a legszebbre lehessen hangolni. Ez a kimenő jel nem alkalmas véletlenül a próbára? Másik kérés: kérhetek egy olyan magarázatot a kapcsolási rajzról, ami alapján pontosan azokat az alkatrészeket meg tudom rendelni, ami oda kell? Kondit, ellenállást látok, jobb oldalt az egy potméter? Fent az a félkör alakú meg tranzisztor? Igen, tudom, hogy gagyi kérdések ezek, de pontosítás a legfontosabb. Elrontani nem akarom az elronthatatlant. A hozzászólás módosítva: Máj 16, 2025
Itt esetleg találsz még két változatot oszcillátorra:
Bővebben: Link Természetesen elektrorudi fórumtársunk által ajánlott is jó. De a feszültségillesztésre vigyázz. Mindenképpen tegyél a kimenetre egy 15 kΩ - 47 kΩ ellenállást. Nem tranzisztor van a képen, hanem CD4093 IC egyik 2 bemenetű Schmitt-triggeres NAND kapuja. A hozzászólás módosítva: Máj 16, 2025
Nézd át a DSO menüjét. Lehet hogy állítani is lehet a kimenti frekvenciát.
Nem tudom ismered-e a tesztereket, de az enyémnek pl. van állítható frekvencia kimenete is tester És itt van műszív is pont ilyen célra. topi De tényleg egyszerűbb lenne nyákot tervezni kijelzőnek dugaszolható kivitelben, amihez aztán olyan meghajtást teszel amit szeretnél, mint szenvedni egy döglött, vagy döglődő IC-vel.
Azt mondod "egyszerűbb"?
Lehet. Az oszcilloszkóp kimnő jelét igen, lehet állítani. Ez eddig oké. Csak azt nem válaszolta még meg senki, hogy használható-e az a jel a chip indítására? Rendeltem egyébként egy Ilyet. Elvileg ez egy kész áramkör, ha igaz. Tervem az, hogy ezzel próbálom meg elindítani az IC-t. Az "egyszerűbb" dologgal kapcsolatban kérdést tennék neked fel: Meg tudod nekem csinálni? Természetesen, nem ingyen.
Ott a számológép, azon láthatód mekkora feszültséget kaphat. Ha magasabb a DSO által kiadott feszültség, le kell osztani ellenállás osztóval megfelelő szintre.
Kvarc osszcillátort nem tudom, elméletileg jó lehet. El tudom készíteni a nyákot. Viszont sajnos nem most, költözés miatt a műhelyem dobozokban van. Talán a nyár végére összeáll a dolog. De ha elég csak a Nyák terv amit legyártasz, vagy gyártatsz az hamarabb is összehozható. Persze ehhez kellenek a pontos méretek, és a rögzítési pontok pontos helye. De az sem kizárt hogy van valami próbapanel amire felrögzíthető az LCD. A lényeg hogy legyen rajta sok sávos NYÁK ami tüskesorba végződik. próbapanel Végső soron lehet hogy valami pc periféria is jó (pl. RAM, VGA, Hálókártya, stb.) ha a vonalkák távolsága megegyezik az LCD nyákon lévővel. Igaz itt forrasztgatni kell majd, de egy próbát megérhet.
Készítettem már nyákot, így nem kizárt, hogy el tudom készíteni. Mi baj érhet, ha mondjuk másodikra, vagy harmadikra sikerül? A giond nem ez, hanem a gondolat második része.
Olyan megjajtást tenni, amit szeretnék. Olyat szeretnék, ami mutatja az időt és be lehet rajta állítani ébresztést is. Ezt hogy oldom meg? Ez a kérdés. Az Arduinoba belemerülhetnék, de kerülne egy évembe, mire magtanulom annyira, hogy tudok egy ilyet csinálni. Nem az egy évvel van gond, mert kb. ennyi idő telt el addig, míg megtanultam normálisan 3D nyomtatni is. Úgy, hogy előtte megtervezem és meg is rajzolom úgy az alkatrészt, hogy az jól kinyomtatható legyen. DE a 3D nyomtatást időnként használom is. Az Arduinot fogalmam sincs, hogy később mire használjam? Így aztán, nem igazán tudom, hogy ha nem Arduinoval, akkor hogy hajtsam meg a kijelzőt, ami nem csak egy kijelző lenne, hanem egy ébresztő óra és funkcionálisan működik is.
Hello! És mi van, ha veszel egy ilyesmi órát és belebarkácsolod?
A hozzászólás módosítva: Máj 26, 2025
Házi körülmények közt az arduino a legértelmesebb megoldás. Példakódokat találsz a neten nem ezzel lessz a gond, hanem hogy azt a kijelzőt amit akarsz meghajtani azt hogy illeszted hozzá . CSAK 1 PÉLDA
A számból vetted ki a szót. Egyre jár az agyunk. Látva a kolléga szenvedését, éppen egy hasonló megoldást akartam javasolni, mielőtt olvastam a hozzászólásodat. Pontosabban, az jutott az eszembe, hogy bolhapiacról szinte ingyen lehet venni régi LCD karórákat. Semmi mást nem kell csinálni, mint a szegmenseit átvezetni a a meglévő kijelzőre. A kijelző "lábasítására" már voltak konkrét ötletek az előzőekben. Forrasztás kérdése az egész.
A '80-as években, csináltunk olyat, hogy LCD karóra elektronikát felhasználva + CD4050 IC-t + 7 szegmenses LED kijelzőket, asztali ébresztőárát gyártottunk. Most csak mosolygok rajta, de akkoriban nagyon menő volt.
Uraim! Keresgélem ám én ezt a megoldást is. Találnom kell egy olyan LCD ébresztő funkciós órát, ahol az ébresztés is ki van jelezve és utána meg lehet próbálni a kijelzőmet kompatibilizálni vele, hogy a látvány az eredeti legyen. Semmi gond ezzel. Még majdnem ez lehet a legjárhatóbb út. Csak eddig arra próbáltam ez ügyben koncentrálni, hogy 1,5Volt-os is legyen, mert akkor nem kell illeszteni a kimeneteit.
Még ezt az oszcillátorral való meghajtást azért megpróbálom, és utána az előbbi útra fogok térni. Köszönöm az ötleteket. ...De azért ha ez kerül megvalósításra, akkor is kelleni fog ám néhány tanács.
Akkor a NYÁK ezek szerint menni fog.
Meghajtásra sok féle mód lett már felvázolva. Legegyszerűbb ha maradsz a gyári megoldásnál, és keresel valami cél ic-t. Azt nem kell programozni, csak összerakod az áramkört teszel bele elemet és működik ARDUINO esetén kell valamilyen LCD diver ic, meg RTC, is, meg az általad említett szintillesztés is (erre is vannak cél áramkörök, de lehet hogy egy optokapu is megteszi) De léteznek olyan MCU-k is amikben van minden MCU list Viszont ezen megoldások már külön tápellátást igényelnek, de ez gondolom megoldható. Programozásukat az ismertebb programok támogatják. Arduino, és Bascom esetén tudok segíteni. Kezdő programozás ajánlom a flow-codeflowe-code vagy a scath + Arduino-t Az akvárium vezérlőm ATmega 88-al van megoldva, és az MCU-ba épített RTC-t használva (órakvarc kell hozzá) működik. Pontossága jó minőségű órakvarcot használva évi kb. 20-30 sec eltérés. Elemek 3X1,5v AAA, ezek is sokáig bírják (minőségtől függően akár évek is). Programot BASCOM-ban írtam hozzá.
A feszültség illesztést egyszerű feszültség osztóval is el tudod majd végezni. De a legtöbb LCD óra 1,5 V-ról üzemel.
MIilyen méretű ez az LCD óra? Lehet lehetne találni ugyanolyan méretűt is. A hozzászólás módosítva: Máj 29, 2025
A kijelző látható felülete 14mmx47mm. Ebben a zónában úgy tudom, van 3x2db 7 szegmenses szám kijelzés. 12:00:00. valahogy így. De az utolsó két számjegy kisebb, mert azok a másodperceket jelzik.
Én még nem találtam ugyanolyat, de keresem minden nap. A feszültség osztó az az a megoldás, amit mondjuk egy hangváltóban is alkalmazhatunk az egyes kimenetek hangerőszintjének beállításához? pl. hogy ne szúrja ki az ember szemét a magassugárzó hangja? A hozzászólás módosítva: Máj 29, 2025
|
Bejelentkezés
Hirdetés |






Ha jól tudom, főleg angol nyelvterületen nevezik "boombox"-nak az ilyesmi hatalmas, valamennyire hordozható hangkeltőket, innen vettem át én is. 








