Fórum témák
» Több friss téma |
Fórum » Kapcsolóüzemű tápegység
Témaindító: Rendszer, idő: Feb 18, 2006
Témakörök:
Akkor ha jól gondolom az IGBT -nek nincs is köze az 5V előállításához és talán nem is hibás ( köszönöm ferci -nek a mérési módszer leírását, de még nem próbáltam ki ) (?)
Két IC van benne: PN8044 és CMS89F526 Utánabogarászva a PN8044 lehet a segédtápé, megpróbálom megnézni hogy működik-e. Bár nem tudom életszerű-e hogy egy ilyen IC csak úgy magától tönkremegy.
A korábban említett panelnál a segédtáp működött, de a zárlatos IC lehúzta. Nálad is, ha valami kis feszültség van, akkor a segédtáp valamit csinál. Biztos van áramkorlátja.
Az a baj, hogy nem találok hozzá kapcsolási rajzot. Sőt a PN8044 -re rákerestem hogy valami minta kapcsolás vagy ilyesmi nincs-e, de csak - számomra - kibogozhatatlan találatok vannak.
A külső panelt ( ami az 5V -ot igényli ) lehúzva mértem 0,4V -ot, megpróbálom lekövetni hova kell még 5V a panelon. Az szép lesz ha nálam is a CMS vezérlő IC hibás, mert annak a beszerzésére aztán semmifelé találat nincs .Azt sem igazán értem, hogy - látszólag - semmiféle zavarvédelme nincs a panelnak, pedig ott van közvetlenül az indukciós tekercs alatt. Nem csoda hogy elromlik .
Közben találtam leírást a 8044 -re, az alapján megnézem. Viszont ha jól látom a CMS89F526 egy mikrovezérlő, tehát még ha kapnék is üresen semmire sem megyek vele. Ezesetben ha jól gondolom sakk-matt.
Még mindig nem tudjuk, mi a zárlatos.
Hátha nincs semmi baj se a táppal, se a vezérlővel.
Az alábbi kapcsolást térképeztem fel. Az X csatlakozóra sajnos nem tudom mi megy mert most nincs nálam a készülék csak a panel. És még a jobb oldali 3 diódát sem ellenőriztem le. Gyanús hogy a 8044 nem is kap feszültséget, ezért nincs semmi a kimenetén.
Ha a 8044 -et magában szeretném letesztelni tudnál segíteni mit adjak a bemenetére ? Találtam egy egész jó rajzot amin sok hasonlóságot látok az én áramkörömmel ( 4. oldal ): Toshiba rajz
Túl hiányos a rajz. Ez alapján a PN8044 legfeljebb egy FET lehetne. Elhelyezése alapján pedig egy önrezgő visszacsatolás nélküli táp IC. (semmit nem találtam róla
) A 230V-os oldalon nézz alaposabban körül! Ott még kell lenni legalább 2 db diódának.Idézet: „Ha a 8044 -et magában szeretném letesztelni tudnál segíteni mit adjak a bemenetére ?” 320 V DC-t. Talán. ![]() Mérj rá a trafóra is, lássuk, ki kivel van! A hozzászólás módosítva: Aug 23, 2025
Úgy néz ki megvan a bűnös. A rajzomon X -el jelölt csatlakozóhoz egy hőbiztosíték ( BF184 ) csatlakozik, ami ki van olvadva, így a 8044 nem kap bemenő feszt ( ha rövidbe teszem a csatit megvan a 18 ill. 5V ). Hogy ennek mi lehet az oka azt persze nem tudom, de remélem ha sikerül egyet találnom és beteszem utána már rendben lesz. Köszi szépen a segítséget !!
Sony SLV-D910NSziasztok!Egy kis segítséget szeretnék kérni. Van egy Sony SLV-D910N DVD-VHS lejátszóm, aminek a tápjában zárlatos lett a MOSFET. Cseréltem a tranyót és a biztit, viszont a trafó szekunder oldalán semmilyen feszültség nem jelent meg utána. A primer oldalon földhöz képest mérek 60-63VDC-t. Már nem zárlatos, viszont mégse üzemel. A tranyó környékén kimértem az alkatrészeket. Elkókat is kimértem. Optocsatolót kicseréltem. Merre keresgéljek még? Köszönöm a segítséget előre is! A hozzászólás módosítva: Aug 31, 2025
Diódahíd?
Daewoo hűtő elektronika javításaSziasztok!Van egy Daewoo hűtőgép vezérlő panelom, és annak van egy hibás tápegysége amit nem tudok sehogy se elindítani. Kicseréltem benne az összes kondenzátort, ellenőriztem a diódákat is és az ellenállásokat is minden rendben van mégse indul el. Kicseréltem benne még 7805 a szekunder oldalon és a tl431-et is. Továbbá a primer körben az STR-G6352-is,ráadásul HQ-ból rendeltem az iccét nehogy hamis legyen. A 4-es lábon a feszültség ugrál 11v-18V-ig szaladgál fel. 22Uf kondenzátort kicseréltem, nincs már több ötletem semmi. Ebben kérnék segítséget mit nem látok meg, mért nem indul el a táp. Köszönöm szépen a válaszokat, további szép napot mindenkinek.
Szia! Lehet, hogx zárlat van a kimeneten és a túláram miatt ilyen.
Ugy nézem, hogy három tápfeszültség van. Azokat kellene megmérni. Amelyik többet változik annak a terhelésével lehet gond.
Szia
A szekunder körön nincs tápfeszültség semmilyen. Bátor voltam és a trafó szekunder kimenetét leforasztottam hogy ne menjen sehová. Ott megmérve csak a trafó kimenetét semilyen feszültséget nem mérek.
Hát azt nem csodálom. Ez egy kapcsolóüzemű táp, sima multiméterrelnem nagyon mérhető ott sokminden. Inkább a terhelést kellett volna lekötni róla és úgy kellene mérni a tápfeszültségeket, az egyenirányítoás után, de még a TL431-et is hagybennt a szabályzás miatt.
Mivel méred a feszültséget - ott lehet sok kilohertz is, a mezei DVM meg talán 1 kihertzig megy. Ahhoz már komolyabb müszer kell amivel kilohertz tartományban tudsz mérni.
Ráadásul ha nincs visszacsatolás a kimeneti DCröl ( ami nem lehet ha kiforrasztottad a trafo szekunder vezetékeit), akkor el sem indul a primér kör. A hozzászólás módosítva: Okt 25, 2025
Kondenzátor csereSziasztok!Adott egy okos tükör tápegysége. A bemeneten az egyenirányító után közvetlenül a kondenzátor felpúposodott, ezt cserélni szeretném. Viszont a fiókban csak sima elektrolit kondim van a panelon pedig LOW ESR (400v 15uF). Mehet a helyére sima kondi vagy mondenképpen LOW ESR kell? A hozzászólás módosítva: Okt 29, 2025
IC3269Egy 24V 20A táp dobta be a törülközöt. Benne van egy számomra ismeretlen 8 lábu ICValami ilyesmi van ráirva IT3269BDG. Sajnos a keresök nem találnak ilyesmit. Találkozott már valaki ilyen ICvel? Rajta kívül már csak 2 kis tranzisztor van a primér oldalon. A. 6,3A-s biztit kiverte.
Itt a kép az elektronikárol. Az IC felirata csak speciális fényben olvashato, amit a kamera nem lát
Az elsö sorban IT 3269BDG. ( az elsö betü lehet esetleg J). 2. sor. 222 CD Mást nem tudok, nagyon hasonlit egy mezei kapcsolásra az oszcillátor 2 tranyoval hajtja a trafot. Az egyenirányito két massziv dupla SHOTTKY dioda attol jobbra van meg egy FET valoszinü a kimeneti feszültség stabilizáciora ( 30 V 20 A-t. ). A panel a képen vizszintesen van osztva felül a 230 Voltos rész alul meg a kisfeszültségū rész az optocsatolos visszacsatolással. A kis tranzisztorok meg a Shottky diodák rendben vannak. A biztositékon kivül jobbra fennt más hiba nem igen láthato. A hozzászólás módosítva: Okt 30, 2025
"Az IC felirata csak speciális fényben olvashato, amit a kamera nem lát"
Ne viccelj, még így is majdnem olvasható - sajnos csak majdnem, pedig a gyártó logo-ja elég jó támpont lehetne. Csak a megvilágítás és a fényképezőgép/telefon szögén kell változtatni, amíg jó nem lesz.
Le is irtam korábban , azt hiszed, hogy közben megváltozott???
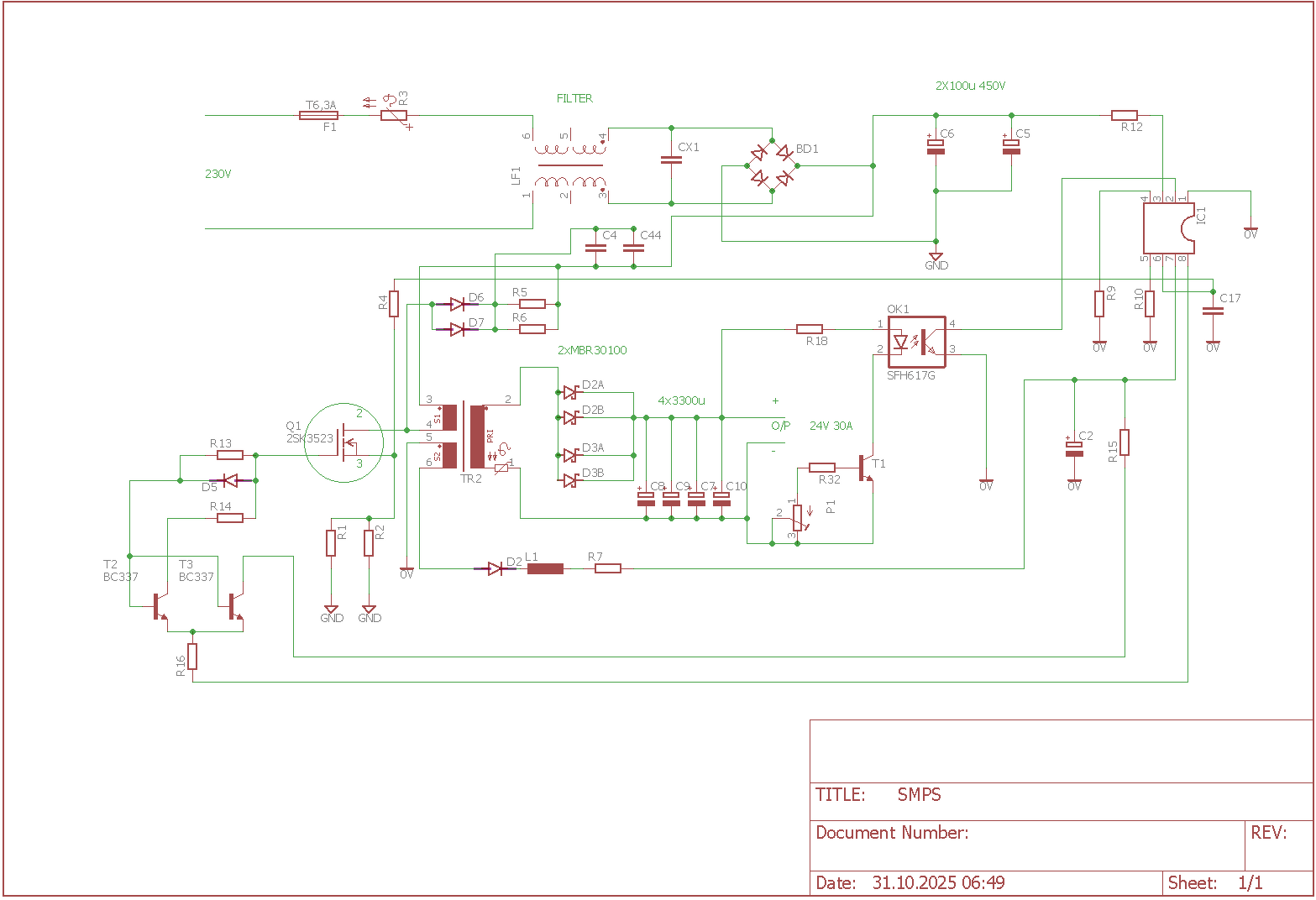
Közben meg sikerült ugy ahogy leskiccelni a NYAKot. Valoszinü, hogy a meghajto FET lesz a ludas. 2SK3523. Egy 500Voltos joszág a trafot hajtja, csak elég hülye helyen van az alacsony feszültségü terület határán ebböl gondoltam, hogy csak stabilizator.
Majd holnap feltöltöm s rajzot. Körülnézek hol kapni ilyen FETet vagy mivel helyettesithetem.
A Q1-ről beszélsz?
Az van a legtávolabb az alacsony feszültségtől, és az a meghajtó.
Itt a rajz, amit tegnap visszarajzoltam. Nem biztos, hogy hibátlan (meg nem is szép), de a kritikus alkatrészeket igyekeztem pontosan megrajzolni.
Igen arrol a Q1-röl van szo a rajzon egy körrel kiemelve. A passiv alkatrészek értékeivel nem foglalkoztam, miután semmi roncsolás nem láthato rajtuk.
Lehet, hogy valami ilyesmi, bár a rajzod alapján nem biztos. A kínai már rengeteg saját áramkört gyárt amiről semmiféle infót nem lehet találni, pl. a ledes izzókban lévő áramgenerátorok is többnyire olyanok.
Közben kapom a „ jo“ hireket, a 2SK3523 Europában már nem érhetö el (discontinued).
(Milyen érdekes pár éve a drága Infinity hangszorokban levö erösitökhöz sem volt már eredeti alkatrész.)
Tucatnyi esetben cseréltem #... típusra a meghajtót.
Csak keresni kell. |
Bejelentkezés
Hirdetés |




.
. 












