Fórum témák
» Több friss téma |
Nekem abban kéne segítség hogy olyan feszültségeket csináljak 12Vos akksiról (autóból) ami egy számítógépnek kell... LÁttam már régebben egy ilyen gépet vmelyik oldalon de nem tom melyiken... Már az is nagy segítség lenne ha valaki ezt megmondaná...
Ugye a 12V adott... Bár azt nem tom hogy ez jó lenne e az alaplapra direktben.. gondolom nem... ÉS hogy az 5Vot meg a 3.3 hogyan tom előállítani... Huhh ha ezt valaki segít megcsinálni annak nagyon megköszönöm !!!A monitor helyett az eredeti megvalósításban egy lcd kijelző volt ami mutatta hogy éppen milyen számot játszik a gép... Ugyanis csak erre volt hivatott.. mp3 lejátszásra... nah de ez már a többi "egyszerűbb" dolog... Nekem most ezt a tápolást kéne vhogy megoldani... Aki ért hozzá az lécci írjon... Előre is Köszönöm.
az oldal az itt van:
http://glbtech.mogyoro.hu/elektro.htm 5V-ot 7805 -el, a 3.3v-ot 7833-al, a 12V-ot 7812-vel(vagy 2-3 dióda, mivel diódánként 0.6V esik, a kocsi aksi meg menetközben 14-15v) persze a stab icket meg kell fejelni 1-1 tranyókkal nagyobb telj. miatt.. üdv
Nah azt megnézném, hogy egy stab IC + tranyó hogy vinne el egy PC-t.....
Meg annyi hőt termelne hogy fűteni lehetne vele télan a belteret..... Mindenképpen kapcsolóüzemű tápegységgel kell megoldani.... sokkal jobb a hatásfoka is és nem melegszik annyira!
végülis a kapcsüzitáp sokkal jobb ebben a viszonylatban az tény
Szeretnék építeni egy ilyen áramkört 12 Volt-ból, 5 Volt/4,5A-re lenne szükségem.
Tudna valaki segíteni,h készíthetnék egy ilyet? Előre is köszi a jó ötleteket!
Bővebben: Link
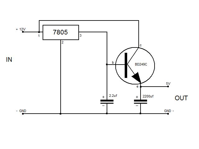
Ezen az oldalon a 104-es link számú kapcsolás. (bal oldali sávba tudod beírni) A stabilizátort kicseréled 7805-re, és csak egy áteresztő tranzisztort használsz, olyat válassz, ami el tudja fűteni a teljesítményt, és PNP.
Például BD246 alkalmas erre a feladatra, csak jó nagy hűtés kell neki 35W-ot fog elfűteni...
step down ic
ez egy kapcsolóüzemű feszstab ic. -> nem fűt el annyit áramot.
Szorgalmi feladat: valaki megtervezné, mekkora hűtőborda kell, hogy elfüstöljünk 35W-ot? Mennyibe is kerül egy ekkora borda? És mennyibe egy step-down konverter?
ez most mi akar lenni? melyik éri meg jobban? háát... én szívem értelemszerűen a step-down felé húz, lehet olcsóbb egy sokat fűtős áramkör... nemtudom
Sztem Feri007 is Veled ért egyet, csak burkoltan fejtette ki a véleményét...
A 12V akkura utal, tehát csakis step-down!
Nyilván, step-down. Ezeken az 7805-ös megoldásokon túl kellene már lépni...
A mai liberális világban nem illik leszólni vki ötletét, ezért inkább szempontokra mutatok rá, ami alapján ki-ki dönthet.
A hatásfokot illetően tényleg jobb választás a step-down, de gondolom mivel 12V ból kell 5V így valami szivargyújtós alkalmazás lesz. 5V 4,5A pl egy video kamera áramfelvétele, ezért gondoltam, hogy jobb egy disszipatív szabályzó, mert egy step-down-nak nem kevés zaj van a kimenetén, amit pl egy kamera nem igazán díjazna. Így egy disszipatív szabályzót nyugodt szívvel ajánlok, attól biztos nem lenne baja egy kamerának sem, de egy step-down-tól már lehet. Tudni kellene, hogy mit szeretne használni róla.
Szép is meg jó is a step-down, de még nem kellene " túllépni" az analóg cuccokon..
- érdekes módon a csöves technikán sem léptek túl, illetve sokaknak új és tetszik is.Természetesen akinek csak egy bizonyos célra kell, ott a fenti a célszerű megoldás. Amit viszont hiányolok ( nem nekem...): ha javasoltok egy ilyen megoldást (adatlapot, linket...), akkor tegyétek már melléje a spéci alkatrészek leírását is, mert egy kezdőnek a pl. 190 uH nem mond sokat, ami a tényleges kivitelt illeti. Ugye, nem kell magyarázni, hány fajta ilyen értékű induktivitás létezik? Ez a megjegyzésem persze általánosságban érvényes, nemcsak és most rád, úgyhogy nem is neked szólna...
Skacok, ötvözni kell a kettőt. Ilyen volt pl egy szétbontott szkennerben. 12 -> Stepdown 7V -> Stabkocka 5V. Nem melegszik, nem zajos.
Köszi mindenkinek ezt az aktivitást. A felhasználási terület pedig tényleg autós téma lenne, de nem kamera, hanem mini-pc aminek 5V/4,5A kell. Én is gondolkodtam egy step-down használatán, szerintem ki is próbálom.
Helló.
Ez remélem megfelel majd.
Ez csak kb. 4,3V-ot ad. Ha viszont az 7805 2-es lába és a gnd közé beteszel egy diódát, akkor már elég jól meg fogja közelíteni az 5V-ot. Persze nem lesz olyan stabil, mint a 7805 önmagában, de valamit valamiért.
De én is inkább a step-down konverterre szavazok. Manapság szinte mindennek kapcsolóüzemű a tápja, így valószínűleg a minipc-nek is.
Nekem az lenne a kérésem, hogy nem tudtok egy egyszerű kapcsolást ami 12V -ot 4.5V -ot csökkenti? Autóba szeretném a discmant üzemeltetni. Előre is köszi.
Én azért a kapcsolóüzem mellett vagyok, elméletileg veszteségmentes, jól kivitelezve nem kell tartani a kapcsolóüzemből eredő zajoktól. Pl. a kapcs.rajzon un. egypontföldelés van ebből a célból, és ott egyébként is célszerű nagy keresztmetszeteket használni.
A mellékelt rajzon max. 3A terhelhetőségű gyári application látható, az úgy ahogy van, jó. Induktivitás /min. 3A-es/, gyors Schottky dióda, maga az IC minden további nélkül beszerezhető /Lomex, RET, ElektroKontha/, ez a 3 ca. 700Ft. Kaparok egy fél gyufaskatulyányi nyákon 3-4 szigetet, hűtőfelületnek ott a panel nagyméretű testpontja. A fotón az állítható feszültségű van, 5A-es induktivitással. Az IC-ből létezik 1, 3, 5A-es, fix és beállítható kimenőfeszültségú. Persze változik az induktivitás. Drága az energia, ne fűtsetek.. Üdv: StMiklos
Üdv!
Tudna valaki adni egy rajzot LM340 IC-re amivel 12V-ból 5V-ot kapok?
Szia!
A lap végén van egy szabályozható tápegység ezzel az IC-vel: Bővebben: Link A TO3-as tok bekötése: Bővebben: Link
Én nem látok semmilyen LM340-es változtatható tápegységet!
És Zoli mi mi?
Meg amúgy is csak egy szimpla kb 5V-ot kéne előállítanom nem kell nekem komoly táp.
Ez e:Bővebben: Link
A linkelt oldal (lap) alján! A potival beállítod az 5Volt kimenőfeszültséget.
|
Bejelentkezés
Hirdetés |




- érdekes módon a csöves technikán sem léptek túl, illetve sokaknak új és tetszik is.







