Fórum témák

» Több friss téma
Fórum » Házilag építhető fémkereső
Lapozás: OK   276 / 277
(#) deexteer válasza mateatek hozzászólására (») Ápr 17, 2026 /
 
Elvileg rajta van a mostani modulon, még nem fejtettem teljesen vissza, az biztos hogy módosítanom kell valamennyire. Az előző verziónál az esp szintillesztéssel voltak gondjaim, vagy az adc hibája miatt ami rossz volt, vagy elnéztem valamit, most majd kiderül a másikkal ha egyáltalán az működik.
(#) mateatek válasza mateatek hozzászólására (») Ápr 19, 2026 / 1
 
Visszatérve egy régebbi hozzászólásomra és próbálkozásomra, az amplitúdó stabilizálására a szinuszos gépemnél.
Első körben az adó tekercsen ébredő feszültséget egyenirányítottam, mead nagy impedanciás feszültség osztóval leosztottam, szűrtem és ezzel az egyen feszültséggel hasonlítottam össze a referenciát és szabályoztam a szinusz amplitúdóját. Sok szenvedés után úgy éreztem, hogy mehetek terepre kipróbálni. Terepen a gép nagyon szépen körtyögött és cicergett. Az idegeim kitépése után elfogadtam a kudarcot.
Második verzióban az adó tekercs vezetékét átvezettem egy áramváltó tekercsen. A tekercs egy graetz egyenirányítón keresztül egy szűrő kondira és a terhelő ellenállásra került. Majd ez a feszültség ment a szabályozó körbe.
Így most frankó lett odakint is. Egy öröm, egy boldogság.
(#) deexteer válasza mateatek hozzászólására (») Ápr 19, 2026 /
 
Ezt az áramváltós megoldást majd kipróbálom ha minden kötél szakad, az stm32-t most hanyagolom, tegnap 4 órámba került mire bekapcsolgattam az ic lábait és konfiguráltam, további 12 óra volt mire csináltam egy alap kódot 4 hibával, egyet javitottam, lett 10 hiba belőle, elmentettem hogy ma folytatom, kiderült hogy nem lett jó a mentés, idegzetem most nincsen újrakezdeni így marad a régi verzió.

Finomítottam a frekvencia állítást is, 100-10-1 hertzenként is tudom léptetni, ez elég hasznos rezonanciapont beállításhoz. A szinusztábla 256 szám +1, és akárhova is tekerem 2-20khz között, szép a hullámforma.
(#) deexteer válasza mateatek hozzászólására (») Ápr 21, 2026 /
 
Második adc sem lett jó, forraszthatom le az apró ic-t hátha direktbe kötve jó lesz, igazából csak pár ellenállás és kondi. Nem hiszem el hogy mindkettő halott lenne.
(#) mateatek válasza deexteer hozzászólására (») Ápr 21, 2026 /
 
Néhány MCU-t már forrasztottam föl. Megesett, hogy kissé túlpörköltem egyet-kettőt. Olyankor mindig az ADC lába szokott elpusztulni. Legalább is nálam.
(#) deexteer válasza mateatek hozzászólására (») Ápr 22, 2026 /
 
Belső adc-vel már életrekelt a masina, 10centiről lát egy 20x10centis alumínium lapot, az egész jó első kódra.
Raktam a menüjébe egy kijelzést ahol egy kör van a közepén egy ponttal, találatnál egy vonal lesz belőle ami a jel erősségét jelzi, hogy melyik irányba indul meg az a fémtípusát jelzi.
Alunál mindig ugyanarra mozog.
(#) mateatek válasza deexteer hozzászólására (») Ápr 22, 2026 /
 
Sajna, nekem levegőben nagyon jól működik a színes fémek elkülönítése, de talajban kissé téved. Vagy nem is kissé. Egy alufólia csömbölléket talajban is el tudok különíteni egy érmétől, de két azonos méretű érme között az anyagában nagyon határozatlan vagyok.
(#) deexteer válasza mateatek hozzászólására (») Ápr 24, 2026 /
 
Most gondolkodom hogy előerősítőnek megcsinálom a tgsl gyári kapcsolását, azt szerettem mert dtabil, a kimenetet meg leosztom egy kondi után trimmerpotival 1,65 voltra, így elvileg jó az esp-nek.

Gondolkodtam azon is hogy részben leveszem a terhet az esp-ről és beépítek még egy kapcsoló ic-t amit esp vezérel, 2-2 pár kapcsolható kimenettel amiből 2 simán, 2 meg ellentétes fázisban kapcsol.
(#) mateatek válasza deexteer hozzászólására (») Ápr 24, 2026 /
 
Ha azt a kapcsolást építed meg, akkor építsed meg rail-to-rail műveleti erősítővel. (nem elfeledve a bemenetén a felüláteresztő szűrőt).
Illetve, ne leosszad a feszültségét, hanem a kimenetén lévő kondit (C8) hagyjad meg, de azt a kondit ne GND-re kössed az ellenállással (R27), hanem 1,65 voltra. Ezt a feszt egy feszültség osztóval megcsinálod a 3,3 voltos tápról, majd egy követő erősítővel stabilizálod. Így az erősítőből jövő jel 1,65 volton fog ülni és ezt fel tudod dolgozni az MCU-val. Az erősítő kimenetére, a C8 után tegyél egy soros ellenállást, 1-2k ohmosat. Ha a jel így kifut esetleg a 3,3 voltból, akkor az ellenálláson keresztül az MCU védődiódája söntöli azt és em az MCU-nak, sem az erősítőnek nem lesz baja.
Megépítheted az erősítőt akár 5534-es IC-vel is, csak járassad 10 voltos tápról és az hozni fogja az elvárt eredményt.
A kis feszültségű, modern OPA-k néha megtréfálnak, mert más fázistolást tudnak produkálni kis és nagy jel erősítése esetén. Azt meg sosem tudni, hogy éppen mekkora jel van a vevő tekercsen. A dilatáció miatt viszont elég esetleges, hogy mekkora az erősítendő jel a vevő tekercsen. Néha nulla közeli, de néha akár több század, akár tized volt. Mivel fázistolást érzékelsz, így azok az IC-k nagyon át tudnak verni.
(#) deexteer válasza mateatek hozzászólására (») Ápr 24, 2026 /
 
Most csak 4558 van, a leosztást úgy értettem hogy trimmer két szélső lába test és 3,3v a közepe lesz az 1,65v, 5 és 12 volt között bármekkora feszültséggel meg tudom hajtani, az egyik táp direkt állítható a d osztályú erősítő miatt.
Eddig az rx erősítő szintillesztése szivatott, csak nem tudtam róla és kódhibának véltem, az ötödik verzió után jöttem rá a hibára.
(#) deexteer válasza mateatek hozzászólására (») Vas, 15:14 /
 
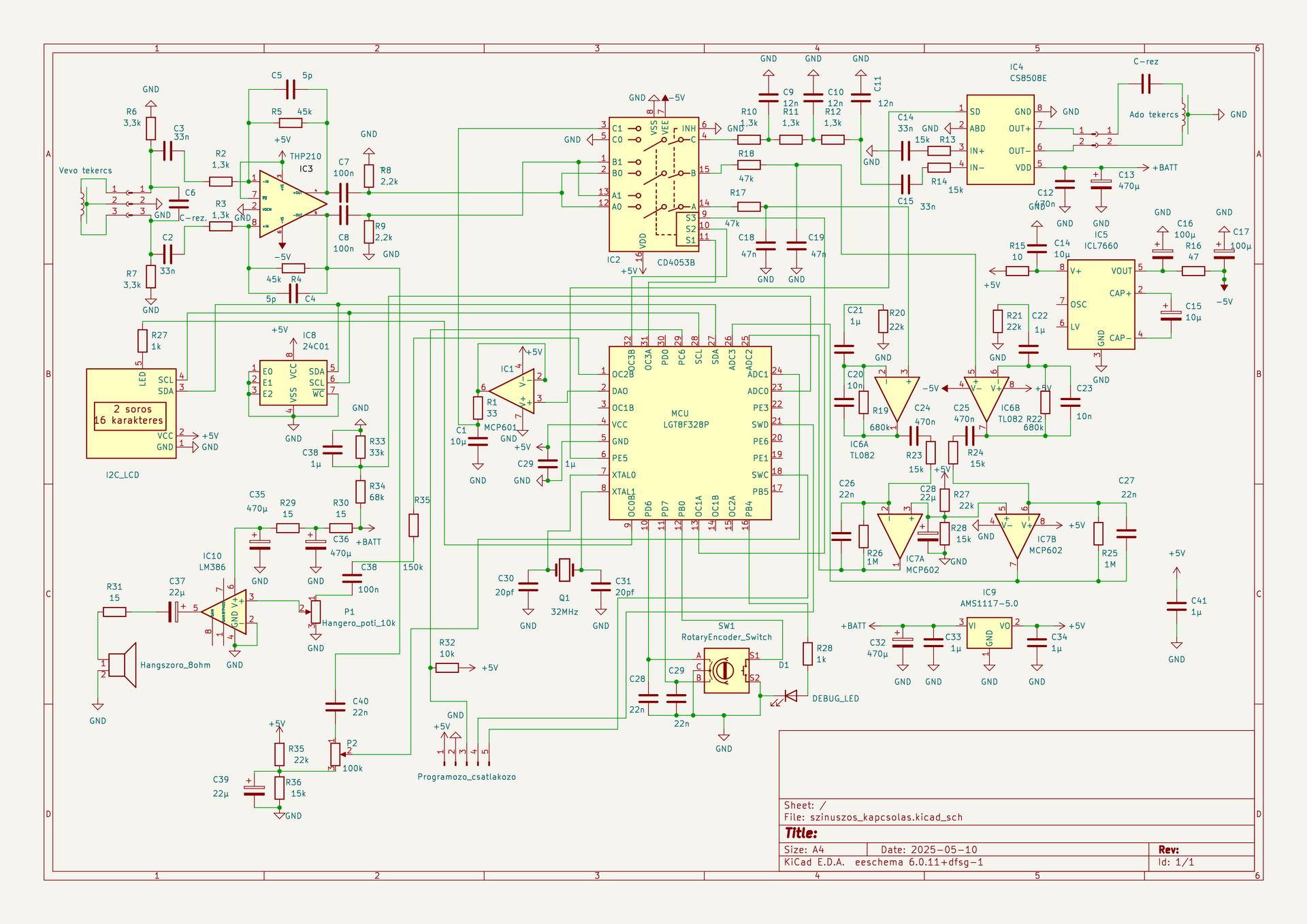
Próbáltam megrajzolni az új tervet, esp tpa és pcm-nél hiányoznak a tápok és pár átkötés amit nem tudtam berajzolni, hibák még lehetnek benne.

femk.jpg
    
(#) deexteer válasza deexteer hozzászólására (») Vas, 15:27 /
 
R7, c14 hibásan volt, javítva. :

fem.png
    
(#) mateatek válasza deexteer hozzászólására (») Vas, 20:35 /
 
A VCC mekkora feszültségű?
(#) mateatek válasza deexteer hozzászólására (») Vas, 21:36 /
 
Van némi gond szerintem. A 4053-as IC-vel veszed a mintákat, amiket a 10k-s ellenállással ráteszel a 100 nanós kondira, majd ennek a feszültségét leosztod, hogy ne legyen nagyobb, mint kellene. De a gond ott kezdődik, hogy a feszültség osztóban már a 10k-s ellenállás is szerepel. Tehát, ha a 4053-ból 5 volt egyen jön ki, akkor a 100 nanós kondin van 1,22 volt van, a 2,2k és az 1k találkozásánál 0,39 volt. Tehát a mérési ponton nem lehetséges 0,39 voltnál nagyobbat mérni akkor sem, ha folyamatos 5 voltot érkezik az analóg kapcsolóból
Érdemes azt is kiszámolni, ha mondjuk szinusz érkezik, ami 5 vpp feszültségű és a felső félhullámot tolod a kondira. Mekkora feszültség is fog ott kialakulni? 3,5 volt körüli? Tehát ez a fesz nem fog kárt tenni az MCU analóg bemenetén, azon kívül, hogy az ADC értéke a legmagasabb értékre "kiül". Illetve ez nem is nagyon fog előfordulni, mivel ez egy szélsőséges helyzet.
A másik, ami lehet, hogy csak nekem nem tetszik és hibásan gondolom, de leírom.
Az általad alkalmazott opa FET bemenetű. Ami erősen kapacitív jellegű. Ehhez a kapacitáshoz hozzáadjuk a bemenetén lévő R1-es ellenállást és már is készen van a fázistoló tag. Ha ez a fázistolás a visszacsatolás miatt változik kis, illetve nagyjelű viselkedés esetén, akkor máris van egy nagy hiba a keresődben.
Én a saját tapasztalataim alapján nem tennék ide FET bemenetű erősítőt.
A másik észrevételem a C3-as kondi. Azon miként fog áram folyni? Nem szedi abból a tölést ki az OPA bemeneti ellenállása. Illetve az OPA bemenete is a levegőben lóg egyenáramúlag.
Az R4 ellenállás tekercs felőli végét pakold át a kondi túloldalára és talán le is csökkenthetnéd 20k körülire, mivel a másik kondi töltését is a visszacsatoláson keresztül folyatod, ahol 20k van.
A hozzászólás módosítva: Vas, 21:37
(#) deexteer válasza mateatek hozzászólására (») Vas, 22:48 /
 
A táp 10 voltos lenne, ami felezve van, r5 és c4 nem volt a terv része, az enkódert sem jól rajzoltam.
(#) deexteer válasza deexteer hozzászólására (») Hé, 8:55 /
 
Az esp 0-3v között dolgozik, 3.3v a maximum. Az évek alatt bőven megcsappant a tudásom fémkeresők terén, amúgy sem volt túl sok, Lehet hibásan gondoltam, az rx tekercsnél valamennyire megfogja a jelet a 2db 220k ellenállás a féltápon legalább is ez volt a terv. Jfetes erősítő nincsen kőbe vésve, találomra választottam egyet ami rail to rail és egész jó.
(#) mateatek válasza deexteer hozzászólására (») Hé, 10:32 /
 
TL972 jó választás lehet. Nem túl drága, rail-to-rail, és kb ugyanazt tudja, mint az 5532. Persze vannak jobbak is, de drágábban.
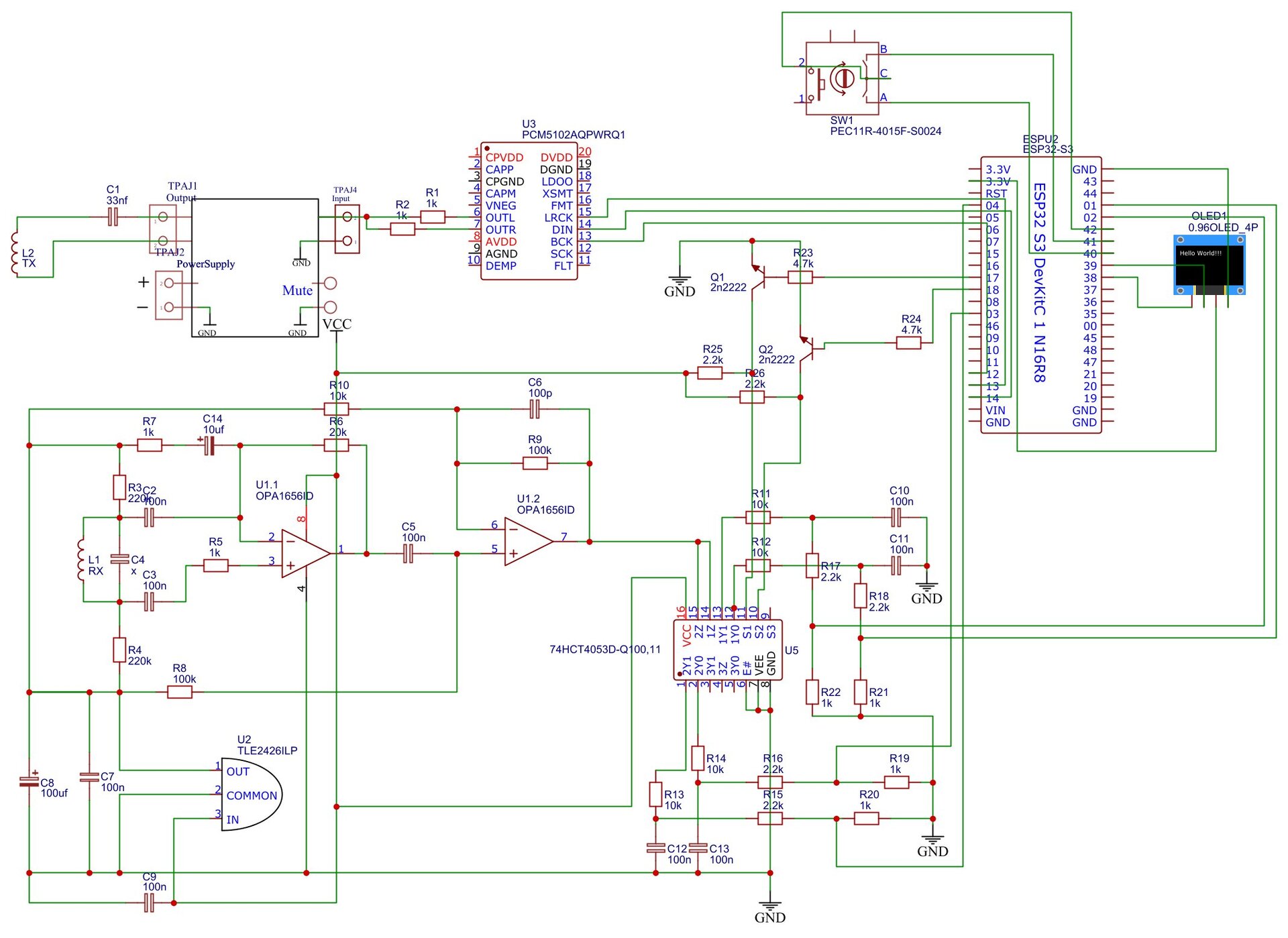
Csatolok egy kapcsolási rajzot, de már láthattad itt.
A vevő erősítő teljesen szimmetrikus. Mind a be, mind a kimenete. Ez jó, mert egyszerű és megvan az ellenütemű kimenet, amivel duplázhatod a mintavételek számát. Ez nem árt a jel-zaj viszonynak. Illetve ezzel is meg tudod csinálni azt, hogy úgy veszed ugyanabban a fázisban a mintákat, hogy az egyiknél csökkenő, a másiknál növekvő jeled lesz, amivel ingyen duplázod a találati jelet.
A gép alapban 5 voltról megy, de a vevő rész, a mintavevő és az első erősítő +- 5 voltról megy. Majd szintet illesztek és a második erősítő már csak 5 voltról megy, amit az MCU fel tud dolgozni.
Szerintem működne ez a rendszer +- 3,3 volton is. Nem kell a 4053-hoz szintet illeszteni a meghajtásánál, mert az IC megoldja. A kondi feszültségét, amin integrálsz, azt meg kellene követőznöd, hogy ne legyen terhelve, majd egy kondival szintet illesztesz és rá mehet a jel egy 3,3 voltos OPA-ra. Annyi lehet ennél az illesztésnél a hátrány, hogy nem lenne teljesen non-motion a gép, mert az illesztő kondi miatt ez határokba ütközhet, de nagyon lassúra meg tudod csinálni.
De ha van 2 potya DAC-od, akkor az integrátor kondi feszültségét olyan erősítővel viszed tovább, amit a DAC segítségével mindig olyan munkapontba teszel, hogy a kimenete ott legyen 0 és 3,3 volt között. Így tudsz csinálni egy tényleg non-motion gépet.

sinus.png
    
(#) deexteer válasza mateatek hozzászólására (») Hé, 13:32 /
 
Láttam már ezt a rajzot a spéci ic miatt nem néztem meg jobban.
(#) mateatek válasza deexteer hozzászólására (») Hé, 13:34 /
 
Melyiket gondolod spéci IC-nek?
(#) deexteer válasza mateatek hozzászólására (») Hé, 15:11 /
 
Thp210, vagy csak az ábrázolás a fura, a lábait kinagyítva nem nagyon lehet kivenni.
(#) mateatek válasza deexteer hozzászólására (») Hé, 17:07 /
 
Igazából nem egy beszerezhetetlen portéka. De nyugodtan helyettesíthető lenne akár diszkrét OPA-kból készült műszererősítővel is.
(#) deexteer válasza mateatek hozzászólására (») Hé, 17:55 /
 
Rá fogok keresni hogy hol kapható mert egy próbát mindenképp megér, én azt sem tudtam hogy létezik ilyen teljesen diferenciális erősitő.

Picit átgondoltam a tpa3118 erősítő és pcm5102 dac párost, elég nagy helyet foglal és nem használom ki a 60w teljesitményt sem, utána számolgatva most durván 2,5w körül teljesithet 5 voltról, viszont van egy digitális 3 wattos mono erősitő beépittett daccal ami nagyon apró max98357-m, elvileg azzal is tudná a 73v dc értéket a tx tekercs és megmaradna egy sztereo dac másra.
(#) mateatek válasza deexteer hozzászólására (») Hé, 19:24 /
 
Nálam a CS8508E végfokkal másfél amperes csúcsáramok vannak az adó tekercsben 10 kHz-nél. Ez cirka 250 Vpp-s feszültség.
(#) deexteer válasza mateatek hozzászólására (») Hé, 20:53 /
 
Nem kevés a 10khz?
(#) mateatek válasza deexteer hozzászólására (») Hé, 20:57 /
 
Talaj függő is a dolog. Mifelénk nagyon agyagos a föld, gyakorlatilag sárga. Ha ez megázik, akkor elvéreznek rajta a magas frekvenciájú gépek.
(#) mateatek válasza mateatek hozzászólására (») Kedd, 20:26 /
 
Megindul lassanként a ráncfelvarrás a négyszögjeles multifrekis gépnél. Az eredmény még kissé kétséges, majd meglátjuk.

IMG_1606.JPG
    
(#) deexteer válasza mateatek hozzászólására (») Kedd, 20:48 /
 
14 ic és arduino? Azért ez már nem egyszerű kategória.
(#) mateatek válasza deexteer hozzászólására (») Kedd, 20:52 /
 
Nem is olyan bonyolult. Nincs is kapcsolási rajza, mert ennyit csak megtartok a fejemben. (A feleségem telefonszámát viszont nem tudom megjegyezni. De a TCCRxA regiszterei megvannak fejben.)
Nem Arduino van benne, hanem egy LGT-s lapka.
Átszámoltam. 17.
A hozzászólás módosítva: Kedd, 20:55
(#) deexteer válasza mateatek hozzászólására (») Kedd, 21:05 /
 
Ha jól gondolom ez h hidas, nekem mindenhez kell kapcsolási rajzot csinálnom, vagy legalább egy vázlatot.


Az adc-nek adtam még egy esélyt, sikerült átraknom egy ssop 20-as átalakítóra remélhetőleg nem főztem meg.
(#) mateatek válasza deexteer hozzászólására (») Kedd, 21:15 /
 
Igen H hidas. Az egyik fele négyszeres frekivel jár, minta másik. 5 és 20 kHz-et tervezek rátolni, de ez nincsen kőbe vésve. Csak a 4-szeres különbség.
Következő: »»   276 / 277
Bejelentkezés

Belépés

Hirdetés
XDT.hu
Az oldalon sütiket használunk a helyes működéshez. Bővebb információt az adatvédelmi szabályzatban olvashatsz. Megértettem