Fórum témák
» Több friss téma |
Sziasztok!
Lenne itt egy probléma amire nem találok megoldást. Adott egy ventilátor, amit 5-11,5V ig szeretnék vezérelni. Bemenő fesz. 12,5V és 25°C-nál kéne, hogy 5V legyen a kimeneten és 35°C-nál hogy 11,5V. Közte lineáris. Szóval nem jók a ki-be kapcsolgatós verziók. Én arra gondoltam ezzel lehetne jól megvalósítani: Bővebben: Link Előre is köszi!
Üdv.!
És szabad tudni, hogy mi az a közeg aminek a hőmérsékletét figyelni kell? (Levegő, víz, hűtőborda...) Üdv.: Attila
"ki-be kapcsolgatós" Verzió alatt a PWM-es fordulatszám szabályzást érted?
Ha nem jó a PWM-es ventillátor szabályzás, akkor PWM-ezz és tegyél rá egy kondit. És eltűnik a négyszögjel, sima DC-t kapsz (persze csak ha terheled. Ha nincs rajta terhelés, csúcsra fog töltődni a kondi) Ha még így sem jó (pedig már szép stabil DC-t kapsz ilyenkor), akkor használj egy LM317-et, és egy NTC-t.
Nem, nem a PWM-re hanem a komparátor(?)-os megoldásra értettem a ki-be kapcsolgatást. Sima 317-esen 1,5V esik és ráadásul az NTC-vel pedig nehéz vele belőni a jó értékeket.
A hőmérséklet-változásból létrehozni kitöltési tényező-változást, majd ezt DC szint-változássá varázsolni szvsz felesleges, ha a bemenet (a szonda) is és a kimenet is analóg. Mert lehet, hogy fureszk a bonyolultsága miatt szeretné kihagyni a PWM-et. (Kérdés hogy kinek mi a bonyolult.)
De lehet aztán, hogy a kapcsolóüzem kihagyásának más, érdemi okai vannak...
Tudom, hogy a hozzászólásod írása alatt írtam az előtted levőt, de azért olvasd el, ha elkerülte volna a figyelmed.
Talán a hang miatt mondja. Hogy ne be-ki kapcsolós legyen, hanem mindig menjen és akkor kevésbé észrevehető a működése, minthogyha időközönként nagy hangerővel bekapcsol a ventillátor.
Fureszk ezt úgy gondolta, hogy 35 foknál legyen a maximális fordulat, 25 fokon meg az 5 V, de ezt nem bírja megoldani, mert nem talál olyan szenzort, aminél nagy ellenálláskülönbség lenne 25 és 35 fok között, lm317-el nem lenne meg a 11,5V-os max
Mit nem lehet ezen érteni? Láttam már olyan megoldást, hogy mindig 5V és 35fokon 12V (semmi köztes lépcső!), de nekem olyan kéne ami a két hőmérséklet között fokozatosan váltana. Nem akarom hogy 35fok-> felpörög, 34fok->lelassul, 35fok->felpörög...
Hát elvileg a szimuláció szerint meglenne a 11,5V.
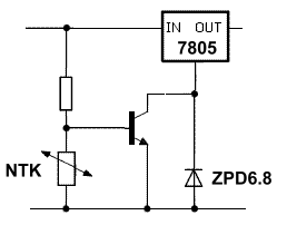
'Kitaláltam' egy kis kapcsolást, ebben a szimuláció során eddig erre jutottam: Hőmérséklet -> Szonda ellenállása -> Kívánt kimeneti feszültség -> LM317-nek az ADJ-GND lábai közt lévő ellenállás szükséges értéke 25 fok -> 2000 Ohm -> 5V Uki -> 715 Ohm 35 fok -> 2162,5 Ohm -> 11,5V Uki -> 6kOhm Tehát a 2000Ohm->2162,5Ohm ellenállásváltozásból kellene 715Ohm->6kOhm -os változást létrehozni és akkor tök jó. Ez egyébként nem is annyira nehéz szerintem, mint elsőre tűnik...
Nem, NEM lenne meg a 11,5V.
Adatlap szerint a drop-out voltage minimum 1,5V. Értem amit írsz, de nem tudom hogy lehetne megvalósítani.
Igen, adatlap szerint nem. Na de a szimuláció...
Szóval akkor mennyi lesz a tápfesz? (Gondolom több nem lehet.)
A szimuláció sokszor téved. Például a két ledes villogót se lehet leszimulálni.
12,5V a tápfesz.
Szia. Én úgy tudom a 7805-nek low drop-out változata 2905 néven fut. Csak egy elv, de..
Használhatónak tűnik, tuti előbbre viszi a témát, köszi. Én is utána nézek...
Próbáld meg ezt! Több példányban müködik állítható a hömérséklet, szabályzás meredeksége és az alapfordulatszám. Bekapcsolásnál rövid időre nagyobb feszt. vezérel ki a biztonságos induláshoz.
Szimpatikus kapcsolás. De picit láma vagyok. Mit nevezünk itt T1-nek, hogyan állítható az alapfordulatszám és a meredekséget milyenre állítsam?
:lama:
Ha 2 ventit kötök rá párhuzamosan azt elbírja?
T1- az a hőmérséklet amit átlépve az alapfordulatról emelkedni kezd állítható (u6 470 Ohm)
Meredekség - feszültség emelkedés / fok C temészetesen nem a végtelenségig csak max táp -1~2V ig. Állítható (u5 500k) Alapfordulat -a jelölt potival állítható (u7 10k) Kb 1A ig terhelhető (BD 136 akkor hűteni!) de lehet több is csak kicsit módosítani kell rajta. A (piros) LED fényerőváltozása jelzi az aktuális kivezérlést (1n4148 -al helyettesíthető ha nem kell) ha nem világít, alap fordulat -- fényesedik ahogy nő a fordulatrszám. Beállítható hőm tartomány cca. 15 - 50 Cfok függ a kty 11 től kty10 is használható csak akkor ez volt beszerezhető olcsobban.
Hello én ezt használom (kapcsi) és kivállóan működik. A BD 652 az érzékelő azaz az megy a hűtőbordára...
Nagyon jó! Köszönöm, ez biztos jó lesz, megépítem.
Köszönet mindenki másnak is a segítségért!
Szia az lenne a kérdésem, hogy az általad csatolt kapcsolást át lehet-e alakítani úgy, hogy 40 voltról működjön?
40 V tápot akarsz neki, és 12V vagy 40 V-ot vezérelni? Amúgy a kapcsolás csak akkor működik tökéletesen, ha a zener 5,6V-os!
Szia.
Az erősítőmbe 2x40v van és erről kellene üzemeltetni 2db 12v-os számítógép ventilátort sorba kötve. Ha ezzel a kapcsolással lehetséges. Vagy inkább csináljam meg ezt?Bővebben: Link
Reggelt! Én jó pár napja töröm a fejem ezen a témán. Ma reggel láttam a topicot, tehát minden itteni info új.
Az eddig itt olvasott dolgokkal kapcsolatban sincs az amit kitaláltam, pontosabban egy alapkapcsolást gondoltam tovább. Majd meglátjuk mi lesz belőle. Készítettem próbadarabot, mindent beforrasztottam és amikor megkapta a tápot akkor össze**** magát mert 2 alkatrész nem tette a dolgát, gyárilag nem működtek.
Helló mindenkinek!
Láttam hogy van már ilyen téma úgyhogy nem nyitottam újat... A segítségeteket szeretném kérni egy témához fűződő dolog megvalósításában. A dolog a következő: Építettem egy szárító berendezért (olyan mint egy mikró csak 12V-os fűtőszál van benne). A fűtőszál a belső levegőt melegíti fel, majd amit egy belső ventilátor forgat meg. Illetve van benne mégegy ventilátor ami kifelé fújja a dobozból a levegőt a külső környezetbe. A lényeg itt kezdődik! Először is beszéljek arról a ventiről ami a belső levegőt forgatja. Ennek olyan 30-40 Celsiuson kellene bekapcsolnia és ha a belső levegő lecsökken mongyuk 30 Celsiusra akkor pedig kapcsoljon ki. A másik ventilátor pedig arról szólna, hogyha a belső levegő felszökik mongyuk 60-70 Celsiusra akkor az kapcsoljon be és kezdje el fújni ki a levegőt mindaddig amíg a belső levegő el nem éri a 50 Celsiust. Mindezt PC-ről szeretném vezérelni! 1. A hőmérséklet mérése. Ezt úgy képzeltem el hogy a számítógép game portján keresztül történne a dolog. Itt láttam erre megoldást: Bővebben: Link Bővebben: Link Nekem a két érzékelős is elég lenne. Az egyik érzékelő mérné az egyik ventilátorhoz tartozó hőmérséklet értéket a másik pedig a másik ventilátorhoz tartozó értéket és ez alapján kapcsolna ki/be a ventilátor. 2. A ventilátor szabályzást ezeknek a hőmérsékleteknek a tudatában szeretném végezni. Elgondolásom az volt, hogy a program ami kiírja az értékeket nekem PC-n azokat egy másik feldolgozza és a ventilátorokat ki/be kapcsolgatja. (esetleg relén keresztül...) Első kérdsem az lenne hogy a ventilátorok ki/be kapcsolását a számítógép melyik portján lehetne megvalósítani? COM, LPT, GAME PORT, USB, stb...? A másik pedig az lenne hogy az értékeket, hogy tudnám átírni a hőmérséklet mérős progiból a másikba. Harmadik kérdésem pedig az lenne hogy létezik e olyan program, vagy valaki ismer e olyan programot ami ventilátorokat kapcsol ki/be számítógépen keresztül? Én sajnos nem ismerek ilyet.... Várom az észrevételeiteket... és ötleteiteket. Üdv.: bladzser
A szöveget jól kezdtem... Láttam h van már ilyen téma... először uda szúrtam be de nem nagy érdeklődést tapasztaltam úgyhogy inkább nyitottam egy újat .... A szövegen meg már nem volt kedvem változtani úgyhogy maradt az eredeti
Csak ezt így utólag még le akartam írni.Ja és a két bővebb link a következő: Bővebben: Link Bővebben: Link
Üdv ezzel a programmal a ventik szabályzás és kikapcsolására való és a hőmérséklet figyelésére.
Bővebben: Link és ez lessz a te megldásod itt vannak érdekes szabályzási dolgok minden gépe és ki is tudod vezetni a házból szerintem
csak ezt kéne megvalósítaniuk az okosoknak én az integrál áramkörben nem vagyok otthon de ilyet vásárolni is lehet .. |
Bejelentkezés
Hirdetés |





:lama: 
csak ezt kéne megvalósítaniuk az okosoknak én az integrál áramkörben nem vagyok otthon de ilyet vásárolni is lehet .. 




