Fórum témák
» Több friss téma |
kösz a linkeket, de már mind kettőt megnéztem vagy tizszer
de nagyon jó mind a kettő! na én viszont kicsit komolyabbra gondoltam a midi lejátszásánál, mert pl amit élőben láttam arra rávolt kapcsolva egy mp3 lejátszó és szólt róla rendessen a zene. na egyenlőre nem tudom hogy valósítom meg, de csak megtalálom a módját valahol, valamikor
Ha van keret rá, akkor nem okoz sok problémát, néhány kövér tízes viszont rá fog menni
na, azért annyira nem tetszett a dolog, viszont nem tűnt ennyire bonyolúltnak a cucc, hogy ilyen sokat kelljen rá költeni sztem
Hát, különböző fa-meg rongydarabokból össze lehet rakni, lehet spórolni, de majd meglátod, milyen lesz (hidd el nem szép látvány, mikor a nagy munkával feltekert szekunder ég szénné 1 másodperc alatt, vagy elpukkan minden második indításnál valamelyik félvezető). Nekem már ráment kb 25, és akkor még a GU81-es és a moduláló PE 1/100 ingyen volt. És messze nem vagyok kész, 1 hónapja nem is foglalkozom vele, mert valami nem stimmel vele (aztán lehet csak a freki elmászott), de hamarosan kipróbálok egy új visszacsatolási módszert, elvileg azzal jobb kéne, hogy legyen. Aztán jön csak az AM.
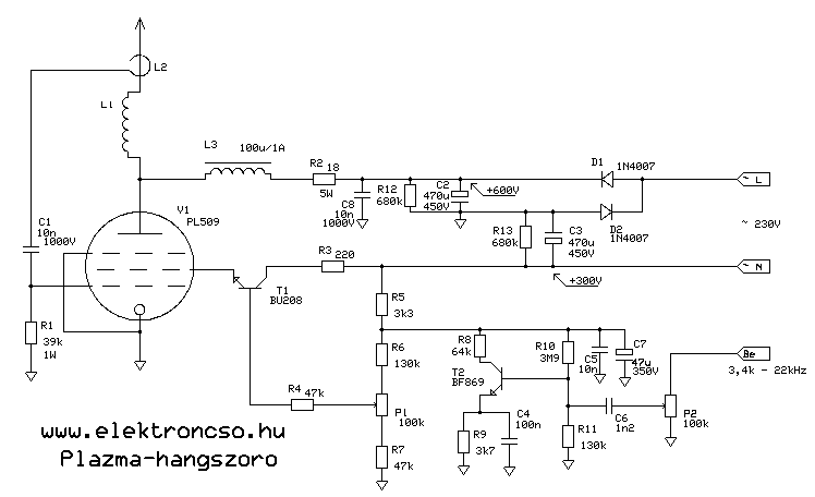
Nincs valakinek kapcsolási rajza hozzá?
Nekem elég lenne midi-hez!! :yes: Ja és egyszerű legyen
Üdv! Azt a rajzot nézted, amit feltettem? Egyébként a trafód hány wattos? És milyen csöved van hozzá?
van 2 db pl509-esem meg hozzá fűtőtrafó csak az a baj hogy a trafó 320v-ot tud
és hát nem tudom hogy jó lenne e hozzá! :yes: egyébként tetszik a rajz csak nekem kicsit vaskosabb tekercs kéne min 1000 menetes és nem tudom hogy az a rajz jó e hozzá
Miért kell neked 1000 menet?
Amúgy midihez itt egy kis olvasmány : Bővebben: Link Ügyes a Steve bácsi, mert az érzékeny midi modulátort illetve vezérlőt optikai kábellel kötötte össze a tesla meghajtóval, elkerülve így a midi meghajtó biztos halálát.
egyébként a csúcsot miböl lehetne elkészíteni csak azért hogy kicsit nagyobb legyen mint az elektroncso.hu-n levő leítás szerinti
egyébként a csúcsot miból lehet csinálni hogy sok ideig bírja?
A tető kialakításánál figyelembe kell venni annak kapacitását. Ha túl nagyot raksz rá, leesik a rezonancia frekije a szekunderoldalnak. Én wolfram hegyet csináltam, ez bírja szerintem több évig is. Hegesztőboltban lehet venni 4mm vastag tiszta wolframrudat.
Üdv! A trafód azt a 320V-ot váltakozóban, vagy egyenirányítva adja? És ami a legfontosabb, hogy kb hány wattos? Mert ha nem elég nagy teljesítményű, könnyen le lehet égetni... Egyébként szerintem lehet variálni azzal a kapcsolással, hogy a te trafóddal is menjen! A csúcsot szerintem is wolframból kéne csinálni, mint ahogy azt Collector is írta. Ja, és az elektroncso.hu-n levő kapcsolással vigyázz, mert hibás
A kijavított rajzot felraktam ide (ha már láttad, akkor nem szóltam)
a trafóhoz nem fűzök túl nagy reményt egyébként váltóba adja és kb 0,2A-on szerintem nem lenne jó hozzá és ki hallott még ilyet :Most jöttem edzőtáborbol és útközben Pesten látttam egy hegesztőboltot amit épppen most számoltak fel
kitaláljátok mit szereztem 200Ft-ért? 4 szál wolfram rüdat tehát ezzel már nem lesz gondom
Sőt, még nitrogén-oxidokat is termel, meg fémgőzt!
Az ózonnal mi a baj? Egy kevés ózon (amit egy ilyen kis *icsa plazma termel) még jót is tesz, mert fertőtlenít. Az ózon akkor lesz problémás, ha szédülsz tőle. De egy néhány centis plazmával ez aligha következik be. Pozitív ion meg persze, hogy keletkezik, ezt jelenti maga a plazma, illetve az ionizáció!!! Az atom körül lenyírjuk az elektronokat, így lesznek a nagy tömegű pozitív ionok, és a kis tömegű elektronok.
Üdv! Szerintem az a trafó akkor nem lessz jó sajnos... Az én cuccomon egy 100VA-es 230/230-as trafó van most, de még az se nagyon elég hozzá, bekapcsolás után egy-két perccel már forró is a tekercse! Szerintem keressél egy régi leválasztó trafót, ami legalább 250-300VA-es (ha szétszedhető, akkor az még külön jó, mert a fűtést is rá lehet tekerni, és nem kell neki külön trafó) Ilyenekkel vastelepen is találkozhatsz, ha szerencséd van...
Köbzolinak: Tudom, hogy a plazma nem a leg egészségesebb dolog a világon, de ezek a szerkezetek elég kis mennyiséget termelnek, ami nem annyira veszélyes! Persze azért érdemes szellőztetni, ha sokáig van bekapcsolva...
Én lélegzem mélyeket, te pedig menekülj, ha látsz hegesztőívet, vagy villámot
Bővebben: Link
Ez egész brutális teljesítményt kihoz a sorkimenőből. Szerinted hogy szólhat am-ben? Volt, aki 700W-ot belenyomott a sorkimenőbe. Igaz nem élt sokáig, de az is csoda.
Meg is építettem gyorsan a meghajtót. Valóban nem rossz, lehet teljesen hangtalan plazmát csinálni vele (ebben az esetben még ózontól sem kell félteni, mert a feszültség leesik ugyebár). 15V-ig küldtem fel, de 5 centis ívet húztam vele. Az IRFP250-ek meg nem is melegszenek szinte egyáltalán. A moduláció majd ezután jön valamikor. Két kép: Bővebben: Link
Bővebben: Link
Üdv! Klassz a kapcsolás meg is fogom építeni! Úgy látom, hogy a moduláció is könnyen megoldható! Egyébként most szereztem kazánba való ionelektródákat, eredetileg a lángőr szerepet töltötték be, ezért szerintem jók lesznek plazmahangszóróhoz is (nemtudom, miből vannak, de nagyon jól bírják a hőt)
Hát sorkimenő esetén mindegy, milyen anyagból vannak az elektródák, mert nem disszipál nagy teljesítményt el.
Ja, és jut eszembe: valahonnan régi projektoros TV sorkimenőt kéne szerezni! Régebben javítottam ilyen TV-t, és a sorkimenője brutális! Alapból 37KV-os, és három csövet visz... és méretre is vagy négyszer akkora, mint egy sima sorkimenő!
Azért rendesen melegszenek itt is az elektródák (azért tényleg nem vészesen), de van még egy érv, ami a kazán elektródák mellett szól: van gyári szigetelésük, ami nagyon megkönnyíti a beépítést dobozba! (Bele akarok egy ilyen szerkentyűt építeni egy tölcsérbe, hogy még javitsak a hangján...)
Én is megépítettem a kapcsolást, működik is, de modulálni nem nagyon tudtam. A 470ohmos ellenállásokat nem közvetlenül a tápfeszre kötöttem, hanem egy darlington tranzisztort iktattam közbe, és ennek a segítségével kb. fél tápfeszt juttattam az ellenállásokra. A tranzisztor bázisára ment a moduláló jel is. A végeredmény az lett, hogy nagyon torzan szólt, és halkan. Ha neked sikerül rendesen megoldani a modulációt, akkor az engem is érdekelne...
Egyébként most dolgozom egy TL494-es IC-vel működő meghajtáson. Az is jó nagy teljesítményű lessz... Ha elkészül, akkor felrakom ide!
A zenereket azért kivetted a moduláció előtt? Szerintem feszváltót kéne beiktatni valahova, közvetlen tranzisztorral nem a legjobb.
Tényleg! A zenereket nem vettem ki
Kiveszem őket, aztán újra próba.... De próba előtt még ki kéne agyalni valamit a fetek gate-jének a védelmére is. Talán megpróbálom szembe fordított zenerekkel.
Üdv! Megépítettem a csöves plazmahangszóró kapcsolását, de nem indul. A cső bekapcsolás után vörösen izzik és semmi plazma. Már 4 csővel kipróbáltam.
Mi lehet a probléma? Segítsetek!
Ennyi infóból senki nem fogja tudni a problémád okát. Egyáltalán, milyen kapcsolásról beszélünk?
Ezt az áramkört készítettem el, egy sima feszültség sokszorozóval, a táp helyett. Ami nem pontos értékű az áramkörben, az a folytótekercs, 1A-es helyett 2A-es, de ez nem hiszem hogy probléma lenne. Tehét a hiba: bekapcsolás után nem történik semmi csak az hogy a cső
vészesen felizzik.
Sziasztok!
Meg szeretném én is épiteni ezt a "hangszórót". De mivel nagyon nagy feszültségről van itt szó, mindenképpen a biztonságot szeretném szem előtt tartani. Tudnátok valamit javasolni, hogy hogyan lehetne biztosra menni a védelemmel? Eddig nem sok mindent égettem el és érdekes módon még a 230V se rázott még még soha , ezután is szeretném ha igy lenne
A nagyfeszültség egy dolog, kérdés, hogy milyet akarsz építeni. Vannak csöves rendszerek, azok életveszélyesek. Lehet építeni sorkimenővel is, az nem lesz életveszélyes, de ugyanúgy tűzveszélyes, na meg csontig beégeti az ember ujját. Esetleg félvezetős tesla tekercs, de ez sok munka. Ha életveszélyes az eszköz, és biztonságot akarsz, nyugodtan rakj a közelbe egy piros villogót, amit akkor is látni, ha nem pont azt figyeled, és akkor villog, ha valamilyen része az áramkörnek nagyfeszültség alatt van. A hangjelzés is jó persze (nem kell, hogy üvöltsön, elég ha csak jól hallható)
Hello!
Ic-et szeretnék épiteni egy sorkimenővel, semmiképpen nem csöveset. Olvastam olyat hogy az egész berendezés érzékeny a zavarásra, ezért érdemes fém dobozba épiteni. Sőt még állitólag maga a plazma is érzékeny a zavarásra, ezért érdemes fém szúnyoghálóval körbevenni. Ez esetben viszont akkor az érintésvédelem probléma könnyen megoldható. |
Bejelentkezés
Hirdetés |




de nagyon jó mind a kettő! na én viszont kicsit komolyabbra gondoltam a midi lejátszásánál, mert pl amit élőben láttam arra rávolt kapcsolva egy mp3 lejátszó és szólt róla rendessen a zene. na egyenlőre nem tudom hogy valósítom meg, de csak megtalálom a módját valahol, valamikor
Nekem elég lenne midi-hez!! :yes: Ja és egyszerű legyen
és hát nem tudom hogy jó lenne e hozzá! :yes: egyébként tetszik a rajz csak nekem kicsit vaskosabb tekercs kéne min 1000 menetes és nem tudom hogy az a rajz jó e hozzá
A kijavított rajzot felraktam ide (ha már láttad, akkor nem szóltam)
kitaláljátok mit szereztem 200Ft-ért? 4 szál wolfram rüdat tehát ezzel már nem lesz gondom
Kiveszem őket, aztán újra próba.... De próba előtt még ki kéne agyalni valamit a fetek gate-jének a védelmére is. Talán megpróbálom szembe fordított zenerekkel.

, ezután is szeretném ha igy lenne 




