Fórum témák
» Több friss téma |
Fórum » 100W-os MosFetes végfok
Témaindító: vezerkancellar, idő: Jún 21, 2008
Témakörök:
Sziasztok!
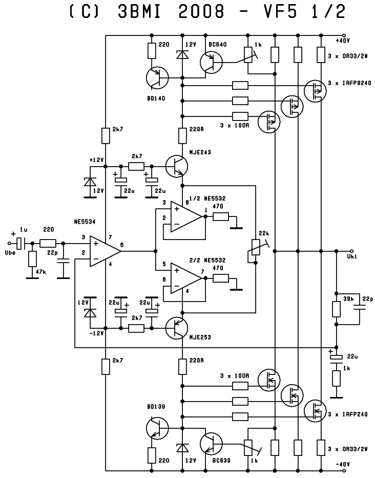
Találtam a neten egy egy kapcsolást (mellékletben megtalálható) és szeretném megépíteni elsősorban azért mert nagyon egyszerű. A kérdésem, hogy a kapcsolási rajzon a hangszórókimenetnél az R16+L-ből mi az az L és mekkorának kellene lennie? A másik kérdésem pedig, hogy nem lehetne valahogy továbbfejleszteni a végfokot, hogy kb 250-300W-ot tudjon? Pl. párhuzamosan bekötni még pár Fet-et?
Szia
Szerintem szűrés céljából van ott . Akár el is hagyható a gerjedések megakadályozását hivatott megszüntetni. Az én véleményem szerint a neten ennél életképesebb rajzok is vannak nyáktervvel, de hát én lehet hogy rosszul látom. nem valami meggyőző a felépítése lehet ezért most megköveznek Az urbános vmos fetes talán jobb lenne mert hát utánna pakolni még több fetet szerintem ahhoz kéne még számolgatni is az pedig készen ott van, a másik meg az lenne hogy szerintem igen záros határidőn belül zárolni fogják a témát, az erősítős topicban lenne ennek a helye!
Szerintem jobban jársz, ha a VF2-es végfokot építed meg, annak is a +/-60V-os verzióját, ami kb. 200W-ot produkál!
itt a fórumban rengeteg hozzászólás van a VF2- es végfokkal kapcsolatban. Vagy itt a szerző oldalán is megnézheted. Én is megépítettem ezt a 60V- osat és szerintem a legjobb erősítő, amit valaha építettem. Egyszerű és nagyon szépen szól! Üdv!
Idézet: „A másik kérdésem pedig, hogy nem lehetne valahogy továbbfejleszteni a végfokot, hogy kb 250-300W-ot tudjon? Pl. párhuzamosan bekötni még pár Fet-et?” Dehogynem , igy
Szia
Mit értesz azon, hogy nem túl meggyőző a felépítése? Ha jó alkatrészekből építem fel akkor jól fog szólni nem? Bocsi sajnos elég kezdő vagyok még és csak próbálgatom a szárnyaimat...
Szia!
Köszi szépen az ajánlást meg is néztem az erősítőt, de mindenképp olyat szeretnék amiben nincs IC.
Ja és fiúk az input sensivity: 1V RMS az mit jelent?
Mármint értem hogy a bemeneti érzékenység 1V de azt hogy tudom kimérni az előfokon, hogy mekkora jel jön ki belőle?
Pl. oszcilloszkóppal meg tudod mérni
üdv
Üdv!
Az RMS kifejezés idegenül a feszültség effektív értékét jelenti, ami az amplítüdó átlagos feszültségére utal. Például a hálózati csatlakozóaljzatban (konnektor), azt mondjuk, hogy 230 V van. Na ez az effektív értéke. Az amplítúdója ennek kb. 325 V Csúcstól-csúcsig pedig 650 V. A cikk közepe táján kicsit világosabban...
Köszönöm! Így már értem (root mean square).
Idézet: „de azt hogy tudom kimérni az előfokon, hogy mekkora jel jön ki belőle?” Rákapcsolsz a bemenetére egy 50Hz-es sinus jelet, és digit műszerrel megméred, hogy mekkora effektív váltófesz jön ki a kimenetén. Persze közben nem árt hallgatni, hogy nem torzul e a jel. Ezt egy fülhallgatóval meg lehet oldani úgy, hogy egy 500ohm..1k ellenállást kötsz vele sorba, hogy ne kerüljön rá túl nagy jel, és a kimenetet se terheld meg. A másik megoldás, hogy egy PC-n oszcilloszkóp progit használsz...
A nem túl meggyőző.. hát szerintem jobbak azok az erősítők ahol egy műveleti erősítő fogadja a bemeneti jelet.Bár ennél egy differenciálerősítő fogadja az is lényegében driftelnyomásra való de szerintem a műveleti erősítős erősítők bemenet szempontjából majdnem ideálisak. De ez nem is fontos aki 100w okat akar halgatni
úgysem hallodÉn leginkább a felépítés egyik hawerom épített ezt meg ugyanígy párhuzamosított tranyókkal a nagy kimeneti áram miatt így nagyobb teljesítményt remélve..de nem sikerült eltolódtak a munkapontok szar lett az egész. Nem olyan egyszerű dolog egy erősítő, csak elméletben. Ha te ilyeneket kérdezel hogy mi az az rms hát akkor gondolom nem vagy valami nagy szaki.Nem rosszindulatból mondom de magadnak is megspórolnál egy csomó kudarcot ha inkább valami ismertebbet építenél v2 quad tda stk ...stb azok nem annyira gerjedékenyek nincs vele sok baj nagy tapasztalat bárki segít igénytelen olcsóbár ez a kapcsolás is egyszerű csak nekem negatív tapasztalataim vannak vele, és szerintem a teljesítmény növelés bár én nem próbáltam de nem olyan egyszerű.STK ból vannak olyanok amelyek ugyanígy 70 voltról mennek + pár ellen meg kondi és kész nincs vele szenvedés. Szerintem De ha rámhalgatsz azt csinálsz amit akarsz meg amire pénzed van Nekem a quad az isten meg a castone sokan szidják azokat is de szerintem jók,mindenkinek a sajátja fog tetszeni.. csak az nem mindegy ,hogy ha megépítesz egyet az biztatni fog a továbbiakban vagy megútálod az egészet mert egy pénztemető.
Banyek nagyon kihalt ez a jó TOPIC!!! Szerintem ne akarjatok többet 100 Wattnál, mert már az is böven elég. AZt a plusz pénzt inkább nagyobb érzékenységű hangszóróra költsétek. Egyébként én is tervezem ennek a végfoknak a megépítését de egyedül nem merek belevágni. Ha valaki rátalál az üzenetemre, és épp akar építeni egy hasonló cuccost, az légyszi szóljon nekem is. (Nem nyákrajzot akarok kunyerálni, mint a konkurens veblapokon a sok pancser XD)
HY
egy apró kérdés: egy 2SC4793 (és társai) által meghajtott kaszkádos végfokozat meddig bővíthető? Úgy vettem észre,hogy nagyon is,de ezt szeretném szakiktól megkérdezni. A végfokozatok például IRFP240-ekből és társaiból épülnek fel. jelenleg mondjuk 2-2. De vezérlésük egy icipici 100 Ohm-os ellenálláson keresztül történik. Én ebből következtetnék,hogy akár 100-at is,de azért megkérdezném,hogy mégis hol a határ? Köszönöm! üdv
Hat fontos ismernunk hogy a veg tranzostorkat vezerlo tranzistorok,milyen aram erosseget kapcsolhatnak es ismernunk kell hogy azoknak a tranzisztoroknak amiket vezerelni akarunk milyen a bazis aram igenye teljes nyitasnal. Peldaul vegtranyo bazis aramja IB 1 A a vezerlo tranyo IC kolektor aramja 8 amper akkor 7 par veg tranyot tud elbirni,elvileg 8 at de azert valami rezerva is kell neki.Azok a kis 100 ohmos 0,6 wattos ellenalasok meg kibirjak,ha meg nagyon melegednenek eleg nagyobbat,mondjuk 1 wattosat tenni helyetuk.
szivesen,siman ra lehet kotni szerintem is annyit.Az mar hasitani fog
okés...
ez majd a jövő,de kíváncsi voltam mit fejlesszek,ha eljön az ideje... Meg úgyis ennyit már válogatni kell,mert ugye fet az kényes... köszi!
Szia!
Az ésszerűségnél! Azért mert több IRFP-t kötsz rá nem lesz nagyobb teljesítményű!
De ha a tap teljesitmenyet noveli a tranyok szamaval egyutt akkor lessz,nemsemmiert alkalmazzak a vegfokoknal a parhuzamos bekotest.
ebben biztos neked adok igazat,mert a nagy végfokom is párhúzamos rendszerű....
Eleve nem egy olyan tápegység van,ahol a nagy amperszabályzást rengeteg párhúzamos tranyóval oldják meg. Ui.: a táp elég ...hidd el ..abban nincs hiány...
Szia!
Egyszerűen azért, mert a feteknek véges az árama! Azt, hogy egy erősítő mekkora teljesítményt képes leadni elsősorban a tápfeszültség és a terhelőellenállás határozza meg! Itt a fórumon már többen többször leírtuk, hogy hogy lehet kiszámolni, hogy adott feszültségről mekkora teljesítmény vehető ki! Ha egy kapcsolás teljesítményét növelni akarod, vagy a tápfeszültség értékét növeled, vagy a terhelőellenállás értékét csökkented, de vigyázni kell, mert ezt nem minden kapcsolás tolerálja!
En ezekkel az elvekkel tisztaban vagyok mert minden nap foglalkozok erositokkel,ujakat epitek megrendelesre hangositasi celokra es javitok is.A kiszamolasnak van nagyon egyszeru modja.Az adott feszultsegell persze ha ismerjuk,megkell szorozni az egyen iranyitas utan levo tap feszultseget es megkapod a teljesitmenyt.Persze nemletezik apszolut idealis tap forras,ez eleg osszetett problema.Meg ma is a tervezok nagyon sokat dolgoznak azon hogy letrhozzonak olyan tapot ami kepes pont annyi aramot adni abban a pillanatban emennyire ep a kapcsolasnak szugsege van,ugy hogy a vesztesegek minel kevesebbek legyenek.Az szinten biztos,ebben nemis vitatkozom hogy a feszultseg nagysaga nagyban donto a vegfokok teljesitmenyeben ugyszint az impedancia is.Sajnos ha a kapcsolas nembir nagyobb feszt akkor csak a veg tranyok novelese marad,vagy a teljes vezerlo rendszer megerositese.
Jogos Lapose álláspontja....
De a kocsikban is kezdik egyre jobban megoldani ezt a problémát... Ha már nem megy elég végfok párhúzamosan,akkor kompletten végfokokat sorbakötnek...hidalnak magyarán... szerintem is véges a leadott maximális teljesítmény,mert nem lehet nagyobb ampert átvinni valamin,aminek véges ohmszáma van...azaz pont ellenkezőleg...szal,hogy van ohmszáma és nem a nullához közelít. A legjobb a szupravezető...de ahhoz kritikus körülmények kellenek. Az elméleti maximum az én rálátásom szerint a hangszóróknál az adott működésbeli induktivitással elosztjuk a hangszóróra leadható maximális feszültség négyzetét. Pmax= (u*u)/r Ergo ha a veszteségek levonódnak,akkor szerintem a tápfesz 80%-a leadható tisztán.... (innentől bocsi,ha hülyeséget beszélek) szal 100V-os tápellátás esetén....80*80= 6400 és mondjuk magas hőmérsékleten kb 2ohm-ra változó hangszóró esetén 3200W a maximum,amit képesek vagyunk kipréselni.... Idézet: „Sajnos ha a kapcsolas nembir nagyobb feszt akkor csak a veg tranyok novelese marad,vagy a teljes vezerlo rendszer megerositese.” Ez így nem értelmezhető! Ha nem tudod növelni a tápfeszt fölösleges több tranzisztort raki bele a kimenő teljesítmény csak akkor lesz nagyobb, ha kisebb ellenállásra dolgozik a végfok! De sok esetben ilyenkor át kell dolgozni a teljes kapcsolást(pl. védelem)! Idézet: „Az adott feszultsegell persze ha ismerjuk,megkell szorozni az egyen iranyitas utan levo tap feszultseget es megkapod a teljesitmenyt.” Teljesítmény számolásnál áramot szorzunk feszültséggel, nem feszültséget feszültséggel! Itt valamit elírtál!
Aha mondassz valamit,ezt a szorzos dolgot elirtam a nagy sietsegben,de a lenyeg hogy tudjuk mirol van szo.Ez jo temakor,tetszik a dolog,latom nemcsak az en maniam az elektronika,ez jo dolog.
esetleg ha valami szak szavat erthetetlenul irnak le,nyugodtan szoljatok ram.Mert szlovakiai vagyok es sok szavat az elektronika teren szlovak nyelven hasznalom mert iskolaban is valamikor igy tanultam de azert igyekszem jol leforditani.
|
Bejelentkezés
Hirdetés |





lehet ezért most megköveznek Az urbános vmos fetes talán jobb lenne mert hát utánna pakolni még több fetet szerintem ahhoz kéne még számolgatni is az pedig készen ott van, a másik meg az lenne hogy szerintem igen záros határidőn belül zárolni fogják a témát, az erősítős topicban lenne ennek a helye!

úgysem hallod





