Fórum témák
» Több friss téma |
Fórum » VF2 végerősítő
Sziasztok.
Meg vásároltam a VF2 erősítő tuningolt 60V -/+ verziójához az alkatrész. Csak az a bajom hogy a nyákrajzot és a be ültetési rajzot nem tudom meg szerezni sehonnan. Mert a sima 30V verzió é nem ugyan az. Meg építetem a 30V panelrajza alapján a 60V meg változtatam amit kell és semmi. A biztosítéknak be kötött ízzók meg haltak. Ezért seretnélek beneteket meg kérni hogy nézzetek már lécives szét a gépeteken hát ha valakinek meg van ez a verzió. Csatolom a kapcsolási rajzot. Vagy valaki segítene e meg tervezni hozzá a beültetési rajzot és a nyákrajzot. Előre is köszönöm remélem tudtok segíteni.
Szia én itt a vf2 topik 3 oldalán közétett nyákot csináltam meg és végigkövettem kapcsrajz alapján, hogy hova mien ellenálás megy szintén 60 voltra csináltam. Tökéletes lett szóval azt merem ajálani.
ui: Vzoole tette közzé.
Hát nem tudom. Nekem egy ismerősőm használja ezeket az eszközöket és nem gagyi cuccokat épít, van neki honlapjaBővebben: Link, érdemes megnézni!
Halihó!
Elkészültem én is a VF2-vel, de akadt egy kis probléma Naszóval, a 30V-os változatot építettem meg, minden rendben zajlott valameddig... A két FET-re (IRF9540/540, nincs kivezetékelve a nyákról) dióda ragasztva, nem tranyót használtam. Trafó primer körében izzó, táp + oldalán folyamatos árammérés. Bekapcsolás után beállítottam 50mA nyugalmit, lezárt bemenettel, terhelés nélkül. Kikapcsoltam, az izzót eltávolítottam, árammérés maradt. Visszakapcsoltam, 50mA nyugalmi megvolt, terhelést rá 8ohm 100W, zene a bemenetre, és küldtem neki... Már döngetés volt, az 50mA helyett 60-80mA volt a nyugalmi és nem is ment fentebb, fetek langyultak... Ez tartott kb 5 percig. Egyszer csak "lüktetés" a hangszóróból, majd iszonyatos zúgás. (a FET-ek nem voltak forrók) Táp lekapcs, dióda, zéner, tranyó ellenőrzése, majd jött a FET. Mindgettő Gate-je átütött ![]() Kérdezem én, hogy ez most mitől van? Hőmegfutás nem lehetett, a nyugalmi áram is rendben volt. Esetleg tegyek be egy levezető ellenállást, mert lehet, hogy begerjedt? Mindenesetre hétfőn veszek megint egy pár FET-et, mert nincs itthon, ugyan is nem nagyon szeretem őket, túl macerásak :idiota: Kösz az infókat ABU
Ugyan ez volt nekem is... Szólt kb 5 percig aztán próbahangszóróból furcsa lüktető hang, áramfelvétel elkezdett növekedni egészen 10A-ig (rövidzár) és vége volt, FET csere megint 5 percig király aztán megint rövidzár. Én próbanyákra csináltam meg valószínű nekem az lehetett a gond (mert semmi mást nem találtunk) de én feladtam egy időre.
-ToXeN-
Hi!
Tudom h ez nem a reklám helye, de nem tudna valaki olyan oldalt vagy embert ajánlani aki ad el vf2 paneleket élesztve? Kössz!
Még te nem is jártál annyira pórul, mert én megcsináltam két oldalt az indítással nem is volt probléma.Csak egyszer bekapcsolva felejtettem az erősítőt és mire hazaértem munkából nem hogy elmentek a FET-ek de még a dióda hidat meg a trafót is leégette a végfok kicseréltem őket de ugyanúgy előadta ezt a problémát csak még időben észrevettem és így megmaradt a trafó.Persze a dobozban ált a forró levegő mert a hűtőbordák szó szerint égettek meg már a trafó is rendesen felmelegedett na itt ment el a kedvem végleg tőle, persze én is hülye voltam mert tehettem volna egy biztosítékot bele de hát így még nem jártam egy végfokkal sem...
A KD Mester által átdolgozott verzió biztonságos? Úgy értem az leéghet ha otthon felejtem bekapcsolva?
Egyik sem éghetne le a hosszú távú üzemeltetéstől.
De úgy látom elengedhetetlen feltétele lesz az élesztési folyamatnak ezek után oszcilloszkóppal nagyfrekis gerjedést is vizsgálni.
Üdv.Az volt benne a pláne meg szerencse is, hogy nem volt rákötve hangfal mikor leégett!
De ezt az erősítőt nem lehet áttervezni, hogy ne +/-os hanem csak simán akár 12 voltról is üzemeljen?(na jó nem 65 wattal hanem mondjuk 10
) csak az a lényeg hogy nem +/-os legyen.
Szia!
Leírnád légyszives hogy kell ellenőrizni szkóppal, hogy esetleg gerjed-e az erősítő? Én tegnapelött lettem készen egy 60V-os VF2-vel, működik tökéletesen és nagyon szép hangja van. Idézet: „De úgy látom elengedhetetlen feltétele lesz az élesztési folyamatnak ezek után oszcilloszkóppal nagyfrekis gerjedést is vizsgálni.” Minden erositonel kellene vizsgalni a nagyfrekis gerjedest! De nem csak ugy, hogy rakukkantok szkoppal a kimenetre aztan jol van! Erdemes nyugalmi allapotban megnezni a kimenetet illetve vezerles kozben is figyelni a szokopot valami rendellenesseget keresve lehetoleg szinusz es negyszog jelekkel vizsgalva az erositot kulonbozo terhelesekkel (muterheles ellenallasokbol + komplex terhelesekkel is amilyeneket a hangsugarzok jelentenek hosszu hangfal vezetekekkel). Az instabil erositok kepesek a nagyfrekis gerjedesre nagyobb kivezerlesen (ilyen gerjedes jol lathato pl. kis burst-ökben a negyszog jel fel v. lefuto éle(i) utan).
Csak nem autóba kellene?
Ha igen, akkor miért nem készítesz egy TDA2030-asat, az megy "sima" tápról is. Mondjuk ez: http://www.hobbielektronika.hu/kapcsolasok/egyszeru_14_w-os_erosito...l.html Ha nagyobb póver kell, akkor ott a TDA1562. Nézegettem a VF2 nyákomat, elég jól sikerült, azért kár lenne érte Hétfőn veszek 2 pár FET-et, hogy legyen mit elfüstölni , a diódákat meg lecserélem BD137-re, mert van belőle pár darab.
Majd légyszíves jelezz vissza hogy a BD-s hőfokfigyeléssel jobb lett-e a helyzet, mert nekem is a fiókban ül egy panel (új) végfetekre várva. Köszi
-ToXeN-
Kedves KD mester
A VF2 fórumot két napja olvastam végig először és a munkásságaid felkeltették az érdeklődésemet. Nekem zenekari hangsugárzók építése a hobbim, bár erősítő építésében is jártas vagyok. Mostani munkám egy nagy teljesítményű basszusládapár készítése zenész barátom számára. A ládák elég nagyok, a hangszórók Eminence 18” 8ohm 600W sínus teljesítményüek. Jó lenne aktívra átalakítani őket. A fórumon közöltél egy kapcsolást „MONSTER” néven. A kraftja elegendő lenne a célra. Azt szeretném tudni alkalmas lenne a feladatra vagy nem, ha igen milyen feteket ajánlanál hozzá. Nem lenne rossz ha bemenete szimmetrikus lenne mert az aktív krossover ilyen kimenetekkel rendelkezik. A hangerőszabályzást a szimmetrikus bemeneten hogyan oldhatnám meg. Remélem nem vagyok tolakodó, de látom ezen fórumon sok olyan ember mozog aki jártas ezekben a dologban, és gondolom hogy mást is érdekelhet. Bármilyen építő hozzászólást szívesen fogadok tőletek mert látom hogy itt sok minőségszerető és gyakorlatias ember megforduln Előre is köszönöm a segítséget!
Csak arra lennék kíváncsi hogy a VF képes e működni 1 db fettel is, azaz nem használnék két fetet csak egyet és ez ha működik akkor milyen következményekkel jár?
Szia!
Ellenütemű erősítő, nem működik egy db. fettel!
Köszi a választ. Erre voltam igazából kíváncsi egy ideje csak nem konkrétan tettem fel a kérdést így nem kaptam konkrét választ.
Mit gondoltok a +-40V-os változat elbír +-45-46V-ot?
A +-60V-os változat nagyon jól működik egy Beag apt100 +-55V-os tápjával.
Igen, alkalmas lenne. Aktív hangfalba még a rövidzárvédelm alkatrészeit sem kell beültetni, mivel nem lehet rövidrezárni a kimenetét.
Megfelelő hűtés és tápegység kell neki.
Más:
Itt van a conductor teljes építési leírása. Sokkal könnyebben utánépíthető, könnyebben éleszthető, sokkal megbízhatóbb, stabilabb erősítő, mint a VF2. Ennek ellenére aki mégis a VF2 végfokot építi meg az vessen magára... Mióta feltettem az építési leírást, még mindíg a spontán megpusztult VF2-kel szenvedő hsz-eket lehet itt olvasni, pedig itt van ez az erősítő, amit még egy gyerek is el tud készíteni...
Azt en is alatamasztom, hogy stabil az erosito. Jarattam 1 ideig nagy kivezerlesen (1kHz szinusszal vezerelve ugy, hogy a szkopon nem volt lathato jelalak torzulas, 5ohmon 81W-ot mértem) es meg hosszu hsz. vezetekkel sem gerjedt, nem volt homegfutas, stb.
Szimmetrikus bemenetrűre át lehet alakítani, de én nem fogok emiatt egy új nyákot tervezni.
Szimmetrikus jelre is meg lehet oldani a hangerőszabályzást (digitális hangerőszabályzó, jó minőségű négycsatornás potméter), de inkább használj asszimmetrikus jelet egy sima potméterrel. A végfok bemenetén van egy RC-szűrő! Ha potmétert kötsz elé, akkor a potméter elé tedd az RC szűrőt.
Tudnal esetleg ajanlani egy jo hangszinszabalyzot is hozza?
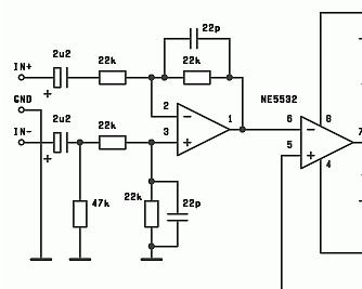
Azt szeretném még kérdezni, hogy ezzel a bemeneti áramkörrel megoldható lenne a szimetrikus meghajtás?
Továbbá érdekelne a "MONSTER" erősítő milyen mélyátvitelre képes. (kellően megzavarna egy 18"-os hangszórót?) |
Bejelentkezés
Hirdetés |






) csak az a lényeg hogy nem +/-os legyen.







