Fórum témák
» Több friss téma |
Fórum » Zene és adat továbbítás a hálózaton
kössz az infót, a keresgetési technikámon meg csiszolok majd még!
ami rajzot plokmi feltett arra gondoltam én is.....
Köszi a rajzokat az ünnepek után meg is építem remélem megbízhatóan fog működni.
Ha még tudtok más megoldást az is érdekelne. Mindenkinek boldog új évet
Hehe!
Ez lesz a szakdolgozat temam! Mar keszul is a nyak hozza, remelem ujjevre elkeszul a cucc.
Minden használható megoldás érdekel, Hsszú távon üzleti lehetőség is van a dologban.
Nekem van ilyen ketyerém ami mobiltelefonnal vezérelhetö relét tartalmaz ami idözithetö + lakásriaszto funkciot is be tudja tölteni!
Szerintem nem egy bomba uzlet ez. Viszonylag draga a cucc a tudasahoz kepest. Ahol hasznalhato lenne oda pedig kapcsolat utjan lehetne eladni. Hasznalhato lenne pl szerverek ujrainditasahoz. Pumpak, szivattyuk tavezerlesehez. Tipikusan olyan alkalmazasok ahol, sokat kell utazni egy gombnyomas miatt. Esetleg ott is jo, ahol elobb kell inditani valamit mint, hogy megerkezne oda az ember.
A baj az, hogy egy gsm modem kb 10eFt-nal kezdodik (ha minden igaz) + afa. Akkor lenne benne szerintem uzlet ha egy ilyen modul 2-3eFt lenne. Nekem sikerult 1db ot vennem 5eFtert. Akitol vettem volt neki 100db-ja. Ha lett volna akkor penzem lehet megvettem volna az egeszet. Utolag persze mindig okosabb az ember. Hogy miert gsm modul? (szerintem!) A gsm modul picit komolyabb megoldasnak tunik (vevo szempontjabol) mint egy telefonra applikalt valami. Sajnos gyakran az utobbi valami regi kiszuperalt telefonnal parosul. Megbizhatosagat tekintve lehet, hogy van olyan jo mint egy gsm modulos, de a vevo hajlamos lesz a "hazi gyartmanyu" kategoriaba tenni es ennek alapjan dijjazni. Legalabbis szerintem. En erre fogom hasznalni a sajat gsm tavkapcsolomat: itthoni szamitogepem bekapcsolasa, hogy tavolrol el tudjam erni. Es persze szakdolgozat temanak
Azt hiszem eltávolodtunk az eredeti témától.
GSM alapú távműködtetésre vannak jól bevált késsz megoldások. Az én elképzelésem ennél kicsit másabb én pár száz méteren belűl szeretnék vezérlési feladatokat megoldani ott ahol RF távvezérlés a terepviszonyok miatt problémás. Ezért gondoltam a meglévő 230V -os hálózat kihasznállására. Ebben kérem a segítséget ugyanis esősáramú szaki vagyok aki az elektronikát csak hobbi szinten űzi.
ez mondjuk engem is érdekelne...
gondolom az 50Hz-es hálózati feszültségre rá kell ültetni egy más frekvenciájú jelet, és akkor ha van jel, akkor 1 ha nincs akkor 0. Ha valamit csak be akarsz kapcsolni, vagy kikapcsolni , akkor ez végülis már elég, ha adatot akarsz áttvinni, akkor kell már valami protokoll is...
http://www.maxim-ic.com/powerline.cfm
Itt körülnéztél már?
Wikipedia ezt irja:
http://en.wikipedia.org/wiki/Power_line_communication Talan lesz egy ket hasznos link innen.
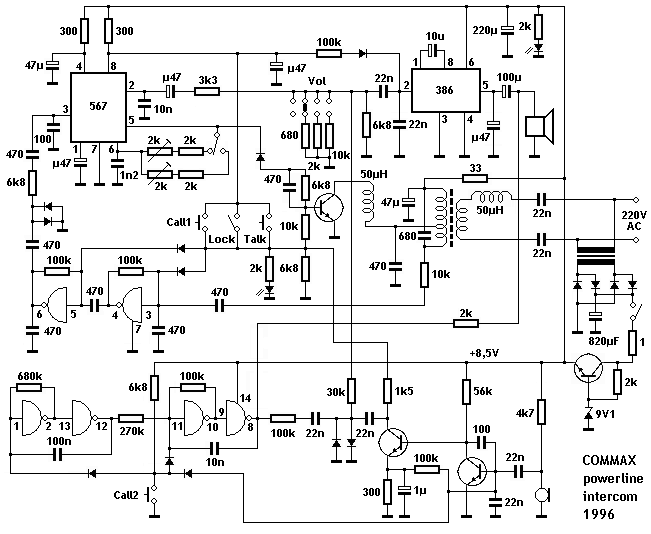
Lassan visszajutunk a javaslatomhoz, az intercomhoz.Jó régen volt, de itt van a rajza, elég egyszerű (és nem is minden kell a rajzról).
Ami még kell hozzá: az adó oldalon egy DTMF "tárcsázó" IC (piaci telóból a legolcsóbb, amúgy 1000HUF), a vevő oldalon meg egy DTMF dekóder IC (pl MT8870) aminek BCD kimenete van, erre rakhatsz egy 4-ből 16-ra demux IC-t, tranyók, majd a végén triac v. relé(k). Ez a bébiőr vagy telefonpár 3-4rugó körül van és kb 100...150m hosszú hálózati kábelen működőképes (természetesen azonos fázison kell lennie adónak,vevőnek.)
Sziasztok!
Rajzot keresek egy köznyelven "főnök - titkárnői telefon" nak nevezett szerkentyű építéséhez. A lényege hogy a meglévő 220V os hálózatot használja fel az audió jel továbbítására egy hangfrekin kívül eső vivő (pl. 40KHz) modulálásával. Van valakinek esetleg ilyen rajza, vagy linkje ehhez a témához? Olyan kapcsolás érdekelne amivel relative jó minőségben lehet hangot továbbítani. Ha esetleg van már ilyen téma akkor sorry, én nem találtam...
http://www.hobbielektronika.hu/forum/topic_461.html
Ajánlom figyelmedbe ezt a témát!
Köszönöm, ezek szerint nem jó kulcsszavakat használtam a keresésnél...
Hello, nekem legfeljebb a hangfrekvenciás hálózati távkapcsoló rajza van meg, esetleg abból ki lehetne indulni. (?)
Szia!
Az a régi RT s változat? Azt én többször is nekifutottam megépíteni még tanuló koromban és sosem működött. Ha jól emlékszem egy 741 volt benne. De ha felrakod megköszönöm, nem kéne áttúrni az RT ket meg a CD ket.
Esetleg nem tudja valaki hogy ezt a kütyüt honnan lehet nálunk beszerezni? A cikk végén azt írják magyarországon kapható...hol? A google nem dob fel semmi ilyet, ami van az mind digit átvitelre való csak. (powerline adapter wifi hez)
Helló! A Transzformátor alállomások egymásközt a 120KV-os távvezetékhálózatot használják a kommunikációra ha ők megtudták oldani akkor mi 230V-os hálózaton könnyedén megtudnánk oldani lásd HKV adó és vevő
.helló.
Ha már megint feljött a téma, felteszem ide amit visszarajzoltam, pár éve szó volt róla.
Az utánépítésnél ügyelni kell arra, hogy a csatolókondik megfelelő (50Hz tűrő biztonságos: X2) minőségűek legyenek. A próbálgatáshoz nem szükséges a hálózatot használni, lehet éleszteni tápegységről is és sima kéteres kábel összekötéssel. Aztán a váltófeszt rá lehet tenni 24V formájában és ha minden OK. akkor jöhet a 230-ba dugás .
No itt lenne...
Direktben nem tudom milyen átvitele lenne, az alját erőteljesen szűrni kellene, viszont az ultrahangra modulált PWM-el lehetne próbálkozni...
Sziasztok!
Segítsetek, hogy lehetne szerintetek ezt kivitelezni: Egy lakáson belül 16-20db darab led csoportot 3 féle színben (RGB) és fényerőt is kellene tudni kapcsolni a 230V-os hálózaton keresztül. Infra illetve rádiós távirányítás sajnos nem jöhet szoba. Tisztában vagyok, hogy sajnos sok zavar van az elektromos hálózatban, de mégis hogy csinálnátok meg? Én egy DMX vezérlésre gondoltam, amit rá kellene ültetni a hálózatra szerintetek ezt, hogy lehetne megoldani? A DMX vezérlő vagy egy gyári pult vagy pedig egy számítógépes megoldás lenne ennek már utána olvastam 90%-ban tiszta. Magát a DMX jelet kell ami ugye hasonlít az rs485-ös kommunikációhoz kellene 230V-os hálózatra ráültetni amit fogalmam sincs hogy lehetne megvalósítani. Utána pedig a vevő rész ami ugye szabályozná a fényerőt meg a színeket. Ha tudtok segítsetek legyetek szívesek mert nem találom a jó megoldást. Köszönettel: Tomi
Az elektromos hálózaton mindenféle komunikáció tilos! Az elektromos müvek saját rendszerei miatt azo ugyanis ott komunikálnak pl.éjszakai áram ki-be!
Több féle engedélyezett termék van adatátvitelre.
Pl.: Bővebben: Link |
Bejelentkezés
Hirdetés |




Ez lesz a szakdolgozat temam!

.helló. 







