Fórum témák

» Több friss téma
Fórum » USB-s hangkártya PCM2902 IC-vel
Lapozás: OK   8 / 34
(#) alex.taylor hozzászólása Szept 26, 2008 /
 
ezeket találtam google-ba beirva a PCM2902E-t
(#) deguss válasza Norberto hozzászólására (») Szept 26, 2008 /
 
Köszönöm a segítséget, szívesen beállítanám, de nem találom meg, hol van ilyen beállítási lehetőség....

Viszont a digitális zajra sincs ötletem... Találtam egy appnote-ot, nézzétek meg az utolsó oldalt, ez annak a boardnak a kapcsolási rajza. Nagyon professzionálisnak néz ki, de ezen sincs az 5V szabályozva, viszont az igaz, hogy az erősítő IC szabályzott tápról megy. Lehet hogy azért hallom én a zajt, mert a TL084-el van baj.

appnote.pdf
    
(#) deguss válasza alex.taylor hozzászólására (») Szept 26, 2008 /
 
Köszönöm, de ezen pont az erősítő nincs rajta, így nem sokat lehet vele kezdeni...
(#) deguss válasza Norberto hozzászólására (») Szept 27, 2008 /
 
Talán elhamarkodottan ítéltem meg a mono/sztereó témát, figyelmetlen voltam, a nyákon egy cindarab miatt testen volt végig az egyik input, emiatt nem tudtam sztereóban felvenni. Köszönöm mégis fáradozásotokat!

A búgás továbbra is hallatszik, némileg tudtam rajta halkítani, hogy betettem egy 3.2V-ra szabályzó LM337-est a kimenetén 100µF-al a TL084-es IC tápja elé. Mivel lehetne még javítani, illetve honnan jön a zaj (az tudom hogy a gépből), de a PCM vagy a TL084-es okozza?
(#) huhuu válasza deguss hozzászólására (») Szept 27, 2008 /
 
A zúgás nem lehet esetleg földhurok?
(#) Jaffry hozzászólása Okt 4, 2008 /
 
hello.
Megépítettem én is.Nekem is van gey kis zugása:S
ha minden igaz akkor a digitális és az analog földet külön kell választani és akkor elvileg megszünik a zugás
Vagy lehet h az a baj h nincs leárnyékolva.mert nekem nincs tokba csak ugy naturba a nyákon.
(#) deguss válasza Jaffry hozzászólására (») Okt 4, 2008 /
 
Beraktam 1000µF-ot, és egy LM311-et a műveleti erősítőnek, így most a prototípus használható. Felvételnél tökéletes, lejátszásnál a vájt fül észreveszi a furcsa zajokat.
Most egy második verzión dolgozom, ha elkészül (és jól működik), teszek fel kapcsolási rajzot, és megosztom a tapasztalataim.
(#) Jaffry hozzászólása Okt 5, 2008 /
 
ha valakit érdekel akkor tudok küldeni kiegészitő panelt amivel meg lehet oldani az átalakítást nagyobb tokra.ha veleki nem akarna azzal pepecselni akkor ic-t is tudok bele forrasztani.
nekem nem megy a bemeneti rész igaz hagytam ki belőle dolgokat
(#) csdog hozzászólása Nov 6, 2008 /
 
Sziasztok, ez a fórum adott nekemis ötletet h megcsináljam a hangkártyát.
Terveztem hozzá nyákot, ha valakit érdekel, szívesen közkincséteszem, az IC foglalatokokhoz is innen vettem az ötletet, szóval iylen lett:
kép1
kép2
kép3
nyák1

Igaz a Line-in bemenetről kifelejtettem a szűrőkondikat, de szerencsére annyira nem gány módon sikerült két 4,7µF- s kondit besűrítenem( ezt a nyákrajzon ki is javitottam utólag)... a mikrofon erősítő rész nemnagyon akarja az igazat, de az nemis érdekel annyira, és 2 jumperrel teljesen le is tudom választani az ICről.Ez a nyák teszt céljából kipróbálásképpen készült , az SMD kivitel lesz majd az igazi kihívás ... ha elkészült beszámolok róla...
(#) vicsys válasza csdog hozzászólására (») Nov 6, 2008 /
 
Szép lett!
Rakd fel légyszi a terveket is.
(#) csdog válasza vicsys hozzászólására (») Nov 6, 2008 /
 
köszi!

Sprint layout 5.0 ban dolgoztam,
Feltettem a nyákrajzot, plusz a PCM2902 és a TPA152 makro-ját is. A kapcsrajzot pedig itt találtam, de azért aztis csatolom... :wave:
(#) vicsys válasza csdog hozzászólására (») Nov 6, 2008 /
 
Köszönöm!
(#) csdog válasza vicsys hozzászólására (») Nov 6, 2008 /
 
egyébként ilyen tranzisztort nemnagyon találtam sehol mint ami a kapcsrajzon van a mikrofonerősítőben (bc817-25) úgyhogy egy bc639 el helyettesítettem (hasraütésszerűen), de így nem az igazi ... sőtt inkább semilyen, úgyhogy az a része nemmegy ... Egyébként pedig nagyon tetszik a hangja, semmi alapzajj , semmi gerjedés .. az alaplapomra integrált soundMAX- nál 1000x jobb...

peace :wave:
(#) wir12 hozzászólása Jan 19, 2009 /
 
Hy All!
Én is megszeretném építeni ezt a hangkártyát de a TI-től nem megy a Free Sample rendelés. Nem tudna nekem valaki rendelni innen az én címemre mintát? (ha valaki tud kiadom a címem nagyon megköszönném) A fórum tapaszatalatai alapján átrajzoltam egy picit a kapcsolási rajzot (mellékelve) valaki lenne olyan szíves hogy megnézné és ha valami nem stimmel jelezné nekem ezt is megköszönném.

előre is köszönöm a segítséget!
(#) Norberto válasza wir12 hozzászólására (») Jan 19, 2009 /
 
Kapható kishazánkban már hivatalosan is, talán ezért nem küldenek. Valószínűleg már másnak se fognak többé.

A beszerzési hely pedig: HQ Video
(#) wir12 válasza Norberto hozzászólására (») Jan 19, 2009 /
 
Köszönöm a gyors választ
Am ez jó hír deh nekem ezt írja ki a TI "Free samples are Not for Resale" mivel a német tudásom erősebb mint az angol ezért ezt nem tudom értelmezni Lehet ez jelenti hogy nem küldenek többet?? Nagyon sok energiát és millió egy reget igényelt a TI tőlem ezért vagyok hajthatatlan
(#) dpeti válasza wir12 hozzászólására (») Jan 19, 2009 /
 
nem, azt jelenti, hogy nem szabad eladnod...
(#) wir12 válasza dpeti hozzászólására (») Jan 19, 2009 /
 
Köszönöm a választ és ha már megépítetted megnéznéd a kapcsrajzot hogy a kondiknak pontos értéket adtam-e meg még azt hiszem a 15 oldalon van :- kösziD
(#) wir12 hozzászólása Jan 19, 2009 /
 
Ja és látom itt elég sok jó angolos van még ezt az egyet megmondhatnátok hogy mit akar a minta rendelésnél "4. Order Confirmation" menüpontnál azzal hogy "Thank you for your order. Your request has been sent for fulfillment.
Your order confirmation number is: 702646"

Sejtem hogy valmit vissza kell igazolni azzal a kóddal de pontosan nem tudom megköszöném ha segítenétek
(#) johnny1107 válasza wir12 hozzászólására (») Jan 20, 2009 /
 
Nem egészen Megköszönték a rendelésed és tájékoztatnak róla hogy úton van, az a szám a rendelési számod amire hivatkozhatsz ha gáz van.
(#) wir12 válasza johnny1107 hozzászólására (») Jan 20, 2009 /
 
Köszönöm a segítséget bocsánat hogy ilyen hülyéket kérdezek mert nem tudok angolul de végre küldtek nekem minta darabot ma hozták hármat kértem erre hoztak 5-t szal ha kell valakinek szóljon
(#) wir12 hozzászólása Jan 20, 2009 /
 
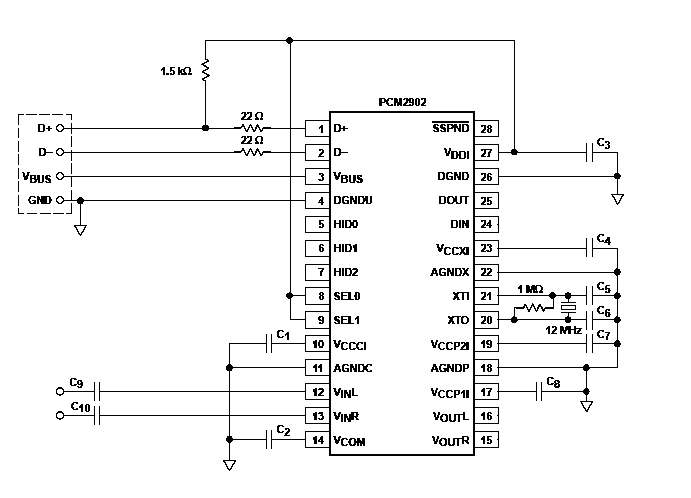
Helló All! bocsi hogy megint pofátlankodok de aki megépítette ezt a remek kapcsolást árulja már el hogy a kondenzátoroknak milyen értékűnek kell hogy legyen meg köszöném mert a még neem vagyok biztos a dolgomban addig neem kezdek bele előre is köszönöm

Jah igen és erről a kapcsolásról lenne szó(mellékelve)

PCM 2902.gif
    
(#) MolnarG válasza wir12 hozzászólására (») Jan 23, 2009 /
 
Az előző csatolt képnél saját magad raktad be a képet amin fel vannak tüntetve az értékek...
(#) deguss válasza wir12 hozzászólására (») Jan 23, 2009 /
 
Tessék elővenni az IC adatlapját és végignézni! Ugye nem kérdezünk hülyeségeket!?
(#) csdog válasza deguss hozzászólására (») Jan 24, 2009 /
 
vagy a fórumban visszakeresgetni
(#) Bassmester hozzászólása Jan 24, 2009 /
 
Sziasztok!
Lehetne ilyen ícékkel többcsatornás bemenetű audio interfészt csinálni?
(#) csdog válasza Bassmester hozzászólására (») Jan 30, 2009 /
 
Ennek az ICnek 1 analóg bemenete van , viszont találtam egy "2 way audio mixer" -t , esetleg jóljöhet neked, de ezt simán a meglévő hangkártyád bemenetére is rákötheted.... (nem teszteltem a kapcsolást, de sztem működőképes)

mixer.gif
    
(#) Gory válasza Bassmester hozzászólására (») Jan 30, 2009 /
 
Rádugsz kettőt a gépre. Csak a szoftver kezelje amivel használod.
(#) SALáta válasza Gory hozzászólására (») Jan 31, 2009 /
 
Nos megépítettem a pcm 2906 al a hangkártyát, sajnos első felismerés után többé nem akarta kezelni a gép, rendesen feltelepítette a device controlt aztán a tálcán ismeretlen eszközként szerepel. Mi lehet a probléma?
Volt itt egy kolléga aki ezzel küzdött, sajnos nem írta be a fórumra hogy hogy oldotta meg a problémát.
(#) istvanpal16 válasza SALáta hozzászólására (») Feb 2, 2009 /
 
Hello
Ienkor ajanlott mas USB csatlakozoba dugni, vagy probald kicsit fesziteni a csatlakozoba es fell kell hogy ismerje!! ez azoknal tortenik meg kik sokat hasznaljak az SB cstlakozot s kikopik!!!!
Következő: »»   8 / 34
Bejelentkezés

Belépés

Hirdetés
XDT.hu
Az oldalon sütiket használunk a helyes működéshez. Bővebb információt az adatvédelmi szabályzatban olvashatsz. Megértettem