Fórum témák

» Több friss téma
Fórum » USB-s hangkártya PCM2902 IC-vel
Lapozás: OK   7 / 34
(#) 021 hozzászólása Júl 25, 2008 /
 
gr89!

Mire gondolsz rossz minőség alatt? Zajos, kihagyogat....

Szerinted a digit kimeneten is rossz a minősége?
(#) budavaril válasza 021 hozzászólására (») Júl 25, 2008 /
 
Te biztos vagy benne,hogy ezt akarod??
Amennyi időt még el fogsz vele szúrni... 11.000Ft a silicium computernél egy creative sb0490 (soundblaster surround 5.1) Ez usb-s optikai és RCA-s diigit kimenete is van.Hangminősége olyan mint egy PCI-os Audigy2-esnek.. Én ezt használom laptophoz, asztali géphez, meg az ASUS WL-500gP-s routeremhez, ha gép nélkül akarok rádióstream-et hallgatni... Azért ez nem drága megoldás sztem... Ha meg ennél jobb minőségűt csinálsz házilag akkor....
Én elég sokáig építettem erősítőket,meg autohifiztem. Azért a jó minőséghez nem elég ha összedrótozok egy ic-t pár passzív alkatrésszel. Ott azért zajok-gerjedések, áthallás...stb. is van, ami nem piskóta és nem kevés fejlesztői munka.. :vigyor2:
(#) 021 hozzászólása Júl 26, 2008 /
 
Eleinte én is ilyesmire gondoltam... De valószínűleg veszek egy ilyen kártyát....
(#) budavaril válasza 021 hozzászólására (») Júl 26, 2008 /
 
Én csak jót tudok róla mondani! A zenehallgatás miatt raktam össze egy asztali gépet audigy2-vel, amit monitor-billentyűzet és egér nélkül bedobtam az ágy mögé, és távoli asztalból vezéreltem. Ezt cseréltem le erre. Nem foglal helyet, és a villanyszámlámnak sem mindegy, hogy egy 100-200W vagy egy 1-2 wattos eszköz működik!! Meg ha eladom, kb 50-60.000Ft-al "beljebb vagyok" Mondjuk én egy "fadobozos" genius 5.1-es aktív szettel használom az analóg kimeneten kesztül, de bakelitet digitalizálni is kíváló minőségű!
Üdv!
(#) mark.budai hozzászólása Szept 5, 2008 /
 
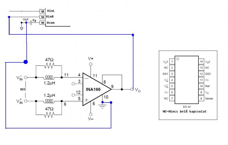
Sziasztok! Új vagyok a fórumon. Én is szeretném elkészíteni a hangkarit.
megjött már az ic is, meg a MIC előerősítő is(INA166UA).
De nem találom a kapcsrajzon, sem a pdf-ben a kimenetét
(felerősített jelét)az INA166-nak. Azt szeretném megkérdezni, hogy melyik lábakat kell összekötni a pcm2902 VinL/R lábaival? Csatoltam a kapcsrajzát az ina166-nak.

kapcsrajz.jpg
    
(#) vicsys válasza mark.budai hozzászólására (») Szept 5, 2008 /
 
Pedig ott van a képen. A 8 és 9 a Vo -gondolom Vout.
(#) mark.budai hozzászólása Szept 5, 2008 /
 
egy vezeték lenne a kimenet? ha jól látom azokat össze kell kötni. engem érdekelne a + , a - kimenet is.
És köszi a gyors választ!
(#) Travolta válasza mark.budai hozzászólására (») Szept 5, 2008 /
 
Csak egy kimenete van,az pedig a 9.es láb.Nincs olyan, hogy +és- kimenet.A bemeneten meg azért találsz + és - bemenetet, mert szimetrikus bemenet.
(#) vicsys válasza mark.budai hozzászólására (») Szept 5, 2008 /
 
Ez mikrofon előfok. Ritkán van sztereo kimenete a mikinek. A zajelnyomás miatt van a "dupla" bemenet-szerintem ez kavart meg téged.
(#) mark.budai hozzászólása Szept 5, 2008 /
 
Szóval csak a mikrofonból jövő egyik szálat kell erre kötni? A másik meg mehet egyenesen a PCM2902-re?
(#) vicsys válasza mark.budai hozzászólására (») Szept 5, 2008 /
 
Hogy miiii? Dehogy is! A mikid milyen típusú? Dinamikus vagy electret? A miki megy szépen az előfok ICdre és majd annak a kimenete megy a PCM-re. (Használd a válasz gombot, mert nem tudni kinek írsz!)
(#) mark.budai válasza vicsys hozzászólására (») Szept 5, 2008 /
 
nem tudom, hogy mien típus, de azt írtad, hogy csak 1 kimenete van. ez akkor melyik 2 láb(te csak a 9-est írtad), mivel kell lennie 1 + és 1 - kimenetnek akkor, ezek melyikek?
(#) vicsys válasza mark.budai hozzászólására (») Szept 5, 2008 /
 
Elektronikai berendezésék moduljait ha összekötjük egymással a közös pont általában a GND. Tehát amit Te - kimenetnek hívsz az nem más mint a mindkét rajzon megtalálható GND. A PCM bemenetére pedig a miki erősítőd kimeneti pontja megy azaz a 9-es láb.
Nem akarlak bántani, de van 1 olyan érzésem, hogy túl nagy fába vágtad a fejszédet... Lehet, hogy valami egyszerűbbel kéne kezdened és szépen lassan megérteni egy-egy dolog működését.
(#) mark.budai válasza vicsys hozzászólására (») Szept 6, 2008 /
 
Akor így?
(#) vicsys válasza mark.budai hozzászólására (») Szept 6, 2008 /
 
Igen.
(#) mark.budai válasza vicsys hozzászólására (») Szept 6, 2008 /
 
Köszi agyors választ!!! Tudtam, hogy nagy fába vágom a fejszémet, de azt is, hogy itt kérdezhetek, és ha válaszoltok, meg tudom csinálni.
(#) deguss hozzászólása Szept 13, 2008 /
 
Uraim!

A PCM2902 milyen jelszinteket dolgoz fel a az analóg be és a kimeneten? Mekkora a VCCCI, ha a 2-es séma szerinti, feszültségstabilizátor nélküli kapcsolást építem meg? Mert úgy értelmezem, hogy a bemenetnek 0.5 és VCCCI közé kell esnie, és a kimenet is hasonló.
(#) deguss hozzászólása Szept 20, 2008 /
 
Aki megépítette a kapcsolást, válaszoljon már legyen szíves!
A bemeneti jelnek 0 és VCCCI azaz 3.6V között kell lennie, és centrikusan, tehát 1.8V a képzeletbeli "csend"?

A kimenetet hasonlóan nem értem, milyen jelszintet ad ki, illetve milyen értékek között lehet állítani a gombokkal. Ez számomra nem derül ki az adatlapból sem.
(#) kyrk válasza deguss hozzászólására (») Szept 21, 2008 /
 
A PDF-ben van egy abra (11.oldal) az egyik analog bemenetrol. A tokban levo muveleti erosito + laba Vccci/2-re van huzva. Ez azt jelenti hogy ha a VinR (13)-ra nem kotsz semmit akkor az a bemenet is Vccci/2-n lesz. Ha a kepen lathato kondin keresztul kotsz oda egy audio jelet akkor az audio jel az Vccci/2 korul fog valtozni. Ha kondi nelkul kotsz oda egy audio jelet akkor neked kell eltolnod egy fix ofszettel Vccci/2-re.

A kimenetrol nem szol igazan. Valszinu itt is Vccci/2 offszettel lesz eltolva az audiojeled. Kondit kotve ra mar 0V korul fog kolbaszolni az audio jeled.

Szerintem amivel igazabol torodni kell, hogy a bemenetre a kondin keresztul kb. 600mV jusson, a kimenet pedig szinten 600mV legyen. Kimenetet majd erosited ugyis valamivel (amugy is ha jol latom nagyimpedanciat var 10k?). A bemenet Vp-p -je ne legyen nagyobb Vccci-nel, kulonben beveri a fejet a jel.
(#) deguss válasza kyrk hozzászólására (») Szept 21, 2008 /
 
Valóban...
Köszönöm a gyors választ, a bemenetet egy kondenzátorral fogom csatlakoztatni, egy egyszerű állítható feszültségosztót alkalmazva, és a kimenetre teszek két antiparallel diódát, és egy kondit, mielőtt az IC-re menni, így elvileg nem lesz túl magas a jelszint, és a potit addig tekerem majd le, hogy ne torzítson. Működne egy ilyen elgondolás? Vagy rajzoljak?
(#) huhuu válasza deguss hozzászólására (») Szept 21, 2008 /
 
Szia Deguss!

Megépitettem a feszültség szabályzó nélküli verziót.
Az analóg bemenetre kötöttem több dolgot(discman, minidisc), mindegyikkel
jól müködött, mikrofonnal nem, ahhoz sajnos nem elég érzékeny. Nekem csak csatornánként egy-egy kondi van ott és az elégnek bizonylut.
Line inputnak felel meg az a bemenet szerintem.
Pontos adatokat nem tudok.

Üdv
(#) deguss válasza huhuu hozzászólására (») Szept 21, 2008 /
 
Ez nagyon sokat segít, nem torzít nagyobb hangerőnél sem? Ha egy hifi berendezésre rákötöd a fejhallgató kimenetre, és feljebb tekered a hangerőt, akkor sem torzít?

A kimenetet próbáltad? Milyen értékek között tudod állítani a hangerőt? Mit tettél rá, mivel használod? Köszi!

(#) deguss válasza kyrk hozzászólására (») Szept 21, 2008 /
 
Ehhez mit szóltok?
Átdugható bemenet, ha a line in helyett egy tekercses mikrofont szeretnék használni.
Minden észrevételt szívesen fogadok!

schv2.1.PNG
    
(#) deguss válasza vicsys hozzászólására (») Szept 21, 2008 /
 
Vic! Az INA166 adatlap szerint legalább 9V-ról kell hogy járjon. Kipróbálta valaki, hogy megy 5V-ról is?
(#) vicsys válasza deguss hozzászólására (») Szept 22, 2008 /
 
Szia
Sajnos nem tudom. Én INA166-ot nem használtam...
(#) kyrk válasza deguss hozzászólására (») Szept 22, 2008 /
 
Nem lenne jobb ha kihasznalnad a jack dugo azon tulajdonsagat hogy van benne egy kapcsolo. Csinalhatsz ket bemenetet majd egy oszeado fokozaton keresztul adod az IC bemenetere. Igy nem kell kapcsolgatni semmit.

En a TL084 nem-invertalo bemenetere tennek egy viszonylag nagy ellennallast a fold fele. Mivel DC-n a levegoben log igy a lab, ami szerintem okozhat problemat.
(#) deguss válasza kyrk hozzászólására (») Szept 22, 2008 /
 
Köszönöm szépen a jó tanácsokat, úgy tudom sztereóban nincs kapcsolóval ellátott jack dugó!?
1 Mohm-ot tettem a mikrofon kondija mögé, azaz a nem-invertáló bemenetre!

A többi oké? Köszi-
(#) deguss válasza kyrk hozzászólására (») Szept 24, 2008 /
 
Idézet:
„En a TL084 nem-invertalo bemenetere tennek egy viszonylag nagy ellennallast a fold fele.”

Most jut eszembe, az ellenállás nem a +2.5V-al jelölt vezeték felé kéne hogy nézzen? Az a virtuális föld, nem?
(#) deguss hozzászólása Szept 26, 2008 /
 
Uraim!

Elkészítettem az áramkört, feltelepítettem a drivert, meg is jelenik az eszközkezelőben, minden nagyon jól működik, igaz kis alapzaj van (digitális zaj ami a PC-től jön, az 5V erősen tüskézett), de nem ez a legfőbb problémám, hanem az, hogy csak monóban tudok felvenni. Segítsetek, akinek már működik!
(#) Norberto válasza deguss hozzászólására (») Szept 26, 2008 /
 
Hello!

Adatlap 22. oldalán nézelődtél? Hátha itt lesz a megoldás, az Interface #2 beállításával.

pcm_input.jpg
    
Következő: »»   7 / 34
Bejelentkezés

Belépés

Hirdetés
XDT.hu
Az oldalon sütiket használunk a helyes működéshez. Bővebb információt az adatvédelmi szabályzatban olvashatsz. Megértettem