Fórum témák
» Több friss téma |
Fórum » ATX-táp problémák, meghibásodás
Félreértettél, nem a munkámban nem bizok, hanem ezekben az ócska tápokban.
Jól van, legközelebb megfogadom a tanácsod
Sziasztok!
Egy Ultra Power AT-T460 AP pc-tápot szeretnék megjavítani.Kellene egy rajz róla sajnos nem találtam a neten.A hibajelenség :Megvan az 5 volt készenléti táp és bekapcsolási nélkül halk periodikus ciccegést hallat.Ha megprobálom bekapcspolni akkor lemegy 4,67 voltra és a ciccegés fofyamatossá válik.A kimenőfeszültségeken semmit sem lehet mérni. Van benne tl494 és dbl329-es ic.A tl494-en mértem a 13,14,15 lábon 5v-ot a 12-lábon 9v-ot 4-lábon 0v ha probálom bekapcsolni.Kicseréltem 4 kondit amiket rossznak mértem de a félvezetőket még nem próbáltam kimérni rajz nélkül. Merre próbálkozzak tovább?
A készenléti táp környékén lévő elektrolitkondikat ( 470~1000uF, 6.3V vagy 10V körüli szokott lenni az 5VSB kondija és a 12V-é ~47µF 16V esetleg 25V os ) cseréld ki méregetés nélkül.
Esr mérővel kimértem a kondikat,4 rosszat (puposak voltak)kicseréltem.
Nem feltétlenül púpos ha rossz. Én nem méregetm őket, fölösleges, kidobálom mindet aztán nyugodtan alszom.
Ha bekapcsolom a zöld vezetékkel a tápot akkor melegszik a 220v felöli hűtőborda,de nem jön ki semmilyen feszültség a tápkivezetéseken kivéve a lészenléti 5 v-ot
Szóval átkondiztad primer és szekunder oldalon és maradt a hiba?
A TL494-nek az a 9V, tápnak, kevés lesz. Nézd meg miért nem terhelhető a STBY táp 12V-os része. Ha standby-ban megvan a 12~15V és indításkor leesik, akkor mégis csak a standby táp lesz rossz, hacsak a tl494 ennyire be nem terhel, amit nem hiszek. Van optocsatoló a standby tápnál? Ha van, mérd meg azt is. ( szkópod van? ) De az ilyen terhelésre rosszul reagáló tápoknál a kapacitáshiány gyakori hiba. A félvezetők ellenőrzése sem rossz ötlet. A standby FET-jét és az azt meghajtó kapcsolótranzisztort se hagyd ki és a félhíd két tranzisztorát is nézd meg. -szerintem-
Köszi a segitséget próbálkozom tovább, a 9v-ot egy másik hozzászólásból jónak vettem.Van szkópom mit kellene mérni vele?
Nézd meg, hogy a TL tápja hogyan néz ki , amikor indítod. Ha nagyon fűrészes, akkor kövesd végig a működését és meg lesz a hiba.
De óvatosan ám!!! Leválasztó transzformátor!!!
Megmértem szkóppal a 12-es lábat 200hz 0.2v fürészesség van a 9v-on.A 8-11 es lábon 1,5v 15khz-es négyszögjel van.Az 5-ös lábon szép fűrészjel van.
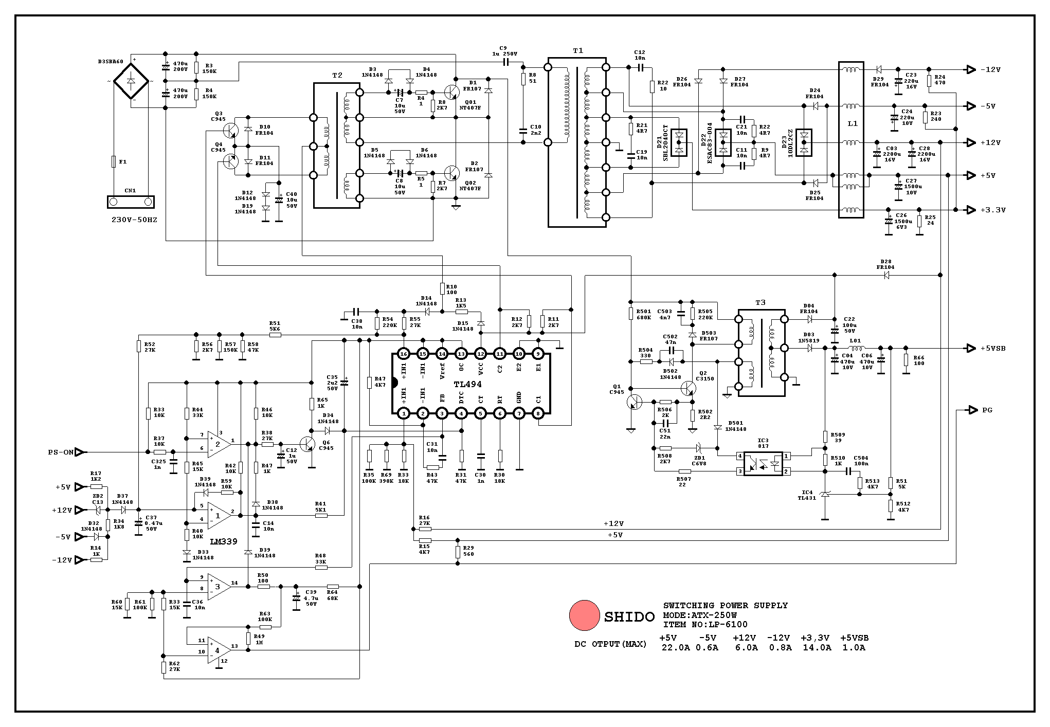
Talán a mellékelt rajz hasonlit az én tápomra
Ezek a jelek vannak a T2 trafó primer oldalán 3-4 volt nagysággal.
Jók ezek a jelalakok?
A táp nem valami szép és szerintem kevés is, de a TL494 látszólag elindul és a kimeneteken ott van a jel. Valahol a 8,11-es láb két kapcsoló tranzisztort (2N2222) hajt meg, amik az impulzustrafót hajtják. Ezt a két tranzisztort nézd meg.
És nézd meg a két kapcsolótranzisztort, ami a félhidat alkotja, hogy mi van a bázisukon-> Az impulzustrafó szekunderéről milyen meghajtás jön. De leválasztótrafó nélkül a szkópod tönkremehet és áramütést is kaphatsz!!! A szkópábrákat, amiket a T2-n mértél, rajzold le, hogy hol mérted és írj az ábrákhoz egy Volt/div és egy time/div értéket, mert enélkül nem sokat ér.
Leválasztó trafóval mérek,annyiban javult a helyzet hogy a félhidban kicseréltem két 10mikrós kondit ,igy már közel négyszögjelek vannak a t2 trafó kimenetén.Be is tudom kapcsolni a tápot.Az a baj hogy alapban a segédtáp még mindig ciripel,ha bekapcsolom a tápot akkor pedig erősödik a hang.
A kimenőfeszek rendben megvannak.A segédtápban még megvan a fűrészesség,mitől lehet ?A két tranyó jó benne a diódák is elkó pedig nincs ott. Nem egészen értem ennek a segédtápnak a működését.A t3 trafon csak valami kusza jelalak van minek kellene lenni rajta ugye nem négyszögjelnek?
Azt a ronda tápot szűretlenség okozza. Rakj egy 47u 50V-os kondit a TL494 tápjára az IC-hez közel.
A segédtáp trafójában a mag nincs eltörve? A ciripelést a kondi akár meg is oldhatja. Rajzold vissza a segédtápot nem bonyolult és okosabb leszel. A segédtápban a szekunder oldalon vannak elektrolit kondenzátorok a primeren nem, mert a főtáp pufferéről van a primer oldal táplálva. Nem tudom említettem-e, hogy mérés nélkül az összes elektrolit kondenzátort cserélem és sosincs utána bajom?
Ma még nem volt időm a táppal foglalkozni de kerestem a neten leirásokat,nem tudtok valami magyar nyelvű, neten elérhető leírást a kapcsolótápokról? Valaki belinkelt egy másik fórumon egy 20 megás angol nyelvű pdf-et. A-Z-ig benne van minden csak nekem magyarul kellene!
Idézet: „A-Z-ig benne van minden csak nekem magyarul kellene!” Akkor a nevedet át kell írni Kicsi Józsi-ra! littlejoe Én még értelmes magyar leírást nem láttam. Most jön vissza a sok angoltanfolyamra fordított pénz
Helló Dudus!
Sikerült kiszednem a sipot a tápból! Addig iktatgattam ki az áramköri részeket amig abba nem maradt a sercegés,a végén az aktiv pfc panel maradt.Kiszedtem belőle az egyenirányitó hidat és a panel nélkül visszaforrasztottam.Végre elcsendesedett és müködik minden rendesen.Nem irtál a készenléti tápról, tehát hogy is működik?Szerintem olyan mint egy blocking oszcillátor egy trafón.Csak az optós szabályozás nem világos.Ha elindul az oszcillátor akkor magától beáll a szekunder rész pont 5 és 9-12v-ra?És csak akkor kapcsol az opto ha valamiért meghaladja az 5v-ot vagy folyamatosan szabályoz?Bocs hogy kérdezősködök de nem találtam semmit róla a neten. Csak olyan rajzokat és leirásokat találtam ami a flyback ic-s és optos szabályozásról szól.Sajnos nem vagyok tanult villamosmérnök de szeretnék képben lenni!Előre is köszi a segitséget!
Tehát kiiktattad a PFC-t ha jól értettem? Keresek valami értelmes leírást a standby-hoz.
Nem találtam jó leírást a készenléti táphoz.
A lényeg, hogy ez egy blocking oscillator, amit a tápokban 2 módon szabályoznak. Vagy van egy referencia a szekunder oldalon és ahhoz hasonlítják a kimenő feszültséget. Ha meghaladja a kimenő a beállított értéket az optocsatoló kinyit és leállítja az oszcillációt. A másik mód, hogy szabadon fut és a szekunder oldalon van egy áteresztő stabilizátor az 5V-ra. A 12V -ot nagyon nem kell bántani, mert 7~40V között működik a TL494.
Köszi dudus!
Közben találtam ey orosz könyvet a pc-táp javításról,valahogy le kéne fordítani kár hogy deyavu formátumban rakták fel.[url=//http://narod.yandex.ru/100.xhtml?http://Bővebben: Link[www.mirofelectronics.narod.ru/Spravka/Books/Impulsbp.zip/url]táp javitás Felrakom még az összegyüjtött táp rajzokat is.
http://narod.yandex.ru/100.xhtml?www.mirofelectronics.narod.ru/Spra...bp.zip
Az előbb elrontottam a linket
Ezeket a rajzokat ismertem már. Ha jól megnézed egy kaptafa mindegyik...
mmm azoknak akik javítanak tápot hasznos infó lehet hogy az ATX12V szabványúaknak van egy feszültség figyelő áramkörük, általában a 12 voltos ágban és a 3.3 voltosban is külön külön.
A 24 pines tápcsatiban a szkoásos méretű vezetékekn kívül feltűnően vékony is megy, az a szenzorhoz van kötve. A zöld ps-on -t hiába teszi le az ember földre, ha ezeken nem lát feszültséget a táp akkor nem indul be. (csak egy villanásra) A lényege az hogy nagy terhelésnél ne essen le a feszültség, amúgy egy potméterrel fel lehet ezeken húzni a 12 voltos ágat 15 voltra tök nyugodtan, amennyire tőle tellik (asszem a specifikáció szerint 60% os terhelésig) próbálja is tartani a belőtt feszültséget. --csak gondoltam megemlítem, amúgy feltehetőleg off-topic--
A mellékletben megtaláljátok az ATX tápok legfontosabb specifikációit.
|
Bejelentkezés
Hirdetés |




















