Fórum témák
» Több friss téma |
Fórum » Csöves erősítő készítése
Ne feledd betartani a fórum viselkedési szabályait, és a topik megmaradásának feltételeit. [link]
A téma átmenetileg fagyasztva lett, hozzászólni nem tudsz!
Még jó
Volt valaki a börzén, és vett jó kis lámpásokat? Sajnos nem tudtam ma eljutni.
Imi65 irta:
A 30 kg-os erősítő emelgetése jót tett, mi? Helyreugrasztotta a derekadat.... Valamiert erdekeklodni kezdtem az illeszto transzformatorok szamitasi menete irant. Tudtam, hogy van egy konyvem amelyben targyalja a levezeteseket. Elo is kotorasztam a pincebol nagy nehezen. Ezeket a trafokat nem ugy szanitjak mind a kimenoket hanem egy kicsi maskepp. Na a lenyeg az, hogy tobbek kozt targyal egy 10Kw-os B osztalyu csoves erosito kimeno trafojanak a levezeteset vagy 20-30 oldalon keresztul. A kis konyv (400 oldal) nagyon aprolekosan targyalja az audio transzformatorok matematikai levezeteseit. Visza terve , a 10kW -os erosito kimenojenek a keresztmetszete 62.5 cm^2 Raa 7000 ohm, Ua= 7000V stb. Egy ilyen erositot emelgetni..............
Az interneten találtam a mellékelt kapcsrajzot. Szerintetek működőképes? Az ECC81 1. anádja után következő kondit 250UUF-nek írták. Az mien érték? esetleg elírták és 250nF-ra gondoltak a tervezők?
pont fordítva volt. Hoztam haza a 3 erősítőt, 16 kg darabja,Valószínű hogy rosszul emeltem, mikor vettem ki a kocsiból. 3 napig nem tudtam felkelni, az első utam az erősítőkhöz vezetett. Persze az injekció után...
egy kérdés. az ecc 83 fűtése ugye 6,3 v kétszer. 4-5 és a 9 láb a felezés.a kérdésem, hogy a 6,3 voltot a 4-5 lábra kössem? A cső mind két oldalát használom.
a 4-5 lábat kösd összé és ez az egyik a 9 es pedig a másik pólus
Köszi!! megcsináltam azt az 1 ecc83-al működő előfokot, ami néhány hozzászólással előbb volt. 3 hangszín, és egy magaskimelés és hangerő.Holnap felélesztem.
Egyébként mi a véleményetek róla?
Ez egy - mondhatni - szokványos rajz, ami furcsa, hogy az 1. cső anódellenállásának van inaktív szakasza is, ill. a megadott csatoló érték. Vicces, hogy a végcsövekre 10n-val csatol, akkor 22n-nál ide sem kell több.
Nekem nagyon tetszik a kapcsolása. Énis tervezem a megépítését csak előbb megépítem a végfokomat
Hallottam megépített darabot belőle és a hangja elég meggyőző volt gitárral
Énsem tudok szabadulni a csövektől
(attól még hogy csendben vagyok, olvasom a fejleményeket ) Ittvannak mellettem a börzén szerzett kincsek is Előszedtem megint a PCL86 projektet, mert sturbi tett fel egy rajzot, ami megmozgatta a fantáziámat(jó négyszögjelátvitel és egyéb finomságok). Sajnos nemváltotta be a hozzáfűzött reményeket. Valószínűleg nem 25% nál van a primer megcsapolása, és az UL mód alaposan visszafogta az erősítőt. Visszalakítottam a "rendes" kapcsolást, és elhatároztam, hogy a kis PC hangfalaimat fogja hajtani Viszont a nvcs. nekem mindig elveszi ennek a kapcsolásnak az élénkségét. Hosszútávon ezekkel a hangszórókkal még nemtudom mit produkál majd vele és nélküle. Márcsak dobozolni kéne...
#311468 hosszászólás csatolt képe amiről szó van
Én PCL-ekkel még nem kínlódtam, mikor a VT-Gyár által készített Sztereó Pacsírtát "kezelésbe vettük". Egy jó adag csalódás volt, amit okozott (akárcsak Hapro ismerősének Pioneerja), sem hangerőben, sem frekvenciaátvitelben, sem dinamikában nem teljesített elvárhatóan. Ekkor részemről az E(P)CL82-86-os csővel való kísérletezést feleslegesnek nyilvánítottam. Az EL84-et viszont már érdemesnek találtam munkára fogni. Ezt a csövet jó sokféleképpen kipróbáltam, de a legjobb eredményt Djhans kapcsolásához igen közelálló egyszerű áramkör adta. Nem túl szoros visszacsatolással tetszett mindenkinek a legjobban, ezért a későbbiekben is minden esetben kipróbálom, hogy javít-e a hangképen.
Köszönöm a gyors választ, annak ellenére, hogy én csak ilyen késői órán jutottam ismét gép közelébe...
Most néztem épp a DY86 adatlapján, hogy csak 40mA áramot tud, pedig én mintha valahol 120at olvastam volna.Na mindegy, akkor marad a jó öreg PY88, aminél viszont a 30V fűtéssel van a bajom.
Elektroncso.hu-t nézted ?
Kiindulásnak jó. Hangfal ügyben az a tapasztalatom, hogy szerényebb árú és képességűvel is szépen szól. Nyilvánvaló, hogy a drágább hangfalak jobbak általában. De a legjobbak torzítása is 1 % fölött van. Szerintem jóval lényegesebb a két hangdoboz egyformasága a teljes tartományban. A minél lineárisabb amplitúdó és fázisátvitel. Én a mélytartományt 1 dobozra bízom, amit egy nemcsöves bika hajt meg. Okai : Dopplerhatás, Kimenőtrafók egyszerűbbek, kevesebb holt zóna keletkezik. Ez persze az én fixa ideám.
az EY86 az 80ma-t bír el! bár az is aránylag gyorsan felfűt,de kipróbálni ki lehet szerintem! mert ennek 6,3 volt a fűtése!bocsi ha hüleséget mondtam volna!
Igen, köszönöm az ötletet, valószínűleg ez lesz a megoldás, csak ilyen csövem épp nincs.
Eddig könnyű dolgom volt, mert egy régi TV-ből még kb egy éve kigyűjtöttem a csöveket, és abból lett picolo erősítőm, de most már ideje, hogy a pénztárcámért nyúljak.
Sziasztok: Volna egy kérdésem,valóban a pararelbe kötött csöveket ajánlatos párba válogatni?
Fiúk, ne beszéljetek zöldségeket. Nézzétek már meg jobban azt az adatlapot. A névleges anódáram 0,15mA. A maximális anódáram 40mA, de ez meg van csillagozva. Az ehhez tartozó írás kifejti, hogy ezt a periódusidő (64 mikrosec) 10%-áig, max. 10 mikrosecundumig viseli el. Ne higgyük el azt, hogy míg egy PY88-asnak 30V-on 300mA fűtés kell, addig hasonló áramokat tud emittálni 6,3V 90mA-es fűtéssel az EY86 katódja.
A dolog tanulsága, hogy az E(D)Y86 számunkra HASZNÁLHATATLAN cső. Sajnos. Idézet: „Én a mélytartományt 1 dobozra bízom, amit egy nemcsöves bika hajt meg.” Miért nem csöves? Érdekes tapasztalatot osztok meg Veled. Annak idején, mikor az EL84 SE vándorolt kézből-kézbe, az egyik fiú (Quad-405 tulajdonos) arra a megállapításra jutott, hogy a csöves - ugyan magabiztosan mindenhol - de főleg mély tartományban "páholja el a félvezetőst. Mindezt VT TV-hangkimenővel! Egy megfelelő méretű kimenővel (jó naggyal) egy GU50 PP, mondjuk 500V körüli táppal, nem hiszem, hogy csalódást okozna.
Én úgy kötnék párhuzamba csöveket, hogy mindegyiknek "legyen egy kis mozgási lehetősége". Ez azt jelentheti, hogy mindegyiket külön állíthatóvá kell tenni.
De - természetesen - jobb, ha össze vannak válogatva.
Felélesztettem az egycsöves előfokot. /ECC83/
Szuper tiszta csatorna, jó hangszinekkel. Ajánlom mindenkinek. Sajnálom hogy nem hallhatjátok. Alektroncső a barátom. Meg a rézdrót.
Fú ezt tényleg nagyon elnéztem...
Köszönöm a felvilágosítást, most már összeállt a kép.
bocsika! nem akartam hülyeséget mondani!
Addig semmi baj nincs, amíg valaki észreveszi a másikunk tévedéseit. Nagyobb gond lett volna, ha beépítitek, és nem működik sehogy.
Egy darabig főtt volna a fejem, hogy miért is nem szól a cucc.
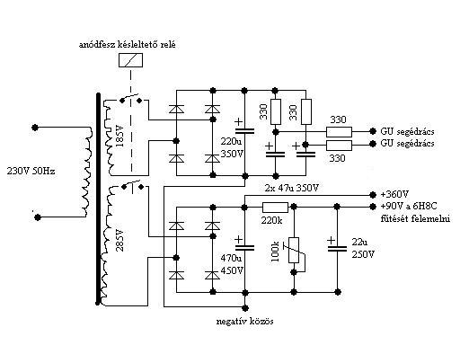
Kérésre itt a GU50 SE táp egy része. Közzé teszem, hogy más is tudja használni. Az anód és a segédrács valamint a 6H8C fűtését 90V-ra felemelő rész. Még lesz egy kapcsolás amiben az időzítő áramkör és a végcső előfeszét előállító rész lesz. Nálam úgy van megoldva, hogy ezek a fűtőtekercsekről táplálkoztak. Így a hálózati trafó nem tartalmaz sok szekunder tekercset. Amint tudom elkészítem a másik rajzot is.
Igérem egyszer majd a szub is csős lesz.
Valahol azt olvastam 100Hz alatt kevésbé hallhatóak a gikszerek. Viszont a nagy DF az fontos, hogy erős kézben tartsa a membránt. Meg a bika táp, hogy ne fulladozzon. Most először hallok ilyen megerősítést, hogy szubban is jobb a cső, köszi.
Szia IMI!
Az én 6P45SZ-es PP végfokom, 12,5, és 13 HZ-ig lement, és az alatt is teljesített volna, csak a színusz átalakult hegyes -dombos vidékké... Egy tranyósat biztos kenterbe verne! na és a 100w az 100w! Ja! És mi van, ha az EZ80-81-et aláfűtöm, akkor már lassabban húzná meg a relét, nem???
IMI
Láttam én már olyat is, hogy csövenként külön primer tekercs volt! Akkor nem feltétlenül muszály egyformának lenniük. Lehet azt a tekercselést egyszerre 3db vékonyabb dróttal is végezni. Bár azt jóval nagyobb teljesítményeknél ajánlatos. |
Bejelentkezés
Hirdetés |



Hallottam megépített darabot belőle és a hangja elég meggyőző volt gitárral
) Ittvannak mellettem a börzén szerzett kincsek is

