Fórum témák
» Több friss téma |
Fórum » Labortápegység készítése
Hát barátom, csatlakozom az előttem szólókhoz, ez egy kisebb tápnak elmegy ,de túl sokat ne várj tőle, pláne nem "labor" dolgokat, ettől szebben muzsikál egy 317+teljesítmény tranzisztor.
A kimeneti zajról meg jobb ha nem beszélünk, (szkóp ábra). Szerintem is undorító lehet. Egyébként mekkora trafót használsz hozzá és mekkora a terhelés, aminek a hatására leesett a fesz, mekkorát esett a fesz? Egyébként mutatok neked 0-50V ig kapcsit ami 4A-es , de +1 tranyóval fel lehet tolni 5A-re simán. Ezek lényeges dolgok.
Hát most nemtudom milyen teszteket végeztem, nem ma volt (csak most néztem hogy lehetne-e fejleszteni de ezekszerint ennél bármi jobb) de nem tetszettek az értékek azt tudom, mászkál a fesz,az áram. A trafó 30Vos és azthiszem 5A-t is kiadott magából de az már nem normál üzem, 4A-t játszva viszi (bontott készülékből van pontos VA-t nem tudok mondani de 3 kivezetése van egy 60V-os gyenge [0,5A] és kettő különböző feszültségű de megegyező áramú kivezetés na ezt kötöttem sorba és lett kb. 30V) Az a kapcsolás érdekelne elég a 4A is de nekem az a legfontsabb hogy lehessen az áramot állítani. Előre is köszönöm.
-ToXeN-
Ez tetszik köszönöm lehet megépítem végtranyóim ugyis pont vannak.
-ToXeN-
Üdv.!
Idézet: „nekem az nem tetszik a komolyabb tápokon hogyha átléped a beállított áramkorlátot lekapcsolja a kimenetet” Melyik labortápegység csinál ilyent? Én mondjuk speciel találkoztam már hasonló módon működő konstrukcióval, de a labortápok többsége nem ezt szokta művelni, hanem egyszerűen a beállított maximális áramértéknél többet nem enged ki magából. Tehát határol, nem pedig leold vagy ilyesmi.
Szerintem ő a visszahajló karakterisztikájú tápegységekre gondolt. Azokat meg biztos ismered.
ez a táp visszahajló karakterisztikájú!
amikor az áramkorlát bekapcsol akkor a feszültség esik.
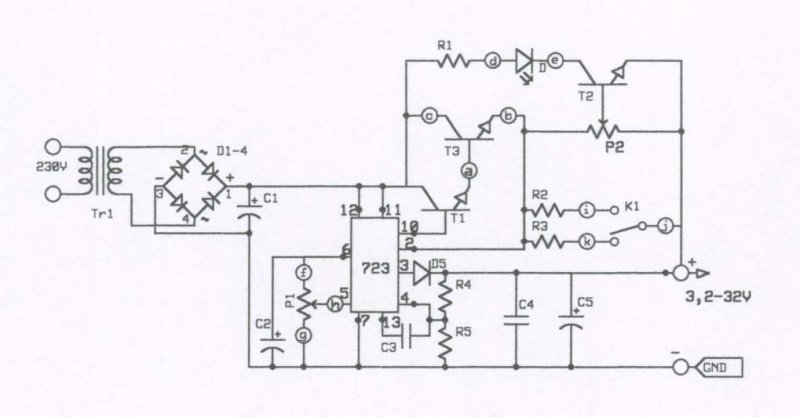
csak a kapcsolási rajzot nem raktam fel!
bocsi!Trafó 230/24V, K1 az áramkorlátot kapcsolja, jelen értékekkel 100mA-1A a max kimenő áram. más értékekkel más áramok is beállíthatók. bővebben itt: Bővebben: Link
[/quote]ez a táp visszahajló karakterisztikájú! amikor az áramkorlát bekapcsol akkor a feszültség esik.[/quote]
A visszahajló karakterisztika nem ezt jelenti. Gondold végig. Ha bekapcsol az áramkorlát, az azt jelenti, hogy a terhelés olyan kis ellenállású, hogy az adott feszültségen az áram túllépi a megengedettet. Ezért a tápegység saját maga védelmében "letörik", azaz egy sokkal kisebb áramra "állítja be magát", ezáltal a kimeneti feszültség is kis értékre áll be. Amikor a túlterhelést megszünteted (vagy inkább lekapcsolod róla), akkor a fesz visszaáll az eredeti értékre. Ezt elsősorban a disszipáció hatékony csökkentése érdekében alakították így ki, főleg a régebbi, Ge félveztető készlettel rendelkező tápegységek jellemzője. Ennek a "durvább" verziója, mikor a táp túláramra tiltásba kerül, azaz megszűnik a kimenő áram, és a Reset gombbal lehet újraindítani. Ezeket a módokat már kevéssé használják, mert nehézkesebb a használatuk. A 723-assal felépített kapcsolások az ún. derékszögű karakterisztikájú tápegységek csoportjába tartoznak. A beállított áram túllépése itt is feszültségcsökkenést okoz, mert a tápegység a terhelő ellenállásból hiányzó értéket a "megnövekedő belső ellenállásával pótolja", az ezen eső feszültség a kimenetről "hiányzik"
Azért az nem baj, ha ilyet is tud. A képen látható 0-30V-0-10A tápegység átkapcsolhatóan tiltásba megy, vagy átvált áramgenerátoros üzembe.
utána nézve igazad van!
mind emellett a tápom nagyon jó és áramgenerátorként is funkcionál amit néhány akku töltésnél használok, bár több odafigyelést igényel mint egy automata aksitöltő.
ez milyen táp lehet? várom a hozzászólásokat! arra rájöttem hogy a nyomógombokkal lehet a kimenő feszültséget állítani, de az angol nyelvtudásom csak minimális. aki ért hozzá és ha tud segíthetne.
de hülye vagyok! már rájöttem! a stabkocka talpellenállásait zárja rövidre egy léptetővel! így kijön a 15 lépés! bocsi a hülye kérdésért, csak fél perccel tovább kellett volna filóznom rajta:
Sziasztok,
Mar regi vagyam volt, hogy tapot csereljek vagy magam epitsek egy komolyabbat mert a magasfeszultsegu projektekkel allandoan kinlodas volt. Nemreg megadta magat a Kingshill tapom es elhataroztam, hogy epitek egy 1kW-nal nagyobb tapot az alabbi oldal aljan szereplo rajzbol elindulva. Elkepzelesem szerint termeszetesen a kimeno feszultseget es aramerosseget illetoen is masok lesznek a kovetelmenyek: 0-1kV (vagy tobb) 1A mellett es alacsonyabb feszultsegeknel termeszetesen magasabb. A lenyeg, hogy a leheto legjobban ki lehessen hasznalni a rendelkezesre allo teljesitmenyt. A kijelzes digitalis lesz grafikus LCD kijelzovel (ez egyedul is menni fog). A kerdesem pedig az volna, hogy hogyan modositsam a rajzon szereplo kapcsolast? Egyelore a tolto es kapcsolo aramkorokre koncentralnek, de kesobb a transzformator(ok) tekercseleshez is a segitsegeteket kernem majd. 1. Mekkora kondenzatort valasszak a tolto aramkorhoz? 2. Kapcsolo MOSFET-nek van negy parhuzamosithato IRFP460-om ill. negy HGTG18N120BND-em. Ezek kozul melyik lenne az esszerubb megoldas? 3. A TR2-t 50V-os csapolasokkal szeretnem megoldani. Ide hasznalhatok majd mikrofem toroidot ha majd odaertem az epiessel? Ez most nem surgos, de van egy 52x32x15-es gyurum, ezt megfelel? (mert ha nem akkor rendelnem kell amire addig varhatok mig a tobbit epitem)Egyelore ennyi volna, a tobbit majd kesobb. Koszonom elore is a segitseget. Rigidus
van egy 41,7V-os és 1A -es nyomdatápom.
valahogy lehetne ebből készíteni egy labortápot melynek van panelmérője?? Előre is köszönöm a segítséget
Az a kapcsolás több okból is korlátozott teljesítményű (nem csak a felhasznált fetek miatt), 1kW-hoz eléggé át kellene alakítani.
Ekkora teljesítményre az IR21531-re épűlő változat célszerűbb lenne. A trafót nem lesz egyszerű megcsinálni, mert 1kV környékén már a tekercselés kapacitásai is sokat számítanak. A megcsapolások még tovább nehezítik a dolgot. Lehet, hogy több trafót kellene készíteni, ezeken külön-külön egyenirányítani párféle feszültséget, amelyeket később tetszés szerinti kombinációban lehetne sorbakötni. Így többek között kevesebb megcsapolással megoldható lenne. Pl. 2x50V , és 2x100V az egyik trafón és 2x400V a másikon.
Én tegnap építettem meg EZT a kapcsolást. Nagyon szuper kis tápegység, sokkal jobb mint a szokásos, analóg társai, ahol potival kell tekergetni a kimenő feszültséget és áramkorlátot. Ennél a változatnál mindez digitálisan történik, nyomógombokkal lehet a feszt/áramkorlátot beállítani. Ráadásul egy 2X16-os LCD-n egyszerre látható a valós kimeneti feszültség/áramerősség és a beállított kimenő fesz/áramkorlát értéke. Szerintem nagyon praktikus megoldás.
Kicsit félve kezdtem neki, mert ez volt az első AVRes áramköröm, de első bekapcsolásra működött.
És ha jól látom még pc-vel is lehet vezérelni? Képet, képet!!
Nah, a kedvedért elővettem a fényképezőgépet, és csináltam róla gyorsan pár képet. Az első képen van maga az áramkör. Mivel -mint azt említettem- ez volt az első AVRes áramköröm, így nagyon nem bíztam a sikerben, és csak ilyen előre kifúrt nyákon dobtam össze a kapcsolást (most gondolkodom rajta, hogy megcsináljam-e újra rendes nyákon, a nyákterv már készen van... csak elszántság kéne). A második képen a kijelző, és a kezelő nyomógombok vannak. Az LCD felső sorában bal oldalt a kimeneten mérhető feszültség látható, mellette pedig a gombokkal beállított érték. Legszélén, jobbra pedig a nyilacska azt jelzi, hogy fesz.generátoros üzemben van a táp. Az alsó sorban balra a kimenő áram (nem kötöttem rá semmit => a képen 0,00 A), és a beállított áramkorlát olvasható. Ha a fogyasztó több áramot kívánna, mint a beállított max. akkor a táp átvált áramgenerátoros üzemmódba => a nyilacska is átkerül az alsó sorba, jelezvén a módosult felállást.
Az utolsó képen pedig a nyák egy része látható a forrasztási oldalon (A kimeneti áramfigyelő ellenállások kivételével mindegyik ellenállás SMD). A dobozolás még hátravan, ha minden jól megy akkor az is elkészül a napokban. Jah, és említetted a PC oldali szabályozást... nem próbáltam, mert nem áll szándékomban PCről vezérelni. De gondolom működne szépen az is...
Nagyon jó lett a cucc, egy észrevételt engedj meg, írtad ,hogy megcsinálod rendes nyákra, csak annyit kérdeznék, hogy minek? Gondolj bele, rendesen működik? Igen! Kontakt hibás? Nem! Csúnya? Nem! Célnak megfelel? Naná!! Ha meg be lesz dobozolva akkor meg aztán pláne nem szenvednék vele, szerintem ez az a táp, amit egyszer bedobozolsz és többé sosem veszed le a tetejét
, tényleg nem akarok bele szólni, de én biztos nem nyúlnék hozzá, ha már egyszer működik, akkor így ahogy van benyomnám egy dobozba és hadd menjen.De jó lett nagyon, GRATI!!!
Könnyen lehet, hogy igazad van
Sőt... az írásod nekem arra bőven elég volt, hogy meggyőzzön arról, hogy én tényleg lusta vagyok nekiállni nyákot készíteni, és újraforrasztani mindent.Úgyhogy a táp marad a mostani formájában, a dobozolás pedig már tervben van ![]() Üdv
Én csak magamból indultam ki, de örülök ,hogy ezzel nem vagyok egyedül
.Kíváncsian várom a képeket, biztos szuper lesz, remélem majd azt is megosztod!
Gratulálok jó kis cuccot hoztál össze. Én se csinálnák új design panelt , ha a másik jól müködik. Megkivántam a tápot ,csinálok egyet magamnak - úgyis elkél mégegy táp a régi mellé.Ehhez meg is van otthon minden. Van egy kérésem : linkeld be légyszives a beégetendő programot. ( ugyanis ez lessz az egyedüli buktatóm, a beégetés )
Látom senki sem szenvedne új nyákkal
Akkor marad a mostani, de tényleg.Megépítésnél arra figyelj, hogy a kimeneti áramfigyelő ellenállásokat lehetőleg úgy állítsd össze, mint ahogyan a rajzon van. Én annyiban tértem el tőle, hogy 2 db 5W-os/1 ohmos ellenállást köttem párhuzamosan, és így ugye 0,50 ohm lett az eredőm, a rajzon szereplő 0,55 ohm helyett. Ez annyiban érezhető, hogy egy kicsit alámér az árammérő (nem vészes, de ettől függetlenül én is cserélni fogom, mert egy ilyen jó kis táp azért legyen pontos). A rajzot, és az AVR-be égetendő programot mellékeltem, ezek alapján már megépíthető. Sok sikert! Esetleg ha megvagy vele, akkor szívesen látnék róla képeket.
Köszönöm . A rajzot már ki is nyomtattam, de ha kérhetnék még egy olyan fotót ,ami a panelod egész alját mutatná.. az alkatrészek elhelyezése miatt. Légyszi. köszi :pittyu( és még utólag eszembejutott kell e 1% ollenállás vagy jó a mezei bolti SMD )
Szia Webinas!
Lapozz vissza a fórumban, keresd meg a hozászólásaimat! Én is megépítettem azt a tápot, és a többiek készséges segítségével teljesen körüljártuk, hogy a kimeneti oldali feszültségek milyen gondokat okozhatnak és miként kell ellene védekezni. A tanúlság: a kimeneti tranzisztor emitter és kollektorát át "vissza irányban" át kell hidalni egy diódával. Így ha feszt kacsolsz a kimenetre, akkor az feltölti a tápegységed pufferkondiját, és mindjárt olyan a helyzet, minta a táp be lenne kapcsolva. A kimeneti soros diódát nem ajánlom, a kimeneti áramtól függ a rajta eső feszültség, úgy nem lehet beállítani a töltőfeszt. (Hogy mi lehet a hiba, a fent hivatkozott fejtegetésekből kiderülhet, sajnos az IC bemenetek is sérülhettek.)
Én is nekifogok a tápnak mivel nagyon megtetszett.
Volna pár kérdésem: milyen transzformátor kell ehhez a táphoz?? az ic-t milyen progival lehet égetni és a BD245B-s tranzisztort lehet más tranzisztorral helyettesíteni?? a válaszokat előre is köszönöm
Szerintem a 245-helyett használhatsz BD249-et, 2N3055-öt, TIP 2955-öt. Stb...
Trafó : 18V 2,5A ez a 22V-os verzióhoz, vagy 24V 2A- ez a 30V-os verzióhoz való. Progit sajnos nem tudom, pic-es vagyok AVR-hez nem értek |
Bejelentkezés
Hirdetés |







bocsi!




, tényleg nem akarok bele szólni, de én biztos nem nyúlnék hozzá, ha már egyszer működik, akkor így ahogy van benyomnám egy dobozba és hadd menjen.





