Fórum témák
» Több friss téma |
Fórum » Wand Clock
Szia Yello!
Tartozom még némi magyarázattal a bázis áramkörrel kapcsolatban. A Propeller Clock topikban, vagy Vicsys ezzel kapcsolatos cikkében megtalálod a BAZIS á.k. kapcsolási rajzát. Itt is egy PIC16F628... -al van felépítve az áramkör, és ugyanaz a távírányító vezérli mint a "propellert". Sokban eltér az itteni alkalmazása, mert csak egy funcióra van szükségünk egyelőre, aA H-hid be/ki kapcsolása az LM2941-en kereasztül, és már él is az óra. Nézd át, és ha van kérdés, tedd fel. Szia.
Sziasztok!
Mértem az áramfelvételt üzemit, és készenlétit. Az üzemi 330mA max., a készenléti 30mA. Ezek az adatok 12V/1A (stabil) dugasztápról lettek bemérve. Sziasztok.
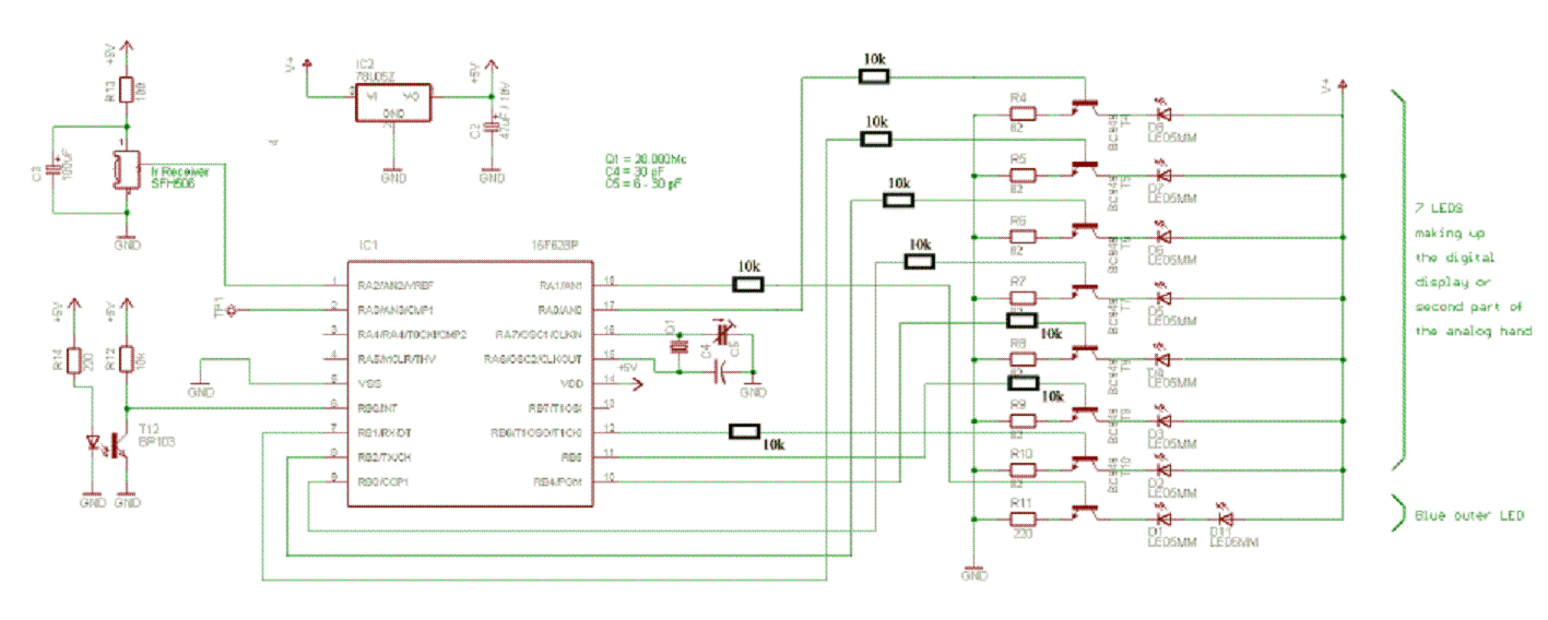
Azt értem hogy a bázis á.k még vezérli a propeller-nek az áram ellátását és te csak a ventilátor motorhoz tartozó áramkört hagytad meg és azzal vezérled a h-hidat, még az lenne a kérdésem hogy itt a topiban lévő kijelző kapcsoláson az van írva hogy a 9. lábat fel kell cserélni a 13. lábra hogy ez tényleg igy van vagy csak egy próbálkozás??
Üdv!
Szia Yello!
Ha kicsit vissza olvasol, akkor találsz egy javított kapcsolási rajzot, ahol a 9.-ik láb már fel van cserélve a jelzett 13. lábbal. Éppen ezt a 13. kivezetést itt nem használjuk. Ez lenne az analóg óra mutatója a 3x3 LED-ekből felépitve. Igen, a motormeghajtó áramkör itt, a H-hidat kapcsolja be vagy ki. Ha ki van kapcsolva a multis H-hid, akkor a LED-vezérlés is leáll, és készenlétire kapcsol az áramkör. Lehetne még a bázis á.k.-ból pl.: az infra LED helyéröl is vezérlést eszközölni, és ha szükség lesz rá, azt meg is tesszük. Szia.
Szia Yello!
Ide is felteszem a javított bekötési rajzot. Szia.
A programot pedig lehet használni az eredeti propeller klock programját lehet használni??
Szia Yello!
- Az eredeti Propeler Clock programja és a bázis program is 1 az 1-ben használható! A LED-ek bekötése fentröl lefelé. (A 7 szegmens), a PIC lábairól: 12,11,10,9,8,7,17. A 18. lábról a "keret" LED-je köthetők be: Legfelül az egyik, és legalul a másik, tisztes távolságra a kijelző LED-jeitől. Azt hiszem elég egyértelmű lett a LED-ek bekötése. Szia.
Szia Yello!
Ha még nem kötöted be a LED-es kijelződ, akkor ajánlanám a következő módon való bekötéseket. - A PIC kimenetek 10 K Ohm-on vannak a tranyók bázisára kötve. - A pozitiv tápfesz minden tranyó kollektorára szintén rákötve. - Az emitterek egy-egy 100 Ohm-on sorban a megfelelő LED-del, a GND-re kötve. Ha igy jársz el, akkor nem lesz semilyen áramköri gond a későbbiekben. Szia.
Hello!
Köszi a segítséget, egyenlőre csak infókat érveket gyűjtök hogy megy győzzem az elektrotech tanáromat, és szerintem csak karácsony után kezdem el megépíteni az egészet addig is figyelek és konzultálok hogy építés alatt ne legyen vagyis nem szeretnék semmi galibát! Ez alapján építem!
Szia Yello!
Nos, a rajzodon még ott a hiba. A 13. láb az bizony felcserélendő a 9. lábbal, és akkor máris hibátlan lesz. Szia.
Hello!
Akkor elvileg így??
Szia Yello!
Igen, pontosan így. Te Yello! Ha már ennyire benne vagy a rajzolgatásban, ott az infra vevőnél is kijavíthatnád, (PIC 6. láb), a LED-helyett egy résoptikára. Annyi a változás még ott, hogy a résoptó adója egy 220 Ohm-on kap +5V-ot. Aztán ha volna kedved, a bázis á.k.-nak is ezt a "hasznos" alkalmazását szintén lerajzolhatnád, legalább egyben meg lennének az alapok itt a topikban. Ezt előre is köszönöm, szia.
Hello!
Megkértél megcsináltam hiszen az én érdekem is mert én is meg akarom építeni. Az esetleges hibákról szóljatok és kijavítom! Benne van a kijelző áramköre és a meghajtásé távirányítóval vezérelve a ki-be kapcsolást! Üdv!
Szia Yello!
Nagyon köszönöm a kitünő rajzokat, ez mindannyiunk számára igen fontos dokumentum lesz. (A base) rajzban az Index LED-et majd még kitörölheted, de itt mindannyian tudjuk, azt itt nem használjuk. Mégegyszer kösz(önjük), már egyre pontosabbak lesznek a megépítéshez szükséges ismeretek. Szia.
Szia Yello!
A "bazis á.k. rajzban, a H-hid tápfeszültségét is forditsd meg, mert a (+), az a BD140-ek emitterére megy. A tekercsek kimenetére, vagyis azzal párhuzamosan, én most 2 db. Zener diódát, (18V/1W), raktam szemben fordítva egymással. Igy az indukciós feszültség nem okoz problémát az áramkörben. Szia.
Szia Janibaa!
Látom alaposan átnézted a rajzokat, amit megköszönök Neked is. Szia.
Sziasztok!
Megint felmerült egy probléma a Wand Clock továbbfejlesztésének frekvencianövelése közben, amely a berezgés formájában nyilvánul meg. Bizonyára észrevettétek, hogy az újabb felesztésű kisérleti eszközeim már jóval szelidebb, de ugyanakkor sokkal nehezebb anyagokból épültek, főleg a vázak terén. A 24 Hz-es távis órám már 160mm*160mm*15mm-es rétegelt falemezből, felül lekerekitve, alul az egyik sarkára állítva lettek egy 220mm*160mm*15mm-es szintén rétegelt alaphoz rögzitve. Igy kellőképp lecsillapodtak a keletkező rezgések. De ha ezt a frekit 30-60Hz-es tartományra felelmelem, akkor nincs az a tömeg, amely a berezgést el tudná nyelni. Persze, ha ráteszek 3-4db. "féltéglát", akkor kellőképp lenyomódik az asztalhoz, és megnő az amplitudója is normálisra. Ekker viszont, saját zaja lesz, búg! Nos egyelőre itt tartok, és várok mindenféle jó tanácsot akit a dolog érdekel. Itt egy kis AVI a szemléltetéshez. Sziasztok.
Sziasztok!
Már be tudok rezgetni egész "vastag" rugólemezeket is, igy nemigen lenne akadály a nagyobb freki elérése. Azt már megpróbáltam, hogy egy 1 mikro-s kondit a tekercsekkel párhuzamosan kötöttem, de nem változott, csak jóval hamarabb lecsillapodott a rezgés ha nem volt "lenyomva" az asztalhoz. Erröl még egy szemléletesebb berezgés, már 54Hz-en! Sziasztok.
Szia. Mostanában nemtudtam foglalkozni az órával, de én is erős szoritókkal fogtam le az asztalhoz.Ha valamikor sikerül készre csinálni jó nehéz alaplap kellesz.
Szia Pittyu!
- Csak nem azt akarod mondani, hogy csaknem asztal méretű alap kell ilyen nagy frekihez? Nem fogom a szekrény tetejéhez csavarozni, inkább maradjon igy 22-25Hz-es rezgéssel, hiszen ez is elegendő végül. - Raktam alá néhány fajta puha anyagot, de még jobban kezdett táncolni, és lerezegni az asztalról. - Az is nagyon számít, ha nagyobb az amplitudója, mert még jobban berezeg, és saját magát csillapitja a rángatással. Nem szereltem fel kijelzőt a kisérletekhez! Sziasztok.
Sziasztok!
100Hz-en a 12mm*0.5mm-es (dúrva) rugólemez már csak 7mm hosszú! A kitérést is csak 15-20 fokra tudtam növelni, 300mA!. Az az érdekessége, hogy itt egyre kisebb a berezgés mértéke. Kellene kisérletezni a nagyobb frekvenciák felé, talán itt van a megoldása a problémának. A kövezkező az elképzelés: gyenge de széles, (0,25mm vastag felül-15mm, alul-30mm), rugólemez legalább 45-50mm szabad hosszal. Itt viszonylag nagy, legalább néhányszáz Hz-en keresni olyan felharharmonikust, vagy kényszerrezgéssel gyötörni, ahol hajlandó a rezgés elindulni, majd ezen a frekin javítgatni. Ezen dolgozhatunk, és ha volna eredmény, akkor továbblépümk. Sziasztok.
Szerintem huszon valahány Hz elég lessz, nem biztos hogy érdemes feljebb tornászni.Van egy ésszerűségi határ, ami felett már csak nagy befektetés.
Szia Pittyu!
Ebben maximálisan igazad van! Elég lehet a 22-25 Hz-es frekvencia, amely már komolyabb nehézség nélkül utánépíthető mechanika. Egyébként, minden utánépítési siker a mechanikán fog eldölni, hogy azt jól sikerül-e felépíteni a tapasztalatok szerint. Mindenképpen a jó, massziv felépítésben lehet megbízni. A kisérleteket azért folytatom, mert úgy gondolom az óra akkor lesz tökéletes, ha az épitése során nem merülnek majd fel hátrányos, kiszámíthatatlan problémák. Ettöl függetlenül a legutóbb elkészült verziót mindenkinek tudnám ajánlani megépítésre. (Az unokabátyómnak ez jobbra sikerült mint az enyém, gratula neki is!) Szia.
Most azon gondolkodom, az a problémám , hogy stabil tápról üzemelve beállitom a rezgést -egy ideig járatom - kikapcsolás után egy óra múlva vagy másnap bekapcsolva nem indul el. Elindul csak nem rezeg rendesen és után kell állitani picit. Tehát valami hőfok függés lehet. Csak kellene valami visszacsatolás, ami optimalizálná a rezgést.Talán holnap mejönnek az új ledjeim és lessz egy kis időm foglalkozni vele.
Szia Pittyu!
A rezgés beállítása a multival egy kicsit macerás, mert nem kellene teljesen "szélre" állítani amikor a legnagyobb az amplitudó, vagyis a rezononcián "sávközép" beállításon hagyni a trimmerekkel. Majd az áramokkal ezután az amplitudót is normalizálni. Ezt követően szobahőmérsékleten minden esetben elindul a rezgés. Egy kicsit bonyolult lett a magyarázatom, de a lényeg, nem kell a trimmerekkel a rezononcia "szélére" állni hanem a "közepére"! Minden esetre, nem ártana némi visszacsatolás a tekercsek felől a multivibrátor egyik oldali ágára. Szia.
Szia Pittyu!
Lehet hogy van egy egyszerű szinkronizálási lehetőség: a H-hid egyik kimenei pontja, és az egyik multivib. tranyó bázisa közé, egy 33K-100K Ohm-os ellenállást, vagy trimmert ha beíktatol. (Ha igy nem jó, akkor a H-hid másik kimenei pontja lesz). Ehez "hangolod" a rezononciát, és talán meg is van a stabil rezgés. Próbáld ki! Szia.
Szia Pittyu!
Van egy kicsivel jobb megoldása is a visszacsatolásnak, amely jóval nagyobb stabilitást eredményezhet: ha az egyik 220K Ohm-os trimmert nem a plusz tápra kötöd, hanem egyből a H-hid egyik kimenetén van. Ekkor ehez hangolod be, és kész. Próbáld ki, most nálam ezzel a kis átalakitással megy egyelőre. Lehet hogy egy diódát is be kellene kötni sorba, hogy csak az egyik írányú fesz. legyen a vezérlésben? Még kisérletezem vele. Szia.
Sziasztok!
Volna itt egy valamennyire már kipróbált visszacstolással működő H-hid vezérlés, ahol a csatoló feszültséget az egyik hídmegható tranzisztor kollektoráról vesszük le. Ez annyival stabilabb lett, hogy végre, minden esetben elindult a bekapcsolásokra. Az volt a lényeg, hogy legyen feszültség is bekapcsolásnál, ami azonnal be is avatkozik az áramkör működésébe. Sajnos, a H-hid kimenete bekapcsoláskor nem tudja a megfelelő feszültséget produkálni még, ezért gondoltam a vezérő kimenetéröl megoldani a szinkronizálást. Még itt is lehetnek gondok a működés során. Egyelőre jól működik.Csatolom az áramkör módosított változatát. Próbáljátok ki! Sziasztok.
Sziasztok!
Nem igazán jó a visszacsatolással kapcsolatos elképzelésem, (most reggel már ez a kisérletem sem indult be), mert nem tudja az áramkör, hogy rezgésben van-e a kar. Ezért most azon dolgozok, hogy egy olyan egyszerű áramköri kapcsolással oldjam meg a rezgést, ahol mindenképpen ez lesz a meghatározó. Ha elindult, akkor jelenkezek ismét. Sziasztok. |
Bejelentkezés
Hirdetés |















