Fórum témák
» Több friss téma |
Több, mint 1 éves hozzászólásra reagáltál
Úgy látom kicsit lemaradtál..
Nyalábokat beam splitter kockával lehet egyesíteni. 200mA áramot lehet adni a 16x-os diódának. Idézet: „Az már több mint 300mW. Ez nem tévedés ?” De igen, tévedsz azzal kapcsolatban, hogy mit szokás teljesítmények nevezni egy lézerdiódánál. Te az összteljesítményt számolod, a dióda szempontjából viszont ez két részle oszlik, az átalakuló optikai teljesítményre, ami 33%, és a disszipációra, ami a maradék teljesítmény. Kék lézer 5mW mire képes? Hát mondjuk egy szürkehályogra. Ezekkel nem fogsz vágni, feliratozni is csak fekete tárgyakra max.
Akkor a pointernél az 5mW az már a fényteljesítmény ?
És amit a conradnál osztanak 40mW-os vörös diódát (aranyáron) azt meg kell táplálni uszkve 200mW-al ?
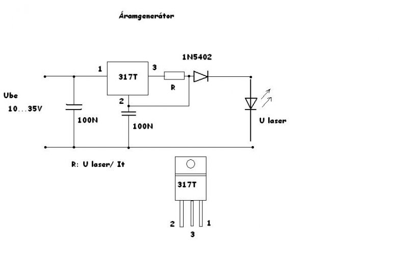
Egy jó tanács: ezt az áramkört ne használd lézer hajtásra, inkább normális áramgenerátort.
Normál esetben optikai teljesítményt mondanak. Pointereknél meg mindenfélét, amit csak ki tudnak találni, hogy átverjék az embereket. Conradtól ne vegyél lézert, mert irreálisan magas áron árulják, ahogy pl. a roithnernél is.
40mW optikaihoz 121mW összteljesítmény tartozik kb.
Miért ne lehetne használni? Ilyen dvd író lézerekhez jó.
Szia!
Rossz a képleted! Az áram I=1.25V/R
Igaz, köszönöm a korrigálást.
Eredetileg ceruzaaksi töltőként ajánlották, ezért gondoltam, hogy 1,25 V annak a fesze, amit a kimenetre kötnek. Utánanéztem és egy másik lapban 3V-os LED meghajtásnál is ugyanez a képlet.
Egy splitter kockával 2 sugarat lehet egyesíteni ?
Minden további + sugárhoz kell még egy kocka ? 60-70 dollár körül láttam ilyet. És mégis mekkora optikai teljesítmény kell egy 1mm-es vaslemez vágáshoz ? Érdemes ebbe az irányba haladnom, vagy inkább gázlézer ? Yag-ot nem említem, mert milliós tétel. Néhány százezernél többet nem akarok rá költeni, a lényeg, hogy legyen egy kisipari masinám, amivel lehet feliratozni és vékonyabb anyagokat vágni.
Tudja valaki, hogy lézer printerekben milyen paraméterű lézerdióda van ?
Olvass visszább leírják. De szerintem nem érdemes vele kínlódani. A teljesítménye kicsi ahhoz hogy égess vele.
Dehát ez egy sima egyszerű mezei áramgenerátor!
Sziasztok!
Én is kibeleztem egy LG DVD írót is kiszedtem belőle pár dolgot többek közt a lézer diódát is! csináltam egy 7805ös stabil tápot ami látszik a képen is. Bent a helyén ahol volt a lézer a külső burkolat és még egy láb össze volt forrasztva gyárilag is kiszedtem a diódát és ebben a felállásba raktam rá a tápot! Világít is a dióda csak épp pislákol semmi lézernyaláb semmi és melegszik mértem az áram felvételét közbe a műszer 2000uA es tartományba volt állítva itt írta ki hogy 56 uA Mit kellene ezzel a táppal csinálni hogy megjöjjön a fénye a diódának. és jó messze világítson és meglegyen a jó kis lézer csík ![]() a másik ez DVD író volt és csak egy lézert találtam benne. Jah és hogy házi alkatrész készletből meg lehessen csinálni Előre is köszi PeTi
Lehet, én tudok rosszul valamit.
A splitter az szétosztó, a coupler az egyesítő. Avagy splitterrel is lehet egyesíteni ?
YAG nem milliós tétel, lehet, hogy néhány százezerből kijön. De erre a célra házilag én dióda, vagy gázlézert javaslok, gázlézer tulajdonképp örökéletű, viszont sokkal roszabb a hatásfoka, mint a diódalézernek. Ebayon vannak szép nagy diódák, de csak újat érdemes venni. Esetleg tudok egy ismerőst, aki épített már 20W-os diódával és optikával hasonló célra cnc vágót. Ha érdekel elküldöm az msn címét privátba.
Idézet: „csináltam egy 7805ös stabil tápot ami látszik a képen is.” Hol a kép??? Idézet: „Világít is a dióda csak épp pislákol semmi lézernyaláb semmi és melegszik mértem az áram felvételét közbe a műszer 2000uA es tartományba volt állítva itt írta ki hogy 56 uA” 56uA-el még csak nem is pislákol. Nem tévedsz véletlenül néhány nagyságrendet? Idézet: „Mit kellene ezzel a táppal csinálni hogy megjöjjön a fénye a diódának. és jó messze világítson és meglegyen a jó kis lézer csík” Mondjuk a tápra egy áramgenerátort rakni? De lehet, már halott a diódád. Idézet: „a másik ez DVD író volt és csak egy lézert találtam benne.” DVD íróban 2 dióda van, ha neked az infrát sikerült kiszedned az mindíg 'csak' pislákolni fog, mert nem látod rendesen azt a hullámhosszt. Gondolom nem néztél bele közvetlen a diódába, csak azért, mert alig világít. Idézet: „Jah és hogy házi alkatrész készletből meg lehessen csinálni” Ha a te házi alkatrészkészletedben találhatóak lencsék, diódaházak, akkor megoldhatod házilag.
Sziasztok!
Tényelg elfelejtettem a képet! Nem néztem bele a lézerbe mert tudom hogy veszélyes. meg a topikot is végolvastam már! Mellékelem a képet a lézerről meg a tápról ami tényelg elmaradt (bocsánat) Köszi
Szia!
A képből az látszik, hogy te egy feszültségszabályzót építettél. Aminek a feszültségét, ha ráengedted a diódára, az elpusztult (5volt). Készíts egy áramgenerátort! Ha nem akarsz sokat bajlódni, és rövid időn belül akarsz (látható ) eredményt elérni, akkor a szupepe által tervezett áramkör mellett teszed le a voksot. Jól bevált, alkatrészei beszerezhetőek, rugásra indul!Sok sikert! :yes:
Áramgenerátorral hajtsd meg. Ehhez elég két alkatrész: LM317 és egy egész ellenállás.
Érdekes lehetett úgy végigolvasni a topikot, hogy egyetlen alkalommal sem láttad, hogy le van írva az, hogy áramgenerátor nélkül nem szabad hajtani. :no:
de láttam csak gondoltam megoldható valahogy máshogy is!
![]() Amúgy ez szerintetek az ifra lézer vagy a rendes lézer?
Ezt a kép alapján megmondani nem lehet. Jó támpontot ad a mobiltelefon kamerája.
De az áramfelvétel alapján, én egy döglött diódára szavazok!
Annyit tudok hogy ezzel a táppal hajtottam nem hosszú ideig max 10másodpercig.
Ezt a stab IC-t 12Volt 300mA as trafóról hajtottam. ezzel pirosan világított de csak haloványan. próbáltam két ceruza elemről arról kicsit erősebben világított. Amúgy az infra lézer nem világít nem? Van egy lézeres egerem és az sem világítez Akkor mi lehet ez?
Az infra lézerdióda (780nm-es hullámhossz-kb) is ad ki fényt, csak jóval kevesebbet, mint infrában. Ha ezt a fényt megnézed mobil kamerával elég erős infrasugárzást kell látnod. Ez a pici parázsló fény általában azt jelenti, hogy ez az infra dióda. Ennek megközelítőleg 50-100 mA szokott az áramfelvétele lenni. Azon meg csodálkozom, hogy csak egy diódát találtál!
Idézet: „Azon meg csodálkozom, hogy csak egy diódát találtál!” Hacsak nem cd írót bontott ZPKing.
Nem!
LD DVD írót! Az a baj hogy ösök takarítottak és eltünt a maradék amit félreraktam az íróból szóval sajnos nem tudom már megnézni!sajnos |
Bejelentkezés
Hirdetés |












