Fórum témák
» Több friss téma |
Fórum » Erősítőhöz való hangsugárzó védelem (koppanásgátló)
Témaindító: Thom, idő: Márc 14, 2006
Témakörök:
Szia!
Köszönöm, így már minden világos. Üdv.:Zoli
Sziasztok!
Megépítettem az alábbi védőáramkört. Működik is rendesen, de szeretnék egy LED-et beépíteni, ami akkor világít, ha a védelem aktív, tehát ha a relé elenged. 10mA áram folyna a LED-en, a tápfesz. 54V. Gondolom egy tranzisztor kapcsolná a LED-et, de hova kellene kötni a bázisát? Loudspeaker Protection and Muting
Egy elemi kérdésem lenne.
Van egy végfok amihez építeném dbase féle hangfalvédő áramkört. Bővebben: Link Ez a végfok amihez lesz: Bővebben: Link A trafómon van a végfok számára szükséges egyenlőre még csak 77 volt, de feltornázom hamarosan az előírt 82-re. Ez mellett van még jelenleg 10V AC de ezt is feljebb tornázom kb 15-re. Arra gondoltam, hogy erről a 15V AC-ről járatnám a hangfalvédelmet, DE a védelemnek és a végfoknak közös test pontja kéne legyen. Eddig csak szimmetrikus tápos végfokokhoz használtam, ott meg a trafó két szekunderét egy-egy diódával egyenirányítottam, a két szekunder közös pontja (test) lett a védelem testje is egyben. Majd tovább folytatva a két dióda után egy 7812 előtte puffer és tovább a védő áramkör. Most is 7812-t használnék, viszont mivel egy galvanikusan elválasztott tápról fogom üzemeltetni a védelmet, hogy kössem be? Magyarán van két-két AC csatlakozás, lesz egy test pont ami már csak a végfokpanelen lesz testpont. Egész egyszerűen a védelem testjét kössem össze a végfok testjével egy darab vezetékkel és az egy-egy külön AC-ről meg símán állítsam elő a tápokat az egységeknek? Ha kicsit zavaros voltam, akkor a lényege ennek, hogy ha a védelemnek egy graetzen keresztül állítom elő a tápot, akkor a greatz negatív pontja jelen esetben a testje is nem lesz azonos potenciálon a végfok testjével, és ebből szerintem nagy problémák is adódhatnak például ez-az elfüstöl, begerjed, stb...
Ha a védelem tekercse nincs hozzá kötve a végfok bármeik tekercséhez nem lesz semmi gond. Nyugodtan össze kehet kötni bármit az egyenáramú részen.
Akkójóvan, így lesz. Köszi mindkettőtöknek.
A tekercs alatt gondolom a trafó szekundereit értetted...
Üdv
Én ezt építettem meg már párszor, és ez frankón működik! Van benne Power, Protect, és Clip led is! Lehet hogy mutatták már párszor, de nem baj ebben van nyákterv és beültetési rajz is. Max +-40V-os tápfeszről megy, az alsó határt nem tudom. Sok sikert az utánépítéshez
Hello!
Gondolom a 2. ábrát építetted meg. - Akkor a Q3 kollektorába, de egy 100kohm-10kohm-os osztón keresztül. (10kohm a bázis-emitter közé) - A tranyó emitterét a +Ve tápfeszre - A tranó kollektorába, egy 5,1kohm-os ellenálláon keresztül a Led-et a GND-re. - A tranyó pnp, tehát pld BC640 v. BC212 üdv! proli007
Köszönöm Proli007!
De van egy kis probléma vele. A két relé az előtét-ellenállással 2500ohm. Bekapcsoláskor a LED tranzisztorának BE közötti 10kohm-os ellenálláson áram folyik, és meghúzza a reléket. Kikapcsoláskor amíg a pufferekben van feszültség a relék bekapcsolva maradnak.Hogy lehetne megoldani ezt a problémát?
Hello!
Ha egyszerűen akartam volna válaszolni, akkor azt mondtam volna, építs másik kapcsolást. Vagy nem értek valamit, vagy Te értettél félre valamit. Ezért megrajzoltam. Ha a védelmet nem a főtápról járatod, hanem külön egyenirányítóval külön kisebb puffer kondiról, akkor kikapcsoláskor hamarabb engednek majd el a relék, mint a végfok összeomlása. (mert erre a kapcsolás nincs kiképezve) üdv! proli007
Hello!
Nagyon örülünk, de ha kicsit vissza olvastál volna, láthatnád, hogy szinte az egész topik erről szól.. üdv! proli007
Szia proli007!
Én értettem félre, a 100k ellenállást a földre kötöttem, nem a kollektorra. Mégegyszer köszönöm!
üdv.
érdekelne engem is a téma, viszont nem tranyós kapcsolással, hanem IC-ssel. létezik ilyen? köszi
Sziasztok!
Engem nagyon érdekelne az az IC-s védelem. Tudnátok közölni egy rendes kapcsolási rajzot? Feltettem a uPC1237- adatlapját. Ebbe is van egy ajánlás, de az nekem nem túl egyértelmű. Az a célom, hogy minimális alkatrészből tudjak védelmet csinálni ezzel az IC-vel. Utánnanéztem az IC kapható Magyarországon
Köszi szépen!
Ez is használható , de szerintem a tranyó normál relé esetén felesleges .Több ilyen védelmet csináltam , 500 Ohm feletti reléhez nem kell .
Hi!
Nem tudna valaki rövidzár védelem méretezésben segíteni? Egyszer már vetettem fel ezt a kérdést , de nem kaptam használható segítséget. Előre is köszönöm!
Gyári rajzokról kéne lenézni. Mondj konkrét tejesítményt és rajzot keresek hozzá valót.
Sziasztok!
Még a topik elején van egy kapcsolás ez: Multkor építettem egy komplet autós erősítőt st151-el inverterrel hanszínnel, kistáppal meg ezzel a koppanásgátlóval. Minden tökéletesen müködött semmi gányolás. Azóta kész lett a doboz és minden müködik kivéve ezt a vackot! Most kezdődött el a gányolós rész amit nagyon nemakartam, de már majdnem földhöz csaptam az egészet. 1.5éve dolgozok rajta és most ez vacakol velem! Nah most hogy kidühöngtem magam(jól esett), egyenlőre annyit tudok mondani hogy külön rákötöttem egy kicsi 12V-os tápot.(ami üresjáratban 16V-ot ad ki), és a relé 12V-os részén 6.6V-ot mérek. Szerintetek mi hibázik a rendszerbe, mit nézzek meg? Ha mondjátok hogy mérjek valamit, akkor mérek! Kérlek segítsetek!
Hello!
Mindenek előtt feszültségeket, de előtte a bemenetet tedd a GND pontra. Méréseket a GND ponthoz képest végezd. - C3-on - Q1 c-b-e pontján Ez a kapcsolás Q4 alacsony bétája esetén nem működik rendesen. üdv! proli007
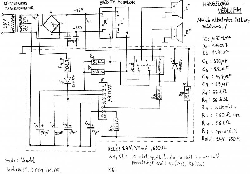
Sziasztok!
Készítettem egy vázlatot az én elképzelésemről, hogy hogyan működik ez a uPC1237-es IC-s hangszoróvédelem. Egy általam hamarosan megépítendő erősítőhö elrendezéséhez készítettem az ábrát. Remélem jól értelmeztem a katalógus ajánlását. Ha félreértettem valamit légyszi javítsátok ki, hogy jó legyen. Az R6 (560ohm-os ellenállás) értékét pontosan miből lehet meghatározni? R4 és R8 értéke diagramból olvasható, de R6 értéke is változik a tápfesztől függően?? Szimmetrikus tápnál mindegy, hogy melyik sekunder ágra kötöm rá R4-et???
Hi!
Egy +-33 V-ról járó quadhoz kellene a trafóm 150w és stereo erősítő, tehát 2 panelem van... Igazából szeretnék készíteni egy komplett hszvédőt,amit más erősítőkhöz is fel tudok használni, csupán a bent lévő alkatrészek variálásával.
Én ezt épitetem 99% ban saját tervezés.
Sajna a vezérlés SB csatlakozójához nem találtam rajzott de a lényeg hogy oda egy ojan kapcsolás megy ami érzékeli hogy az erősítőn van audió jel így addig nem kapcsol ki az erősítő ha meg leáll a hang akkor egy idő után magától kikapcsol a vezérlés. E nélkül az áramkör nélkül nem marad bekapcsolva az erősitő.
Szia!
Egyszer már erről beszélgettünk, ha jól emlékszem innen kezdődik! Bővebben: Link Bár nem tiszta, hogy rövidzárvédelmet szeretnél, vagy hangszóróvédő kapcsolást! A QUAD-ban van rövidzárvédelem!
Gondolkoztam ezen az egész koppanásgátlós dolgon!
Talán hülyeség amit mondok, de szerintem a legegyszerűbb védelem az lenne, ha egy kapcsolóval oldanánk meg a problémát! Egy olyan kapcsoló, amin, ha fordítunk egyet, akkor kapcsolná a trafót,és az erősítőt. Ha tovább fordítanánk a kapcsolót akkor pedig egy másik áramkört kapcsolnánk, de az első továbbra is bekapcsolva maradna természetesen. Ez a második független kapcsoló akár direktbe kapcsolhatná a hangszórókat, vagy egy relét kapcsolna, ami kapcsolná a hangszórókat. Tehát elég ha lassan fordítom a kapcsolót, vagy akár várok pár másodpercet a továbbfordítással. Kikapcsoláskor is elsőre a hangszórókat szakítaná meg és utánna a trafót. A kérdés, hogy létezik-e ilyen kapcsoló? Szerintetek?
nem tudom, nem vagyok nagy spíler az elektronikában, de a te kérdésedre válaszolva: szerintem ez a menet közbeni meghibásodástól nem véd... meg inkább a mechanikai megvalósítással lehetnének gondok...
és amúgy te mindig szép csigatempóban tekergetnéd? esetleg 2 kapcsoló nem lenne jobb? ![]() meg ha ez beválna, akkor nem hiszem, hogy nem lenne oly kis tábora az ezt használóknak, hogy ne lenne róla említés a fórumon. szerintem válassz egy egyszerű koppanásgátlót. már elég sok nyákrajz, és kapcsolás van itt... csak letöltöd, nyomtatod, marod, és örülsz neki. és ha esetleg nem működik, akkor mint másoknak is szívesen segítenek. vá2: amúgy én is gondolkodtam még régen valamiért hasonló kapcsolón, valami értelmetlen kütyübe kellett, de aztán el is felejtődött de szerintem biztos létezik ilyen, csak max tolósba.. de ez itt teljesen off...üdv: lewi
Igen! A menet közbeni meghibásodástól nem védene. Valószínű ezért sem terjedt el. De szerintem a semminél jobb lenne egy ilyen kapcsoló. A két külön kapcsolóval meg az lenne a gond, hogy nem mindegy a kapcsolás sorrendje, kvázi könnyen el lehetne rontani.
Már választottam is egy elég egyszerűnek tűnőt: Ezt itt. Csak nem tudom, hogy jó-e.
Bocsi öttel lejjebbi hozzászólás! Rosszat linkeltem.
|
Bejelentkezés
Hirdetés |




Kikapcsoláskor amíg a pufferekben van feszültség a relék bekapcsolva maradnak.

Nah most hogy kidühöngtem magam(jól esett), egyenlőre annyit tudok mondani hogy külön rákötöttem egy kicsi 12V-os tápot.(ami üresjáratban 16V-ot ad ki), és a relé 12V-os részén 6.6V-ot mérek. Szerintetek mi hibázik a rendszerbe, mit nézzek meg? Ha mondjátok hogy mérjek valamit, akkor mérek! Kérlek segítsetek!








