Fórum témák
» Több friss téma |
Az 5A mellett van egy Cont., a 6A mellett meg egy Intermitt. felirat. Vagyis 5A folyamatos és 6A rövididejű áram leadására képes.
Azt meg hogy hány wattos, azt inkább nem részletezném. Minden adat adott hozzá, számold ki!
Heló
Még nem próbáltam ki hogy működik e mert csak holnap tudom,... De valami kifolyt belőle, az idők során, szerintetek működhet még? egyáltalán mi az ami kifolyhat egy tápból?
Ha tényleg kifolyt belőle valami, akkor én a helyedbe nem próbálnám ki. (Még mielőtt felrobbantod)
Ez komoly? mi folyt ki belőle? és mért robbanna fel? elmagyarázod kérlek?
Hello!
Mert legnagyobb valószínűséggel, nem a szeme, hanem az elektrolit kondenzátor folyt ki. És ha abban hő termelődik, szép nagyot durranhat. Ráadásul maró hatású az elektrolit benne. Mindent meg kell tisztítani, amire rákerült, mert mindent megeszik idővel. Csak óvatosan a tisztításnál. üdv! proli007
találtam egy egyenirányítót, ez áll rajta: RU 9324 GI KBL06
Nem tudja valaki hogy ez 9 Volt 1 Amperhez jó e?
Így én is megtaláltam, de ebből én még nem értem hogy jó e 9 voltos 1 amperes trafó után, mert nem értek ennyire hozzá+angolul sem tudok, nem véletlenül kérem a segítséget,...
Nem kell érteni angolul!
Az adatlapon táblázatos formában szerepelnek a következő adatok: VRMM=600V IF(AV)=4A Érdemes tanulmányozni az adatlapokat, sokkal hamarabb találsz válaszokat! A hozzászólásom ne tekintsd bosszantásnak, segíteni akartam, hálóval és nem hallal!
semmi gond, tudom, csak szeretem ha pontra menő választ kapok, ezt már értem, de még mindig nem vágom hogy jó e a 9 Volthoz,... tudom egyszerű rá a válasz, csak nekem nem az,...
Elolvastad az adatokat amiket írtam ?
Válaszoltam, kikerestem! Amíg a lenti adatokat nem léped túl, működni fog!
Találtam 1 tápot a mellékelt képen lefotóztam a belsejét meg az adatait,... az lenne a kérdésem hogy ez helyettesíti a szintén mellékelt tápot? tehát hogy erről megy a 7805 re, és úgy az áramgenerátorra,... egyenáram jön ki rajta és elektrolit kondi is van benne,...
Sziasztok 2*16V-ot meddig lehet feltornázni egy dc konverterrel?
Szia!
Bármeddig! De a teljesítményed(a feszültség és az áram szorzata) nem nő, hanem a veszteségek miatt egy kicsit kisebb lesz.
és ilyen konverterhez van kapcsolási rajz?
Ne haragudj, de mihez?!
Semmit nem adtál meg, mekkora feszültség, áram kell, mekkora a 2*16V teljesítménye(egyáltalán a 16V DC?)?
Erősítőhoz mert egy 160W-os 2x12V-os trafóm van ami 2x6.667A és ez egyenírányítva 2x16,7V és nem akarok új trafót venni.
akkor csak két diódára és 2 kondenzátorra lenne szükségem? Ha igen akkor ezek milyenek legyenek?
Legalább 2 db. 100V 10A-es dióda 2 db. 10000µF 40V-os kondi.
De ez 8 omh-ra kb. 70W max!
Sziasztok!
Nem tudom hova írjam a kérdésemet, ezért megpróbálkozom vele itt... Épp egy gitár/szinti erősítő fejen dolgozom. (pontosabban még csak tervezem) Adott egy quad 405ös végfok +/-50Vos táppal. Ezenkívül lesz még egy előerősítő fokozat és egy aktív parametrikus EQ. Utóbbi 2 leleke az összesen 4db OPA604-es műveleti erősítő. Úgy tudom nagyon fontos hogy a ME-k tápja satabil legyen, ne nagyon ingadozzon. Több helyen olvastam hogy e célból be lehet építeni 7815/7915ös stabilizátor ICket. Igenám de ezekre max 35V kapcsolható (nekem meg 50van). Jó megoldás az ha Zener-előtétellenállás módszerrel előállítok egy kb +/-20Vos feszültséget (persze a ME-k áramfelvételét figyelembe véve), amit aztán már farankón tudok a stab IC-k bemenetére kötni? Vagy hagyjam a satbilizátorokat és oldjam meg 2db 15Vos zanerrel és 2 ellenállásal?
Nekem az vált be, hogy: egyenirányítás - puffer - egy soros dióda - puffer - még egy soros dióda - puffer - stab ic. A diódák 4-5* nagyobb áramúak mint az egyenirányítás diódái. Nálad a fránya 50V miatt nem lehet 7824 sem rakni (utána meg 7815-t) mert az csak 40V-t bir. Ezzel a puffer-dióda kombiációval jól lehet szűrni.
Ahamm!
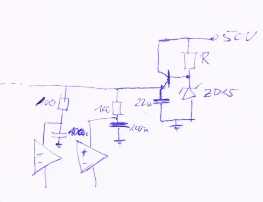
sokhelyen láttam ugye ezt a zener+ellenállás+kondi megoldást műverősítők tápellátásához. (pl a csotolt rajzon). Igazából a kérdésem arra irányult hogy ezután nem-e érdemes még egy stabilizátort betenni. Vagy tökfölösleges? (nem ebbe a kapcsolásba! Ez csk egy példa)
Hello!
Ha már így a tápokon polemizálunk... - Műveleti erősítők számára, nem kimondottan szükséges penge stabil feszültség, ha nem járnak a működési határfeszültségükön. És jelentős tápfeszültség elnyomással is rendelkeznek. - Az egyenirányított feszültség tartalmaz brumm, azaz lüktető egyen feszültséget, ezt kell megszüntetni, ennek legegyszerűbb módja az RC kapcsolás. Azaz egy ellenállás és egy kondi. A szűrés jóságát az RC tag nagysága adja. (tehát R*C szorzata minnél nagyobb. - A sima RC tag hátránya, hogy változó terhelés hatására, változik a kimenő feszültség is. Ezért a legtöbb esetben stabilizálunk. - Ha a feszültséget csökkenteni és közben stabilizálni is szeretnénk, akkor általában zénerdiódát alkalmazunk. A zénernek a dinamikus belsőellenállása (dU/dI) viszonylag kicsi, így nem csak a feszültséget, hanem a brumm feszültséget is eredményesen csökkenti. Ennek a kapcsolásnak is lesz brumm lenyomása, mert a zéner előtét ellenállása és a dióda kis dinamikus belsőellenállása, a brummra nézve feszültségosztót alkot. A zéner mellett persze kondik alkalmazása is szükséges. Azt tudni kell, hogy a zéner a letörési szakasza miatt, mint "zajgenerátor" is szerepel. Az általad feltett rajzon is látható, hogy a zéneren kondi van, és a zéner és a végfokozat között, még egy plusz RC tag található. (2,7k/22uF) - Ha a zéneres stabilizálás után, még egy egyszerű tranzisztorors emitterkövetőt is alkalmazunk, akkor annak áramerősítési tényezője miatt a kapcsolásunk jobban terhelhető. Ez már kellő stabilizálással is fog rendelkezni. A tranzisztornak a váltakozóáramú ellenállása lényegesen nagyobb, mint az egyenáramú, ezért jelentősen fogja szűrni a brumm feszültséget. (Az alkatrészeket, persze a terhelésnek és a zénernek megfelelően kell megválasztani. Messze nincs szükség a háromlábú stabilizátor stabilitására és esetleges belsőgerjedésére. ) A tranzisztor alkalmazásánál, feszültség probléma nem lehet. (40V) - Célszerű, még a műveleti erősítők tápját, az IC mellett, egy kis RC taggal szűrni, legalább fokozatonként (10..100ohm/100nF mind két ágban). Így elkerülhető az IC-k egymásra hatása a tápfeszültségen keresztül. (Ha az IC kimenete megrántja a tápot, akkor ez az energia a kondenzátorból pótlódik, és nem a tápegység felől indul el egy nagyáramú lökés) üdv! proli007
Köszönöm a kimerítő választ!
Főleg azt hogy meg is indokoltad hogy mit miért! Tehát akkor valami ilyesmi?? (lásd csatolt kép) Az R ellenállást és a tranzisztort meg aszerint választom hogy mekkora áramot vesznek fel együttesen a műverősítők. Ha egy ME-re kb 10mA el számolok az jó közelítés? (negatív ágban ugyenennyivel) Datasheetben kevesebb van (4-5mA max), dehát tölteni is kell a puffert...
Sziasztok lenne egy kérdésem van egy CODEGEN33X-es tápom nem külön kapcsolós.az lenne a kérdésen hogy melyik az a 2 vezeték amelyik lekötésével külön tudnám kapcsolni a tápot. Ugyanis nekem egy régi autó magnóhóz kéne tápnak csak tudni kéne hogy melyik 2 vezetéket kell összekötnöm hogy a táp +a ventilátor elinduljon.
Segítségeiteket előre is köszönöm.
Ha ATX táp, akkor a PS_ON vezetéket (általában zöld) kell összekötni a GND-vel (általában fekete).
|
Bejelentkezés
Hirdetés |















